MEM TQA-4050 Automatic Double Station Pneumatic

Congratulations on purchasing the MEM TQA-4050 heat press from Shenyang Shicheng Printing Machinery Co., Ltd. Please read the operating instructions carefully before using the heat press to avoid any problems. This heat press is designed for medium and large batches and comes with a pressure balancing system on the heat plate and bottom plate. The MEM TQA-4050 operates in semi-automatic or manual modes and has an adjustable air pressure by an air-reducing valve with a water separator. The heat press comes with the two-hand operation for safe use, CE certification, and RoHS certification. The product also comes with lifetime factory online service.
Safety Precautions
Please read the instructions and safety precautions carefully before using your MEM TQA-4050 heat press for the first time. Do not open the cover or attempt to modify the machine without instruction. In case you are requested by the MEM customer support to open the heating plate cover, please follow their instructions. If you cannot observe one or more of the safety precautions above or if you are not sure whether all points are satisfied, please contact our Technical Support Department.
- Machine Description
The MEM TQA-4050 Heat Press comes with a power switch, two-hand control press buttons (works on manual mode), temperature controller, manual/automatic switch button, emergency stop button, handle, air reducing valve, heat plate, bottom platen, bottom pressure balancing system, stand, and height-adjustable foot. - Controller
The controller is used to set the temperature calibration. To enter the parameter setting interface, press and hold the SET button. Press down the key to decrease the corresponding parameter value. Do not change parameters except Pb and SL2 without instruction. The parameter code for temperature calibration is Pb and SL2. - Operation
The MEM TQA-4050 Heat Press requires an air compressor with a minimum of 800w (1 hp) and a 30L (8-gallon) hold tank. Connect a 5mm inner diameter (usually 8mm outer diameter) air hose to the machine. Charge the compressor to 0.6-0.7 Mpa, up to 0.8 Mpa (120 psi) if possible. Set the desired pneumatic pressure on the air-reducing valve of the heat press by pulling up the cap at the top end and then turning it. After the pressure is set, push the cap back down. The set pressure should be lower than on the manometer of the compressor. Commonly used pressures are between 0.4 to 0.6 Mpa (60 to 90 psi).
Brief overview
MEM TQA-4050 pneumatic double station heat press
The design of the MEM double station presses combines a heavy-duty solid industrial-grade pressing framework with high-quality electric components. This provides the operator with the best possible features and equipment needed for today’s various heat transfer applications. Using the MEM TQA-4050 double station heat press, all common hot transfer processes (flock, flex, sublimation, transfer, Inkjet-flex, etc.) can be conducted professionally and with the highest productivity. The desired settings can be set easily with the temperature controller. The pneumatic pressure can be regulated smoothly with the air-reducing valve. With the restriction valve on the solenoid valve, the press and lift speed could be adjusted.
Short overview MEM TQA-4050 heat press
- Pneumatic double station transfer press for medium and large batches.
- Pressure balancing system on heat plate and bottom plate.
- Operates in semi-automatic or manual modes.
- Adjustable air pressure by air-reducing valve with water separator.
- Two-hand operation for safety use.
- CE certificated and RoHS certificated.
- Lifetime factory online service.
Safety Precautions
Please read these instructions and safety precautions carefully before using your press for the first time!
- Never reach into the heat press with your hands when it is connected to the power supply, particularly when it is switched on and heated up – the danger of severe burns!
- Do not open the cover or attempt to modify the machine yourself without instruction. In case you are requested by the MEM customer support to open the heating plate cover, please make sure you are wearing respiratory protection and only touch the contained insulation wool with gloves. Any disposal of the wool must be contained in a closed bag.
- Ensure that liquids and metal objects do not get into the inside of the heat press.
- Ensure that the power socket used is grounded. Note that it is only permissible to operate a heat press from a power socket protected by a ground fault protection switch.
- Disconnect the machine from the power outlet when not in use!
- Never operate the heat press within the reach of children and never leave the machine unsupervised when switched on.
- Ensure that the machine is used only in dry rooms.
- Pay attention that the used compressor is attuned to the air consumption and the pressure
If you cannot observe one or more of the safety precautions above, or if you are not sure whether all points are satisfied, please contact our Technical Support Department.Machine description
Machine description

- Power switch
- Two hand control press buttons (works on manual mode)
- Temperature controller
- Manual/automatic switch button
- Emergency stop button
- Handle
- Air reducing valve
- Heat plate
- Bottom platen
- Bottom pressure balancing system
- Stand
- Height adjustable foot
Controller
With the temperature controller, temperature (°C and °F) and pressing time can be adjusted. The Set values are showing the setting value, the Temperature digits are showing the actual value. The counter (reset after power off) function that counts the number of transfers that have already been made during the current session could be enabled, contact MEM for counter function enable instruction.
![]()
- Press and hold the SET button to enter the parameter setting interface, press and hold the SET
button to exit the parameter setting interface. - Press down the key to decrease the corresponding parameter value.
- Press the up key to increase the corresponding parameter value. Press and hold up the key to start self-tuning (℃ or ℉on the panel blinks.) Once the machine begins self-tuning, do not unplug or press any key until the self-tuning is done (℃ or ℉ stop blinking). Before applying self-tuning, set the temperature to normal working temperature and let the heat plate cool down to room temperature. Apply self-tuning when the machine could not control temperature properly. Self-tuning will change PID parameter automatically.
Do not change parameters except Pb and SL2 without our instruction.
Operation
Pneumatic connection
- TQA-4050 requires an air compressor with a minimum 800w (1 hp) and 30L (8 gallon) hold tank.
- Connect a 5mm inner diameter (usually 8mm outer diameter) air hose to the machine. Charge the compressor to 0.6-0.7 Mpa, up to 0.8 Mpa (120 psi) if possible.
- Set the desired pneumatic pressure on the air-reducing valve of the heat press by pulling up the cap at the top end and then turning it. After the pressure is set, push the cap back down. The set pressure should be lower than on the manometer of the compressor. Commonly used pressures are between 0.4 to 0.6 Mpa (60 to 90 psi).
Power supply
- Connect the heat press to a power socket using the connection cable supplied.
- Switch on the press with the red power switch.
Operating transfers
- Set the desired pneumatic pressure on the air-reducing valve of the heat press by pulling up the cap at the top end and then turning it. After the pressure is set, push the cap back down.
- Bring the press head into an end position right or left.
- Manual mode: Shuttle the upper plate over the garment and design. Press both Press Buttons located on the side of the head to press.
- Semi-auto mode: The heat plate will press automatically when the head reaches either end.
- After the timer counts to zero, the heat plate lifts automatically.
- By pressing the red emergency stop button, the transfer process can be stopped at any time.
Operation of solenoid valve

- On the side of the solenoid valve, there are two silver/golden screws that restrict the airflow speed of the cylinder.
- If the screws are screwed out, it accelerates the up/down process of the cylinder.
- When the screws are screwed in, it slows down the up/down process of the cylinder
- Fix the respective setting with the corresponding counter nuts by tightening them by hand.
Maintenance and cleaning
Maintenance work should always be accomplished with the press switched off and cooled down. The plug must first be disconnected from the power socket. Consult Technical Support before carrying out any maintenance work. Clean the press regularly with a soft cloth and mild household cleaner to remove adhesive residues etc.
Technical data
| Model | TQA-4050 |
| Voltage and power | 220V (2700W) or 110V (1800W)
Check the voltage at the back side of the head |
| Time Range | 0-999sec. |
| Max. Temp. | 260°C / 500°F |
| Heat plate size | 40x50cm (16″x20″) |
| Dimensions(L*W*H) | 1080*730*590mm (42″x28″x23″) |
| Shipping Dimensions(L*W*H) | 1230*770*690mm (49″x31″x28″) |
| Shipping Weight | 145kg (320lbs) |
| Max. press thickness | 40mm |
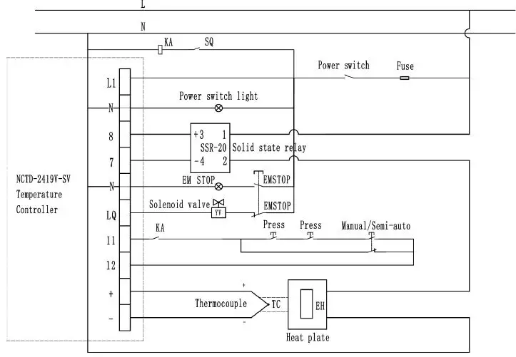
Circuit diagram

Statement of Conformity
CE certification
We herewith declare that the product meets the provisions of the following EC Directives and Harmonized Standards:
- Certificate Number: M.2020.206.C9752
- 2006/42/EC Machinery Directive
- 2014/35/EU Low Voltage Directive
- Related Standards: EN ISO 12100:2010, EN 60204-1:2018
RoHS test
- We herewith declare that the product conforms to RoHS
- Directive 2011/65/EU Annex II amending Annex (EU)2015/863 and amending Annex (EU)2017/2102.
- Report No.: B-R2203A0560
MEM (Shenyang Shicheng Printing Machinery Co., Ltd.)
- [email protected].
- +86 13889380068
Congratulations on purchasing a MEM heat press!
Please read these operating instructions carefully so you can start production with your press without problems. Reproduction of these operating instructions in any form requires the written approval of MEM. We reserve all rights to change technical data and product features. MEM does not assume any liability for direct or indirect damage resulting from the use of this product. Version 1.2 (09.06.2022)













