VENTS NK Duct Electric Heater User Manual
SAFETY REQUIREMENTS
Read the user’s manual carefully prior to installing and operating the unit. Fulfil the user’s manual requirements as well as the provisions of all the applicable local and national construction, electrical and technical norms and standards.
The warnings contained in the user’s manual must be considered most seriously since they contain vital personal safety information.
Failure to follow the rules and safety precautions noted in this user’s manual may result in an injury or unit damage.
After a careful reading of the manual, keep it for the entire service life of the unit.
While transferring the unit control the user’s manual must be turned over to the receiving operator.
Symbol legend:
WARNING!
DO NOT!
UNIT MOUNTING AND OPERATION SAFETY PRECAUTIONS
Disconnect the unit from power mains prior to any installation operations.- Unpack the unit with care.
Do not lay the power cable of the unit in close proximity to heating equipment.
Unpack the unit with care.
While installing the unit follow the safety regulations specific to the use of electric tools.
Do not use damaged equipment or cables when connecting the unit to power mains.
Do not operate the unit outside the temperature range stated in the user’s manual.- Do not operate the unit in aggressive or explosive environments.
Do not touch the unit controls with wet hands.- Do not carry out the installation and maintenance operations with wet hands.
Do not wash the unit with water.- Protect the electric parts of the unit against ingress of water.
UNIT MOUNTING AND OPERATION SAFETY PRECAUTIONS
Do not allow children to operate the unit.
Disconnect the unit from power mains prior to any technical maintenance.
Do not store any explosive or highly flammable substances in close proximity to the unit.
When the unit generates unusual sounds, odour or emits smoke disconnect it from power supply and contact the Seller.
Do not open the unit during operation.
Do not direct the air flow produced by the unit towards open flame or ignition sources.
Do not block the air duct when the unit is switched on.
In case of continuous operation of the unit periodically check the security of mounting.
Do not sit on the unit and avoid placing foreign objects on it.
Use the unit only for its intended purpose.
THE PRODUCT MUST BE COLLECTED SEPARATELY AT THE END OF SERVICE LIFE.
DO NOT DISPOSE THE PRODUCT WITH UNSORTED MUNICIPAL TRASH.
PURPOSE
Duct heaters are designed for heating of intake fresh air transported through the ventilating system.
The unit is a component part and is not designed for independent operation
THE UNIT MAY NOT BE OPERATED BY CHILDREN OR PERSONS WITH REDUCED PHYSICAL, MENTAL OR SENSORY CAPACITIES, OR LACKING THE APPROPRIATE TRAINING.
THE UNIT MUST BE INSTALLED AND CONNECTED ONLY BY PROPERLY QUALIFIED PERSONNEL AFTER THE APPROPRIATE BRIEFING.
THE CHOICE OF UNIT INSTALLATION LOCATION MUST PREVENT UNAUTHORIZED ACCESS BY UNATTENDED CHILDREN.
The heater is designed for extended periods of continuous operation without disconnection from the power mains.
Transported air must not contain any flammable or explosive mixtures, evaporation of chemicals, sticky substances, fibrous materials, coarse dust, soot and oil particles or environments favorable for the formation of hazardous substances (toxic substances, dust, pathogenic germs).
DELIVERY SET
Duct heater 1 item
User’s manual 1 item
DESIGNATION KEY
Designation example:
NK 315-9,0-3 – three-phase heater with branch pipe diameter 315 mm, power 9 kW.
NK 600*350-21,0-3 – three-phase heater for a rectangular duct 600×350 mm, power 21 kW.
The basic heater overall dimensions must correspond to the ones provided in the tables «Overall and connecting dimensions».
The basic heater parameters and thermal dynamic characteristics are shown in the tables «Main technical parameters».
TECHNICAL DATA
The unit is designed for indoor application at ambient temperature from -30 °C up to +50 °C and relative humidity up to 80 %.
The heater is rated as a class I electric appliance.
Ingress protection rating against access to hazardous parts and water ingress is IP40.
The heater design is constantly improved, so some models may slightly differ from the ones depicted herein.
OVERALL AND CONNECTING DIMENSIONS OF HEATERS FOR ROUND DUCTS

| Heater model | Dimensions [mm] | |||||
| D | L | B | F | C | A | |
| NK 100-0,6-1 | 99 | 306 | 226 | 207 | 40 | 94 |
| NK 100-0,8-1 | 99 | 306 | 226 | 207 | 40 | 94 |
| NK 100-1,2-1 | 99 | 306 | 226 | 207 | 40 | 94 |
| NK 100-1,6-1 | 99 | 306 | 226 | 207 | 40 | 94 |
| NK 100-1,8-1 | 99 | 376 | 296 | 207 | 40 | 94 |
| NK 125-0,6-1 | 124 | 306 | 226 | 230 | 40 | 103 |
| NK 125-0,8-1 | 124 | 306 | 226 | 230 | 40 | 103 |
| NK 125-1,2-1 | 124 | 306 | 226 | 230 | 40 | 103 |
| NK 125-1,6-1 | 124 | 306 | 226 | 230 | 40 | 103 |
| NK 125-2,4-1 | 124 | 376 | 296 | 230 | 40 | 103 |
| NK 150-1,2-1 | 149 | 306 | 226 | 255 | 40 | 120 |
| NK 150-1,7-1 | 149 | 306 | 226 | 255 | 40 | 120 |
| NK 150-2,0-1 | 149 | 306 | 226 | 255 | 40 | 120 |
| NK 150-2,4-1 | 149 | 306 | 226 | 255 | 40 | 120 |
| NK 150-3,4-1 | 149 | 306 | 226 | 255 | 40 | 120 |
| NK 150-3,6-3 | 149 | 376 | 296 | 255 | 40 | 120 |
| NK 150-5,1-3 | 149 | 376 | 296 | 255 | 40 | 120 |
| NK 150-6,0-3 | 149 | 376 | 296 | 255 | 40 | 120 |
| NK 160-1,2-1 | 159 | 306 | 226 | 267 | 40 | 120 |
| K 160-1,7-1 | 159 | 306 | 226 | 267 | 40 | 120 |
| NK 160-2,0-1 | 159 | 306 | 226 | 267 | 40 | 120 |
| NK 160-2,4-1 | 159 | 306 | 226 | 267 | 40 | 120 |
| NK 160-3,4-1 | 159 | 306 | 226 | 267 | 40 | 120 |
| NK 160-3,6-3 | 159 | 376 | 296 | 267 | 40 | 120 |
| NK 160-5,1-3 | 159 | 376 | 296 | 267 | 40 | 120 |
| NK 160-6,0-3 | 159 | 376 | 296 | 267 | 40 | 120 |
| NK 200-1,2-1 | 199 | 294 | 214 | 302 | 40 | 150 |
| NK 200-1,7-1 | 199 | 294 | 214 | 302 | 40 | 150 |
| NK 200-2,0-1 | 199 | 294 | 214 | 302 | 40 | 150 |
| NK 200-2,4-1 | 199 | 294 | 214 | 302 | 40 | 150 |
| NK 200-3,4-1 | 199 | 294 | 214 | 302 | 40 | 150 |
| NK 200-3,6-3 | 199 | 376 | 296 | 302 | 40 | 150 |
| NK 200-5,1-3 | 199 | 376 | 296 | 302 | 40 | 150 |
| NK 200-6,0-3 | 199 | 376 | 296 | 302 | 40 | 150 |
| NK 250-1,2-1 | 249 | 306 | 226 | 356 | 40 | 150 |
| NK 250-2,0-1 | 249 | 306 | 226 | 356 | 40 | 150 |
| NK 250-2,4-1 | 249 | 306 | 226 | 356 | 40 | 150 |
| NK 250-3,0-1 | 249 | 306 | 226 | 356 | 40 | 150 |
| NK 250-3,6-3 | 249 | 376 | 296 | 356 | 40 | 150 |
| NK 250-6,0-3 | 249 | 376 | 296 | 356 | 40 | 150 |
| NK 250-9,0-3 | 249 | 376 | 296 | 356 | 40 | 150 |
| NK 315-1,2-1 | 313 | 294 | 214 | 425 | 40 | 150 |
| NK 315-2,0-1 | 313 | 294 | 214 | 425 | 40 | 150 |
| NK 315-2,4-1 | 313 | 294 | 214 | 425 | 40 | 150 |
| NK 315-3,6-3 | 313 | 376 | 296 | 425 | 40 | 150 |
| NK 315-6,0-3 | 313 | 376 | 296 | 425 | 40 | 150 |
| NK 315-9,0-3 | 313 | 376 | 296 | 425 | 40 | 150 |
MAIN TECHNICAL PARAMETERS OF HEATERS FOR ROUND DUCTS
| Heater model | Power [kW] | Number of phases | Voltage [V] | Number of electric heating elements x power [kW] | Current [A] | Minimum air flow [m3/h] | Weight [kg] |
| NK 100-0,6-1 | 0.6 | 1 | 230 | 1×0.6 | 2.6 | 60 | 1.3 |
| NK 100-0,8-1 | 0.8 | 1 | 230 | 1×0.8 | 3.5 | 80 | 1.3 |
| NK 100-1,2-1 | 1.2 | 1 | 230 | 2×0.6 | 5.2 | 90 | 1.5 |
| NK 100-1,6-1 | 1.6 | 1 | 230 | 2×0.8 | 7.0 | 120 | 1.5 |
| NK 100-1,8-1 | 1.8 | 1 | 230 | 3×0.6 | 7.8 | 130 | 1.7 |
| NK 125-0,6-1 | 0.6 | 1 | 230 | 1×0.6 | 2.6 | 60 | 1.4 |
| NK 125-0,8-1 | 0.8 | 1 | 230 | 1×0.8 | 3.5 | 80 | 1.4 |
| NK 125-1,2-1 | 1.2 | 1 | 230 | 2×0.6 | 5.2 | 90 | 1.7 |
| NK 125-1,6-1 | 1.6 | 1 | 230 | 2×0.8 | 7.0 | 120 | 1.7 |
| NK 125-2,4-1 | 2.4 | 1 | 230 | 3×0.8 | 7.8 | 150 | 1.9 |
| NK 150-1,2-1 | 1.2 | 1 | 230 | 1×1.2 | 5.2 | 120 | 2.0 |
| NK 150-1,7-1 | 1.7 | 1 | 230 | 1×1.7 | 7.4 | 130 | 2.0 |
| NK 150-2,0-1 | 2.0 | 1 | 230 | 1×2.0 | 8.7 | 140 | 2.0 |
| NK 150-2,4-1 | 2.4 | 1 | 230 | 2×1.2 | 10.4 | 150 | 2.4 |
| NK 150-3,4-1 | 3.4 | 1 | 230 | 2×1.7 | 14.7 | 220 | 2.4 |
| NK 150-3,6-3 | 3.6 | 3 | 400 | 3×1.2 | 5.2 | 265 | 2.8 |
| NK 150-5,1-3 | 5.1 | 3 | 400 | 3×1.7 | 7.4 | 320 | 2.8 |
| NK 150-6,0-3 | 6.0 | 3 | 400 | 3×2.0 | 8.7 | 360 | 2.8 |
| NK 160-1,2-1 | 1.2 | 1 | 230 | 1×1.2 | 5.2 | 150 | 2.1 |
| NK 160-1,7-1 | 1.7 | 1 | 230 | 1×1.7 | 7.4 | 160 | 2.1 |
| NK 160-2,0-1 | 2.0 | 1 | 230 | 1×2.0 | 8.7 | 170 | 2.1 |
| NK 160-2,4-1 | 2.4 | 1 | 230 | 2×1.2 | 10.4 | 180 | 2.5 |
| NK 160-3,4-1 | 3.4 | 1 | 230 | 2×1.7 | 14.8 | 250 | 2.5 |
| NK 160-3,6-3 | 3.6 | 3 | 400 | 3×1.2 | 5.2 | 265 | 3.0 |
| NK 160-5,1-3 | 5.1 | 3 | 400 | 3×1.7 | 7.4 | 375 | 3.0 |
| NK 160-6,0-3 | 6.0 | 3 | 400 | 3×2.0 | 8.7 | 440 | 3.0 |
| NK 200-1,2-1 | 1.2 | 1 | 230 | 1×1.2 | 5.2 | 150 | 2.5 |
| NK 200-1,7-1 | 1.7 | 1 | 230 | 1×1.7 | 7.4 | 160 | 2.5 |
| NK 200-2,0-1 | 2.0 | 1 | 230 | 1×2.0 | 8.7 | 170 | 2.5 |
| NK 200-2,4-1 | 2.4 | 1 | 230 | 2×1.2 | 10.4 | 180 | 3.0 |
| NK 200-3,4-1 | 3.4 | 1 | 230 | 2×1.7 | 14.8 | 250 | 3.0 |
| NK 200-3,6-3 | 3.6 | 3 | 400 | 3×1.2 | 5.2 | 265 | 3.5 |
| NK 200-5,1-3 | 5.1 | 3 | 400 | 3×1.7 | 7.4 | 375 | 3.5 |
| NK 200-6,0-3 | 6.0 | 3 | 400 | 3×2.0 | 8.7 | 440 | 3.5 |
| NK 250-1,2-1 | 1.2 | 1 | 230 | 1×1.2 | 5.2 | 180 | 3.2 |
| NK 250-2,0-1 | 2.0 | 1 | 230 | 1×2.0 | 8.7 | 200 | 3.2 |
| NK 250-2,4-1 | 2.4 | 1 | 230 | 2×1.2 | 10.4 | 265 | 3.7 |
| NK 250-3,0-1 | 3.0 | 1 | 230 | 1×3.0 | 13.0 | 375 | 3.2 |
| NK 250-3,6-3 | 3.6 | 3 | 400 | 3×1.2 | 5.2 | 375 | 4.6 |
| NK 250-6,0-3 | 6.0 | 3 | 400 | 3×2.0 | 8.7 | 440 | 4.6 |
| NK 250-9,0-3 | 9.0 | 3 | 400 | 3×3.0 | 13.0 | 660 | 4.6 |
| NK 315-1,2-1 | 1.2 | 1 | 230 | 1×1.2 | 5.2 | 180 | 4.0 |
| NK 315-2,0-1 | 2.0 | 1 | 230 | 1×2.0 | 8.7 | 200 | 4.0 |
| NK 315-2,4-1 | 2.4 | 1 | 230 | 2×1.2 | 10.4 | 265 | 4.8 |
| NK 315-3,6-3 | 3.6 | 3 | 400 | 3×1.2 | 5.2 | 375 | 5.6 |
| NK 315-6,0-3 | 6.0 | 3 | 400 | 3×2.0 | 8.7 | 440 | 5.6 |
| NK 315-9,0-3 | 9.0 | 3 | 400 | 3×3.0 | 13.0 | 660 | 5.6 |

OVERALL AND CONNECTING DIMENSIONS OF HEATERS FOR RECTANGULAR DUCTS
| Heater model | Dimensions [mm] | ||||||
| A | B | D | C | E | F | H | |
| NK 400*200-4,5-3 | 540 | 240 | 420 | 220 | 400 | 200 | 200 |
| NK 400*200-6,0-3 | 540 | 240 | 420 | 220 | 400 | 200 | 200 |
| NK 400*200-7,5-3 | 540 | 240 | 420 | 220 | 400 | 200 | 200 |
| NK 400*200-9,0-3 | 540 | 240 | 420 | 220 | 400 | 200 | 200 |
| NK 400*200-10,5-3 | 540 | 240 | 420 | 220 | 400 | 200 | 200 |
| NK 400*200-12,0-3 | 540 | 240 | 420 | 220 | 400 | 200 | 200 |
| NK 400*200-15,0-3 | 540 | 240 | 420 | 220 | 400 | 200 | 200 |
| NK 500*250-6,0-3 | 640 | 290 | 520 | 270 | 500 | 250 | 200 |
| NK 500*250-7,5-3 | 640 | 290 | 520 | 270 | 500 | 250 | 200 |
| NK 500*250-9,0-3 | 640 | 290 | 520 | 270 | 500 | 250 | 200 |
| NK 500*250-10,5-3 | 640 | 290 | 520 | 270 | 500 | 250 | 200 |
| NK 500*250-12,0-3 | 640 | 290 | 520 | 270 | 500 | 250 | 200 |
| NK 500*250-15,0-3 | 640 | 290 | 520 | 270 | 500 | 250 | 200 |
| NK 500*250-18,0-3 | 640 | 290 | 520 | 270 | 500 | 250 | 200 |
| NK 500*250-21,0-3 | 640 | 290 | 520 | 270 | 500 | 250 | 200 |
| NK 500*300-6,0-3 | 640 | 340 | 520 | 320 | 500 | 250 | 200 |
| NK 500*300-7,5-3 | 640 | 340 | 520 | 320 | 500 | 300 | 200 |
| NK 500*300-9,0-3 | 640 | 340 | 520 | 320 | 500 | 300 | 200 |
| NK 500*300-10,5-3 | 640 | 340 | 520 | 320 | 500 | 300 | 200 |
| NK 500*300-12,0-3 | 640 | 340 | 520 | 320 | 500 | 300 | 200 |
| NK 500*300-15,0-3 | 640 | 340 | 520 | 320 | 500 | 300 | 200 |
| K 500*300-18,0-3 | 640 | 340 | 520 | 320 | 500 | 300 | 200 |
| NK 500*300-21,0-3 | 640 | 340 | 520 | 320 | 500 | 300 | 200 |
| NK 600*300-9,0-3 | 740 | 340 | 620 | 320 | 600 | 300 | 200 |
| NK 600*300-12,0-3 | 740 | 340 | 620 | 320 | 600 | 300 | 200 |
| NK 600*300-15,0-3 | 740 | 340 | 620 | 320 | 600 | 300 | 200 |
| NK 600*300-18,0-3 | 740 | 340 | 620 | 320 | 600 | 300 | 200 |
| NK 600*300-21,0-3 | 740 | 340 | 620 | 320 | 600 | 300 | 200 |
| NK 600*300-24,0-3 | 740 | 340 | 620 | 320 | 600 | 300 | 200 |
| NK 600*350-9,0-3 | 740 | 390 | 620 | 370 | 600 | 350 | 200 |
| NK 600*350-12,0-3 | 740 | 390 | 620 | 370 | 600 | 350 | 200 |
| NK 600*350-15,0-3 | 740 | 390 | 620 | 370 | 600 | 350 | 200 |
| NK 600*350-18,0-3 | 740 | 390 | 620 | 370 | 600 | 350 | 200 |
| NK 600*350-21,0-3 | 740 | 390 | 620 | 370 | 600 | 350 | 200 |
| NK 600*350-24,0-3 | 740 | 390 | 620 | 370 | 600 | 350 | 200 |
| NK 700*400-18,0-3 | 840 | 440 | 720 | 420 | 700 | 400 | 390 |
| NK 700*400-27,0-3 | 840 | 440 | 720 | 420 | 700 | 400 | 510 |
| NK 700*400-36,0-3 | 840 | 440 | 720 | 420 | 700 | 400 | 750 |
| NK 800*500-27,0-3 | 940 | 540 | 820 | 520 | 800 | 500 | 390 |
| NK 800*500-36,0-3 | 940 | 540 | 820 | 520 | 800 | 500 | 510 |
| NK 800*500-54,0-3 | 940 | 540 | 820 | 520 | 800 | 500 | 750 |
| NK 900*500-45,0-3 | 1040 | 540 | 920 | 520 | 900 | 500 | 750 |
| NK 900*500-54,0-3 | 1040 | 540 | 920 | 520 | 900 | 500 | 750 |
| NK 1000*500-45,0-3 | 1140 | 540 | 1020 | 520 | 1000 | 500 | 750 |
| NK 1000*500-54,0-3 | 1140 | 540 | 1020 | 520 | 1000 | 500 | 750 |
MAIN TECHNICAL PARAMETERS OF HEATERS FOR RECTANGULAR DUCTS
| Heater model | Power [kW] | Number of phases | Voltage [V] | Number of electric heating elements x power [kW] | Current [A] | Minimum air flow [m3/h] | Weight [kg] |
| NK 400*200-4,5-3 | 4.5 | 3 | 400 | 3×1.5 | 6.5 | 330 | 6.5 |
| NK 400*200-6,0-3 | 6.0 | 3 | 400 | 3×2.0 | 8.7 | 440 | 6.5 |
| NK 400*200-7,5-3 | 7.5 | 3 | 400 | 3×2.5 | 10.9 | 550 | 6.5 |
| NK 400*200-9,0-3 | 9.0 | 3 | 400 | 3×3.0 | 13.0 | 660 | 6.5 |
| NK 400*200-10,5-3 | 10.5 | 3 | 400 | 3×3.5 | 15.2 | 770 | 6.5 |
| NK 400*200-12,0-3 | 12.0 | 3 | 400 | 3×4.0 | 17.4 | 880 | 6.5 |
| NK 400*200-15,0-3 | 15.0 | 3 | 400 | 3×5.0 | 21.7 | 1100 | 6.5 |
| NK 500*250-6,0-3 | 6.0 | 3 | 400 | 3×2.0 | 8.7 | 440 | 7.65 |
| NK 500*250-7,5-3 | 7.5 | 3 | 400 | 3×2.5 | 10.9 | 550 | 7.65 |
| NK 500*250-9,0-3 | 9.0 | 3 | 400 | 3×3.0 | 13.0 | 660 | 7.65 |
| NK 500*250-10,5-3 | 10.5 | 3 | 400 | 3×3.5 | 15.2 | 770 | 7.65 |
| NK 500*250-12,0-3 | 12.0 | 3 | 400 | 3×4.0 | 17.4 | 880 | 7.65 |
| NK 500*250-15,0-3 | 15.0 | 3 | 400 | 3×5.0 | 21.7 | 1100 | 7.65 |
| NK 500*250-18,0-3 | 18.0 | 3 | 400 | 3×6.0 | 26.0 | 1320 | 7.65 |
| NK 500*250-21,0-3 | 21.0 | 3 | 400 | 3×7.0 | 30.0 | 1540 | 7.65 |
| NK 500*300-6,0-3 | 6.0 | 3 | 400 | 3×2.0 | 8.7 | 440 | 8.2 |
| NK 500*300-7,5-3 | 7.5 | 3 | 400 | 3×2.5 | 10.9 | 550 | 8.2 |
| NK 500*300-9,0-3 | 9.0 | 3 | 400 | 3×3.0 | 13.0 | 660 | 8.2 |
| NK 500*300-10,5-3 | 10.5 | 3 | 400 | 3×3.5 | 15.2 | 770 | 8.2 |
| NK 500*300-12,0-3 | 12.0 | 3 | 400 | 3×4.0 | 17.4 | 880 | 8.2 |
| NK 500*300-15,0-3 | 15.0 | 3 | 400 | 3×5.0 | 21.7 | 1100 | 8.2 |
| NK 500*300-18,0-3 | 18.0 | 3 | 400 | 3×6.0 | 26.0 | 1320 | 8.2 |
| NK 500*300-21,0-3 | 21.0 | 3 | 400 | 3×7.0 | 30.0 | 1540 | 8.2 |
| NK 600*300-9,0-3 | 9.0 | 3 | 400 | 3×3.0 | 13.0 | 660 | 9.4 |
| NK 600*300-12,0-3 | 12.0 | 3 | 400 | 3×4.0 | 17.4 | 880 | 9.4 |
| NK 600*300-15,0-3 | 15.0 | 3 | 400 | 3×5.0 | 21.7 | 1100 | 9.4 |
| NK 600*300-18,0-3 | 18.0 | 3 | 400 | 3×6.0 | 26.0 | 1320 | 9.4 |
| NK 600*300-21,0-3 | 21.0 | 3 | 400 | 3×7.0 | 30.0 | 1540 | 9.4 |
| NK 600*300-24,0-3 | 24.0 | 3 | 400 | 3×8.0 | 34.7 | 1760 | 9.4 |
| NK 600*350-9,0-3 | 9.0 | 3 | 400 | 3×3.0 | 13.0 | 660 | 9.75 |
| NK 600*350-12,0-3 | 12.0 | 3 | 400 | 3×4.0 | 17.4 | 880 | 9.75 |
| NK 600*350-15,0-3 | 15.0 | 3 | 400 | 3×5.0 | 21.7 | 1100 | 9.75 |
| NK 600*350-18,0-3 | 18.0 | 3 | 400 | 3×6.0 | 26.0 | 1320 | 9.75 |
| NK 600*350-21,0-3 | 21.0 | 3 | 400 | 3×7.0 | 30.0 | 1540 | 9.75 |
| NK 600*350-24,0-3 | 24.0 | 3 | 400 | 3×8.0 | 34.7 | 1760 | 9.75 |
| NK 700*400-18,0-3 | 18.0 | 3 | 400 | 6×3.0 | 26.0 | 1320 | 14 |
| NK 700*400-27,0-3 | 27.0 | 3 | 400 | 9×3.0 | 39.0 | 1980 | 18.5 |
| NK 700*400-36,0-3 | 36.0 | 3 | 400 | 12×3.0 | 52.0 | 2640 | 25 |
| NK 800*500-27,0-3 | 27.0 | 3 | 400 | 9×3.0 | 39.0 | 1980 | 19 |
| NK 800*500-36,0-3 | 36.0 | 3 | 400 | 12×3.0 | 52.0 | 2640 | 23.5 |
| NK 800*500-54,0-3 | 54.0 | 3 | 400 | 18×3.0 | 78.0 | 3960 | 30 |
| NK 900*500-45,0-3 | 45.0 | 3 | 400 | 15×3.0 | 65.0 | 3300 | 31 |
| NK 900*500-54,0-3 | 54.0 | 3 | 400 | 18×3.0 | 78.0 | 3960 | 33.5 |
| NK 1000*500-45,0-3 | 45.0 | 3 | 400 | 15×3.0 | 65.0 | 3300 | 33 |
| NK 1000*500-54,0-3 | 54.0 | 3 | 400 | 18×3.0 | 78.0 | 3960 | 36 |
UNIT DESIGN AND OPERATING LOGIC
The heaters (see the figure below) consist of a casing with a rigidly fixed connecting box that is with the removable cover.
The tight seals are located at the external side of the connection box for routing of supply, control and ground cables.
The heating elements are located inside the casing.
The casing, the connection box and the heater cover are made of galvanized steel.
The connection box incorporates:
- terminal block for connection of external supply and control circuits of the heater;
- screw ground terminal;
- Thermal switches (automatic and manual).
The heaters are equipped with two overheating sensors – thermal switches:
– with automatic reset and temperature threshold value 50 °C;
– with manual reset and temperature threshold value 90 °C.
Thermal switch with manual reset is equipped with a button for manual restart. The label RESTART is near the button.
The electric heater wiring diagram is shown at the internal wall of the connecting box.
NK HEATER FOR ROUND DUCTS

NK HEATER FOR RECTANGULAR DUCTS

MOUNTING AND SET-UP
READ THE USER’S MANUAL PRIOR TO MOUNTING THE UNIT.
THIS USER’S MANUAL IS INTENDED FOR USE ONLY BY QUALIFIED PROFESSIONALS. ALL OPERATIONS DESCRIBED IN THIS USER’S MANUAL MUST BE PERFORMED BY QUALIFIED PERSONNEL ONLY, PROPERLY TRAINED AND QUALIFIED TO INSTALL AND MAINTAIN VENTILATION EQUIPMENT.
DO NOT ATTEMPT TO INSTALL THE PRODUCT YOURSELF. IT IS UNSAFE AND IMPOSSIBLE WITHOUT SPECIAL KNOWLEDGE.
Disconnect the unit from power supply prior to any connection, servicing and repair operations.
Prior to the heater installation check the heater for the integrity and reliability of the heating element fixation. The heater shall be installed in the air duct with the same diameter (dimensions).
The working position of the heater must ensure unimpeded access to the connection box and the RESET thermo-switch manual reset button.
The heater must be securely fastened in place. The mounting location must enable quick access to the heater and provide ample space for technical maintenance operations.
The duct heaters are designed for min. air flow speed 1,5 m/s and max. exhaust air temperature 40 °C.
The rectangular heaters are to install in such a way that the arrow on the casing indicates the air flow direction.
The minimum clearance between the heater and other ventilation system components should at least double the connection size (for the heaters with round air ducts) or double the diagonal cut (for the heaters with rectangular air ducts).
Do not insulate the heaters against heat! No inflammable, explosive or fire hazardous materials are allowed within 150 mm of the heater casing and within 500 mm of the heater air inlet and outlet. Air ducts and fans must be equipped with a grille or similar protective device preventing free access to the electric heating elements.
The supply voltage must be fed via an automatic circuit breaker with a minimum gap of 3 mm between the open contacts on all poles. The circuit breaker must be integrated into the stationary wiring in accordance with the applicable electrical wiring regulations.
The air filter shall be installed upstream of the heater to protect it from dust and dirt. The distance between the filter and the heater shall be long enough as the close filter location to the heater is not allowed due to fire safety reasons. Pre-commissioning precautions:
- The unit must be safely grounded in compliance with the «Regulations for Electrical Installation» (i.e. the clamp must be connected to the protective ground wire);
- Power to the electrical heater is supplied only when the fan is running;
- Electric heater power cut-off is allowed only when the fan is running, the time span between the heater power cut-off and the fan turn-off shall be at least 30 seconds;
- The minimum air flow through the heater must comply with the value stated in the technical specification.
To ensure proper and safe operation the heater should be equipped with an automatic control system capable of comprehensive control and protection – in particular:
- automatic control of power and air heating temperature control;
- monitoring the filter condition using the pressure differential sensor feedback;
- powering off the heater in the event of the supply fan shutdown or air flow velocity drop as well as upon actuation of the built-in overheating protection thermostats;
- ventilation system shutdown after complete cooling of heating elements.
In the course of operation, the triggering of thermo switches with automatic reset may occur.
The thermo switches may be triggered by an unexpected power failure or an incompatibility between the chosen heater and the air flow rate. The thermo switches are to interrupt the power supply until the heater cools down to the room temperature.
The thermoswitch with manual reset may be triggered in the heater supplied with power if the air flow is absent (emergency operation) or the air flow rates are too low (below the minimum nominal rate).
In case of triggering of the thermoswitch with manual reset:
- interrupt the power supply to the heater;
- rectify the fault in the ventilation system;
- remove the cover from the connection box and press the RESET button to restore the switch to the original position
CONNECTING ROUND AIR DUCTS TO THE HEATER

The heater is designed for internal installation into air ducts in the horizontal or vertical position. In a horizontal position the connection box must face upwards. Permitted deviation up to 90 °C. The heater must not be mounte with the connection box suspended downwards (risk of condensate leaking and short circuit of power grid).

CONNECTING RECTANGULAR AIR DUCTS TO THE HEATER

CONNECTION TO POWER MAINS
DISCONNECT THE UNIT FROM POWER SUPPLY PRIOR TO ANY OPERATIONS WITH THE UNIT.
CONNECTION OF THE UNIT TO POWER MAINS IS ALLOWED BY A QUALIFIED ELECTRICIAN WITH A WORK PERMIT FOR THE ELECTRIC UNITS UP TO 1000 V AFTER CAREFUL READING OF THE PRESENT USER’S MANUAL.
THE RATED ELECTRICAL PARAMETERS OF THE UNIT ARE GIVEN ON THE MANUFACTURER’S LABEL.
ANY INTERNAL CONNECTION MODIFICATIONS ARE NOT ALLOWED AND RESULT IN WARRANTY LOSS.
The heaters have to be connected to the single-phase AC mains with voltage of 230 V/ 50 Hz or three-phase AC mains with voltage of 400 V/ 50 Hz dependent on the heater model.
The electric connections must be performed with insulated, durable and heat resistant conductors (cables, wires) with a matching cross section.
The external lead-in (230 V/50 Hz or 400 V/50 Hz) must be equipped with an automatic circuit breaker built into the stationary wiring to interrupt all the network phases in case of a short circuit or an overload.
The location of the QF external switch must ensure free access for quick shutdown of the unit. The protection trip current must be consistent with the maximum current consumption of the unit (see the tables of main technical parameters).
The cross section selection must account for the maximum permissible wire heating which depends on the wire type, its insulation, length and installation method (i.e. overhead, in pipes or inside walls).
Wiring diagram types are determined by quantity of the heating elements, supply voltage characteristics, number of phases.
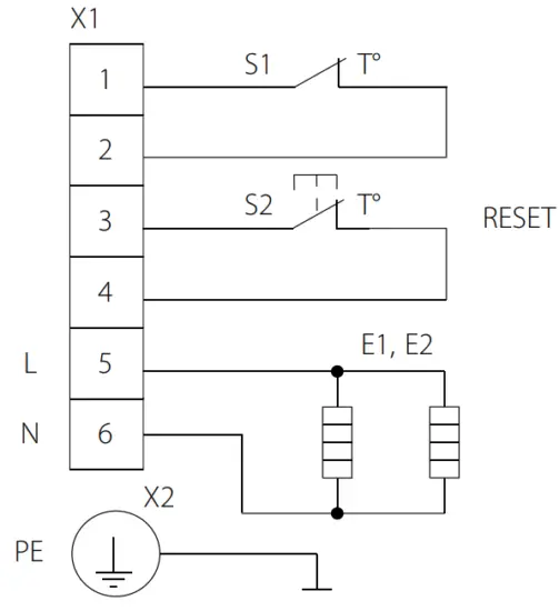
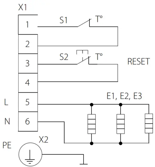
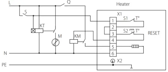
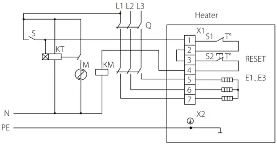
Wiring diagram designation key:
S1, S2 – thermal switches
En – electrical heating elements
X1 – terminal block
X2 – ground clamp
WIRING DIAGRAM OF THE HEATER WITH ONE ELECTRICAL HEATING ELEMENT AND SINGLE-PHASE POWER SUPPLY

WIRING DIAGRAM OF THE HEATER WITH TWO ELECTRICAL HEATING ELEMENTS AND SINGLE-PHASE POWER SUPPLY

WIRING DIAGRAM OF THE HEATER WITH THREE ELECTRICAL HEATING ELEMENTS AND SINGLE-PHASE POWER SUPPLY

WIRING DIAGRAM OF THE HEATER WITH THREE ELECTRICAL HEATING ELEMENTS AND THREE-PHASE POWER SUPPLY

WIRING DIAGRAM OF THE HEATER WITH SIX ELECTRICAL HEATING ELEMENTS AND THREE-PHASE POWER SUPPLY,
STAR CONNECTION AND THERMAL PROTECTION CONTACTS LEADED OUTSIDE

| A | L1 |
| B | L2 |
| C | L3 |
WIRING DIAGRAM OF THE HEATER WITH SIX ELECTRICAL HEATING ELEMENTS, THREE-PHASE POWER SUPPLY, DELTA CONNECTION AND THERMAL PROTECTION CONTACTS LEADED OUTSIDE

| A | L1 |
| B | L2 |
| C | L3 |
WIRING DIAGRAM OF THE HEATER WITH ONE ELECTRICAL HEATING ELEMENT, SINGLE-PHASE POWER SUPPLY AND TIME-DELAY RELAY

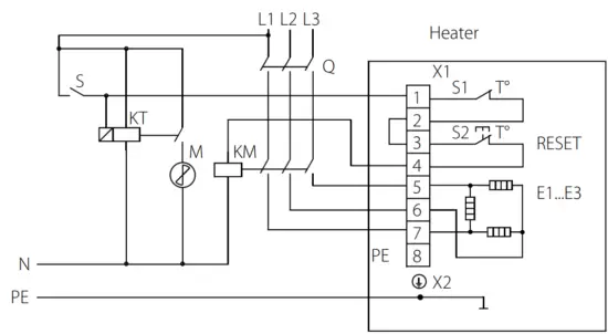
WIRING DIAGRAM OF THE RECTANGULAR HEATER WITH THREE ELECTRICAL HEATING ELEMENTS, THREE-PHASE POWER SUPPLY, STAR CONNECTION AND TIME-DELAY RELAY

S – ON\OFF switch
KT – time-delay relay
M – fan
KM – magnetic starter
Q – automatic circuit breaker
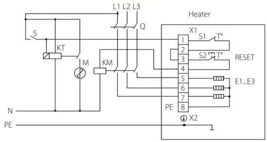
WIRING DIAGRAM OF THE RECTANGULAR HEATER WITH THREE ELECTRICAL HEATING ELEMENTS, THREE-PHASE POWER SUPPLY, DELTA CONNECTION AND TIME-DELAY RELAY

WIRING DIAGRAM OF THE RECTANGULAR HEATER WITH THREE ELECTRICAL HEATING ELEMENTS, THREE-PHASE POWER SUPPLY, STAR CONNECTION AND TIME-DELAY RELAY

S – ON\OFF switch
KT – time-delay relay
M – fan
KM – magnetic starter
Q – automatic circuit breaker
Operation principle of the electric heater with control circuits is as follows:
As the ON/OFF switch S turns ON, the KM magnetic starter coil is charged through the closed contacts of the thermal switches. Consequently electric power is supplied to the heating elements through the closed contacts of the thermal switches and magnetic starter. Should at least one of the thermal switches turn on the power circuit of the magnetic starter KM and of the heating element gets broken thus preventing the heater overheating. The diagram shows the fan connection example with the time-delay relay KT. The motor M is turned off before the heater is turned off to ensure the electric heating elements cooling.
The automatic circuit breaker Q is designed for overload protection of the electrical circuits.
Wiring diagram types are determined by quantity of the heating elements, supply voltage characteristics, number of phases.
TECHNICAL MAINTENANCE
DISCONNECT THE UNIT FROM POWER MAINS PRIOR TO ANY MAINTENANCE OPERATIONS WITH THE UNIT.
The heaters shall be operated and maintained by duly qualified experts. Check the following conditions during the unit maintenance:
- Inspection of screw connections as well as rivet and welded joints;
- Inspection of tightening of ground screw clamps and electric connections;
- Inspection of the wire terminal connections;
- Cleaning of the electric heating elements of dust and dirt. Cleaning with any kinds of solvents and/or flammable substances is forbidden.
STORAGE AND TRANSPORTATION REGULATIONS
Store the unit in the manufacturer’s original packing box in a dry ventilated premise at ambient temperatures from +10 °C up to + 40 °C and at relative humidity max. 80 %.
The unit can be transported in the original packing by any mode of transport without limitation provided proper protection against precipitation and mechanical damage.
Use suitable hoist machinery for handling and storage operations to prevent possible damage to the unit.
Follow the handling requirements applicable for the particular type of cargo.
Avoid sharp blows, scratches or rough handling during loading and unloading.
Do not expose the unit to sudden changes in temperature. Such changes can lead to condensation of moisture inside the unit and performance disturbance when the unit is switched on. Prior to the initial power-up after transportation at subzero temperatures allow the unit to warm up at room temperature for at least 2 hours.
MANUFACTURER’S WARRANTY
The manufacturer hereby warrants normal operation of the unit for 24 months after the retail sale date provided the user’s observance of the transportation, storage, mounting and operation regulations.
Should any malfunctions occur in the course of the unit operation through the Manufacturer’s fault during the guaranteed period of operation the user is entitled to elimination of faults by the manufacturer by means of warranty repair at the factory free of charge.
The warranty repair shall include work specific to elimination of faults in the unit operation to ensure its intended use by the user within the guaranteed period of operation. The faults are eliminated by means of replacement or repair of the unit components or a specific part of such unit component.
The warranty repair does not include:
- routine technical maintenance
- unit installation/dismantling
- unit setup
To benefit from warranty repair the user must provide the unit, the user’s manual with the purchase date stamp and the payment document certifying
the purchase.
The unit model must comply with the one stated in the user’s manual.
Contact the Seller for warranty service.
The manufacturer’s warranty does not apply to the following cases:
- User’s failure to submit the unit with the entire delivery package as stated in the user’s manual including submission with missing component parts previously dismounted by the user.
- Mismatch of the unit model and the brand name with the information stated on the unit packing and in the user’s manual.
- User’s failure to ensure timely technical maintenance of the unit.
- External damage to the unit casing (excluding external modifications as required for installation) and internal components caused by the user.
- Redesign or engineering changes to the unit.
- Replacement and use of any assemblies, parts and components not approved by the manufacturer.
- Unit misuse.
- User’s violation of the unit installation regulations.
- User’s violation of the unit control regulations.
- Unit connection to the power mains with a voltage different from the one stated in the user’s manual.
- Unit breakdown due to voltage surges in the power mains.
- Discretionary repair of the unit by the user.
- Unit repair by any persons without the manufacturer’s authorization.
- Expiration of the unit warranty period.
- User’s violation of the unit transportation regulations.
- User’s violation of the unit storage regulations.
- Wrongful actions against the unit committed by third parties.
- Unit breakdown due to circumstances of insuperable force (fire, flood, earthquake, war, hostilities of any kind, blockades).
- Missing seals if provided by the user’s manual.
- Failure to submit the user’s manual with the unit purchase date stamp.
- Missing payment document certifying the unit purchase.
FOLLOWING THE REGULATIONS STIPULATED HEREIN WILL ENSURE A LONG AND TROUBLE-FREE OPERATION OF THE UNIT.
USERS’ WARRANTY CLAIMS SHALL BE SUBJECT TO REVIEW ONLY UPON PRESENTATION OF THE UNIT, THE PAYMENT DOCUMENT AND THE USER’S MANUAL WITH THE PURCHASE DATE STAMP.
ACCEPTANCE CERTIFICATE
| Unit type | Duct heater |
| Model | NK |
| Serial Number | |
| Manufacture Date | |
| We herebydeclare that the product complies with the provisions of Electromagnetic Compatibility (EMC) Directive 2014/30/EU of the European Parliament and of the Council, Low Voltage Directive (LVD ) 2014/35/EU of the European Parliament and of the Council and CE-marking Council Directive 93/68/EEC. This certificate is issued following test carried out on samples of the product referred to above. The manufacturer hereby warrants normal operation of the unit for 24 months after the retail sale date provided the user’s | |
| Quality Inspector’s Stamp | |
SELLER INFORMATION
| Seller | |
| Address | |
| Phone Number | |
| Purchase Date |
| This is to certify acceptance of the complete unit delivery with the user’s manual. The warranty terms are acknowledged and accepted. | |
| Customer’s Signature | |
Seller’s Stamp
INSTALLATION CERTIFICATE
| The unit has been connected to power mains pursuant to the requirements stated in the present user’s manual. | ||
| Company Name | ||
| Address | ||
| Phone Number | ||
| Installation Technician’s Full Name | ||
| Installation Date: | Signature: | |
| The unit has been installed in accordance with the provisions of all the applicable local and national construction, electrical and technical codes and standards. The unit operates normally as intended by the manufacturer. |
| Signature: |
Installation Company Stamp
WARRANTY CARD
| Unit type | Duct heater |
| Model | NK |
| Serial Number | |
| Manufacture Date | |
| Purchase Date | |
| Warranty Period | |
| Seller |
Seller’s Stamp

Disconnect the unit from power mains prior to any installation operations.
Do not lay the power cable of the unit in close proximity to heating equipment.
Unpack the unit with care.
While installing the unit follow the safety regulations specific to the use of electric tools.
Do not use damaged equipment or cables when connecting the unit to power mains.
Do not operate the unit outside the temperature range stated in the user’s manual.
Do not touch the unit controls with wet hands.
Do not wash the unit with water.
Do not allow children to operate the unit.
Disconnect the unit from power mains prior to any technical maintenance.
Do not store any explosive or highly flammable substances in close proximity to the unit.
When the unit generates unusual sounds, odour or emits smoke disconnect it from power supply and contact the Seller.
Do not open the unit during operation.
Do not direct the air flow produced by the unit towards open flame or ignition sources.
Do not block the air duct when the unit is switched on.
In case of continuous operation of the unit periodically check the security of mounting.
Do not sit on the unit and avoid placing foreign objects on it.
Use the unit only for its intended purpose.


















