Contents hide
HAVACO ERH Electric Duct Heaters

DESCRIPTION
- Electric heaters are designed to heat clean air in ventilation systems.
- Casing is made from aluzinc coated steel which is high temperature proof.
- Heating elements tube is made from stainless steel AISI 304.
Marking NI/NV/NIS aaabb/cc/xF
- aaa:Duct width mm
- bb:uct height mm
- cc: Power ratio 03 x 100 = 300
- Wx: Phases 1~230V, 2~400V, 3~400V
In heaters are installed 2 protection thermostats, screw terminals for easy connection.
- Casing is with rubber seals for duct connection.
- Heaters can be installed vertically or horizontally.
- Maximum output air temperature 50 °C.
NI/NV/NIS
With integrated control
NI
Internal temperature setpoint
NV
External temperature setpoint
NIS
External signal (0-10V)
TECHNICAL DATA
- All heaters are with 2 protection thermostats.
- Automatic reset switch off temperature 50 °C.
- Manual reset cut off temperature 100 °C.
- For controlling heaters without integrated control, external electric heating controller is needed.
- Protection class IP 44.
TRANSPORTING
All products are packed by producer for normal transporting conditions.
- For unloading and storing use proper lifter to prevent product damage.
- Do not lift product by power supply cable, connection box.
- Avoid impacts and impact loads.
- Until installation store products in dry place: Humidity 70% (20°C), temperature 5-40°C.
- Avoid long term storing. It is not recommended to store products more than 1 year.
INSTALLATION

- Heater can be installed in any position (see picture) except electrical connection box downward.
- If heater is installed in such way that can be accidental contact with heating elements, protective grill must be installed.
- Air flow through heater must be not less than 1,5 m/s.
- Heaters can’t be installed in explosive and aggressive atmosphere.
- Heaters can be used only for clean air heating.
- Heaters intended for inside installation.
ELECTRICAL CONNECTION
- Electrical connection can be made only by qualified electrician, according to international and national installation standards.
- Power supply source must be conform with data on heater label.
- Power supply cable must be selected corresponding to heater electrical data.
- Automatic circuit breaker must be selected corresponding to technical data table.
- Heater must be grounded.
SERVICE
No special service is required for electrical heaters, only to check electrical connection not less than 1 time per year
TROUBLESHOOTING
- No heat from the heater
- Eliminate overheating cause, press RESET” button on the heaters cover.
- No power supply the heater check all external electrical connection components.
Automatic circuit breaker switching off
- Check circuit breakers data, it must correspond to heaters electrical data.
- Check isolation of connection cables.
- Check is heater grounded.
- Check power supply source data, it must correspond to heaters electrical data.
Protection thermostat cut off
- Low air flow speed through heater.
- Check filters, fans and ducts
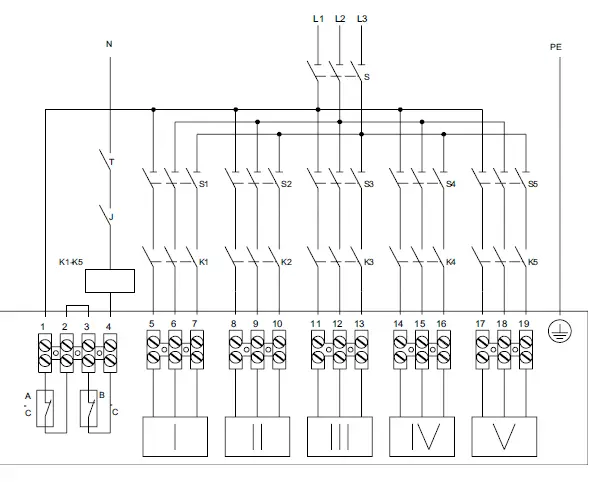
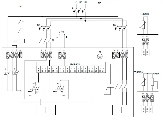
WIRING DIAGRAM
Electrical connection without built in regulator

ELECTRICAL WIRING DIAGRAM MARKING

- IV: Heating steps
- B : Automatic reset overheating thermostat
- C:Manual reset overheating thermostat
- J : Switch
- K1…K5 :Relays
- S…S5: Automatic circuit breakers
- T: thermostat
- V1, V2 ;Triacs
- HR5K: External temperature setpoint
- TJK10K ; Duct temperature sensor
Electrical connection NI/NV/NIS
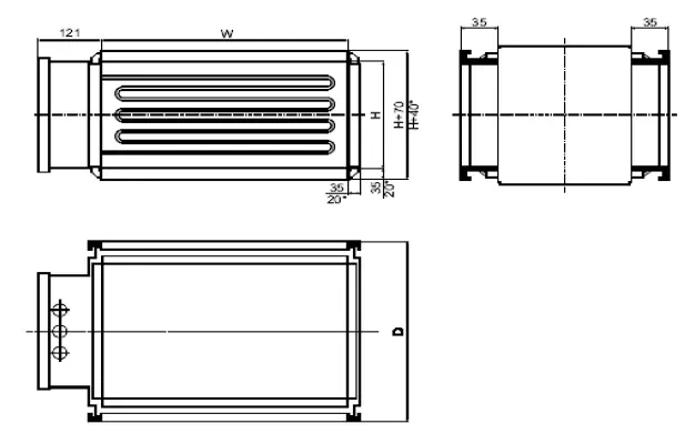
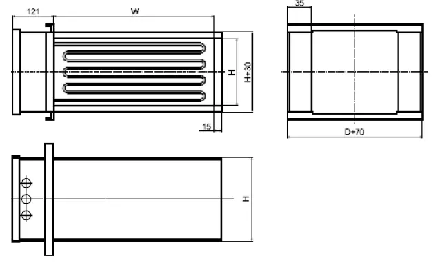
DIMENSIONS mm
Heater dimensions without built in regulator

Heater dimensions NI/NV/NIS

Producer reserves the right to change technical data.



















