HAVACO HRK 3 Controller for Electrical Heating

DESCRIPTION
HRK 3 is a proportional controller for electric heaters with automatic voltage adaptation. HRK 3 controls the whole load On-Off. The ratio between On-time and Off-time is varied 0-100% to suit the prevailing heat demand. HRK 3 is designed only for electric heating control. The control principle makes it unsuitable for motor or lighting control. HRK 3 can control 15kW heater and has relay output for extra load control with contactor, on which can be connected load up to 12kW. Full load can be 27kW. HRK 3 has zero phase-angle detection to prevent Radio Frequency Interference. HRK 3 automatically adapts its control mode to suit the dynamics of the controlled object . For rapid temperature changes i. e. supply air control HRK 3 will act as a PI controller. For slow temperature changes i.e. room control HRK 3 will act as a P controller. Night set-back: potential-free closure will give a night set-back of 1-10°C. Settable with a potentiometer Contacts Timer GND in the HRK 3.
TECHNICAL DATA

Extra load should be connected via contactor to the relay output.
INSTALLATION
HRK 3 is mounted on the wall in vertical position. Protection class: IP20.
Note
Take off temperature setpoint knob before removing front cover.
Cleaning
Disconnect the controller from the mains supply before cleaning. Clean with damp cloth. Do not use solvents for cleaning the controller.
ELECTRICAL CONNECTION
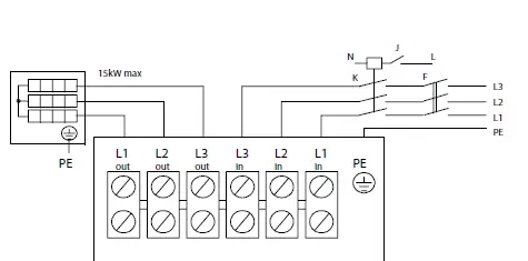
- Supply voltage: 380-415 V AC, ,3 phase, 50-60 Hz. Maximum current 25A/phase.
- HRK 3 can control both symmetrical Y-connected 3-phase heaters and symmetrical or asymmetrical Δ-connected heaters.
WARNING
The supply voltage to HRK 3 should be wired via an all phase breaker with a minimum contact gap of 3mm. Switch and the mains cable must be selected by the power of load. Switch and the mains cable must be located near controller, easy accessible. Switch all power OFF before making any terminal available.
Load
- Terminals L1out, L2out
- L3out.
- Resistive 3-pahse heater without neutral.
- Maximum load 25 A.
- Minimum load 4A.
WIRING DIAGRAM
ELECTRICAL WIRING DIAGRAM MARKING
NIGHT
Temperature reducing setpoint when timer is used.
MIN
Supply air temperature minimum set point when limit sensor is used.
MAX
Supply air temperature maximum set point when limit sensor is used.
TJK10K
Duct temperature sensor.
F, F1
Automatic circuit breaker.
TR5K
External temperature setpoint.
Load connection
Extra load connection

Main sensor

Internal setpoint/ External setpoint


External control signal

SERVICE
Air must be able to circulate freely through vent of controller. Check contacts of voltage and load periodically.
TROUBLESHOOTING
- Check all wiring
- Check power voltage supply
- Disconnect sensors LIMIT and TEXH. Measure sensors resistance, must be 10…15 kΩ
LIGHT INDICATION




















