VENTILATION
REGULATORY
TRANSFORMER SPEED CONTROLLERSJA
WARUNKI
USER’S MANUAL AND TERMS OF WARRANTY
HRB
SAFETY WARNINGS
Transformer controllers are designed to change motor rotating speed by changing voltage. All controllers are with transformers’ thermal protection function. Steps are with fix voltage and are changed with rotary switch. Controllers also have power indication led. All controllers have 230 VAC output for connection servo motors, actuators, heaters, relays and etc. To one controller more than one motor can be connected, if the total current of all motors is less than the maximum controller current. In this case all motors thermos protections must be connected in series. This appliance is not intended for use by children, persons with reduced physical, sensory or mental capabilities, or lack of experience and knowledge unless they have been given supervision or instruction concerning use of the appliance by a person responsible for their safety.
Children should be supervised to ensure that they do not play with the appliance.
| Marking | HRB | a b |
| a – | Max current [A] | |
| b – | ex – for explosion-proof motors |
TECHNICAL DATA
- 5 steps motor rotation speed controller
- Power supply: 1×230 VAC
- Frequency: 50-60 Hz
- Steps voltage: 80V Imax*0,6 ; 120V Imax*0,8 ; 140V Imax*1 ; 170V Imax*1 ; 230V Imax*1
- Protection class: IP44
- Max. ambient temperature: 40 °C
- Max. controller temperature 70 °C is limited with transformer thermal protection.
- Max. possible transformers temperature T = 130 °C – ambient temperature.
| Type | Max. Current [A] | Dimensions [mm] | Weight [kg] | Enclosure material |
| HRB 1 | 1,0 | 165 x 120 x 79 | 1,9 | Plastic |
| HRB 1,5 | 1,5 | 165 x 120 x 79 | 2,6 | Plastic |
| HRB 2 | 2,0 | 170 x 145 x 93 | 3,0 | Plastic |
| HRB 3 | 3,0 | 170 x 145 x 93 | 3,5 | Plastic |
| HRB 4 | 4,0 | 178 x 155 x 150 | 4,4 | Plastic |
| HRB 5 | 5,0 | 178 x 155 x 150 | 4,9 | Plastic |
| HRB 7 | 7, 0 | 244 x 184 x 178 | 7, 3 | Plastic |
TRANSPORTATION
- All products are packed by the producer for normal transporting conditions.
- For unloading and storing use the proper lifter to prevent product damage.
- Avoid putting the controllers with the rotary switch facing downwards.
- Avoid impacts and impact loads.
- Until installation store products in dry place: Humidity 70% (20°C), temperature 5-40°C.
- Avoid long-term storing. It is not recommended to store products for more than 1 year.
INSTALLATION
- Controllers are designed to mount on wall with cable glands downward. In the rear controller’s side are 4 holes for fixing to wall.
- Controllers can’t be installed in explosive and aggressive substances atmosphere.
- Regulatory są przystosowane do montażu wewnętrznego.
- Controllers can be used only for motors with changeable supply voltage.
- Controllers are intended for an inside installation.
ELECTRICAL CONNECTION
- The electrical connection can be made only by a qualified electrician, according to international and national installation standards.
- The power supply source must conform with the data on the heater label.
- Power supply cable must be selected corresponding to heater electrical data.
- An automatic circuit breaker with at least 3mm contact gap must be selected corresponding to the technical data table.
- Controller must be grounded.
SERVICE
- No special service is required for controllers, only to check electrical connection not less than 1 time per year.
TROUBLESHOOTING
- No output from the controller
– No power supply to the controller. Check all external electrical connection components.
– The overheating thermostat of the transformer is activated. In that case, find the reason of overheating and remove it. Afterward, switch off and switch back on the controller - Automatic circuit breaker switching off – Check circuit breakers data, it must correspond to controller electrical data. – Check isolation of connection cables. Check if the controller is grounded.
– Check power supply source data, it must correspond to controller electrical data.
– Check that voltage can be changeable for the controlled motor. - Overheating thermostats activation
– Check controller input voltage and motor current. Make sure that they do not exceed controller electrical data.
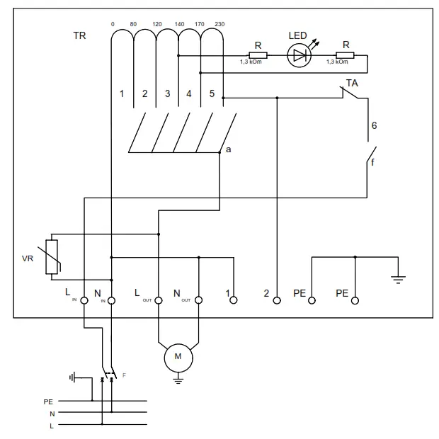
WIRING DIAGRAM
ELECTRICAL WIRING DIAGRAM MARKING
TR – Transformer
VR – Varistor
R – Resistor
TK, TA – Transformer overheating protection
F – Automatic circuit breaker
DIMENSIONS [mm]
MODEL…………………
FIRMA………….
NOTES………………….

Ventia Sp. z o.o.
ul. Słowikowskiego 81
tel.: (+48 22) 841 11 65
fax: (+48 22) 841 10 98
e-mail: [email protected]
05-090 Raszyn
www.ventia.pl


















