
KIP-30-B1 Intelligent Heating Decor
User Manual
LISTED 6J21
SAUNA HEATER
| MODEL | MODEL | MODEL | CONTROLS |
| KIP-30-B1 KIP-45-B1 KIP-60-B1 KIP-80-B1 | KIP-30-W1 KIP-45-W1 KIP-60-W1 KIP-80-W1 | KIP-30-W3 KIP-45-W3 KIP-60-W3 KIP-80-W3 KIP-30-B3 KIP-45-B3 KIP-60-B3 KIP-80-B3 | CG170-U1 CG170-U3 CX170-U1 CX170-U3 |
KIP-30-B1 Intelligent Heating Decor

Overheat protector of the device can go off ! also at temperatures below -5˚C / 23˚F (storage, transport, environment). Before installation take the device to the warm environment. The overheat protector can be reset when the temperature of the device is approx 18˚C / 64˚F. The overheat protector must be reset before using the device. See the user manual > Resetting the Overheat Protector.
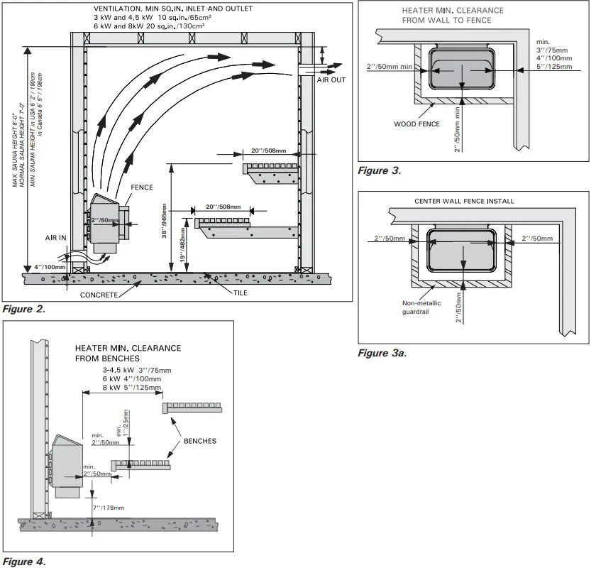
THE SAUNA ROOM SHALL BE PROVIDED WITH PROPER VENTILATION
Note: Control panel and power unit must be installed in a dry place; away from spa, pool or shower; not outdoors. A receptacle shall not be installed inside the sauna room.
Note (only in Canada): Sauna heaters shall not be subjected to water spray. Shower heads shall not be installed above the sauna heaters!
Load center shall be supplied by electrical contractor during field wiring, and shall be 2 pole 2 breaker subpanel model. Load center can be located in other serviceable places, as well as location shown on this diagram.
All the wiring to the sauna heater and accessories shall be routed away from any direct radiation from the sauna heater.
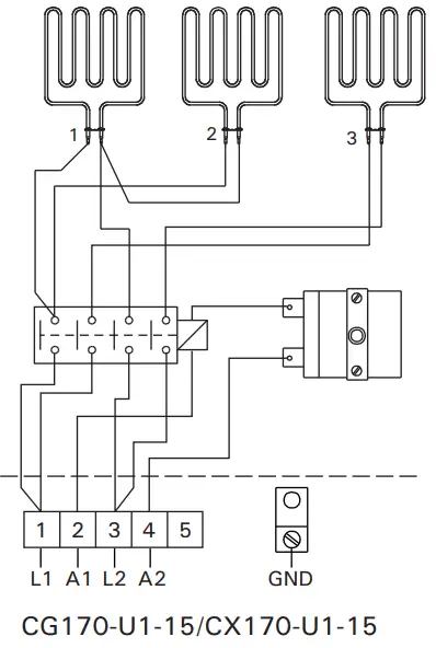
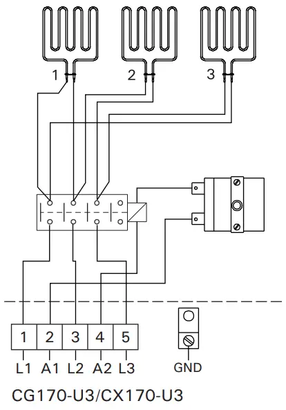
Figure 1. Digital Sauna Control CG170-U1, CG170-U3, CX170-U1 and CX170-U3
INSTALLATION OF WALL MODEL HEATER, CONTROL, CONTACTOR
- Remove heater from carton and attach heater to wall with screws are supplied. If wall thickness is less than 3/4” (19 mm), use 2”x 4” (50 x 100 mm) backing behind heater. Observe proper clearances as per page 3 and table 1.
- See applicable wiring diagram fig. 5–6 for heater model. Heater must be permanently installed (no pigtails or plug allowed) and wiring must be done by a licensed electrician, who must follow wiring diagram provided and adhere to local codes. Use proper A.W.G. rated wire size and use copper wire suitable for 194°F (90°C) within Sauna walls. Use grounding terminals provided in Sauna heater, control system, and contactor to properly ground the equipment as per NEC and local codes.
- Inside the heater box there are two signs. Please place the metal ”CAUTION” sign on the interior wall of the Sauna room directly above the heater in a visible place. Place the metal ”WARNING” sign outside, on the door of the Sauna room. ”MAINTENANCE INSTRUCTIONS” are at the end of this manual.
THE SAUNA ROOM SHALL BE PROVIDED WITH PROPER VENTILATION WALL-MOUNTED
HEATERS-MINIMUM CLEARANCES, MIN-MAX SPACE, ADEQUATE VENTILATION

| MODEL | INPUT kW | MIN. HEIGHT INCHES/MM | FLOOR AREA | SAUNA ROOM | MIN. SPACING FROM ADJACENT SURFACES, INCHES/MM | ||
| Min. Sq.Ft/ m2 | Max. Sq.Ft/ m2 m2 | Min. Cu.Ft/ m3 | Max. Cu.Ft/ m3 | ||||
| KIP-30-B/W | 3.0 | USA: 75/1900 CANADA: 78/1980 | 10/1 | 20/2 | 84/2,4 | 130/3,7 | 3/75 |
| KIP-45-B/W | 5. | 16/1,5 | 30/2,8 | 100/2,8 | 210/6 | 3/75 | |
| KIP-60-B/W | 6.0 | 28/2,6 | 40/3,7 | 170/4,8 | 300/8,5 | 4/100 | |
| KIP-80-B/W | 8.0 | 40/3,7 | 65/6 | 250/7,1 | 425/12 | 5/125 | |
| Internal wiring only 240 V 1 PHASE HEATER KIP-30-B1 / KIP-45-B1 / KIP-60-B1 / KIP-80-B1 FLB-30 / FLB-45 / FLB-60 / FLB-80 | Internal wiring only 208 V 3 PHASE HEATER KIP-30-B3 / KIP-45-B3 / KIP-60-B3 / KIP-80-B3 FLB-30-3 / FLB-45-3 / FLB-60-3 / FLB-80-3 |
![]() | ![]() |
Figure 5.
| SAUNA HEATER (240 V) WITH BUILT IN CONTROLS | |||||
| Model | kW | Amps | Voltage | Phase | Wire size |
| KIP-30-B1 | 3.0 | 13. | 240 | 1 | 12 |
| KIP-45-B1 | 5. | 19. | 240 | 1 | 10 |
| KIP-60-B1 | 6.0 | 25.0 | 240 | 1 | 10 |
| KIP-80-B1 | 8.0 | 33. | 240 | 1 | 8 |
| SAUNA HEATER (208 V) WITH BUILT IN CONTROLS | |||||
| Model | kW | Amps | Voltage | Phase | Wire size |
| KIP-30-B3 | 3.0 | 8. | 208 | 3 | 14 |
| KIP-45-B3 | 5. | 13. | 208 | 3 | 14 |
| KIP-60-B3 | 6.0 | 17. | 208 | 3 | 12 |
| KIP-80-B3 | 8.0 | 22. | 208 | 3 | 10 |
THERMOSTAT BULB LOCATION (HEATERS WITH BUILT IN CONTROLS)

SAUNA HEATER WIRING AND HOOKUP
Important! Heaters with built in controls: Before hooking up electrical wires to junction box of heater, remove capillary tubing and bulb from junction box and bring up wall to left or right side of heater. Cover tubing with wooden molding provided, coil up excess tubing, and place under heater close to floor.
Refer to chart page 4 for proper wire size and amperage. See page 3 for required clearances. Any wiring within internal Sauna walls must be rated 194°F (90ºC) and copper wire must be used. Run wire through seal tight flex conduit from wall to heater and connect to junction box at back of heater with 194°F (90º) connector. Connect to terminals 1 and 2 and connect ground wire to lug marked ground. (Cover plate under heater must be removed first.)
Note! If connection to heater will be made at a later time, bring flex into Sauna room 4–6” (100 – 150 mm) from floor, and leave 3’ (900 mm) of flex for hookup (can be cut to right length later). Before testing heater, fill rock cavity with igneous stones provided with heater and fasten metal rock guard at top of heater. (See general info concerning washing and placing of stones.) Be sure to cover thermostat bulb with protective metal cover by threading bulb through holes in cover, and fasten bulb cover to wall with screws provided. Also, take care when nailing protective wood strips over capillary tubing, so that nails do not puncture tubing. If punctured, entire thermostat must be replaced.
SAUNA TIMERS
Heaters have a 60 min. timer (0 to large 1 on the dial), and if you wish to use the full 60 min. cycle, turn the timer knob past the first 1 to number 2 or 3 on the dial. Then turn backward to the large 1 until a click is heard. Leave knob at the setting, and Sauna will operate for 1 hour before shutting off automatically.
Allow at least 30 minutes for room to heat up to an average Sauna temperature. Note!! If you set timer past first 1, timer will not come on until the time set has elapsed. The 60 min. timer is quiet. It does not tick.
Have an added feature–an 8 hour time clock (small 1 to 8 on the timer dial). If you wish to preset your Sauna heater to automatically turn on when uou are away, you may preset up to 8 hours in advance of Sauna bathing.
For eg., if you set the timer knob at number 3 setting, the Sauna heater will turn on 3 hours later, and will be ready for useage in 3 1/2 hours (allowing for 1/2 hour heat up time). The heater will shut off automatically in another half hour, and if you wish to continue using Sauna, reset the 60 min. timer back up to the large 1.
Have a heat control (thermostat) which must be set between minimum and maximum heating, or the timer will not cause the Sauna to heat. Put heatcontrol setting to maximum, heat Sauna for 1/2 to 1 hour to observe adequate Sauna temperature. If room is too hot, adjust heat control knob back toward minimum setting, until desired temperature is reached.
| Internal wiring only 240 V SINGLE PHASE HEATER KIP-30-W1 / KIP-45-W1 / KIP60-W1 / KIP-80-W1 | Internal wiring only 240 V SINGLE PHASE HEATER KIP-80-W1 | Internal wiring only 208 V 3 PHASE HEATER KIP-30-W3 / KIP-45-W3 / KIP-60-W3 / KIP-80-W3 |
![]() | ![]() | ![]() |
Figure 6. Wiring diagram
| SAUNA HEATER (240 V) WITH CONTROL UNIT | ||||||
| Model | kW | Amps | Voltage | Phase | Wire size | Control |
| KIP-30-W1 | 3.0 | 13. | 240 | 1 | 12 | CG170-U1/CX170-U1 |
| KIP-45-W1 | 5. | 19. | 240 | 1 | 10 | CG170-U1/CX170-U1 |
| KIP-60-W1 | 6.0 | 25.0 | 240 | 1 | 10 | CG170-U1/CX170-U1 |
| KIP-80-W1 | 8.0 | 33. | 240 | 1 | 8 | CG170-U1-15/CX170-U1-15 |
| SAUNA HEATER (208 V) WITH CONTROL UNIT CG170-U3/CX170-U3 | |||||
| Model | kW | Amps | Voltage | Phase | Wire size |
| KIP-30-W3 | 3.0 | 8. | 208 | 3 | 14 |
| KIP-45-W3 | 5. | 13. | 208 | 3 | 14 |
| KIP-60-W3 | 6.0 | 17. | 208 | 3 | 12 |
| KIP-80-W3 | 8.0 | 22. | 208 | 3 | 10 |
SAUNA – GENERAL INFORMATION
Rock placement – do not operate heater withoutstones!
Use only the stones which are supplied with theSauna heater. Wash stones with water hose andplace inside of heater box so that rocks are betweenand around heating elements. However, do notforce rocks between elements.
Use smaller stones first, and continue to fillheater with larger stones until they are about 2”(50 mm) below rock guard. You may not need allof the stones.
Stones should be placed loosely within heaterso that there is good heat circulation around andthrough them. Stones should completely cover the heating elements, however!
Pouring water over exposed elements could cause heater damage!
TESTING OF SAUNA HEATER
- After Sauna heater has been properly wired, according to appropriate wiring diagram and local codes, turn Sauna breaker on in the main breaker panel. (Note! Electrician must label “Sauna” breaker.)
- Turn thermostatic (heat) control to on position (this is located either on your heater or on your remote wall control. If you have a wall control, the indicator light will come on to show that the Sauna is heating). Set timer to 10 or 15 minutes.
- Within 5 minutes, you should be able to feel heat from heater elements when holding your hand over heater.
- If Sauna does not heat, refer to troubleshooting information. 5
- It is normal for smoke to appear during the first heating, as protective element coating needs to burn off. Turn sauna on for 1 hour before using the first time, to eliminate smoking.
TROUBLESHOOTING
A. If sauna does not operate after initial installationand wiring:
- Check breaker to be sure that it is on. Also, breaker should be correct size.
- Check circuit breaker in contactor to be sure that it has not been shorted out.
- Be sure that thermostat and timer are both in on position.
- Be sure that timer winds down. If timer has been shorted out, heater will not operate.
B. If sauna has been in operation, but heater ceases to operate:
- Check breaker to make sure it is on.
- Check timer to see if it winds down.
- Check high limit reset button in heater (reset is under the heater (wall models) or on the back of the junction box (floor models)) to see if it has been released.
- Call your electrician or service person for further help.
NOTE! A ground fault interrupter (GFI) should not be installed in and does not belong in a Sauna. If used, the breaker will trip, and damage could result.
C. If sauna heater operates, but sauna room does not come up to sauna temperature (160–185 ºF (70 – 85 °C) normal sauna temperature):
- You must allow at least 30 minutes for Sauna heat-up time.
- Is Sauna thermometer located 6” (150 mm) from ceiling, and is it above or close to Sauna heater? (This is proper location for Sauna temperature reading.) Thermometer readings vary with room heights and location. Eg. 180 °F (82 °C) above Sauna heater = 165 °F (74 °C) on opposite wall = 140 °F (60 °C) on upper bench level = 120 °F (49 °C) on lower bench level = 100 °F (38 °C) at floor level.
- Check for proper wire size, amp size, and proper wiring (according to diagrams and information) also necessary copper wiring.
- Check for placement of stones to make sure they are loosely spaced around elements,to insure good air flow. Stones packed too tightly will restrict air flow and reduce heating capacity.
- Check for heat loss (around or under door, around ceiling light or fan – we do not recommend ceiling light and a fan does not belong in the Sauna.
- Is room properly insulated?
- Is ceiling higher than 7’ (2100 mm)?
- After checking all the above, remove rocks and check heater elements for holes or burned areas. (Only if heater has been in use for some time.)
CAUTION! ELECTRICIAN OR SERVICE PERSON!
- BEFORE SERVICING HEATER, CONTROL, CONTACTOR OR RESETTING HIGH LIMIT, TURN POWER OFF AT BREAKER!
- Open junction box to make sure wires are tightly secured with no loose connections. Heater wire and all connecting wires should be copper.
- Check for burned spots or short in wiring of timer or thermostat.
Warranty on parts is void if installer/electrician fails to follow necessary wiring information provided or fails to follow code for proper wire size, amperage, etc.
HIGH LIMIT CONTROL
Before resetting high limit control, turn power off at breaker!
Each heater is equipped with a high limit control which is a safety device. If an abnormal heating condition should occur, the heater will automatically shut off, and it will not come on again until it cools. To reset the high limit, locate the reset button (bottom front on wall models, behind junction box at back bottom of heater on floor models) and push upward until contactor kicks in. Be sure that a GFI has not been installed.
Overheat protector of the device can go off also at temperatures below -5˚C / 23˚F (storage, transport, environment). Before
installation take the device to the warm environment. The overheat protector can be reset when the temperature of the device is approx 18˚C / 64˚F. The overheat protector must be reset before using the device.
Receptacles OR PLUGS are not allowed in a Sauna room. If a speaker is installed in a Sauna room, it should not be installed higher than 3’ (900 mm) from floor, away from the Sauna heater (consult manufacturer for ratings).
ROOM LIGHT should be a vapor proof, wallmounted type, with rough-in box mounted flush with inside paneling. It should mount 6’6” from floor, not directly over Sauna heater, and not over upper benches; light bulb should not exceed 75 watts.
HEATER FENCE is necessary for safety and should be constructed of 1” x 2” (25 x 50 mm) or 2” x 2” (25 x 50 mm) softwood to match Sauna interior. See figures 2–4 for clearances from Sauna heater. Fence should attach to wall and should not be placed higher than top of heater below rock line.
ROOM CONSTRUCTION GENERAL INFORMATION
A. FRAMING
- 2” x 4” (50 x 100 mm) any suitable wood material, 16” (406 mm) o.c.
B. CEILING HEIGHT - no higher than 7’0” (2100 mm).
C. INSULATION - R11 Fiberglas with foil back in walls and ceiling, foil facing into room.
D. DRYWALL - See local codes. Is not required in most residences. See local codes commercial. If drywall is used, apply 1” x 2” (25 x 50 mm) nailers so that wall and ceiling boards can be attached to solid wood.
E. PANELING - Use kiln-dried, clear, T & G softwood such as California Redwood, Western Red Cedar, Alaska Yellow Cedar, pine, spruce or other suitable wood material (with moisture content not exceeding 11 %).
F. BENCHES - Use matching wood of vertical grain. Fasten from bottom to prevent burning of bathers.
G. HEATER GUARDRAIL - Use matching softwood.
H. DOOR - Must open out and should not have a lock.
I. FLOORING - concrete, ceramic tile, or heavyduty Vinyl.
J. VENTILATION - should be provided by lower vent close to heater, 4” (100 mm) from floor, and upper vent on opposite wall (if possible) 6” (150 mm) from ceiling or as low as 24” (600 mm) from floor.
Vents should be adjustable and should allow air to change 5 times per hour. Sauna shall be provided with intended ventilations as required per the local code authorities. K. LIGHT - should be wall-mounted, vapor proof type, located 6” (150 mm) from ceiling.
L. ACCESSORIES - bucket, dipper and thermometer are essential.
Thermometer should be placed over the Sauna heater, 6” (150 mm) from ceiling, for correct temperature reading. Other accessories such as hygrometer, sand timer, brushes, etc. are available.
M. MAINTENANCE INSTRUCTIONS - are included at the end of this manual.
N. WARNING SIGNS - are furnished with Sauna heater. The metal “CAUTION” sign should be fastened to wall, close to heater, in a visible place. The metal “WARNING” sign should be fastened outside, to the Sauna room door.
WARNINGS!
Do not smoke, use alcohol, or exercise in the sauna!
Do not exceed 30 min. in the sauna at one time, as excessive exposure can be harmful to health. The sauna should not be used as an endurance test!
Persons with poor health should consult persons their physicians before using the sauna!
Avoid fire, do not place any combustible material over the sauna heater (towels, bathing suits, wooden bucket or dipper)!
Use only clean tap water on the stones – do not use pool or spa water, as chlorine gas can be produced and the heating elements can be damaged!
Hyperthermia occurs when the internal temperature of the body reaches a level several degrees above the normal body temperature of 98,6ºF (37ºC).
The symptoms of hyperthermia include an increase in the internal temperature of the body, dizziness, lethargy, drowsiness, and fainting.
The effects of hyperthermia include:
A) Failure to perceive heat
B) Failure to recognize the need to exit the room
C) Unawareness of impending hazard
D) Fatal damage in pregnant women
E) Physical inability to exit the room
F) Unconsciousness
Warning – the use of alcohol, drugs or medication is capable of greatly increasing the risk of fatal hyperthermia!
KIP-60-B1/KIP-60-B3
Sauna heaters type -W1, W3 without parts nr 12, 17 and 18

| 1. | Wall bracket |
| 2. | Tapping screw |
| 3. | Tapping screw |
| 4. | Casing |
| 5. | Heating element |
| 6. | Slothead screw |
| 7. | Bottom grille |
| 8. | Stone compartment, assembled (frame) |
| 9. | Electrical casing, assembled |
| 10. | Plate |
| 11. | Screw |
| 12. | Tapping screw |
| 13. | Rating plate |
| 14. | Slothead screw |
| 15. | Slothead screw |
| 16. | Hexagon nut |
| 17. | Thermostat |
| 18. | Timer |
| 19. | Terminal strip (USA) |
| 20. | Strip fixing screw (USA) |
| 21. | Base plate |
| 22. | Screw |
| 23. | Bracket |
| 24. | Slothead screw |
| 25. | Slothead screw |
| 26. | Overheating limiter/switch |
| 27. | Contactor (USA) |
| 28. | Protective grille |
Manufacturer: Harvia Oy, P.O. Box 12 (Teollisuustie 1–7), FI-40951 Muurame, Finland
MAINTENANCE INSTRUCTIONS
- Use only clean water on Sauna stones. Do not use spa or pool water as it will destroy your heater.
- Clean water should always be used in Sauna buckets and water should be dumped out after every use. Scour buckets and dippers occasionally when film collects from usage. Use plastic bucket liner in bucket to prevent water leakage.
- Scrub benches with a soft brush, using soap and water or a mild disinfectant, when needed – about once a week in commercial Saunas, or depending upon Sauna usage. For sanitation, each bather should sit or lie on a towel (this will prolong bench life).
- Remove possible removable flooring and wash waterproof floor with disinfectant (e.g. Pine Sol) about once a week or as often as needed. Hose off removable flooring to clean.
- To maintain beautiful appearance of Sauna heater, remove water stains by wiping with a damp cloth occasionally.
- Sauna Heaters require no special maintenance when properly installed by a qualified electrical contractor. After 5 years of usage, the rocks may need replacing if they have crumbled or powdered.
- We strongly recommend a floor that can be easily cleaned (concrete, ceramic tile, or a poured type of flooring). When this is provided, the Sauna can be easily cleaned and kept in a sanitary condition with little effort. A carpet is NOT recommended for a Sauna! A carpet becomes a prefect breeding ground for bacteria in the moist conditions of a Sauna; and a carpet promotes the spread of foot diseases such as athlete’s foot. For the same reasons, wooden duckboard should not be used for flooring.
- In new construction, a floor drain should also be provided, especially in commercial Saunas for sanitary cleaning and maintenance.
- Seal wood around glass in door—inside and outside—with Thompson’s Water Seal to prevent warpage.
- When Sauna wood becomes stained from perspiration, the wood may be lightly sanded with fine sandpaper to restore beautiful appearance. We do not recommend stains or sealers as toxic vapors may appear when heated. However, 2 coats of Thompson’s Water Seal may be used on the wood benches in a commercial Sauna, so that the wood may be more easily cleaned and kept sanitary – the wood will not absorb perspiration.
- The Sauna room will heat faster if the higher vent is kept in a closed position when heating. The lower vent may always be kept in an open position.
- Required warning signs should be posted according to the instructions.
Owner of the sauna heater must make sure that sauna heater is turned off correctly every time after bathing.
Owner of the sauna heater must obey these maintenance instructions!
GUARANTEE
This HARVIA SAUNA heater is guaranteed for one year from date of purchase, and includes all heater parts such as heating elements, controls, contactors, etc.
This guarantee covers faults in manufacture and material only, and includes the exchange of new parts supplied by the manufacturer or importer, after the faulty part has been returned to same.
The replacement of parts under warranty does not extend the warranty period beyond the original one year.
The guarantee does not cover defects caused by normal wear and tear, defects caused by improper installation, poor maintenance, or failure to follow the manufacturer’s instructions for installation, use and care, or alterations made to the Sauna product.
This guarantee is void if the heater is used improperly, pool or spa water should not be poured over the Sauna stones, as chemicals are harmful to the heater; the Sauna room must be heated for at least 30 minutes before water is poured over the stones; only one or two dippers full of water should be poured over the hot stones at one time.
This guarantee will be void if a shower has been installed in the Sauna room.
This guarantee does not cover delivery costs of the faulty part or costs of the person carrying out the repair in the field. If the Sauna heater is returned to the manufacturer or the importer within five years after date of purchase, the importer will provide free labor for repair, but will charge for parts if date of purchase is past one year.
This guarantee will be void if installation and wiring is not carried out by a certified electrician or authorized and qualified service repsesentative, who must sign below.
This guarantee will be void if information below is not filled out and returned within 15 days of purchase, and it applies only to original installation of product and to original purchaser.
HARVIA SAUNA HEATER……………………………………………..
MODEL NUMBER……………………………………………………………..
DATE OF PURCHASE………………………………………………………
ORIGINAL OWNER…………………………………………………………
ADDRESS…………………………………………………………………………..
PURCHASED FROM…………………………………………………………..
ELECTRICAL CONTRACTOR…………………………………………….
MUST SIGN HERE…………………………………………………………….
DATE OF ELECTRICAL………………………………………………..
WIRING & HOOKUP……………………………………………………………
Dealer contact info:
Finlandia Sauna,
14010-B S.W. 72nd Avenue,
Portland, OR 97224-0088 | 1 800-354-3342
Email [email protected]
www.finlandiasauna.com
























