HARVIA KM60SE Electric Sauna Heater

PROCEDURE
- Electrical connections
- Testing
- Installing the heater
- Piling of the sauna stones
INSTRUCTIONS FOR USE
Piling of the Sauna Stones
The piling of the sauna stones has a great effect on the functioning of the heater (figure 1).
Important information on sauna stones:
- You will need:- ca 20 kgs of small stones (diameter 5–10 cm)
- Use solely angular split-face sauna stones that are intended for use in a heater. Peridotite, olivine-dolerite and olivine are suitable stone types.
- Neither light, porous ceramic “stones“ nor soft soapstones should be used in the heater. They do not absorb enough heat when warmed up. This can result in damage in heating elements.
- Wash off dust from the stones before piling them into the heater
Please note when placing the stones:
- Do not drop stones into the heater.
- Place the stones as dense as possible.
- Do not block the heater’s air intakes with stones.
- Do not form a high pile of stones on top of the heater.
- No such objects or devices should be placed inside the heater stone space or near the heater that could change the amount or direction of the air flowing through the heater.
A bare heating element can endanger combustible materials even outside the safety distances. Check that no heating elements can be seen behind the stones. Do not move the heater after stones have been piled.
Maintenance
Due to large variation in temperature, the sauna stones disintegrate in use. Rearrange the stones at least once a year or even more often if the sauna is in frequent use. At the same time, remove any pieces of stones from the bottom of the heater and replace any disintegrated stones with new ones. By doing this, the heating capability of the heater stays optimal and the risk of overheating is avoided

Heating of the Sauna
When operating the heater for the first time, both the heater and the stones emit smell. To remove the smell, the sauna room needs to be efficiently ventilated. If the heater output is suitable for the sauna room, it will take about an hour for a properly insulated sauna to reach the required bathing temperature (2.3.). The sauna stones normally reach the bathing temperature at the same time as the sauna room. A suitable temperature for the sauna room is about 65–80 °C.
Before switching the heater on always check that there isn’t anything on top of the heater or inside the given safety distance. 1.4.
Using the Heater
Heater is controlled from a separate control unit. See the instructions for use of the selected control unit model.
Throwing Water on Heated Stones
The air in the sauna room becomes dry when warmed up. Therefore, it is necessary to throw water on the heated stones to reach a suitable level of humidity in the sauna. The effect of heat and steam on people varies – by experimenting, you can find the levels of temperature and humidity that suit you best. The maximum volume of the ladle is 0.2 litres. If an excessive amount of water is poured o the stones, only part of it will evaporate and the rest may splash as boiling hot water on the bathers. Never throw water on the stones when there are people near the heater, because hot steam may burn their skin. The water to be thrown on the heated stones should meet the requirements of clean household water (table 1). Only special aromas designed for sauna water may be used. Follow the instructions given on the package.
Heating of the Sauna Using the Steamer
With the Combi heater, the sauna can be heated either in the usual way or by using its evaporator. To ensure ideal humidity, the sauna temperature should be quite low, preferably about 40 ºC, and the evaporator should be left on for approximately 1 hour to heat the sauna
Filling the Water Reservoir, Cold Steamer
Fill the reservoir with clean household water. The maximum capacity of the reservoir is approximately 5,5 litres. (Figure 2.)
Filling the Water Reservoir, Hot Steamer
When the steamer is hot, filling or adding water

should be avoided, because the hot steam and hot steamer may cause burns. If, however, you have to fill the water tank while it is hot, proceed as follows, exercising extreme caution:
- Switch the steamer off.
- Pour cold water carefully onto the grille of the water reservoir. The water runs into the reservoir cooling down the hot water inside.
- Drain off the cool water from the reservoir into a can or bucket and pour it down the drain.
- Fill the water reservoir as instructed in section 1.3.1.
Draining the Water Reservoir
In order to ensure faultless operation of the steamer, the water reservoir must always be emptied after use. This procedure removes impurities condensed in the reservoir as result of evaporation. Because the water in the reservoir is very hot immediately after use, it should be drained only after the water has cooled for a few hours after switching the steamer off. (Figure 2.) Please also see subsections 1, 2, and 3 of section1.3.2.
The Use of Fragrances
Fragrance bags can be used in the steamer. Fragrance bags are placed on top of the steam grating. When using fragrances, mind the hot steam evaporating from the steamer as it may burn. Avoid adding of water and placing of fragrances to a hot steamer. Do not pour fragnances into the water reservoir
Drying the Sauna Room
The sauna room must always be allowed to dry thoroughly after the steamer has been used. In order to speed up the drying process, the heater can be left on with the sauna ventilation also on to the maximum. If the heater is used to help dry out the sauna room, remember to switch it off after the given period of time.

Cleaning the Steamer
Impurities from water, e.g. lime, will accumulate on the walls of the steamer’s water reservoir. For decalcification we recommend decalcifying agents intended for household appliances, e.g. coffeemakers and water kettles. These agents are to be used as instructed by the manufacturer. The outside of the steamer can be cleaned with the damp cloth. When cleaning the outside, ensure that the steamer’soperating switch is OFF.
Instructions for Bathing
- Begin by washing yourself.
- Stay in the sauna for as long as you feel comfortable.
- Forget all your troubles and relax.
- According to established sauna conventions, you must not disturb other bathers by speaking in a loud voice.
- Do not force other bathers from the sauna by throwing excessive amounts of water on the stones.
- Cool your skin down as necessary. If you are in good health, you can have a swim if a swimming place or pool is available.
- Wash yourself after bathing.
- Rest for a while and let your pulse go back to normal. Have a drink of fresh water or a soft drink to bring your fluid balance back to normal.
Warnings
- Staying in the hot sauna for long periods of time makes the body temperature rise, which may be dangerous.
- Keep away from the heater when it is hot. The stones and outer surface of the heater may burn your skin.
- Keep children away from the heater.
- Do not let young, handicapped or ill people bathe in the sauna on their own.
- Consult your doctor about any health-related limitations to bathing.
- Consult your child welfare clinic about taking little babies to the sauna.
- Be very careful when moving in the sauna, as the platform and floors may be slippery.
- Never go to a hot sauna if you have taken alcohol, strong medicines or narcotics.
- Never sleep in a hot sauna.
- Sea air and a humid climate may corrode the metal surfaces of the heater.
- Do not hang clothes to dry in the sauna, as this may cause a risk of fire. Excessive moisture content may also cause damage to the electrical equipment.
Symbols descriptions
- Read operators manual.
- Do not cover
Troubleshooting
All service operations must be done by professional maintenance personnel
If the steamer does not work, check the following:
- Is the water level in the reservoir sufficient? (see section 1.3.).
- Is the humidity in the sauna too high?
- Check that thermostat sensor of the water reservoir is over the heating element and overheat protection sensor is under the heating element (see the installation instructions for control unit).
The heater does not heat.
- Check that the fuses to the heater are in good condition.
- Check that the connection cable is connected.
- Check that the control panel shows a higher figure than the temperature of the sauna.
- Check that the overheat protector has not gone off.
The sauna room heats slowly. The water thrown on the sauna stones cools down the stones quickly.
- Check that the fuses to the heater are in good condition.
- Check that all heating elements glow when the heater is on.
- Turn the temperature to a higher setting.
- Check that the heater output is sufficient ( 2.3.).
- Check that the sauna room ventilation has been arranged correctly ( 2.2.).
The sauna room heats quickly, but the temperature of the stones remain insufficient. Water thrown on the stones runs through.
- Turn the temperature to a lower setting.
- Check that the heater output is not too high ( 2.3.).
- Check that the sauna room ventilation has been arranged correctly ( 2.2.).
Panel or other material near the heater blackens quickly.
- Check that the requirements for safety distances are fulfilled ( 3.1.).
- Check that no heating elements can be seen behind the stones. If heating elements can be seen, rearrange the stones so that the heating elements are covered completely ( 1.1.).
- Also see section 2.1.1.
The heater emits smell.
- See section 1.2.
- The hot heater may emphasize odours mixed in the air that are not, however, caused by the sauna or the heater. Examples: paint, glue, oil, seasoning.
The heater makes noise.
- Occasional bangs are most likely caused by stones cracking due to heat.
- The thermal expansion of heater parts can cause noises when the heater warms up.
SAUNA ROOM
Sauna Room Structure

- A. Insulation wool, thickness 50– 100 mm. The sauna room must be insulated carefully so that the heater output can be kept moderately low.
- B. Moisture protection, e.g. aluminium paper. Place the glossy side of the paper towards the sauna. Tape the seams with aluminium tape.
- C. Vent gap of about 10 mm between the moisture protection and panel (recommendation).
- D. Low mass 12–16 mm thick panel board. Before starting the panelling, check the electric wiring and the reinforcements in the walls required by the heater and benches.
- E. Vent gap of about 3 mm between the wall and ceiling panel.
- F. The height of the sauna is usually 2100– 2300 mm. The minimum height depends on the heater (see table 2). The space between the upper bench and ceiling should not exceed 1200 mm.
- G. Use floor coverings made of ceramic materials and dark joint grouts. Particles disintegrating from the sauna stones and impurities in the sauna water may stain and/or damage sensitive floor coverings.
NOTE! Check from the fire authorities which parts of the firewall can be insulated. Flues which are in use must not be insulated.
NOTE! Light protective covers which are installed directly to the wall or ceiling may be a fire risk.
NOTE! Make sure that the water dripping onto the sauna floor enters the floor drain.
Blackening of the Sauna Walls
It is perfectly normal for the wooden surfaces of the sauna room to blacken in time. The blackening may be accelerated by
- sunlight
- heat from the heater
- protective agents on the walls (protective agents have a poor heat resistance level)
- fine particles disintegrating from the sauna stones which rise with the air flow.
Sauna Room Ventilation
The air in the sauna room should change six times per hour. Figure 4 illustrates different sauna room ventilation options.

- Supply air vent location. If mechanical exhaust ventilation is used, place the supply air vent above the heater. If gravity exhaust ventilation is used, place the supply air vent below or next to the heater. The diameter of the supply air pipe must be 50–100 mm. Do not place the supply air vent so that the air flow cools the temperature sensor (see the temperature sensor installation instructions in the control unit installation instructions)!
- Exhaust air vent. Place the exhaust air vent near the floor, as far away from the heater as possible. The diameter of the exhaust air pipe should be twice the diameter of the supply air pipe.
- Optional vent for drying (closed during heating and bathing). The sauna can also be dried by leaving the door open after bathing.
- If the exhaust air vent is in the washroom, the gap underneath the sauna door must be at least 100 mm. Mechanical exhaust ventilation is mandatory.
Heater Output
When the walls and ceiling are covered with panels and insulation behind the panels is adequate, the heater output is defined according to the volume of the sauna. Non-insulated walls (brick, glass block, glass, concrete, tile, etc.) increase the need for heater output. Add 1,2 m³ to the volume of the sauna for each non-insulated wall square meter. For example, a 10 m³ sauna room with a glass door equals the output requirement of about a 12 m³ sauna room. If the sauna room has log walls, multiply the sauna’s volume by 1,5. Choose the correct heater output from Table 2.
Sauna Room Hygiene
Bench towels should be used during bathing to prevent sweat from getting onto the benches.The benches, walls and floor of the sauna should be washed thoroughly at least every six months. Use a scrubbing brush and sauna detergent. Wipe dust and dirt from the heater with a damp cloth. Remove lime stains from the heater using a 10% citric acid solution and rinse.
INSTRUCTIONS FOR INSTALLATION
Before Installation
Before installing the heater, study the instructions for installation. Check the following points:
- Is the output and type of the heater suitable for the sauna room? The cubic volumes given in table 2 should be followed.
- Is the supply voltage suitable for the heater?
- The location of the heater fulfils the minimum requirements concerning safety distances given in fig. 5 and table 2.
Note! Only one electrical heater may be installed in the sauna room. The heater should be installed so that the warning texts can also be read without difficulty after the installation. Heater must not be mounted in a recess!
Fastening the Heater on a Wall
- Fasten the wall-mounting rack on the wall by using the screws which come with the rack. Observe the minimum safety distances given in table 2 and fig. 5 and 6.
NOTE! There must be a support, e.g. a board, behind the panel, so that the fastening screws can be screwed into a thicker wooden material than the panel. If there are no boards behind the panel, the boards can also be fastened on the panel.
2. Lift the heater to the rack on the wall so that the fastening hooks of the lower part of the rack go behind the edge of the heater body.
3. Fasten the upper part of the heater to the wallmounting rack by using the fastening clamp
Safety Railing
If a safety railing is built around the heater, the minimum distances given in figures 6 and 7 or in the railing’s instructions for installation must be observed.

Minimum safety distances and installing the sensor (all dimensions in millimeters)

Location of the mounting rack of the heater

Connections of the heater
- A. Connection box
- B. Connection cable
- C. Junction box
Installation of the Control Unit and Sensor
The control unit includes detailed instructions for mounting the unit on the wall and installing the sensors. Do not place the supply air vent so that the air flow cools the temperature sensor. Figure 4.
Suitable control units
- Harvia Griffin Combi CG170C
- Harvia C105S Logix
- Harvia Xenio Combi CX110C
- Harvia Xafir Combi CS110C
See the latest control unit models in our website www.harviasauna.com.
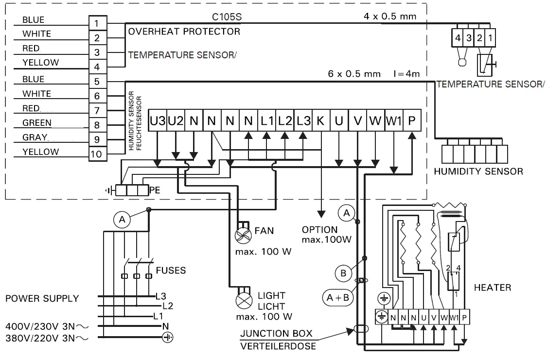
Electrical Connections
The heater may only be connected to the electrical network in accordance with the current regulations by an authorised, professional electrician.
- The heater is semi-stationarily connected to the junction box (figure 8:C) on the sauna wall. The junction box must be splash-proof, and its maximum height from the floor must not exceed 500 mm.
- The connecting cable (figure 8:B) must be of rubber cable type H07RN-F or its equivalent.
NOTE! Due to thermal embrittlement, the use of PVC-insulated wire as the connecting cable of the heater is forbidden. - If the connecting and installation cables are higher than 1000 mm from the floor in the sauna or inside the sauna room walls, they must be able to endure a minimum temperature of 170 °C when loaded (for example, SSJ). Electrical equipment installed higher than 1000 mm from the sauna floor must be approved for use in a temperature of 125 °C (marking T125).
Electric Heater Insulation Resistance
When performing the final inspection of the electrical installations, a “leakage” may be detected when measuring the heater’s insulation resistance. The reason for this is that the insulating material of the heating elements has absorbed moisture from the air (storage, transport). After operating the heater for a few times, the moisture will be removed from the heating elements. Do not connect the power feed for the heater through the RCD (residual current device)!

Electrical connections

Electrical connections
SPARE PARTS






















