HARVIA TRC70XE Electric Sauna Heater

These instructions for installation and use are intended for the owner or the person in charge of the sauna, as well as for the electrician in charge of the electrical installation of the heater. After completing the installation, the person in charge of the installation should give these instructions to the owner of the sauna or to the person in charge of its operation. Please read the instructions for use carefully before using the heater.
The heater is designed for the heating of a sauna room to bathing temperature. It is not to be used for any other purpose.
Congratulations on your choice!
Guarantee:
- The guarantee period for heaters and control equipment used in saunas by families is two (2) years.
- The guarantee period for heaters and control equipment used in saunas by building residents is one (1) year.
- The guarantee does not cover any faults resulting from failure to comply with installation, use or maintenance instructions.
- The guarantee does not cover any faults resulting from the use of stones not recommended by the heater manufacturer.
INSTRUCTIONS FOR USE
Piling of the Sauna Stones
The piling of the sauna stones has a great effect on both the safety and the heating capability of the heater.
Important information on sauna stones:
- The stones should be 5–10 cm in diameter.
- Use solely angular split-face sauna stones that are intended for use in a heater. Peridotite, olivine-dolerite and olivine are suitable stone types.
- Neither light, porous ceramic “stones“ nor soft soapstone’s should be used in the heater. They do not absorb enough heat when warmed up. This can result in damage in heating elements.
- Wash off dust from the stones before piling them into the heater.
Please note when placing the stones:
- The aim is to pile a dense layer of stones against the steel grid and pile the rest of the stones loosely. The dense layer prevents the direct heat radiation from overheating materials around the heater. Be especially careful with the corners where the heating elements are near the grid. The loose piling of stones in the middle lets the air flow through the heater, resulting in good heating of sauna and sauna stones.
- Do not drop stones into the heater.
- Do not wedge stones between the heating elements.
- Pile the stones so that they support each other instead of lying their weight on the heating elements.
- Support the heating elements with stones so that the elements stay vertically straight.
- Do not form a high pile of stones on top of the heater.
- No such objects or devices should be placed inside the heater stone space or near the heater that could change the amount or direction of the air flowing through the heater.
Figure 1. Piling of the sauna stones
A bare heating element can endanger combustible materials even outside the safety distances. Check that no heating elements can be seen behind the stones.
Maintenance
Due to large variation in temperature, the sauna stones disintegrate in use.
Rearrange the stones at least once a year or even more often if the sauna is in frequent use. At the same time, remove any pieces of stones from the bottom of the heater and replace any disintegrated stones with new ones. By doing this, the heating capability of the heater stays optimal and the risk of overheating is avoided.
Pay attention especially to the gradual settling of the stones. Be sure that the heating elements do not appear with time. The stones settle most rapidly within two months of piling.
Heating of the Sauna
When operating the heater for the first time, both the heater and the stones emit smell. To remove the smell, the sauna room needs to be efficiently ventilated.
If the heater output is suitable for the sauna room, it will take about an hour for a properly insulated sauna to reach the required bathing temperature ( 2.3.). The sauna stones normally reach the bathing temperature at the same time as the sauna room. A suitable temperature for the sauna room is about 65–75 °C.
Using the Heater
Before switching the heater on always check that there isn’t anything on top of the heater or inside the given safety distance.
- When operating the heater for the first time, both the heater and the stones emit smell. To remove the smell, the sauna room needs to be efficiently ventilated.
- If the heater output is suitable for the sauna room, it will take about an hour for a properly insulated sauna to reach the required bathing temperature ( 2.3.). The sauna stones normally reach the bathing temperature at the same time as the sauna room.
- A suitable temperature for the sauna room is about 60–80 °C.
When the heater is connected to the power supply and the main switch is switched on, the heater is in standby mode and ready for use. I/O button’s background light glows on the control panel.
WARNING! Before switching the heater on always check that there isn’t anything on top of the heater or inside the given safety distance.
Heater On
Start the heater by pressing the heater I/O button on the control panel.
When the heater starts, the top row of the display will show the set temperature and the bottom row will show the set on time for five seconds.
When the desired temperature has been reached in the sauna room, the heating elements are automatically turned off. To maintain the desired temperature, the heater will automatically turn the heating elements on and off in periods.
Heater Off
The heater turns off and switches to standby-mode when
- the I/O button is pressed
- the on-time runs out or
- an error occurs.
NOTE! It is essential to check that the heater has turned off after the on-time has elapsed or the heater has been switched off manually.
Figure 2. Control panel
Changing the Settings
The settings menu structure and changing the settings is shown in figures 3a and 3b.
The programmed temperature value and all values of additional settings are stored in memory and will also apply when the device is switched on next time.
Using Accessories
Lighting can be started and shut down separately from other functions. Figure 7.
Lighting
The lighting of the sauna room can be wired so that it can be controlled from the control panel. (Max 100 W.)
Switch the lights on/off by pressing the control panel button.
Safety and door switch
Safety switch refers to e.g. Harvia SFE, a safety device installed above or integrated to the heater, preventing the heater from heating should any object (e.g. towel, piece of clothing) drop or be placed on top of the heater and cause a fire hazard.
Door switch refers to a magnetic switch installed in the sauna room door frame, opening its circuit when the sauna room door is opened.
The switches are connected to the heater according to their manuals. See also figure 7 in this manual.
Remote switch
To remotely control the heater’s power input, the heater can be equipped with an on/off remote switch (e.g. building automation). For more information, see section 1.7.
Control panel lock
Press and hold the heater and light buttons for three seconds.
-CL- is shown on the display. Panel lock can be activated only in standby mode. Panel lock also prevents remote start.
Basic mode (heater on)
The top row shows the sauna room temperature. The bottom row shows the remaining on-time. Both indicator lights glow.
Basic settings

Basic mode (pre-setting time running, heater off)
The decrease of remaining pre-setting time is shown until zero appears, after which the heater is switched on.
Figure 3a. Settings menu structure, basic settings
Additional settings
Heater standby
I/O button’s background light glows on the control panel.
.


Figure 3b. Settings menu structure, additional settings
Remote control
According to the product standard IEC/EN 60335 -2-53 regulating electrical sauna heaters, a control panel can be used to remotely control the heater once the heater or sauna room door is equipped with a secure switch (a safety or a door switch).
- Using with a safety switch: the heater can be turned on remotely, if the safety switch circuit is closed. If the circuit is open, “SAFE” is displayed and the heater will not start.
- Using with a door switch: remote use mode must be activated by pressing the heater button for three seconds. If the door switch circuit is open, “door OPEn” is displayed and the heater returns into standby mode. If the circuit is closed, the remote use mode is activated and “rc on” is displayed while the heater button blinks. The heater can now be turned on with a remote switch. If, during remote use mode, the door is opened, “door Open” is displayed and the heater returns into standby mode.
- Pause time: These features are limited by a pause time that prevents the heater from turning on if it has been less than 6 hours since the heater was last turned off. Trying to remotely turn the heater on during the pause time period (6 hours), text ”rESt” is displayed. The heater can be remotely started after the pause time has elapsed and ”rc” is displayed.
- Memory for power failures: the heater resumes operation, if the remote switch has remained in ON position.
- Preset time: if the heater is on preset delay time, it cannot be controlled with a remote switch. After the preset delay has passed and the heater is turned on, it can be turned off with a remote switch.
| Water properties | Effect | Recommendation |
| Humus concentration | Color, taste, precipitates | <12 mg/l |
| Iron concentration | Color, odour, taste, precipitates | <0,2 mg/l |
| Manganese (Mn) concentration | Color, odour, taste, precipitates | <0,10 mg/l |
| Hardness: most important substances are manganese (Mn) and calcium (Ca) | Precipitates | Mg: <100 mg/l |
| Chloride (Cl) containing water | Corrosion | Cl: <100 mg/l |
| Chlorinated water | Health risk | Forbidden to use |
| Seawater | Rapid corrosion | Forbidden to use
|
| Arsenic and radon concentration | Health risk |
Table 1. Water quality requirements
Power saving mode
If no buttons are pressed in 30 minutes, power saving mode is activated. Only the heater button (and “rc on”, if remote use mode is active) is lit.
Throwing Water on Heated Stones
The air in the sauna room becomes dry when warmed up. Therefore, it is necessary to throw water on the heated stones to reach a suitable level of humidity in the sauna. The effect of heat and steam on people varies – by experimenting, you can find the levels of temperature and humidity that suit you best.
You can adjust the nature of the heat from soft to sharp by throwing water either to the front of the heater or straight on top of the stones.
The maximum volume of the ladle is 0.2 litres.
If an excessive amount of water is poured on the stones, only part of it will evaporate and the rest may splash as boiling hot water on the bathers. Never throw water on the stones when there are people near the heater, because hot steam may burn their skin.
The water to be thrown on the heated stones should meet the requirements of clean household water (table 1). Only special aromas designed for sauna water may be used. Follow the instructions given on the package.
Instructions for Bathing
- Begin by washing yourself.
- Stay in the sauna for as long as you feel comfortable.
- Forget all your troubles and relax.
- According to established sauna conventions, you must not disturb other bathers by speaking in a loud voice.
- Do not force other bathers from the sauna by throwing excessive amounts of water on the stones.
- Cool your skin down as necessary. If you
are in good health, you can have a swim if a swimming place or pool is available. - Wash yourself after bathing.
- Rest for a while and let your pulse go back to normal. Have a drink of fresh water or a soft drink to bring your fluid balance back to normal.
Warnings
- Staying in the hot sauna for long periods of time makes the body temperature rise, which may be dangerous.
- Keep away from the heater when it is hot. The stones and outer surface of the heater may burn your skin.
- Keep children away from the heater.
- Do not let young, handicapped or ill people bathe in the sauna on their own.
- Consult your doctor about any health-related limitations to bathing.
- Consult your child welfare clinic about taking little babies to the sauna.
- Be very careful when moving in the sauna, as the platform and floors may be slippery.
- Never go to a hot sauna if you have taken alcohol, strong medicines or narcotics.
- Never sleep in a hot sauna.
- Sea air and a humid climate may corrode the metal surfaces of the heater.
- Do not hang clothes to dry in the sauna, as this may cause a risk of fire. Excessive moisture content may also cause damage to the electrical equipment.
- Do not clean the sauna heater with a water jet.
Symbols descriptions
Read operators manual.
Do not cover.
Troubleshooting
All service operations must be done by professional maintenance personnel.
The heater does not heat.
- Check that the fuses to the heater are in good condition.
- Check that the connection cable is connected ( 3.3.).
- Check that the control panel shows a higher figure than the temperature of the sauna.
- Check that the overheat protector has not gone off. ( 3.5.)
The sauna room heats slowly. The water thrown on the sauna stones cools down the stones quickly.
- Check that the fuses to the heater are in good condition.
- Check that all heating elements glow when the heater is on.
- Turn the temperature to a higher setting.
- Check that the heater output is sufficient ( 2.3.).
- Check that the sauna room ventilation has been arranged correctly ( 2.2.).
The sauna room heats quickly, but the temperature of the stones remain insufficient. Water thrown on the stones runs through.
- Check that the heater output is not too high (2.3.).
- Check that the sauna room ventilation has been arranged correctly ( 2.2.).
Panel or other material near the heater blackens quickly.
- Check that the requirements for safety distances are fulfilled ( 3.1.).
- Check the sauna stones (1.1.). Too tightly piled stones, the settling of stones with time or wrong stone type can hinder the air flow through the heater, which may result in overheating of surrounding materials.
- Check that no heating elements can be seen behind the stones. If heating elements can be seen, rearrange the stones so that the heating elements are covered completely ( 1.1.).
- Also see section 2.1.1.
The heater emits smell.
- See section 1.2.
- The hot heater may emphasize odors mixed in the air that are not, however, caused by the sauna or the heater. Examples: paint, glue, oil, seasoning.
| Description | Remedy | |
| E1 | Temperature sensor’s measuring circuit broken. | Check the red and yellow wires to the temperature sensor and their connections for faults. |
| E2 | Temperature sensor’s measuring circuit short-circuited. | Check the red and yellow wires to the temperature sensor and their connections for faults. |
| E3 | Overheat protector’s measuring circuit broken. | Press the overheat protector’s reset button ( 3.5.). Check the blue and white wires to the temperature sensor and their connections for faults. |
| E9 | Connection failure in the system. | Switch the power off from the main switch. Check the data cable, sensor cable/s and their connections. Switch the power on. |
| STATUS MESSAGES | ||
| Door open | Door switch circuit is open | Close the sauna room door |
| SAFE | Safety switch circuit is open | Remove the object from atop the safety switch |
| REST | Pause time active | – |
| – | ||
| Rc on | Remote control activated | – |
| – | ||
SAUNA ROOM
Figure 4.
Sauna Room Structure
- A. Insulation wool, thickness 50–100 mm. The sauna room must be insulated carefully so that the heater output can be kept moderately low.
B. Moisture protection, e.g. aluminum paper. Place the glossy side of the paper towards the sauna. Tape the seams with aluminum tape. - C. Vent gap of about 10 mm between the moisture protection and panel (recommendation).
- D. Low mass 12–16 mm thick panel board. Before starting the panelling, check the electric wiring and the reinforcements in the walls required by the heater and benches.
- E. Vent gap of about 3 mm between the wall and ceiling panel.
- F. The height of the sauna is usually 2100–2300 mm. The minimum height depends on the heater (see table 2). The space between the upper bench and ceiling should not exceed 1200 mm.
- G. Use floor coverings made of ceramic materials and dark joint grouts. Particles disintegrating from the sauna stones and impurities in the sauna water may stain and/or damage sensitive floor coverings.
NOTE! Check from the fire authorities which parts of the firewall can be insulated. Flues which are in use must not be insulated.
NOTE! Light protective covers which are installed directly to the wall or ceiling may be a fire risk.
Blackening of the Sauna Walls
It is perfectly normal for the wooden surfaces of the sauna room to blacken in time. The blackening may be accelerated by
- Sunlight
- Heat from the heater
- Protective agents on the walls (protective agents have a poor heat resistance level)
- Fine particles disintegrating from the sauna stones which rise with the air flow.
Sauna Room Ventilation
The air in the sauna room should change six times per hour. Figure 5 illustrates different sauna room ventilation options.

- A. Supply air vent location. If mechanical exhaust ventilation is used, place the supply air vent above the heater. If gravity exhaust ventilation is used, place the supply air vent below or next to the heater. The diameter of the supply air pipe must be 50–100 mm. Do not place the supply air vent so that the air flow cools the temperature sensor (see the temperature sensor installation instructions in the control unit installation instructions)!
- B. Exhaust air vent. Place the exhaust air vent near the floor, as far away from the heater as possible. The diameter of the exhaust air pipe should be twice the diameter of the supply air pipe.
- C. Optional vent for drying (closed during heating and bathing). The sauna can also be dried by leaving the door open after bathing.
- D. If the exhaust air vent is in the washroom, the gap underneath the sauna door must be at least 100 mm. Mechanical exhaust ventilation is mandatory.
Heater Output
When the walls and ceiling are covered with panels and insulation behind the panels is adequate, the heater output is defined according to the volume of the sauna. Non-insulated walls (brick, glass block, glass, concrete, tile, etc.) increase the need for heater output. Add 1,2 m³ to the volume of the sauna for each non-insulated wall square meter. For example, a 10 m³ sauna room with a glass door equals the output requirement of about a 12 m³ sauna room. If the sauna room has log walls, multiply the sauna’s volume by 1,5. Choose the correct heater output from Table 2.
Sauna Room Hygiene
Bench towels should be used during bathing to prevent sweat from getting onto the benches.
The benches, walls and floor of the sauna should be washed thoroughly at least every six months. Use a scrubbing brush and sauna detergent.
Wipe dust and dirt from the heater with a damp cloth. Remove lime stains from the heater using a 10% citric acid solution and rinse.
INSTRUCTIONS FOR INSTALLATION
Before Installation
Before installing the heater, study the instructions for installation. Check the following points:
- Is the output and type of the heater suitable for the sauna room? The cubic volumes given in table 2 should be followed.
- Is the supply voltage suitable for the heater?The location is suitable for the heater ( 3.2.).
Note! Only one electrical heater may be installed in the sauna room.
| Heater | Output | Dimensions | Stones | Sauna room | |||
| Width/Depth/Height | Weight | Cubic vol. | Height | ||||
| kW | mm | kg | max. kg | 2.3.! | min. mm | ||
| min. m³ | max. m³ | ||||||
| TRC70XE | 6,8 | 330/330/1100 | 15,3 | 50 | 6 | 10 | 1900 |
| TRC90XE | 9,0 | 330/330/1100 | 16,3 | 50 | 8 | 14 | 1900 |
Table 2. Installation details of the heater
Place and Safety Distances
The minimum safety distances are described in figure 6.
- It is absolutely necessary to install the heater according to these values. Neglecting them causes a risk of fire.
- Hot pieces of stone can damage floor coverings and cause a risk of fire. The floor coverings of the installation place should be heat-resistant.
- If the heater is to be embedded into bench using the embedding flange HPC1 or HPC2, see installation instructions of the flange before making a hole in the bench.
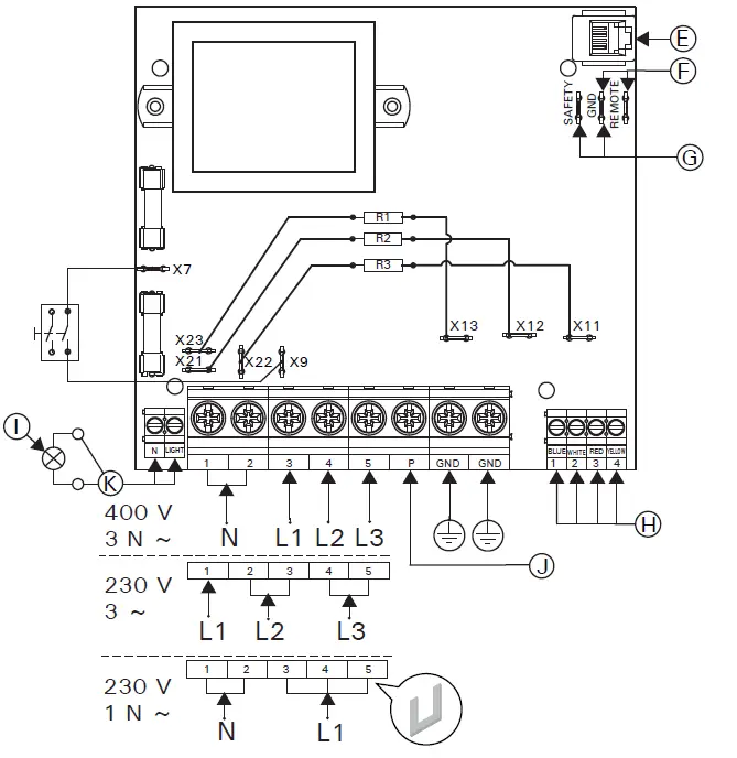
Electrical Connections
The heater may only be connected to the electrical network in accordance with the current regulations by an authorized, professional electrician.
- The heater is semistationarily connected to the junction box (figure 7: B) on the sauna wall. The junction box must be splash-proof, and its maximum height from the floor must not exceed 500 mm.
- The connecting cable (figure 7: A) must be of rubber cable type H07RN-F or its equivalent. NOTE! Due to thermal embrittlement, the use of PVC-insulated wire as the connecting cable of the heater is forbidden.
- If the connecting and installation cables are higher than 1 000 mm from the floor in the sauna or inside the sauna room walls, they must be able to endure a minimum temperature of 170 °C when loaded (for example, SSJ). Electrical equipment installed higher than 1 000 mm from the sauna floor must be approved for use in a temperature of 125 °C (marking T125).

Figure 6. Safety distances (all dimensions in millimeters)
| A | B | |
| Output | Conn. cable | Fuse |
| Leistung | Anschluss- kabel | Sicherung |
| kW | mm² | |
| 6,8 | 5 x 1,5 | 3 x 10 |
| 9,0 | 5 x 2,5 | 3 x 16 |

| E | Control panel |
| F | Remote switch |
| G | Safety/door switch |
| H | Temperature sensor |
| I | Lighting (max 100 W) |
| J | Control of electric heating |
| K | Residual current device |
- In addition to supply connectors, the heaters are equipped with a connector (P), which makes the control of the electric heating possible (figure 7). Voltage control is transmitted from the heater when it is switched on. The control cable for electrical heating is brought directly into the junction box of the heater, and from there to the terminal block of the heater along a rubber cable with the same cross-section area as that of the connecting cable.
- Always check condition of the junction box connectors when installing the heater. We recommend screw connectors. Avoid spring-loaded connectors!
Installing the Temperature Sensor
Install the sensor as shown in figure 8. Connect the sensor cable to the connector in the heater on a color-to-color principle.
The supply air vent of the sauna room must not be located near the temperature sensor. The air flow near an air vent cools down the sensor, which gives inaccurate temperature readings to the control unit. As a result, the heater might overheat.
The air vent’s minimum distance from the sensor (figure 5):
- Omnidirectional air vent: 1 000 mm
- Air vent directed away from the sensor: 500 mm The sensor must be installed to the place defined in these instructions (figure 8). If the minimum dis-tance is not fulfilled, ventilation must be changed.
Figure 8. Installing the sensor (all dimensions in millimeters)
Installing the Control Panel
The control panel is splashproof and has a small operating voltage. The panel can be installed in the washing or dressing room, or in the living quarters. If the panel is installed in the sauna room, it must be at the minimum safety distance from the heater and at a maximum height of one metre from the floor. Figure 9.
Conductor tubing (ø 30 mm) inside the wall structure allows you to thread the data cable hidden within the wall – otherwise the installation will have to be on the wall surface.


- Thread the data cable through the hole in the back cover.
- Fasten the back cover to a wall with screws.
- Push the data cable to the connector.
- Press the front cover into the back cover.
Figure 9. Installing the control panel (all dimensions in millimeters)


Figure 10. Installing the heater
Electric Heater Insulation Resistance
When performing the final inspection of the electri-cal installations, a “leakage” may be detected when measuring the heater’s insulation resistance. The reason for this is that the insulating material of the heating elements has absorbed moisture from the air (storage, transport). After operating the heater for a few times, the moisture will be removed from the heating elements.
Do not connect the power feed for the heater through the RCD (residual current device)!
Installing the Heater See figure 10.
- Connect cables to the heater ( 3.3.).
- Place the heater and adjust the heater vertically straight using the adjustable legs.
- Fix the heater to wall with fixing screws (2 pcs).
Resetting the Overheat Protector
The sensor box contains a temperature sensor and an overheat protector. If the temperature in the sensor’s environment rises too high, the overheat protector cuts off the heater power. Resetting the overheat protector is shown in figure 11.
The reason for the going off must be determined before the button is pressed.
Figure 11. Reset button for overheat protector
SPARE PARTS

- Heating element 2260 W x 3 TRT70XE ZRH-720
- Heating element 3000 W x 3TRT90XE ZSE-259
- Temperature sensor (125 °C) WX248
- Circuit board WX683
- Control panel WX380
- Data cable, 5 m WX311
- Data cable, 10 m (optional) WX313
- ON/OFF electric switch ZSK-684
We recommend to use only the manufacturer’s spare parts.
P.O.Box 12
Teollisuustie 1-7
40951 Muurame, FINLAND+358 207 464 000
Email: [email protected]
Website: www.harvia.com

Figure 4.

















