HARVIA PI70 Electric Sauna Heater

INSTRUCTIONS FOR USE
Piling of the Sauna Stones
Wash off dust from the stones before piling them into the heater. The stones should be 5–10 cm in diameter. Do not wedge stones between the heating elements. Arrange the stones tightly. Pile the stones so that they support each other instead of lying their weight on the heating elements. The piling of the stones is illustrated in figure 1.
- Remove the top part of the steel frame.
- Place stones inside the bottom part of the frame. Note! Stones protruding from the frame can hinder opening the connection box (see figure 7).
- Attach the top part of the steel frame.
- Place stones inside the top part of the frame. Do not form a high pile of stones on top of the frame.
WARNING! Cover the heating elements with stones completely. A bare heating element can endanger combustible materials even outside the safety distances. Check that no heating elements can be seen behind the stones.
NOTE!
- Use solely angular split-face sauna stones that are intended for use in a heater. Peridotite, olivine-dolerite and olivine are suitable stone types.
- Neither light, porous ceramic “stones“ nor soft soapstones should be used in the heater. They do not absorb enough heat when warmed up. This can result in damage in heating elements.
- The guarantee does not cover any faults caused by the use of stones not recommended by the manufacturer.
- No such objects or devices should be placed inside the heater stone space or near the heater that could change the amount or direction of the air flowing through the heater.

Maintenance
Due to large variation in temperature, the sauna stones disintegrate in use. Pay attention especially to the gradual settling of the stones inside the steel frame. Be sure that the heating elements do not appear with time.
Rearrange the stones at least once a year or even more often if the sauna is in frequent use. At the same time, remove any pieces of stones from the bottom of the heater and replace any disintegrated stones with new ones.
Heating of the Sauna
When operating the heater for the first time, both the heater and the stones emit smell. To remove the smell, the sauna room needs to be efficiently ventilated.
If the heater output is suitable for the sauna room, it will take about an hour for a properly insulated sauna to reach the required bathing temperature (
2.3.). The sauna stones normally reach the bathing temperature at the same time as the sauna room. A suitable temperature for the sauna room is about 60–80 °C.
Heater’s Control Units
Before switching the heater on always check that there isn’t anything on top of the heater or inside the given safety distance. 1.6.
- Heater models PI70 and PI90 are equipped with a separate control panel and an internal electronic power regulation unit, which is controlled by a computer and a separate temperature sensor.
- Heater models PI70E and PI90E must be equipped with a separate control unit which must be installed in a dry area outside of the sauna room.
Heaters with Control Panel (PI70, PI90)
Anyone using the heater can program the sauna’s temperature and the operating time according to preference from the heater’s control panel (see fig-ure 2). Furthermore, by pressing a button on the panel the heater can be programmed to come on at the desired pre-setting time. The heater’s factory settings are as follows:
- temperature about +65 ºC
- on-time 4 hours
- pre-setting time 0 hours
The settings menu structure and changing the settings is shown in figures 3a and 3b. The programmed temperature value and all values of additional set-tings are stored in memory and will also apply when the device is switched on next time.
Switching the Heater On and Off
When the heater is connected to the power supply 
and the main switch (see figure 7) is switched on, the heater is in standby mode (I/0 button’s background light glows).
- Start the heater by pressing the I/O button on the control panel.
The heater makes a sound signifying the safety switch has come on. When the heater starts, the indicator light 6 flashes and the display will show the set temperature. After five seconds, the temperature in the sauna room appears in the screen.
When the desired temperature has been reached in the sauna room, the heating elements are au-tomatically turned off. To maintain the desired temperature, the power regulation unit will auto-matically turn the heating elements on and off in periods. The last decimal point in the display glows when the heating elements are on.
The heater will turn off when the I/O button is pressed, the on-time runs out or an error occurs.
Throwing Water on Heated Stones
The air in the sauna room becomes dry when warmed up. Therefore, it is necessary to throw water on the heated stones to reach a suitable level of humidity in the sauna. The effect of heat and steam on people varies – by experimenting, you can find the levels of temperature and humidity that suit you best.
You can adjust the nature of the heat from soft to sharp by throwing water either to the front of the heater or straight on top of the stones.
- The maximum volume of the ladle is 0.2 litres. If an excessive amount of water is poured on the stones, only part of it will evaporate and the rest may splash as boiling hot water on the bathers. Never throw water on the stones when there are people near the heater, because hot steam may burn their skin.
- The water to be thrown on the heated stones should meet the requirements of clean household water (table 1). Only special aromas designed for sauna water may be used. Follow the instructions given on the package.
Instructions for Bathing
- Begin by washing yourself.
- Stay in the sauna for as long as you feel com-fortable.
- Forget all your troubles and relax.
- According to established sauna conventions, you must not disturb other bathers by speaking in a loud voice.
- Do not force other bathers from the sauna by throwing excessive amounts of water on the stones.
- Cool your skin down as necessary. If you are in good health, you can have a swim if a swim-ming place or pool is available.
- Wash yourself after bathing.
- Rest for a while and let your pulse go back to normal. Have a drink of fresh water or a soft drink to bring your fluid balance back to normal.
Warnings
- Staying in the hot sauna for long periods of time makes the body temperature rise, which may be dangerous.
- Keep away from the heater when it is hot. The stones and outer surface of the heater may burn your skin.
- Keep children away from the heater.
- Do not let young, handicapped or ill people bathe in the sauna on their own.
- Consult your doctor about any health-related limitations to bathing.
- Consult your child welfare clinic about taking little babies to the sauna.
- Be very careful when moving in the sauna, as the platform and floors may be slippery.
- Never go to a hot sauna if you have taken alco-hol, strong medicines or narcotics.
- Never sleep in a hot sauna.
- Sea air and a humid climate may corrode the
BASIC SETTINGS
ADDITIONAL SETTINGS
metal surfaces of the heater.
- Do not hang clothes to dry in the sauna, as this may cause a risk of fire. Excessive moisture content may also cause damage to the electri-cal equipment.
Symbols descriptions
- Read operators manual.
- Do not cover.
Troubleshooting
All service operations must be done by profes-sional maintenance personnel.
ER1
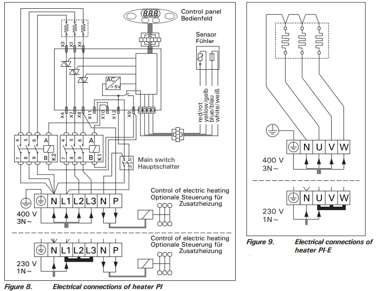
- Temperature sensor’s measuring circuit broken. Check the red and yellow wires to the temperature sensor and their connections (see figure 8) for faulties.
ER2
- Temperature sensor’s measuring circuit short-circuited. Check the red and yellow wires to the temperature sensor and their connections (see figure 8) for faulties.
The heater does not heat.
- Check that the fuses to the heater are in good condition.
- Check that the connection cable is connected ( 3.4.).
- Check that the control panel shows a higher figure than the temperature of the sauna.
- Check that the overheat protector has not gone off. ( 3.5.)
The sauna room heats slowly. The water thrown on the sauna stones cools down the stones quickly.
- Check that the fuses to the heater are in good condition.
- Check that all heating elements glow when the heater is on.
- Turn the temperature to a higher setting.
- Check that the heater output is sufficient ( 2.3.).
- Check the sauna stones ( 1.1.). Too tightly piled stones, the settling of stones with time or wrong stone type can hinder the air flow through the heater, which results in reduced heating efficiency.
- Check that the sauna room ventilation has been arranged correctly ( 2.2.).
The sauna room heats quickly, but the temperature of the stones remain insufficient. Water thrown on the stones runs through.
- Turn the temperature to a lower setting.
- Check that the heater output is not too high ( 2.3.).
- Check that the sauna room ventilation has been arranged correctly ( 2.2.).
Panel or other material near the heater blackens quickly.
- Check that the requirements for safety distances are fulfilled ( 3.2.).
- Check the sauna stones ( 1.1.). Too tightly piled stones, the settling of stones with
time or wrong stone type can hinder the air flow through the heater, which may result in overheating of surrounding materials. - Check that no heating elements can be seen behind the stones. If heating elements can be seen, rearrange the stones so that the heating elements are covered completely ( 1.1.).
- Also see section 2.1.1.
The heater emits smell. - See section 1.2.
- The hot heater may emphasize odours mixed in the air that are not, however, caused by the sauna or the heater. Examples: paint, glue, oil, seasoning.
SAUNA ROOM
Sauna Room Structure
- A. Insulation wool, thickness 50–100 mm. The sauna room must be insulated carefully so that the heater output can be kept moderately low.
- B. Moisture protection, e.g. aluminium paper. Place the glossy side of the paper towards the sauna. Tape the seams with aluminium tape.
- C. Vent gap of about 10 mm between the mois-ture protection and panel (recommendation).
- D. Low mass 12–16 mm thick panel board. Before starting the panelling, check the electric wiring and the reinforcements in the walls required by the heater and benches.
- E. Vent gap of about 3 mm between the wall and ceiling panel.
- F. The height of the sauna is usually 2100–2300 mm. The minimum height depends on the heater (see table 2). The space between the upper bench and ceiling should not exceed 1200 mm.
- G. Use floor coverings made of ceramic materials and dark joint grouts. Particles disintegrating from the sauna stones and impurities in the sauna water may stain and/or damage sensitive floor coverings.
NOTE! Check from the fire authorities which parts of the firewall can be insulated. Flues which are in use must not be insulated.
NOTE! Light protective covers which are installed directly to the wall or ceiling may be a fire risk.
Blackening of the Sauna Walls
It is perfectly normal for the wooden surfaces of the sauna room to blacken in time. The blackening may be accelerated by
- sunlight
- heat from the heater
- protective agents on the walls (protective agents have a poor heat resistance level)
- fine particles disintegrating from the sauna stones which rise with the air flow.
Sauna Room Ventilation
The air in the sauna room should change six times per hour. Figure 5 illustrates different sauna room ventilation options.
- A. Supply air vent location. If mechanical exhaust ventilation is used, place the supply air vent above the heater. If gravity exhaust ventilation is used, place the supply air vent below or next to the heater. The diameter of the supply air pipe must be 50–100 mm. Do not place the supply air vent so that the air flow cools the temperature sensor ( 3.3.1.)!
- B. Exhaust air vent. Place the exhaust air vent near the floor, as far away from the heater as possible. The diameter of the exhaust air pipe should be twice the diameter of the supply air pipe.
- C. Optional vent for drying (closed during heating and bathing). The sauna can also be dried by leaving the door open after bathing.
- D. If the exhaust air vent is in the washroom, the gap underneath the sauna door must be at least 100 mm. Mechanical exhaust ventilation is mandatory.
heater Output
When the walls and ceiling are covered with panels and insulation behind the panels is adequate, the heat-er output is defined according to the volume of the sauna. Non-insulated walls (brick, glass block, glass, concrete, tile, etc.) increase the need for heater out-put. Add 1,2 m³ to the volume of the sauna for each non-insulated wall square meter. For example, a 10 m³ sauna room with a glass door equals the output re-quirement of about a 12 m³ sauna room. If the sauna room has log walls, multiply the sauna’s volume by 1,5. Choose the correct heater output from table 2.
Sauna Room Hygiene
Bench towels should be used during bathing to pre-vent sweat from getting onto the benches.
The benches, walls and floor of the sauna should be washed thoroughly at least every six months. Use a scrubbing brush and sauna detergent.
Wipe dust and dirt from the heater with a damp cloth. Remove lime stains from the heater using a 10% citric acid solution and rinse.
INSTRUCTIONS FOR INSTALLATION
Before Installation
Before installing the heater, study the instructions for installation. Check the following points:
- Is the output and type of the heater suitable for the sauna room? The cubic volumes given in table 2 should be followed.
- Is the supply voltage suitable for the heater?
- The location is suitable for the heater ( 3.2.). Note! Only one electrical heater may be installed in the sauna room.
Place and Safety Distances
The minimum safety distances are described in figure 6. It is absolutely necessary to install the heater according to these values. Neglecting them causes a risk of fire. Components shown in figure 6:
- A. Sensor (installed on ceiling).If the heater is installed further than 100 mm from wall, the sensor must be installed on the ceiling.
- B. Sensor (installed on wall).
- C. Bench or safety railing.
- D. Floor. Hot pieces of stone can damage floor coverings and cause a risk of fire. The floor coverings of the installation place should be heat-resistant.
- E. Embedding flange HPI1 (optional). See installation instructions of the flange before making a hole in the bench.
Electrical Connections
Connections of the heater (figure 7):
- A. Junction box
- B. Connecting cable
- C. Data cable
- D. Sensor cable
- E. Control of electric heating

The heater may only be connected to the electrical network in accordance with the cur-rent regulations by an authorised, professional elec-trician.
- The heater is semi-stationarily connected to the junction box (figure 7: A) on the sauna wall. The junction box must be splash-proof, and its maximum height from the floor must not exceed 500 mm.
- The connecting cable (figure 7: B) must be of rubber cable type H07RN-F or its equivalent. NOTE! Due to thermal embrittlement, the use of PVC-insulated wire as the connecting cable of the heater is forbidden.
- If the connecting and installation cables are higher than 1000 mm from the floor in the sau-na or inside the sauna room walls, they must be able to endure a minimum temperature of 170 °C when loaded (for example, SSJ). Elec-trical equipment installed higher than 1000 mm from the sauna floor must be approved for use in a temperature of 125 °C (marking T125).
- In addition to supply connectors, the PI heaters are equipped with a connector (P), which makes the control of the electric heating possible. See figure 8. The control cable for electrical heating is brought directly into the junction box of the


heater, and from there to the terminal block of the heater along a rubber cable with the same cross-section area as that of the connecting cable.
Installing the Temperature Sensor
- PI: Install the sensor as shown in figure 6. Con-nect the sensor cable to the connector in the heater on a colour-to-colour principle (figure 7: D).
- PI-E: Install the sensor WX248 as shown in figure 6.
The supply air vent of the sauna room must not be located near the temperature sensor.
The air flow near an air vent cools down the sensor, which gives inaccurate temperature readings to the control unit. As a result, the heater might overheat. The air vent’s minimum distance from the sensor (figure 5):
- omnidirectional air vent: 1000 mm
- air vent directed away from the sensor: 500 mm The sensor must be installed to the place defined in these instructions (figure 6). If the minimum distance is not fulfilled, ventilation must be changed.
Installation of the Control Panel (PI70, PI90)
The control panel is splashproof and has a small operating voltage. The panel can be installed in the washing or dressing room, or in the living quarters. If the panel is installed in the sauna room, it must be at the minimum safety distance from the heater and at a maximum height of one metre from the floor.
The control panel is delivered with wooden covering ledges, an installation flange, two fixing screws and a 3 metre data cable which can be shortened if necessary. 5 and 10 metre cables are also available.
Conductor tubing inside the wall structure allows you to thread the data cable hidden within the wall – otherwise the installation will have to be on the wall surface.
Fasten the control panel as follows (see figure 7):
- Thread the data cable through the flange. Fasten the flange with fixing screws.
- Place the control panel in the flange. The panel locks in the flange by means of spring clamps.
- If necessary, cover the data cable by wooden covering ledges.
- Connect the free end of the data cable to the connector in the heater on a colour-to-colour principle (figure 7: C).
Electric Heater Insulation Resistance
When performing the final inspection of the electri-cal installations, a “leakage” may be detected when measuring the heater’s insulation resistance. The reason for this is that the insulating material of the heating elements has absorbed moisture from the air (storage, transport). After operating the heater for a few times, the moisture will be removed from the heating elements.
Installing the Heater
- Place the heater and connect cables to the heater ( 3.3.).
- Adjust the heater vertically straight using the adjustable legs.
- Use fixing kits (2 pcs) to fix the heater to sau-na’s structures. See examples of using fixing kits in figure 11. Note! Fixing the heater from the top part of the steel frame can hinder stone piling and maintenance.

Resetting the Overheat Protector
The sensor box contains a temperature sensor and an overheat protector. If the temperature in the sensor’s environment rises too high, the overheat protector cuts off the heater power. Resetting the overheat protector is shown in figure 12.
The reason for the going off must be determined before the button is pressed.
SPARE PARTS
| 1 | Heating element 2300 W | PI70, PI70E | ZRH-247 | |
| 2 | Heating element 3000 W | PI90, PI90E | ZRH-249 | |
| 3 | Steel frame | PI, PI-E | ZRH-210 | |
| 4 | Temperature sensor | PI, PI-E | WX248 | |
| 5 | Control panel | PI | ZSME-200-1 | |
| 6 | Installation flange | PI | ZSME-80 | |
| 7 | Data cable, 3 m Data cable, 5 m (optional) Data cable, 10 m (optional) | PI PI PI | WX250 WX251 WX252 | |
| 8 | Fixing kit (2 pcs) | PI, PI-E | ZRH-350 | |
| 9 | Power unit | PI | ZRH-310 | |
| 10 | Main switch | PI | ZSK-684 |



























