HARVIA LTY17 Power Extension Unit

HARVIA POWER EXTENSION UNITS LTY17 AND LTY17C
General
Power extension unit LTY17
Harvia power extension unit LTY17 is used for the control of 2-group electric heaters in large saunas. By using the power extension unit LTY17 the maxi-mum load range can be increased up to 37 kW (the maximum load depends on the type of the control unit).
The power extension unit LTY17 is always used together with Harvia control unit. It is not possible to control the heater with power exten-sion unit alone.
Power extension unit LTY17C
Harvia power extension unit LTY17C is used for the control of 2-group electric heaters and steamer in large saunas or a Combi heater, which is their com-bined version. By using the power extension unit LTY17C the maximum load range can be increased up to 28 kW (the maximum load depends on the type of the control unit).
The power extension unit LTY17C is always used together with Harvia control unit. It is not possible to control the heater with power exten-sion unit alone.
Technical Data
- Supply voltage: 400 V 3N~
- LTY17 Max. load: 20 kW
- LTY17C Max. load: 17 kW
- Protection class IPX2
- Wall mountable
- Dimensions: 281 mm x 70 mm x 224 mm (w x d x h)
- Weight LTY17: 1,9 kg
- Weight LTY17C: 2,1 kg
Compatibility
The power extension unit LTY17 is compatible with the following Harvia control units:
- Heater
- Harvia Xafir CS170+LTY17
- Harvia Xenio CX170+LTY17
- Harvia Griffin CG170+LTY17
- Harvia Xafir CS110+LTY17
- Harvia Xenio CX110+LTY17
- Harvia C90+LTY17
- Combi heater with 1 steamer / Heater+SS20
- Harvia Xafir Combi CS110C+LTY17
- Harvia Xenio Combi CX110C+LTY17
- Harvia Griffin Combi CG170C+LTY17
- Harvia C105S+LTY17
The power extension unit LTY17C is compatible with the following Harvia control units:
- Combi heater with 2 steamers / 2 x (Combi heater) / 2 x (heater+SS20)
- Harvia Xafir Combi CS110C+LTY17C
- Harvia Xenio Combi CX110C+LTY17C
- Harvia Griffin Combi CG170C+LTY17C
- Harvia C105S Logix+LTY17C
INSTRUCTIONS FOR INSTALLATION
The electrical connections of the power extension unit and control unit may only be made by an authorised, professional electrician and in accordance with the current regulations. When the installation of the power extension unit and control unit is complete, the person in charge of the installation must pass on to the user the instructions for installation and use that come with the power extension unit and control unit and must give the user the necessary training for using the heater and the control unit.
Installing the power extension units LTY17 and LTY17C
Install the power extension unit to a wall outside the sauna room, in the vicinity of the control unit, in a dry place with an ambient temperature of >0 ºC. See figure 2 for instructions on how to open the power extension unit cover and how to fix the unit to the wall.
Do not embed the power extension unit into the wall, since this may cause excessive heating of the internal components of the unit and lead to damage. See figure 2.
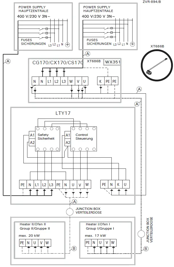
Electrical connections of power extension unit LTY17
Figures 5–10 show the electrical connections of the power extension unit LTY17. For more detailed installation instructions see the instructions for installation and use of the selected heater model.
Parallel drive (option)
By using power extension units LTY17 and LTY17C you can control 2-group electric heaters with Harvia control units but also two physically separate heat-ers (figure 3).
In the parallel drive install the temperature sensor WX232 supplied with the control unit above the higher-power heater. The overheating protection for the other heater is carried out with the parallel drive sensor WX314 (optional). Detailed installation instructions for the parallel drive sensor WX314 is delivered with the sensor.
If you want to control Hidden Heater (HH) with parallel drive please contact the manu-facturer for further information.
Harvia Griffin CG170 or CG170C control unit
Replace the ground terminal inside the power unit CG170/CG170C with the additional terminal block delivered with the power extension unit LTY17. Connection of additional terminal block inside the power unit is shown in figure 4.
Harvia Xenio CX170/CX110C or Harvia Xafir CS170/CS110C control unit
Connect the additional terminal block delivered with the power extension unit LTY17 inside the power unit. Connection of additional terminal block inside the power unit is shown in figure 4.
Harvia C90 or C105S control unit
The additional terminal block delivered with the power extension unit LTY17 is not used.
Harvia Xenio CX110 or Harvia Xafir CS110 control unit
The additional terminal block delivered with the power extension unit LTY17 is not used. CX110/CS110 + LTY17 connection is shown in figure 5.











Electrical connections of power extension unit LTY17C
Figures 12–14 show the electrical connections of the power extension unit LTY17C. For more detailed installation instructions see the instructions for installation and use of the selected heater model.
Harvia Griffin Combi CG170C control unit Replace the ground terminal inside the power unit CG170C with the additional terminal block delivered with the power extension unit LTY17C. Connection of additional terminal block inside the power unit is shown in figure 11.
Harvia Xenio Combi CX110C or Harvia Xafir Combi CS110C control unit
Connect the additional terminal block delivered with the power extension unit LTY17C inside the power unit CX110C/CS110C. Connection of ad-ditional terminal block inside the power unit is shown in figure 11.
Harvia C105S Logix control unit
The additional terminal block delivered with the power extension unit LTY17C is used with C105S Logix control unit to connect P and A1 wires. See electrical connections in figure 14.




P.O.Box 12 Teollisuustie 1-7 40951 Muurame FINLAND
+358 207 464 000 [email protected]
Е-mail: [email protected]




















