HARVIA BC105 Electric Sauna Heater

Purpose of the electric heater:
The BC heaters are designed for the heating of large saunas to bathing temperature. It is forbidden to use the heater for any other purposes. The guarantee period for heaters and control equipment used in saunas by families is two (2) years. The guarantee period for heaters and control equipment used in saunas by building residents is one (1) year. The guarantee period for heaters and control equipment used in commercial saunas is three (3) months. Please read the user’s instructions carefully before using the heater.
NOTE!
These instructions for installation and use are intended for the owner or the person in charge of the sauna, as well as for the electrician in charge of the electrical installation of the heater. After completing the installation, the person in charge of the installation should give these instructions to the owner of the sauna or to the person in charge of its operation. Congratulations on your choice!
INSTRUCTIONS FOR USE
Piling of the Sauna Stones
- The sauna stones for an electric heater should be 4 – 8 cm in diameter. The heater stones should be solid blocks of stone specially intended for use in the heater. Neither light, porous ceramic “stones“ of the same size nor soft potstones should be used in the heater, because they may cause the resistance temperature to rise too high as a result of which the resistance may be broken.
- Stone dust should be washed off before piling the stones. The stones should be piled into the stone compartment over the grating, between the heating elements (resistances) so that the stones support each other. The weight of the stones should not lie on the heating elements.
- The stones should not be piled too tightly, so that air can flow through the heater. See fig. 1. The stones should be fitted loosely, and not wedged between the heating elements. Very small stones should not be put into the heater at all.
- The stones should completely cover the heating elements. However, they should not form a high pile on the elements.
- The stones disintegrate with use. Therefore, they should be rearranged at least once a year or even more often if the sauna is in frequent use. At the same time, any pieces of stones should be removed from the bottom of the heater, and disintegrated stones should be replaced with new ones.
- The guarantee does not cover any faults caused by the use of stones not recommended by the plant. Neither does the guarantee cover any faults caused by disintegrated or too small stones blocking the heater ventilation.
- No such objects or devices should be placed inside the heater stone space or near the heater that could change the amount or direction of the air flowing through the heater, thus causing the resistance temperature to rise too high, which may set the wall surfaces on fire!
Heating of the Sauna
Before you switch the heater on check always that there aren’t any things over the heater or in the near distance of the heater. See item 1.6. “Warnings”.
When the heater is switched on for the first time, both the heater and the stones emit smell. To remove the smell, the sauna room needs to be efficiently ventilated.
The purpose of the heater is to raise the temperature of the sauna room and the sauna stones to the required bathing temperature. If the heater output is suitable for the sauna room, it will take about an hour for a properly insulated sauna to reach that temperature. See item 2.1., ”Insulation and wall materials of the Sauna Room”. A suitable temperature for the sauna room is about + 65 °C – +80 °C. The sauna stones normally reach the required bathing temperature at the same time as the sauna room. If the heater capacity is too big, the air in the sauna will heat very quickly, whereas the temperature of the stones may remain insufficient; consequently, the water thrown on the stones will run through. On the other hand, if the heater capacity is too low for the sauna room, the room will heat slowly and, by throwing water on the stones, the bather may try to raise the temperature of the sauna. However, the water will only cool down the stones quickly, and after a while the sauna will not be warm enough and the heater will not be able to provide enough heat. In order to make bathing enjoyable, the heater capacity should be carefully chosen to suit the size of the sauna room. See item 2.3. ”Heater Output”.
Control Unit of the Heater
The BC model heaters require a separate control unit to operate the heater. The control unit should be located outside the sauna room in a dry place, at an altitude of approximately 170 cm. The temperature sensor, by means of which the set temperature is maintained in the sauna room, should be connected to the control unit. The temperature sensor and the overheating limiter are located in the sensor box installed above the heater. The sensor box should be installed in accordance with the installation instructions of the control unit model in question. The BC model heaters can be controlled with the following control units:
- CH90
- C150
- Fenix
- Griffin
See the instructions for use of the selected control unit model
Throwing Water on Heated Stones
The air in the sauna room becomes dry when warmed up. Therefore, it is necessary to throw water on the heated stones to reach a suitable level of humidity in the sauna. The humidity of the air in the sauna room is controlled by the amount of water thrown on the stones. A correct level of humidity makes the bather’s
skin sweat and makes breathing easy. By throwing water on the stones with a small ladle, the bather should feel the effect of air humidity on his skin. Both too high a temperature and air humidity will give an unpleasant feeling. Staying in the hot sauna for long periods of time makes the body temperature rise, which may be dangerous. The maximum volume of the ladle is 0,2 litres. The amount of water thrown on the stones at a time should not exceed 0,2 l, because if an excessive amount of water is poured on the stones, only part of it will evaporate and the rest may splash as boiling hot water on the bathers. Never throw water on the stones when there are people near the heater, because hot steam may burn their skin.
Sauna Water
The water to be thrown on the heated stones should meet the requirements of clean household water. The factors essentially affecting the quality of water include the following:
- humuos content (colour, taste, precipitates); recommended content less than 12 mg/l.
- iron content (colour, smell, taste, precipitates); recommended content less than 0,2 mg/l.
- hardness – the most important substances are manganese (Mn) and calcium (Ca); recommended content of manganese 0,05 mg/ l, calcium less than 100 mg/l.
Calcareous water leaves a white, sticky layer on the stones and metal surfaces of the heater. Calcification of the stones deteriorates the heating properties. Ferrous water leaves a rusty layer on the surface of the heater and elements, and causes corrosion. The use of humous, chlorinated water and seawater is forbidden. Only special perfumes designed for sauna water may be used. Follow the instructions given on the package.
Temperature and Humidity of the Sauna Room
Both thermometers and hygrometers suitable for use in a sauna are available. As the effect of steam on people varies, it is impossible to give an exact, universally applicable bathing temperature or percentage of moisture. The bather’s own comfort is the best guide. The sauna room should be equipped with proper ventilation to guarantee that the air is rich in oxygen and easy to breathe. See item 2.4., ”Ventilation of the Sauna Room”. Bathing in a sauna is considered a refreshing experience and good for the health. Bathing cleans and warms your body, relaxes the muscles, soothes and alleviates oppression. As a quiet place, the sauna offers the opportunity to meditate.
Instructions for Bathing
Begin by washing yourself; for example, by taking a shower.
- Stay in the sauna for as long as you feel comfortable.
- According to established sauna conventions, you must not disturb other bathers by speaking in a loud voice.
- Do not force other bathers from the sauna by throwing excessive amounts of water on the stones.
- Forget all your troubles and relax.
- Cool your skin down as necessary.
- If you are in good health, you can have a swim if a swimming place or pool is available.
- Wash yourself properly after bathing. Have a drink of fresh water or a soft drink to bring your fluid balance back to normal.
- Rest for a while and let your pulse go back to normal before dressing.
Warnings
- Sea air and a humid climate may corrode the metal surfaces of the heater.
- Do not hang clothes to dry in the sauna, as this may cause a risk of fire. Excessive moisture content may also cause damage to the electrical equipment.
- Keep away from the heater when it is hot. The stones and outer surface of the heater may burn your skin.
- Do not throw too much water on the stones.
- The evaporating water is boiling hot.
- Do not let young, handicapped or ill people bathe in the sauna on their own.
- Consult your doctor about any health-related limitations to bathing.
- Parents should keep children away from the hot heater.
- Consult your child welfare clinic about taking little babies to the sauna.
- age?
- temperature of the sauna?
- time spent in the warm sauna?
- Be very careful when moving in the sauna, as the platform and floors may be slippery.
- Never go to a hot sauna if you have taken alcohol, strong medicines or narcotics.
Troubleshooting
If the heater does not heat, check the following points:
- the current from the control centre to the heater has been switched on
- the thermostat shows a higher figure than the temperature of the sauna.
- the fuses to the heater are in good condition
THE SAUNA ROOM
Insulation and Wall Materials of the Sauna Room
In an electrically heated sauna, all the massive wall surfaces which store plenty of heat (such as bricks, glass blocks, plaster etc.), must be sufficiently insulated in order to keep the heater output at a reasonably low level. A wall and ceiling construction can be considered to have efficient thermal insulation if:
- the thickness of carefully fitted insulating wool
- inside the house is 100 mm (minimum 50 mm).
- the moisture protection consists of e.g. aluminium paper with tightly taped edges.
- The paper must be fitted so that the glossy side is towards the inside of the sauna.
- there is a 10 mm vent gap between the moisture protection and panel boards (recommendation).
- the inside is covered by 12–16 mm thick panelling.
- there is a vent gap of a few millimetres at the top of the wall covering at the edge of the ceiling panelling.
When aiming at a reasonable heater output, it may be advisable to lower the ceiling of the sauna (normally 2100–2300 mm, minimum height 1900 mm). As a result, the volume of the sauna is decreased, and a smaller heater output may be sufficient. The ceiling can be lowered so that the ceiling joists are fixed at a suitable height. The spaces between the joists are insulated (minimum insulation 100 mm) and surfaced as described above.Because heat goes upwards, a maximum distance of 1100–1200 mm is recommended between the bench and ceiling.
NOTE! Consult fire-extinguishing authorities to find out which part of the fireproof wall may be insulated.
NOTE! The protection of the walls or ceiling with heat protection, such as mineral board fitted directly on the wall or ceiling, may cause the temperature of the wall and ceiling materials to rise dangerously high.
Blackening of the Sauna Walls
Wooden material in a sauna, such as panels, blackens with age. The blackening process is sped up by sunlight and the heat from the heater. If the wall surfaces have been processed with protective panel agents, the blackening of the surface of the wall above the heater can be seen quite quickly depending on the protective agent used. The blackening is due to the fact that the protective agents have less resistance to heat than unprocessed wood do. This has been proven in practical tests. The micronic mineral aggregate that crumbles from the stones on the heater may blacken the wall surface near the heater. When following the manufacturer’s approved guidelines in the installation of the sauna heater, the heater will not heat up enough to endanger the flammable material in the sauna room. The maximum temperature allowed in the wall and ceiling surfaces of the sauna room is +140 degrees Celsius. Sauna heaters equipped with CE signs meet all of the regulations for sauna installations. Proper authorities monitor that the regulations are being followed.
Sauna Room Floor
Due to a large variation in temperature, the sauna stones disintegrate in use. Small pieces of stone are washed down on the sauna room floor along with the water thrown on the stones. Hot pieces of stone may damage floor coverings installed underneath and near the heater. A lightcoloured joint grout, used for a tiled floor, may absorb impurities from the stones and water (e.g. iron content). To prevent aesthetic damage (due to the reasons presented above) only dark joint grouts and floor coverings made of rock materials should be used underneat and near the heater
Heater Output
When the walls and ceiling are covered with panels, and the insulation behind the panels is sufficient to prevent thermal flow into the wall materials, the heater output is defined according to the cubic volume of the sauna. See table 1. If the sauna has visible uninsulated wall surfaces, such as walls covered with brick, glass block, concrete or tile, each square metre of said wall surface causes the cubic volume of the sauna to increase by 1.2 m3. The heater output is then selected according to the values given in the table. Because log walls are heated slowly, the cubic volume of a log sauna should be multiplied by 1.5, and the heater output should then be selected on the basis of this information.
Ventilation of the Sauna Room
Sufficient ventilation is extremely important for the sauna. The air in the sauna room should be changed six times per hour. The air supply pipe should be located at a minimum height of 500 mm above the heater. The pipe diameter should be about 50–100 mm. The exhaust air of the sauna room should be taken from as far from the heater as possible, but near the floor level. The crosscut area of the exhaust air vent should be twice that of the supply air pipe. Exhaust air should be led directly into the air chimney, or, by using an exhaust pipe starting near the floor level, into a vent in the upper part of the sauna. Exhaust air can also be led out through an exhaust air vent in the washing room through a 100–150 mm opening under the sauna door. For the abovementioned system, mechanical ventilation is necessary. If the heater is mounted in a readymade sauna, the instructions of the sauna manufacturer should be followed when arranging ventilation. The series of pictures shows examples of ventilation systems for a sauna room.
Mechanical ventilation

- Air supply vent placing area.
- Exhaust air vent.
- Possible drying valve, which is closed during heating and bathing. The sauna can also be dried by leaving the door open after bathing.
- If there is an exhaust vent in the washing room only, there should be a minimum 100 mm opening under the sauna room door. Mechanical ventilation is recommended
Hygienic Conditions of the Sauna Room
Good hygienic standards of the sauna room will make bathing a pleasant experience. The use of sauna seat towels is recommended to prevent sweat from flowing onto the platforms. The towels should be washed after each use. Separate towels should be provided for guests. It is advisable to vacuum or sweep the floor of the sauna room in connection with cleaning. In addition, the floor may be wiped with a damp cloth. The sauna room should be thoroughly washed at least every six months. Brush the walls, platforms and floor by using a scrubbingbrush and sauna cleanser. Wipe dust and dirt from the heater with a damp cloth.
INSTRUCTIONS FOR INSTALLATION
Prior to Installation
Prior to installing the heater, study the instructions for installation, as well as checking the following points: Is the output and type of the heater suitable for the sauna room?
The cubic volumes given in table 1 should be followed.
Are there a sufficient number of high quality sauna stones? Is the supply voltage suitable for the heater? The location of the heater fulfils the minimum requirements concerning safety distances givenin fig. 3 and table 1.
It is absolutely necessary to ensure that the installation is carried out according to these values. Neglecting them can cause a risk of fire.
- Only one electrical heater may be installed in the sauna room.
- The heater should be installed so that the warning texts on the cover of the junction box can also be read without difficulty after the installation.
- BC heaters are not approved to be installed in a recess in the wall or floor.
| Heater
Model and dimensions | Output | Saunaroom | Minimum distances Min. | Cables | Fuse | |||||||||
| Cubic vol. | Height | A min. | A max. | B min. | C min. | to floor zum Boden | To control unit zum
| To sensor | Connecting cable to heater
| |||||
| Width 435 mm Depth 470 mm Height 640 mm Weight/ 18 kg Stones |
kW | See item 2.3.
|
min mm | See fig. 3. Siehe Abb. 3. | ML/MK/ MMJ
mm2 | SSJ
mm2 | HO7RNF See fig. 4. The measurements apply to the connection cable only!
mm2 |
A | ||||||
|
mm |
mm |
mm |
mm |
mm | ||||||||||
| min m3 | max m3 | |||||||||||||
| BC105 | 10.5 | 9 | 15 | 1900 | 50 | 150 | 50 | 1250 | 30 | 5 x 2.5 | 4 x 0.25 | 5 x 2.5 | 3 x 16 | |
| BC135 | 13.5 | 11 | 20 | 2100 | 80 | 180 | 80 | 1450 | 30 | 5 x 4.0 | 4 x 0.25 | 5 x 2.5 | 3 x 20 | |
| BC165 | 16.5 | 16 | 30 | 2100 | 100 | 200 | 100 | 1450 | 30 | 5 x 6.0 | 4 x 0.25 | 5 x 2.5 | 3 x 25 | |
Fixing the Heater to the Floor
The heater is fixed to the floor at its two legs, at the legs’ fixing points. Before fixing the heater, the minimum safety distances to inflammable materials should be taken into consideration. See table 1 and figure 3.
Safety Railing
If a safety railing is built around the heater, the minimum distances given in table 1 must be observed

Installation of Control Unit and Sensor
Detailed instructions for the installation of both the unit and the sensor are delivered with the control unit.
Electrical Connections
The heater may only be connected to the electrical network in accordance with the current regulations by an authorised, professional electrician. The heater is semistationarily connected to the junction box on the sauna wall. The connection cable must be of rubber cable type H07RNF or its equivalent.
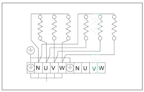
NOTE! Due to thermal embrittlement, the use of PVC-insulated wire as the connection cable of the heater is forbidden. The junction box must be splashproof, and its maximum height from the floor must not exceed 50 cm. See figure 4. If the connection and installation cables are higher than 100 cm from the floor in the sauna or inside the sauna room walls, they must be able to endure a minimum temperature of 170 °C when loaded (for example, SSJ). Electrical equipment installed higher than 100 cm from the sauna floor must be approved for use in a temperature of 125 °C (marking T125). The wiring diagrams are included in the control unit’s installation instruction. Further instructions concerning exceptional installations can be obtained from local electrical authorities.

Electric Heater Insulation Resistance
When performing the final inspection of the electrical installations, a “leakage” may be detected whenmeasuring the heater’s insulation resistance. The reason for this is that the insulating material of the heating resistors has absorbed moisture from the air (storage/transport). After operating the heater for a few times, the moisture will be removed from the resistors. Do not connect the power feed for the heater through the RCD (residual current device)!
SPARE PARTS

| BC105 10,5 kW | BC135 13,5 kW | BC165 16,5 kW | |
| 1 (W) | 1750 | 2750 | 2750 |
| 2 (W) | 1750 | 1750 | 2750 |
| 3 (W) | 1750 | 2750 | 2750 |
| 4 (W) | 1750 | 1750 | 2750 |
| 5 (W) | 1750 | 2750 | 2750 |
| 6 (W) | 1750 | 1750 | 2750 |
| 1750 W |
| 2750 W |
Harvia Oy PL12 40951 Muurame Finland www.harvia.fi



















