HAVACO ECH NI/NV/NIS Electric Duct Heaters
DESCRIPTION
- Electric heaters are designed to heat clean air in ventilation systems.
- The casing is made from aluzinc coated steel which is high-temperature proof.
- The heating elements tube is made from stainless steel ASI 304.In heaters are installed 2 protection thermostats, screw terminals for easy connection
- Marking
- ECH NI/NV/NIS – aaa / b / xf aaa – Duct diameter [mm]
- b – x –
- Power [kw]
- Phases (1~230V, 2~400V, 3~400V)
- Casing is with rubber seals for duct connection.
- Heaters can be installed vertically or horizontally.
- Maximum output air temperature 50°C (NIS).
TECHNICAL DATA
- All heaters are with 2 protection thermostats:
- Automatic reset – switch off temperature 50°C,
- Manual reset – cut off temperature 100°C.
- For controlling heaters without integrated control, external electric heating controller is needed.
- Heaters have controller installed inside casing (NI, NV, NIS).
- Protection class IP 44 (NV, NIS), IP 30 (NI).

TRANSPORTING
- All products are packed by the producer for normal transporting conditions.
- For unloading and storing use the proper lifter to prevent product damage.
- Do not lift product by power supply cable, or automation components.
- Avoid impacts and impact loads.
- Until installation store products in a dry place: Humidity 70% (20°C), temperature 5-40°C.
- Avoid long-term storing. It is not recommended to store products for more than 1 year.
INSTALLATION
- The heater can be installed in any position (see picture) except the electrical connection box downward.
- If the heater is installed in such a way that can be accidental contact with heating elements, a protective grill must be installed.
- Airflow through the heater must be not less than 1,5 m/s.
- Heaters can’t be installed in an explosive and aggressive atmosphere.
- Heaters can be used only for clean air heating.
- Heaters intended for an inside installation.
ELECTRICAL CONNECTION
- The electrical connection can be made only by qualified electrician, ac-cording to international and national installation standards.
- Power supply source must conform with data on heater label.
- Power supply cable must be selected corresponding to heater electrical data.
- Automatic circuit breaker must be selected corresponding to technical data table.
- Heater must be grounded.
- For heaters ECH NI, NV install duct temperature sensor and connect as in wiring diagram.
- For heaters NV install external setpoint device and connect as in wiring diagram.
- For heaters NIS connect external control signal 0-10V as in wiring diagram.
- Temperature sensors and setpoint devices are not included.
SERVICE
No special service is required for electrical heaters, only to check electrical connection not less than 1 time per year.
- No heating from heater
- Manual reset thermostat is cut off. Eliminate overheating cause, press „RESET“ button on heaters cover
- No power supply to heater – check all external electrical connec-tion components.
- Temperature sensor fault
- Check sensor resistance, it must be 10 kΩ at 25°C.
- External setpoint device fault
- Check device resistance. It must be 5kΩ.
- PCB fault
- Change PCB
- Heater gives full output, not by setpoint
- Temperature sensor fault. Check sensor resistance, it must be 10 kΩ at 25°C
- External setpoint device fault. Check device resistance. It must be 5kΩ
- Triac fault. Check triac conductance
- PCB fault. Change PCB
- Automatic circuit breaker switching off
- Check circuit breakers data, it must correspond to heaters electrical data.
- Check isolation of connection cables, wires, check is heater grounded.
- Check power supply source data, it must correspond to heaters electrical data.
- Protection thermostat cut off
- Low air flow speed through heater. Check filters, fans, ducts of system.
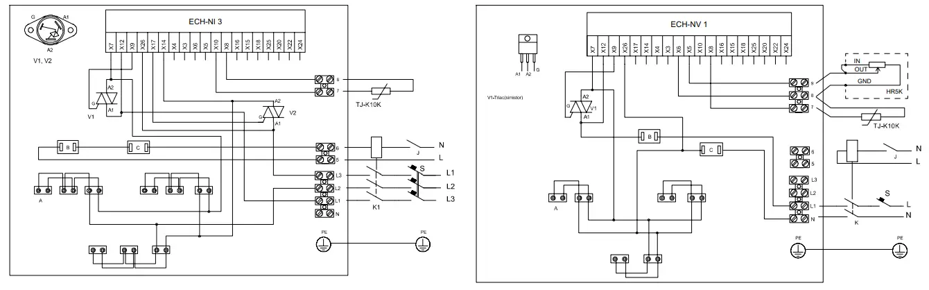
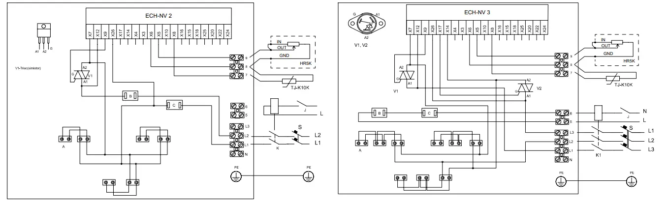
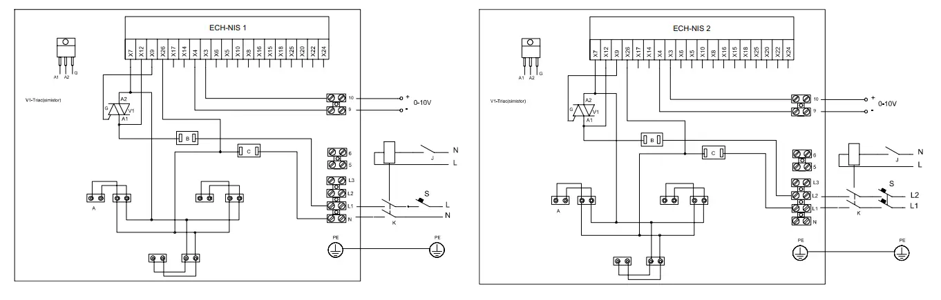
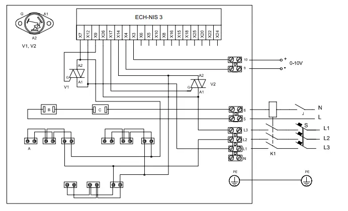
WIRING DIAGRAM
ELECTRICAL WIRING DIAGRAM MARKING
- A – Heating element
- B – Automatic reset overheating thermostat C – Manual reset overheating thermostat J – Switch
- K – Relay
- S – Automatic circuit breaker
- T – Thermostat
- V1, V2 – Triac (simistor)
- EKR-KN – PCB
- HR5K – External temperature setpoint TJK10K – Duct temperature sensor
1~230 Electrical connection ECH-NI
2~400 Electrical connection ECH-NI
3~400 Electrical connection ECH-NI
1~230 Electrical connection ECH-NV
2~400 Electrical connection ECH-NV
3~400 Electrical connection ECH-NV
1~230 Electrical connection ECH-NIS
2~400 Electrical connection ECH-NIS
3~400 Electrical connection ECH-NIS
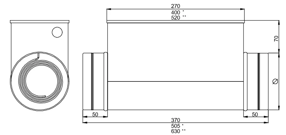
DIMENSIONS [mm]
Dimensions for 12/15 kW heaters
The producer reserves the right to change technical data.





















