VENTS Quietline 100 Duo Electric Fan User Manual
PLEASE READ THE USER’S MANUAL CAREFULLY PRIOR TO INSTALLING, CONNECTION TO POWER MAINS AND OPERATING THE UNIT.
THE MANUFACTURING COMPANY SHALL NOT BE RESPONSIBLE FOR DAMAGE TO HEALTH AND PROPERTY OF THE CUSTOMER CAUSED BY THE CUSTOMER’S VIOLATING THE USER’S MANUAL. FOLLOW THE USER’S MANUAL REQUIREMENTS TO ENSURE DURABLE OPERATION OF THE UNIT, ITS MECHANICAL AND ELECTRICAL RELIABILITY.
KEEP THIS USER’S MANUAL.
SAFETY REQUIREMENTS
All user’s manual requirements as well as the provisions of all the applicable local and national construction, electrical, and technical norms and standards must be observed when installing and operating the unit.
Disconnect the unit from the power supply prior to any connection, servicing, maintenance, and repair operations.
Only qualified electricians with a work permit for electrical units up to 1000 V are allowed for installation and maintenance. The present user’s manual should be carefully read before beginning works.
Check the unit for any visible damage of the impeller, the casing, and the grille before starting installation. The casing internals must be free of any foreign objects that can damage the impeller blades. While mounting the unit, avoid compression of the casing! Deformation of the casing may result in motor jam and excessive noise.
Misuse of the unit and any unauthorised modifications are not allowed.
Do not expose the device to adverse atmospheric agents (rain, sun, etc.).
Transported air must not contain any dust or other solid impurities, sticky substances, or fibrous materials.
Do not use the unit in a hazardous or explosive environment containing spirits, gasoline, insecticides, etc.
Do not close or block the intake or extract vents in order to ensure the efficient air flow.
Do not sit on the unit and do not put objects on it.
The information in this user’s manual was correct at the time of the document’s preparation.
The Company reserves the right to modify the technical characteristics, design, or configuration of its products at any time in order to incorporate the latest technological developments.
Never touch the unit with wet or damp hands.
Never touch the unit when barefoot.
This appliance is not intended for use by persons (including children) with reduced physical, sensory or mental capabilities, or lack of experience and knowledge, unless they have been given supervision or instruction concerning use of the appliance by a person responsible for their safety.
Children should be supervised to ensure that they do not play with the appliance.
Precautions must be taken to avoid the back-flow of gases into the room from the open flue of gas or other fuel-burning appliances.
The connection to the supply mains must be made through a means of disconnection, which is incorporated in the fixed wiring in accordance with the wiring rules, and has a contact separation in all poles that allows for full disconnection under over voltage category III conditions.
Ensure that the appliance is switched off from the supply mains before removing the guard.
WARNING: If unusual oscillating movements is observed, immediately stop using the appliance and contact the manufacturer, its service agent or suitably qualified persons.
The replacement of parts of the safety suspension system device shall be performed by the manufacturer, its service agent or suitably qualified persons.
If the supply cord is damaged, it must be replaced by the manufacturer, its service agent, or similarly qualified persons in order to avoid a safety hazard.
THE PRODUCT MUST BE DISPOSED SEPARATELY AT THE END OF ITS SERVICE LIFE. DO NOT DISPOSE THE UNIT AS UNSORTED DOMESTIC WASTE.
DELIVERY SET
- Fan — 1 pc.
- Screws and dowels — 4 pcs.
- Self-tapping screws for fixing the bar* — 2 pcs.
- Mounting bracket (for Quietline-k fans) — 1 pc.
- Plastic screwdriver (only for the models with a timer) — 1 pc.
- Wire fixing bar * — 1 pc.
- User’s manual — 1 pc.
- Packing box — 1 pc.
- * — except for models with a power cable
BRIEF DESCRIPTION
The product is an axial fan for exhaust or supply ventilation of small and medium-sized premises.
The fan is designed for connection to ø 100, 125 and 150 mm air ducts.
OPERATION GUIDELINES
The fan is rated for connection to single-phase AC power mains.
Power supply parameters are stated on the unit packaging and/or the label on the unit casing.
Ingress protection rating against access to hazardous parts and water ingress is IPX4.
WARNING! IP is shown for the mounted product
The fan is rated for operation at ambient temperatures ranging from +1 °C to +40 °C.
WARNING! Do not operate the fan outside the specified temperature range.
The unit is rated as a Class II (220-240 V, 50 Hz) or Class III (12 V/50 Hz) electrical appliance and requires no grounding.
DESIGNATION KEY

INSTALLATION
The fan is designed for vertical or horizontal installation into a round air duct of a matching diameter (Fig. 1-2).

Caution! In case of vertical mounting, the fan must be protected against ingress of rainfalls and condensate inside the fan.
Fan installation with direct air discharge upwards is not allowed (Fig. 3).
Use the mounting bracket to install the fan.
The mounting of the bracket to the fan is shown in Fig. 3.
The fan mounting sequence is shown in Fig. 4-11.







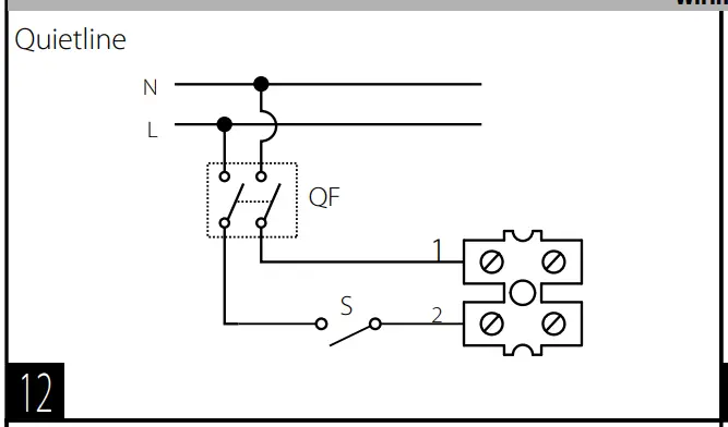
The fan wiring diagrams are shown in Fig. 12-15.



DO NOT USE A METAL SCREWDRIVER, KNIFE, ETC. FOR ADJUSTMENT OPERATIONS NOT TO DAMAGE THE CIRCUIT BOARD
ELECTRONICS OPERATION ALGORITHM
The Quiet line T fan starts to operate when an external switch, such as a light switch, trips, and when applying power to the LT terminal. After the external switch is turned off the fan keeps operating for a set time period, adjustable from 2 to 30 minutes, and then turns off.
The Quiet line T DUO/Quiet line T Extra fan has 4 operation modes. The choice of operating mode is carried out by setting the DIP switch to a certain position. Use the plastic screwdriver from the delivery set to set the DIP-switch to a required position.
Operation mode 1 (single-speed mode)
The fan is turned off by default.
When an external switch, such as a light switch, is triggered, the power supply voltage is applied to the LT terminal and the fan starts to run at second speed.
After the external switch is turned off the fan keeps operating for a set time period, adjustable from 2 to 30 minutes, and then turns off.
Operation mode 2 (single-speed mode)
The fan is turned off by default.
When an external switch, such as a light switch, is triggered, the power supply voltage is applied to the LT terminal and the fan starts to run at the first speed.
After the external switch is turned off the fan keeps operating for a set time period, adjustable from 2 to 30 minutes, and then turns off.
Operation mode 3 (two-speed mode)
When an external switch, such as a light switch, is triggered, the supply voltage is applied to the LT terminal and the fan switches to the second speed.
After the external switch is turned off the fan keeps operating at the second speed for a set time period, adjustable from 2 to 30 minutes, and then switches to the first speed.
Operation mode 4 (two-speed interval mode)
The fan switches to the second speed after a set period of time (from 1 to 15 hours) and runs at the second speed from 2 to 30 minutes, then returns to the first speed.
When an external switch, such as a light switch, is triggered, power is supplied to the LT terminal and the fan switches to the second speed.
After the switch is turned off the fan keeps operating at the second speed for a set time period, adjustable from 2 to 30 minutes, and then switches to the first speed.
WARNING! The operation mode 1 is set by default.
The operating mode may be changed during the fan mounting or operation.
FAN SETUP
Quiet line T fan (Fig. 16)
To adjust the fan turn-off delay time, turn the control knob Toff clockwise to increase and counterclockwise to decrease the turn-off delay time respectively, adjustable from 2 up to 30 minutes.
Quietline T DUO/Quietline 150 Extra T fan (Fig. 17)
Modes 1, 2 and 3.
To adjust the fan turn-on delay time or to switch the speed for the operation mode 3, turn the control knob Ton clockwise to increase and counter-clockwise to decrease the turn-on delay time respectively, adjustable from 0 up to 2 minutes.
To adjust the fan turn-off delay time or to switch the speed for the operation mode 3, turn the control knob Toff clockwise to increase and counter-clockwise to decrease the turn-off delay time respectively, adjustable from 2 up to 30 minutes.
Mode 4
To adjust the fan interval operation time, turn the control knob Tint clockwise to increase and counterclockwise to decrease the speed switching time respectively, adjustable from 1 up to 15 hours.
To adjust the operating time at the second speed and the delay time for switching to the first speed (after turning off the switch), turn the Toff&HS time potention meter knob clockwise to increase and counterclockwise to decrease, respectively (from 2 to 30 minutes).
Caution! The timer circuit is live! Disconnect the fan from power supply prior to any adjustment operations. The fan delivery set includes a specially designed plastic screwdriver for fan settings adjustments. Use it if you need to change the timer setting. Do not use a metal screwdriver, knife, etc. for adjustment operations not to damage the circuit board.
TECHNICAL MAINTENANCE
Disconnect the fan from power mains prior to any maintenance operations and take measures to prevent unintentional power up until maintenance is complete. The fan maintenance periodicity is at least once per 6 months, depending on the operating conditions. The technical maintenance includes cleaning the surfaces of the fan from dust, dirt, and also in checking the reliability of electrical connections (Fig. 18-21).



Follow the national safety regulations when carrying out maintenance
WARNING! Do not allow water or liquid come into contact with electric components!
TROUBLESHOOTING
| Problem | Possible reasons | Troubleshooting |
| When the unit is connected to power mains, the fan does not rotate and does not respond to any controls. | No power supply. | Make sure the power supply line is connected correctly, otherwise troubleshoot the connection error. |
| Internal connection fault. | Contact the Seller. | |
| Low air flow. | The ventilation system is clogged. | Clean the ventilation system. |
| Increased noise, vibration. | The impeller is clogged. | Clean the impeller. |
| The fan is not secured well or is not mounted properly. | Troubleshoot the installation error. | |
| The ventilation system is clogged. | Clean the ventilation system. |
STORAGE AND TRANSPORTATION REGULATIONS
- Store the unit in the manufacturer’s original packaging box in a dry closed ventilated premise with temperature range from +5 °C to + 40 °C and relative humidity up to 70 %.
- Storage environment must not contain aggressive vapors and chemical mixtures provoking corrosion, insulation, and sealing deformation.
- Use suitable hoist machinery for handling and storage operations to prevent possible damage to the unit.
- Follow the handling requirements applicable for the particular type of cargo.
- The unit can be carried in the original packaging by any mode of transport provided proper protection against precipitation and mechanical damage. The unit must be transported only in the working position.
- Avoid sharp blows, scratches, or rough handling during loading and unloading.
- Prior to the initial power-up after transportation at low temperatures, allow the unit to warm up at operating temperature for at least 3-4 hours.
MANUFACTURER’S WARRANTY
The product is in compliance with EU norms and standards on low voltage guidelines and electromagnetic compatibility. We hereby declare that the product complies with the provisions of Electromagnetic Compatibility (EMC) Directive 2014/30/ EU of the European Parliament and of the Council, Low Voltage Directive (LVD) 2014/35/EU of the European Parliament and of the Council and CE-marking Council Directive 93/68/EEC. This certificate is issued following test carried out on samples of the product referred to above
The manufacturer hereby warrants normal operation of the unit for 60 months after the retail sale date provided the user’s observance of the transportation, storage, installation, and operation regulations. Should any malfunctions occur in the course of the unit operation through the Manufacturer’s fault during the guaranteed period of operation, the user is entitled to get all the faults eliminated by the manufacturer by means of warranty repair at the factory free of charge. The warranty repair includes work specific to elimination of faults in the unit operation to ensure its intended use by the user within the guaranteed period of operation. The faults are eliminated by means of replacement or repair of the unit components or a specific part of such unit component.
The warranty repair does not include:
- routine technical maintenance
- unit installation/dismantling
- unit setup
To benefit from warranty repair, the user must provide the unit, the user’s manual with the purchase date stamp, and the payment paperwork certifying the purchase. The unit model must comply with the one stated in the user’s manual. Contact the Seller for warranty service.
The manufacturer’s warranty does not apply to the following cases:
- User’s failure to submit the unit with the entire delivery package as stated in the user’s manual including submission with missing component parts previously dismounted by the user.
- Mismatch of the unit model and the brand name with the information stated on the unit packaging and in the user’s manual.
- User’s failure to ensure timely technical maintenance of the unit.
- External damage to the unit casing (excluding external modifications as required for installation) and internal components caused by the user.
- Redesign or engineering changes to the unit.
- Replacement and use of any assemblies, parts and components not approved by the manufacturer.
- Unit misuse.
- Violation of the unit installation regulations by the user.
- Violation of the unit control regulations by the user.
- Unit connection to power mains with a voltage different from the one stated in the user’s manual.
- Unit breakdown due to voltage surges in power mains.
- Discretionary repair of the unit by the user.
- Unit repair by any persons without the manufacturer’s authorization.
- Expiration of the unit warranty period.
- Violation of the unit transportation regulations by the user.
- Violation of the unit storage regulations by the user.
- Wrongful actions against the unit committed by third parties.
- Unit breakdown due to circumstances of insuperable force (fire, flood, earthquake, war, hostilities of any kind,
blockades). - Missing seals if provided by the user’s manual.
- Failure to submit the user’s manual with the unit purchase date stamp.
- Missing payment paperwork certifying the unit purchase.
FOLLOWING THE REGULATIONS STIPULATED HEREIN WILL ENSURE A LONG AND TROUBLE-FREE OPERATION OF THE UNIT.
USER’S WARRANTY CLAIMS SHALL BE SUBJECT TO REVIEW ONLY UPON PRESENTATION OF THE UNIT, THE PAYMENT DOCUMENT AND THE USER’S MANUAL WITH THE PURCHASE DATE STAMP.
Quality Inspector’s Stamp
Manufacture Date
Sold by
(name and stamp of the seller)
Purchase Date
Certificate of acceptance




















