VENTS VKM EC Centrifugal Inline Fan

SAFETY REQUIREMENTS
All user’s manual requirements as well as the provisions of all the applicable local and national construction, electrical, and technical norms and standards must be observed when installing and operating the unit.
Disconnect the unit from the power supply prior to any connection, servicing, maintenance, and repair operations.
Only qualified electricians with a work permit for electrical units up to 1000 V are allowed for installation. The present user’s manual should be carefully read before beginning works.
Check the unit for any visible damage of the impeller, the casing, and the grille before starting installation. The casing internals must be free of any foreign objects that can damage the impeller blades.
While mounting the unit, avoid compression of the casing! Deformation of the casing may result in motor jam and excessive noise.
Misuse of the unit and any unauthorised modifications are not allowed.
Do not expose the unit to adverse atmospheric agents (rain, sun, etc.). Transported air must not contain any dust or other solid impurities, sticky substances, or fibrous materials.
Do not use the unit in a hazardous or explosive environment containing spirits, gasoline, insecticides, etc.
Do not close or block the intake or extract vents in order to ensure the efficient air flow.
Do not sit on the unit and do not put objects on it.
The information in this user’s manual was correct at the time of the document’s preparation.
The Company reserves the right to modify the technical characteristics, design, or configuration of its products at any time in order to incorporate the latest technological developments.
Never touch the unit with wet or damp hands.
Never touch the unit when barefoot.
This unit is not intended for use by persons (including children) with reduced physical, sensory or mental capabilities, or lack of experience and knowledge, unless they have been given supervision or instruction concerning use of the unit by a person responsible for their safety. Children should be supervised to ensure that they do not play with the unit. This appliance incorporates an earth connection for functional purposes.
Connection to the mains must be made through a disconnecting device, which is integrated into the fixed wiring system in accordance with the wiring rules for design of electrical units, and has a contact separation in all poles that allows for full disconnection under overvoltage category III conditions.
If the supply cord is damaged, it must be replaced by the manufacturer, its service agent, or similarly qualified persons in order to avoid a safety hazard.
CAUTION: In order to avoid a safety hazard due to inadvertent resetting of the thermal cutout, this unit must not be supplied through an external switching device, such as a timer, or connected to a circuit that is regularly switched on and off by the utility.
Ensure that the unit is switched off from the supply mains before removing the guard. WARNING: If there are any unusual oscillating movements, immediately stop using the unit and contact the manufacturer, its service agent or suitably qualified persons. The replacement of parts of the safety suspension system device shall be performed by the manufacturer, its service agent or suitably qualified persons.
Precautions must be taken to avoid the back-flow of gases into the room from the open flue of gas or other fuel-burning appliances.
![]() | THE PRODUCT MUST BE DISPOSED SEPARATELY AT THE END OF ITS SERVICE LIFE. DO NOT DISPOSE THE UNIT AS UNSORTED DOMESTIC WASTE. |
PURPOSE
The product described herein is a centrifugal inline fan for ventilation of small and medium domestic premises. The unit is rated for continuous operation.
![]() | THE UNIT CAN BE USED IN KITCHEN SPACES ONLY IF THERE IS A GREASE FILTER. INSTALL A KITCHEN HOOD WITH A GREASE FILTER IF AIR IS EXTRACTED FROM THE COOKING SURFACE |
Transported air must not contain any flammable or explosive mixtures, evaporation of chemicals, sticky substances, fibrous materials, coarse dust, soot and oil particles or environments favourable for the formation of hazardous substances (toxic substances, dust, pathogenic germs).
DELIVERY SET
| NAME | QUANTITY |
| Fan | 1 pc. |
| Fixing bracket | 2 pcs. |
| User’s manua | 1 pc |
| Packing box | 1 pc |
DESIGNATION KEY

TECHNICAL DATA
| VKM100 EC | VKM 125 EC | VKM 150 EC | VKM 160 EC | VKM 200 EC | VKMS 200 EC | VKM 250 EC Q | VKM 250 EC | VKM 315 EC | VKMS 315 EC | VKM 355 EC | VKM 400 EC | |
| Power supply voltage, 50 (60) Hz [V] | 1~230 | |||||||||||
| Max. power consumption [W] | 90 | 83 | 107 | 108 | 83 | 100 | 100 | 164 | 164 | 183 | 693 | 704 |
| Current consumption [A] | 0,70 | 0,58 | 0,89 | 0,90 | 0,63 | 0,74 | 0,74 | 1,15 | 1,15 | 1,44 | 3,07 | 3,13 |
| Air capacity [m3/h] | 345 | 480 | 700 | 785 | 845 | 1010 | 985 | 1230 | 1370 | 1820 | 3450 | 4790 |
| RPM [min-1] | 3600 | 3400 | 3060 | 3030 | 2500 | 2400 | 2500 | 2900 | 2900 | 2780 | 2768 | 2206 |
| Noise level, 3 m [dBA] | 44 | 45 | 48 | 48 | 47 | 48 | 44 | 46 | 48 | 49 | 62 | 67 |
| Transported air temperature [˚C] | -25…+60 | |||||||||||
| SEC class | B | – | – | – | – | – | ||||||

| D | D1 | D2 | H | B | B1 | L | L1 | L2 | L3 | |
| VKM100 EC | 98 | 255 | 6 | 340 | 310 | 270 | 203 | 20 | 25 | 30 |
| VKM 125 EC | 123 | 255 | 6 | 340 | 310 | 270 | 203 | 20 | 25 | 30 |
| VKM 150 EC | 149 | 305 | 6 | 365 | 360 | 320 | 220 | 25 | 25 | 30 |
| VKM 160 EC | 159 | 305 | 6 | 365 | 360 | 320 | 220 | 25 | 25 | 30 |
| VKM 200 EC | 198 | 345 | 6 | 435 | 395 | 355 | 245 | 25 | 30 | 40 |
| VKMS 200 EC | 198 | 345 | 6 | 435 | 395 | 355 | 255 | 25 | 30 | 40 |
| VKM 250 EC (Q) | 248 | 345 | 6 | 435 | 395 | 355 | 250 | 25 | 30 | 40 |
| VKM 315 EC | 314 | 405 | 6 | 465 | 455 | 415 | 260 | 30 | 30 | 40 |

| D | D1 | D2 | B | B1 | L | L1 | L2 | L3 | |
| VKMS 315 EC | 313 | 409 | 9 | 502 | 472 | 462 | 60 | 60 | 50 |
| VKM 355 EC | 353 | 459 | 9 | 552 | 522 | 562 | 60 | 60 | 70 |
| VKM 400 EC | 398 | 568 | 9 | 663 | 633 | 599 | 60 | 60 | 70 |
INSTALLATION AND SET-UP
![]() | BEFORE MOUNTING MAKE SURE THE CASING DOES NOT CONTAIN ANY FOREIGN OBJECTS (E.G. FOIL, PAPER). |
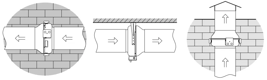
The air motion in the system must be as shown with the pointer of the fan casing.
In case of the vertical installation the intake spigot must be protected with a ventilation hood.
To attain the best performance of the fan and to minimise turbulence-induced air pressure losses while mounting, connect straight air duct sections to the fan
spigots on both sides of the fan.
Minimum straight air duct length:
- equal to 1 air duct diameter on intake side
- equal to 3 air duct diameters on outlet side

If the air ducts are too short or not connected at any spigot, protect the fan inner parts from ingress of foreign objects by installing a protecting grille or other protecting device with mesh width not more than 12.5 mm to prevent uncontrollable access to the fans.
While installing the fan ensure convenient access for subsequent maintenance and repair. The unit must be mounted on a an even wall.
INSTALLATION STEPS

Disconnect the fan from power supply

Install the fixing brackets

Lean the fan against the installation place and mark the fastening holes

Drill the holes and insert the expansion anchors

Fix the fan

Connect air ducts
CONNECTION TO POWER MAINS
![]() | THE UNIT MUST BE MOUNTED BY A QUALIFIED EXPERT ONLY, PROPERLY TRAINED AND HAVING THE REQUIRED TOOLS AND MATERIALS. |
The unit is rated for connection to single-phase ac 230 V/ 50 (60) Hz power mains. For electric installations use insulated durable heatresistant conductors (cables, wires) with the minimum wire cross section 0.75 mm2. The conductor cross section value must be selected depending on the wire type, maximum permissible heating temperature, insulation, length and installation method.
Connect the fan to power mains via an external automatic circuit breaker installed at the power input and integrated in the house cabling to open the circuit in case of short circuit or overload.
The circuit breaker location must provide quick access for emergency shutdown of the fan.
The fan is connected to the terminal box attached to the fan casing in compliance with the wiring diagram and designation of terminals.
The terminal designation is shown on the sticker attached to the internal wall of the terminal block.
ACCESS TO THE TERMINAL BOX

Disconnect the fan from power supply

Unscrew the 4 screws that fix the terminal box lid

Route the cables through the cable gland and complete electric connection

Reinstall the terminal box lid
The fan can be equipped with a power cord with an IEC C14 connector. The fan is rated for continuous operation.
Electronics operation algorithm
The Un/U1n/U2n fan is equipped with an electronic module TSC (speed controller with an electronic thermostat) for automatic speed control (air flow) depending on the air temperature.
The terminal compartment incorporates 2 control knobs:
- presetting speed
- setting electric thermostat threshold value
The fan is equipped with two indicators:
- temperature sensor indicator (hereinafter referred to as TSI) – yellow colour
- motor control indicator (hereinafter referred to as MCI) – green/red colour
When the fan turns on, the TSI indicates the unit operation algorithm:
- one pulse Un
- two pulses U1n
- three pulses U2n
The MCI lights up in green when the motor rotates and in red when it stops (or rotates very slowly).
To set the thermostat threshold, rotate the thermostat control knob clockwise to increase or counter-clockwise to decrease the temperature set point.
To set the fan speed (air flow), rotate the speed control knob in the same way. UN: In this case, fan speed switching operations are rare.
The TSI lights up and the fan switches to the maximum speed as the room air temperature exceeds the set point.
As the air temperature drops 2 °C below the set point or if the initial temperature is below the set point, the TSI goes out and the fan operates with the set speed.
U1N: The speed switching operations are more frequent as compared to the temperature-based functioning logic (U), but one speed interval continues at least 5 minutes.
The TSI lights up and the fan switches to the maximum speed as the room air temperature exceeds the set point.
As the air temperature drops down below the set point, the TSI starts blinking, the timer starts a 5-minute countdown and then the fan switches to the set lower speed and the TSI goes out.
U2N: The fan starts only at a certain air temperature.
The TSI lights up and the fan switches to the set speed as the room air temperature exceeds the set point.
As the air temperature drops 2 °C below the set point or if the initial temperature is below the set point, the TSI goes out and the fan turns off.
![]() | ANY TAMPERING WITH THE INTERNAL CONNECTIONS IS PROHIBITED AND WILL VOID THE WARRANTY. |
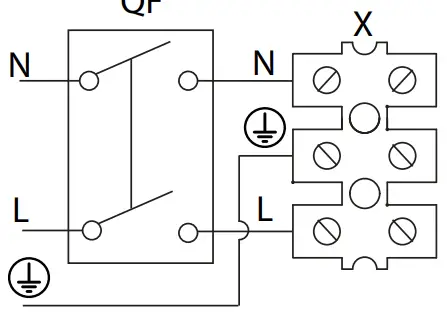
EXTERNAL WIRING DIAGRAMS
Diagram 1. Connect the fan to power mains
Diagram 2. Connect the fan to power mains with an external switch
DESIGNATIONS ON DIAGRAMS:
L — line; N — neutral; QF — circuit breaker; S — external switch; X — input terminal.
MAINTENANCE
![]() | CUT OFF POWER SUPPLY BEFORE ANY OPERATIONS ARE PERFORMED. |
Technical maintenance means regular cleaning of the unit surfaces of dust. Use a soft brush or compressed air to remove dust. Clean the impeller blades at least every 6 months.
Installation of an air filter prolongs the interval between the cleaning, to perform the cleaning first remove the screws and the fan cover.
Wipe the impeller blades with a cloth wetted in a mild detergent solution. Avoid water dripping on the electric motor!
After cleaning of the impeller install the cover and tighten the screws.
TECHNICAL MAINTENANCE STEPS

STORAGE AND TRANSPORTATION REGULATIONS
- Store the unit in the manufacturer’s original packaging box in a dry closed ventilated premise with temperature range from +5 ° to +40 ° and relative humidity up to 70 %.
- Storage environment must not contain aggressive vapors and chemical mixtures provoking corrosion, insulation, and sealing deformation.
- Use suitable hoist machinery for handling and storage operations to prevent possible damage to the unit.
- Follow the handling requirements applicable for the particular type of cargo.
- The unit can be carried in the original packaging by any mode of transport provided proper protection against precipitation and mechanical damage. The unit must be transported only in the working position.
- Avoid sharp blows, scratches, or rough handling during loading and unloading.
- Prior to the initial power-up after transportation at low temperatures, allow the unit to warm up at operating temperature for at
least 3-4 hours.
MANUFACTURER’S WARRANTY
The product is in compliance with EU norms and standards on low voltage guidelines and electromagnetic compatibility. We hereby declare that the product complies with the provisions of Electromagnetic Compatibility (EMC) Directive 2014/30/EU of the European Parliament and of the Council, Low Voltage Directive (LVD) 2014/35/EU of the European Parliament and of the Council and CE-marking Council Directive 93/68/EEC. This certificate is issued following test carried out on samples of the product referred to above.
The manufacturer hereby warrants normal operation of the unit for 24 months after the retail sale date provided the user’s observance of the transportation, storage, installation, and operation regulations. Should any malfunctions occur in the course of the unit operation through the Manufacturer’s fault during the guaranteed period of operation, the user is entitled to get all the faults eliminated by the manufacturer by means of warranty repair at the factory free of charge. The warranty repair includes work specific to elimination of faults in the unit operation to ensure its intended use by the user within the guaranteed period of operation. The faults are eliminated by means of replacement or repair of the unit components or a specific part of such unit component.
The warranty repair does not include:
- routine technical maintenance
- unit installation/dismantling
- unit setup
To benefit from warranty repair, the user must provide the unit, the user’s manual with the purchase date stamp, and the payment paperwork certifying the purchase. The unit model must comply with the one stated in the user’s manual. Contact the Seller for warranty service.
The manufacturer’s warranty does not apply to the following cases:
- User’s failure to submit the unit with the entire delivery package as stated in the user’s manual including submission with missing component parts previously dismounted by the user.
- Mismatch of the unit model and the brand name with the information stated on the unit packaging and in the user’s manual.
- User’s failure to ensure timely technical maintenance of the unit.
- External damage to the unit casing (excluding external modifications as required for installation) and internal components caused by the user.
- Redesign or engineering changes to the unit.
- Replacement and use of any assemblies, parts and components not approved by the manufacturer.
- Unit misuse.
- Violation of the unit installation regulations by the user.
- Violation of the unit control regulations by the user.
- Unit connection to power mains with a voltage different from the one stated in the user’s manual.
- Unit breakdown due to voltage surges in power mains.
- Discretionary repair of the unit by the user.
- Unit repair by any persons without the manufacturer’s authorization.
- Expiration of the unit warranty period.
- Violation of the unit transportation regulations by the user.
- Violation of the unit storage regulations by the user.
- Wrongful actions against the unit committed by third parties.
- Unit breakdown due to circumstances of insuperable force (fire, flood, earthquake, war, hostilities of any kind, blockades).
- Missing seals if provided by the user’s manual.
- Failure to submit the user’s manual with the unit purchase date stamp.
- Missing payment paperwork certifying the unit purchase.
![]() | FOLLOWING THE REGULATIONS STIPULATED HEREIN WILL ENSURE A LONG AND TROUBLE-FREE OPERATION OF THE UNIT. |
![]() | USER’S WARRANTY CLAIMS SHALL BE SUBJECT TO REVIEW ONLY UPON PRESENTATION OF THE UNIT, THE PAYMENT DOCUMENT AND THE USER’S MANUAL WITH THE PURCHASE DATE STAMP. |
CERTIFICATE OF ACCEPTANCE
| Unit Type | Electric axial fans |
| Model | |
| Serial Number | |
| Manufacture Date | |
| Quality Inspector’s Stamp |
SELLER INFORMATION
| Seller | ![]() | |
| Address | ||
| Phone Number | ||
| Purchase Date | ||
| This is to certify acceptance of the complete unit delivery with the user’s manual. The warranty terms are acknowledged and accepted. | ||
| Customer’s Signature | ||
INSTALLATION CERTIFICATE
| The unit is installed pursuant to the requirements stated in the present user’s manual. | ![]() | ||
| Company name | |||
| Address | |||
| Phone Number | |||
| Installation Technician’s Full Name | |||
| Installation Date: | Signature: | ||
| The unit has been installed in accordance with the provisions of all the applicable local and national construction, electrical and technical codes and standards. The unit operates normally as intended by the manufacturer. | |||
| Signature: | |||
WARRANTY CARD
| Unit Type | Electric axial fans | ![]() |
| Model | ||
| Serial Number | ||
| Manufacture Date | ||
| Purchase Date | ||
| Warranty Period | ||
| Seller |




























