VENTS VK Series In-Line Centrifugal Type Fans

READ AND SAVE THESE INSTRUCTIONS
WARNING!
READ THE INSTRUCTIONS CAREFULLY TO REDUCE THE RISK OF FIRE, ELECTRIC SHOCK OR INJURY
- Use this unit only in the manner intended by the manufacturer. If you have questions, please contact the manufacturer.
- Before servicing or cleaning the unit, switch off the power at the service panel and lock it to prevent accidental switching. If the switch is not equipped with a safety locking device, attach a prominent warning tag to the service panel.
- Installation work and electrical wiring must be performed by qualified personnel in accordance with all applicable codes and standards including fire-rated construction codes and standards.
- Sufficient air is needed for proper combustion and exhaust of gases through the flue (chimney) of fuel-burning equipment to prevent back-drafting. Follow the heating equipment manufacturer’s guidelines and safety standards such as those published by the National Fire Protection Association (NFPA), and the American Society for Heating, Refrigeration and Air Conditioning Engineers (ASHRAE), and the local code authorities.
- While cutting or drilling into wall or ceiling make sure not to damage electrical wiring and other hidden utilities.
- Fans with exhaust ducts must always be vented to the outdoors.
- This unit may have sharp edges. Use caution to avoid being cut when installing and cleaning.
- This unit must be grounded.
CAUTION!
- For general ventilating use only. For use in non-fire-rated installations only. Do not use for propelling hazardous or explosive materials and vapors.
- For interior use only. Mount with the lowest moving parts at least 8 feet (2.5 meters) above the floor or grade level.
- To avoid motor damage and noisy and/or unbalanced impeller, keep power unit clean from drywall spray, construction duct, etc
- Before installing the unit check for any visible damage of the impeller and housing. The housing internals must be free of parts that can damage the impeller blades.
- Please read the specification label on the product for further information and requirements.
- Not for installation by children or any person unable to follow these safety guidelines.
- Connect via a switch built into the fixed wiring. The gap between the breaker contacts on all poles must be not less than 1/8”.
- To ensure optimal air passage do not close or block the unit inlets and outlets. Do not sit or put objects on the unit.
- Store the fan in the manufacturer’s packaging in a ventilated room at temperatures between 41 and 104 F and with relative humidity not more than 80%.
Centrifugal fans are designed for intake or exhaust ventilation of facilities that are heated in wintertime. The fans are made of white plastic.
Each set contains:
- Fan (1 piece);
- Fan bracket (2 pieces);
- Screw with dowels (4 pieces);
- User’s manual;
- Packing box
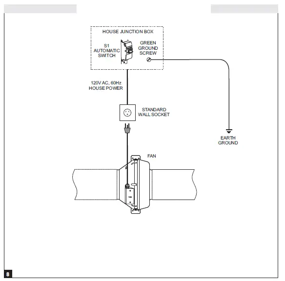
Fans are compatible with 3 15/16” (100 mm), 4 15/16” (125 mm), 5 7/8” (150 mm), 7 7/8” (200 mm), 9 13/16” (250 mm), 12 3/8” (315 mm) diameter ducts. Fans of 5 7/8” (150 mm) diameter are compatible with of 5 7/8” (150 mm) or 6 5/16” (160 mm) diameter ducts. “S” models are equipped with a higher-power motor. Fans may be mounted in ventilation shafts both vertically and horizontally (fig. 1). An air duct at least 40” (1 meter) ong should be connected to an inlet flange in case of horizontal fan mounting; a canopy should be installed on an inlet flange in case of vertical mounting. The outlet flange should always be connected to an air duct. The process of fan mounting is shown on fig. 2-7. Air flow direction should match the direction of the arrow on the fan case. The fan connection diagram is shown on fig. 2. Input: single-phase, 120V AC 60Hz. The fans are designed for continuous operation always connected to the electric mains.
The propelled air must not contain any dust or other solid impurities, sticky substances or fibrous materials. The fans are IPX4 compliant in terms of protection against access to hazardous parts and protection from splashed water. Fan types VK 100, VK 125, VK 150 are allowed for use in premises with surrounding air temperature ranging from +32°F to +149°F, fan types VK 200 and VKS 200 – with surrounding air temperature up to +131°F, fan type VK 250 – with surrounding air temperature up to +122°F, fan types VK 315 and VKS 315 – with surrounding air temperature up to +113°F. Due to the constant improvements the construction of some models may slightly differ from those described in this manual. Proper maintenance (fig. 9-16) includes periodic cleaning of the fan surfaces from dirt and dust. Make sure to disconnect the fan from the mains prior to any cleaning. The impeller blades require thorough cleaning every 6 months. Remove the self-tapping screws (fig. 11) and disconnect the grill from the casing. Wipe the fan blades with a soft cloth soaked in a mild detergent avoiding dripping on the electric motor.
FANS WITH ELECTRONIC TSC MODULE
(Temperature and speed control controller) VK U fans enable automatic impeller speed (air flow) control depending on the air temperature in the duct. The “n” index models are equipped with a remote temperature sensor ona4m extension cable.
The front panel has the following controls:
- Pre-set impeller speed;
- Electronic thermostat operating threshold;
- The front panel also has two indicators for thermostat activation and fan connection to the power mains. Regulator Operation Algorithm
- Set the thermostat temperature (threshold) by turning the thermostat regulator dial.
- The subsequent fan operation depends on the chosen operating mode.
VK U Operating Mode
Set the minimum air flow required using the speed dial (i.e. impeller speed under temperatures below the thermostat operating threshold). On reaching the pre-set air temperature the motor will switch to a higher (maximum) speed. The fan will switch down as soon as the duct temperature drops 2° below the pre-set thermostat operating threshold. This prevents frequent fan speed changing triggered by crossing the temperature threshold. The above algorithm is used to precisely maintain the desired temperature.
VK U1 Operating Mode
Set the minimum air flow required using the speed dia (I.e. impeller speed under temperatures below the thermostat operating threshold). On reaching the pre-set air temperature the motor will switch to a higher (maximum) speed and the delay timer will start the 5-minute countdown. The motor reverts to the previous (low) speed not earlier than 5 minutes after provided the duct air temperature is lower than the thermostat preset. The minimum switching cycle in this mode is 5 minutes.
VK U2 Operating Mode
Set the desired fan speed by turning the speed dial. The fan stops as soon as the duct air temperature reaches the pre-set thermostat operating threshold. On exceeding the pre-set temperature the fan will switch to the pre-defined speed until the duct temperature drops 2° below the thermostat threshold.
Typical installation
Installation of the fan
Connection of the fan and standard wall socket

Fan cleaning

WARRANTY
Production meets standard operating requirements in the territory of the USA and Canada. Manufacturer guarantees normal operation of the unit during 60 months from the date of retail sale provided compliance with transport, storage, mounting and operation regulations. If the sale date is absent, the warranty period is calculated from the manufacturing date. In case of failure due to faulty equipment during the warranty period the consumer has the right to exchange it. The unit can be exchanged at the following address: Bodor Vents, LLC 11013 Kenwood Road Cincinnati, Ohio 45242
- Phone: (513)348-3853
- e-mail: [email protected]
- The manufacturer shall not be responsible for any damages resulting from misuse of the unit or gross mechanical alteration.
- The unit owner must follow the guidelines contained herein.





















