HYTRONIK HCD405-BT Microwave Motion Sensor

Technical Specifications
| Operation frequency | 2.4 GHz – 2.483 GHz |
| Transmission power | 4 dBm |
| Range (Typical indoor) | 10~30m |
| Protocol | 5.0 SIG Mesh |
| Operating voltage | 220~240VAC 50/60Hz |
| Stand-by power | <1W |
| Load ratings | 30mA (max.15 devices) |
| Warming-up | 20s |
| Sensor principle | High Frequency (microwave) |
| Detection range (Max.)* | Max installation height: 6m Max detection range:10m (diameter) |
| Detection angle | 30°~150° |
| Operation temperature | Ta:-20OC~+55OC |
| Case temperature(MAX.) | Tc:+75° |
| IP rating | IP20 |
| EMC standard (EMC) | EN55015, EN61000-3-2/-3-3, EN61547 |
| Safety standard (LVD) | EN61347-1/-2-11 |
| RED | EN300328, EN301489-1/-17, EN300440,EN301489-3 |
| Certification | CE ,RED, RCM, UKCA |
Download the App
Free App for set-up and commissioning
Bluetooth 5.0 SIG mesh

Smartphone app for both iOS & Android platform

Koolmesh Pro app for iPad

Web app/platform: www.iot.koolmesh.com
Installation
Mechanical Structure & Dimensions


Wire Preparation

To make or release the wire from the terminal,use a screwdriver to push down the button.
- 200 metres (total) max. for 1mm² CSA(Ta = 50℃)
- 300 metres (total) max. for 1.5mm² CSA(Ta = 50℃)
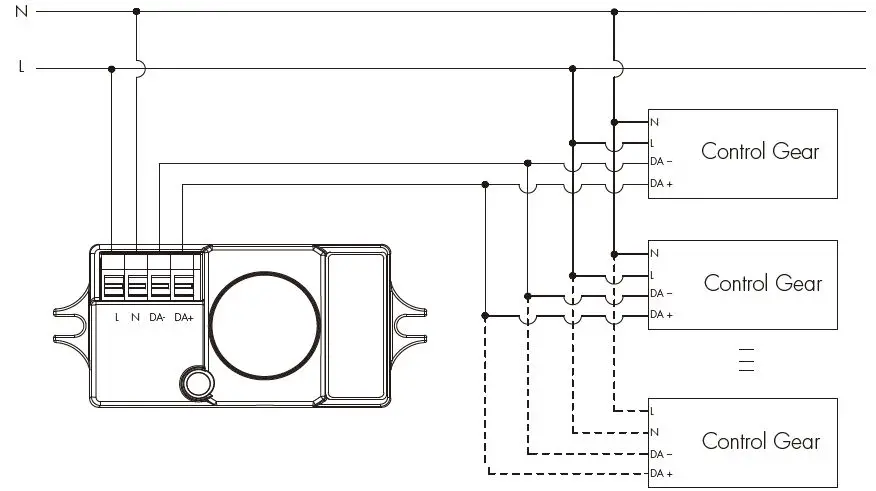
Wiring Diagram

Detection Pattern

Additional Information / Documents
- For full explanation of Hytronik Photocell AdvanceTM technology, please kindly refer to www.hytronik.com/download ->knowledge ->Introduction of Photocell Advance
- To learn more about detailed product features/functions, please refer to www.hytronik.com/download ->knowledge ->Introduction of App Scenes and Product Functions
- Regarding precautions for Bluetooth product installation and operation, please kindly refer to www.hytronik.com/download ->knowledge ->Bluetooth Products – Precautions for Product Installation and Operation
- Regarding precautions for microwave sensor installation and operation, please kindly refer to www.hytronik.com/download ->knowledge ->Microwave Sensors – Precautions for Product Installation and Operation
- Data sheet is subject to change without notice. Please always refer to the most recent release on www.hytronik.com/products/bluetooth technology ->Bluetooth Sensors
- Regarding Hytronik standard guarantee policy, please refer to www.hytronik.com/download ->knowledge ->Hytronik Standard Guarantee Policy
WWW.HYTRONIK.COM
Subject to change without notice.


















