HYTRONIK HMW38-RF High Bay RF Wireless Microwave Motion Sensor Instruction Manual
Installation
Warnings:
- Installation must be carried out by a qualified engineer in accordance with local regulations.
- Disconnect power supply before installing.
- Install to a solid surface – vibrations may cause mis-triggering.
- Ensure environmental conditions are suitable for electronic equipment
Ceiling mount

Screw to the Luminaire by conduit

Attach to the shade by clamp

HC034RF (RF receiver)

Rotary Switch for RF grouping

15 channels are available for fast grouping via rotary switch on both HMW38/RF and HC034RF.
By simply selecting the same channel on each unit, the grouping is automatically completed.
Noted:channel “0” is not for fast grouping, and sensors can only be grouped by remote control.
Functions
Tri-level Control (Corridor Function)
Hytronik builds this function inside the motion sensor to achieve tri-level control, for some areas it requires a light change notice before switch-off.
It offers 3 levels of light: 100%–>dimmed light–>off; and 2 periods of selectable waiting time: motion hold-time and stand-by period; Selectable daylight threshold and freedom of detection area.
Lux Off Function
The built-in daylight sensor can read ambient natural light and switch off the fixture automatically whenever artificial light is not required (natural light lux level exceeds daylight threshold).
Note: if the stand-by time is preset at “+∞”, the fixture never switches off even when natural light is sufficient.
Load Indication
The light will flash ONCE rapidly after receiving the command from the remote controller.
Note: There is no load indication (the light will not flash) when button ON/OFF, POWER 100% or POWER 80% is pressed.
RF grouping

Short press “Learn/Erase” button on RC to the receiver to activate pairing mode, and the receiver unit will beep once every second for 3min.
Note: up to 30 units can be paired.
Short press “Transmit” button on RC to the commander, the red indicator on commander unit will flash for 3 times to send the transmission signal.
Upon receiving the transmission signal, the indicator on receiver unit will flash quickly then slowly to indicate the success of pairing. One more short press on “Learn/Erase” button to the receiver unit to complete the pairing process, the receiver unit will quit the pairing mode.
Erase:
Long press “Learn/Erase” button for 3s to the sensor unit, the indicator rapidly flashes 12 times, all commands that it has received before will be erased.
Detection Pattern

For single person walking across, the detection range is reduced by 1/3.
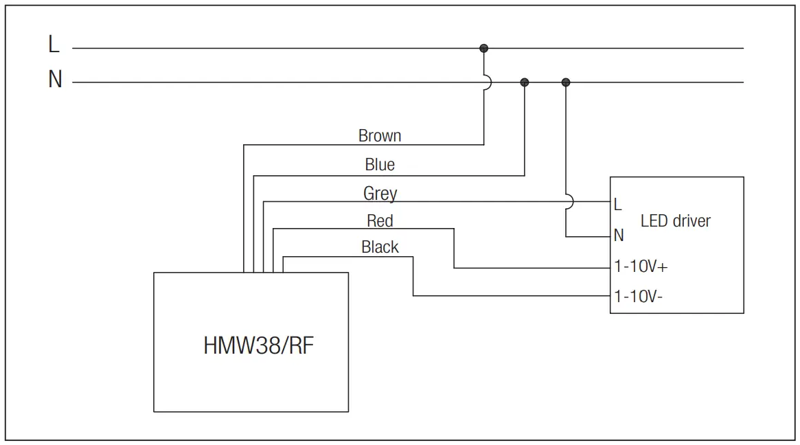
Wiring Diagram



Technical Specifications
HMW38/RF
| Product type | RF wireless microwave motion sensor (tri-level control) |
| Operating voltage | 220~240VAC 50/60Hz |
| Rated load | 1000W (resistive); 800VA (capacitive) |
| Power consumption | < 1.5W |
| Detection angle | 360o |
| Detection area (Max.)* | Installation Height : 20m (forklift) 15m (person) Detection Range (Ø) :20m |
| Detection range | 10% / 50% / 75% / 100% |
| Hold time | 2s / 30s / 1min / 5min / 10min / 15min / 20min / 30min |
| Stand-by time | 0s / 10s / 1min / 5min / 10min / 30min / 1h / + |
| Stand-by dimming level | 10% / 20% / 30% / 50% |
| Daylight threshold | 2 ~ 500Lux, Disable |
| RF transmission distance | 30 meters in the open are |
| RF frequency | 868MHz (FSK mode) |
| Warming up time | 20s |
| Operating temperature | -20o C ~ +50o C |
| IP rating | IP65 |
HC034RF
| Product type | RF wireless receiver |
| Operating voltage | 220-240V 50Hz |
| Rated load | Capacitive:400W; Resistive:1200W |
| IP rating | IP20 |
Permanent ON/OFF [ 1 ]
Press button ,to select permanent ON or permanent OFF mode.
Press button / to resume automatic operation.
The mode will change to AUTO Mode after power failure.
RESET[ button 2 ]
Press button , all settings go back to the default setting:
HMW38RF:Detection range:100%, hold time:1min, stand-by time:5min,stand-by dimming level:20%, daylight sensor:lux disable, RX 100% 2
HC034RF: Detection range:100%, hold time:10min,
stand-by time:30min,stand-by dimming level:20%, daylight sensor:lux disable, RX 100%
Shift [ button ]
Press button , the LED on the top left corner will flash to indicate mode selection.
All values / settings in RED are valid for 20 seconds.
Auto Mode [ button ]
Press button to initiate automatic mode. The sensor starts working and all settings remain as before the light was switched ON/OFF.
Note: the function of semi-auto is disabled.
Power output [ button ]
Press button , the light output shifts between 80% and 100%.
Note: the function of “Sensor off” and “Twilight” are disabled.
Brightness +/- [ button ]
Press button to adjust the light brightness between 10%~100% .
Scene prog. [ zone ] (One-key-commissioning)
- Press button “start” to program.
- Select the buttons in “Detection range”, / “Daylight hreshold”, “Hold time”, “Stand-by time”, “Stand-by dimming level” to set all parameters.
- Press button “Memory” to save all the settings programmed in the remote control.
- Press button “Apply” to set the settings to each sensor unit(s). For example, to pre-set detection range 100%, daylight threshold Disable, hold time 5min, stand-by time +∞, stand-by dimming level 30%, steps should be:
Press button Start, button 100%, Disable, Shift, 5min, Shift, +∞, 30%, Memory. By pointing to the sensor unit(s) and pressing Apply, all settings are passed on the sensor(s).
Detection range [ zone ]
Press buttons in zone to set detection range at 100% / 75% / 50% / 10%.
Note: Disabled for HC034RF.
Daylight threshold [ zone ]
Press buttons in zone to set the daylight sensor at 2Lux / 10Lux / 50Lux / 100Lux / 300Lux / 500Lux or Disable.
Note:
- To set daylight sensor at 100Lux / 300 Lux / 500Lux, press button Shift at first.
- Disabled for HC034RF.
Ambient daylight threshold [ button ]
- Press button Shift, the red LED is on for indication.
- Press button , the ambient lux level is sampled and set as the new daylight threshold.
Hold time [ zone ]
Press buttons in zone to set the hold time at 2s / 30s / 1min / 5min / 10min / 15min / 20min / 30min.
Note:
- To set hold-time at 30s / 5min / 15min / 30min, press button Shift at first.
- 2s is for testing purpose only, stand-by period and daylight sensor settings are disabled in this mode.
To exit from Test mode, press button or any button in zone .
Stand-by time [ zone ]
Press buttons in zone to set the stand-by period at 0s / 10s / 1min / 5min / 10min / 30min / 1h / +∞.
Note: “0s” means on/off control; “+∞” means bi-level control, 100% on when motion detected, and remains at the stand-by dimming level when no presence is detected after hold-time.
Stand-by dimming level [ zone ]
Press buttons in zone to set the stand-by dimming level at 10% / 20% / 30% / 50%.
Note.the function of 24h / 12h / 4h / 30s are disabled.
Dual tech & RF mode [ zone ]
- HF, PIR, HF+PIR, HF/PIR are disabled.
- Short press button “Learn/Erase” to activate pairing mode on all receiver (slave) units to be paired.
Note:up to 30 units can be paired. - Short press button “Transmit” at the commander unit(master), the LED will flash for 3 times to indicate that the transmission signal has been sent. The receiver units will rapidly beep 3 times in 1s to indicate the success of pairing.
- Long press “Learn/Erase” button for 3s, and the receiver unit clears all commands it has received before.
- Press button RX100%, the light on receiver unit is 100% on upon receiving RF on signal; Press “RX STBY%” button, the light(s) goes to presset stand-by dimming level directly.
Troubleshooting
| MALFUNCTION CAUSE REMEDY | CAUSE | REMEDY |
| The fixture does not light up | Incorrect daylight threshold setting | Adjust daylight threshold setting |
| Faulty fixture | Replace fixture | |
| No power supply | Check power to sensor | |
| Detection zone not targeted | Check detection area setting | |
| The fixture is always on | Continous movement in the detection zone | Check detection area setting |
| The fixture is on when it should not | Sudden change in temperature due to weather (wind, rain, snow) or air expelled from fans, open windows | Adjust zone, change installation site |
Support
Hytronik Industrial Ltd. |
www.hytronik.com
3rd Floor, block C, complex building, 155#, Bai’gang road south, Bai’gang village, Xiao Jin Kou town, Huicheng district, Huizhou 516023
Tel: 86-752-2772020
Fax: 86-752-2777877
















