Dwyer P-685 Series 685 Differential Pressure Transmitter

INSTALLATION
The Series 685 Differential Pressure Transmitter is used to measure differential pressure and vacuum. The adjustable pressure range and output signal make it the ideal choice for installers and maintenance professionals. It has a user-configurable response time via a jumper and can be mounted in any orientation. Applications include building automation systems, clean room monitoring, valve and flap control, filter monitoring, and air flow control. It has an adjustable pressure range, a single button to zero, and can be reset to factory settings with a long button press. No additional reference pressure sources or separate calibration devices are necessary.
BENEFITS/FEATURES
- Cost effective and compact device suitable for OEM applications where space, simplicity, and value are key
- Single button to zero saves maintenance time
- Factory restore to defaults with a long button press
- User-adjustable response time provides versatility for many applications
APPLICATIONS
- Building automation, air-conditioning and clean room technology
- Valve and shutter control
- Filter, ventilator and fan monitoring
- Air-flow control
SPECIFICATIONS
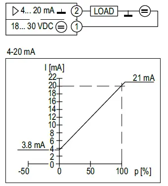
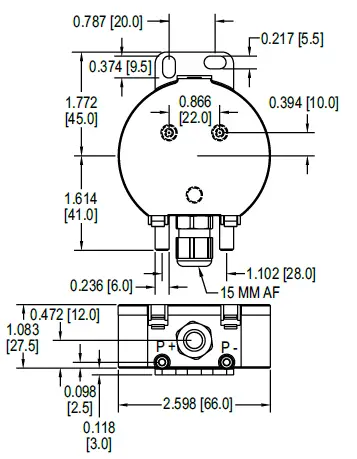
| Service: Air and non-corrosive gases. Sensor Type: Piezoresistive pressure sensor. Output Signal: 2-wire: 4-20 mA; 3-wire: 0-10 V. Supply Voltage: 2-wire: 18-30 VDC; 3-wire: 18-30 VAC/DC. Loop Resistance: 2-wire: 500 Ω max; 3-wire: ≥ 1 kΩ (≤ 10 mA). Maximum Current Draw: 2-wire: 21 mA; 3-wire: 40 mA. Accuracy*: ≤ ±0.5% RSS (BFSL), ± 1Pa. Thermal Effects*: See model-dependent specifications table. Long-Term Stability*: ≤ ±1% FS per year. Temperature Limits: -4 to 158°F (-20 to 70°C). Humidity Limits: 0 to 95% RH, non-condensing. Response Time: 1 s (default) or 200 ms (user selectable). Pressure Connections: 6 mm hose connection. Electrical Connection: Spring connector for cable and leads up to 1.5 mm2. Cable Conduit: Cap nut conduit, 15 mm (across flats), made of polyamide. Mounting: Screw fastening with sheet metal screws. Housing Material: ABS. Housing Dimensions: Ø 66 x 28 mm. Enclosure Rating: IP54. Weight: 1.6 oz (46 g). Compliance: CE, UKCA. |
| *Accuracy specifications are based on measurements at 73°F (23°C). |
| MODEL DEPENDENT SPECIFICATIONS | ||||
| Model | Pressure Range | Over Pressure | Burst Pressure | Additional error with temperature [% FS/10°C] |
| 685-00(-V) | 1 in w.c. | 60 kPa | 100 kPa | ± 0.7 |
| 685-01(-V) | 2 in w.c. | 75 kPa | 125 kPa | ± 0.5 |
| 685-02(-V) | 3 in w.c. | 75 kPa | 125 kPa | ± 0.5 |
| 685-03(-V) | 5 in w.c. | 85 kPa | 135 kPa | ± 0.3 |
| 685-04(-V) | 10 in w.c. | 85 kPa | 135 kPa | ± 0.3 |
| 685-05(-V) | 15 in w.c. | 85 kPa | 135 kPa | ± 0.3 |
| 685-06(-V) | 20 in w.c. | 85 kPa | 135 kPa | ± 0.3 |
| 685-07(-V) | 25 in w.c. | 85 kPa | 135 kPa | ± 0.3 |
| 685-08(-V) | 40 in w.c. | 85 kPa | 135 kPa | ± 0.3 |
| 685-09(-V) | 250 Pa | 60 kPa | 100 kPa | ± 0.7 |
| 685-10(-V) | 750 Pa | 75 kPa | 125 kPa | ± 0.5 |
| 685-11(-V) | 1250 Pa | 85 kPa | 135 kPa | ± 0.3 |
| 685-12(-V) | 2500 Pa | 85 kPa | 135 kPa | ± 0.3 |
| 685-13(-V) | 5000 Pa | 85 kPa | 135 kPa | ± 0.3 |
Installation
Location
Select a clean, dry mounting location free from excess vibration where the temperature will remain between -4 and 158°F (-20 and 70°C). The tubing supplying pressure to the instrument can be practically any length required, but long lengths will increase response time slightly.
Position
The 685 differential pressure transmitter can be mounted in any position. The zero compensation eliminates errors due to positioning.
Pressure Connections
Pressure hoses may not be bent or damaged during installation. Leaking hoses and hose connections will cause errors on the device or inaccurate measurements. Tubing should have an inner diameter ≤ 3.5/5.5 mm for optimal clamping.
Electrical Connections
Do not exceed specified supply voltage ratings. Permanent damage not covered by warranty will result. This unit is not designed for 120 or 240 VAC line operation.
Electrical connections are made to the terminal block located under the cover of the transmitter. Terminals are marked 1, 2 and 3 as shown below. Determine which of the following circuit drawings applies to your application and wire accordingly. Shielded cable is recommended. Ground the shield at the power supply end only.
Response Time Adjustment
The response time is selectable between 1 seconds (default) and 0.2 seconds. The response time of the output signal is configured using the jumper on the circuit board under the cover. If the jumper is in place the response time is 1 second. If the jumper is removed, the response time of the output signal is 0.2 seconds.
Pressure Range Adjustment
The end of the measuring range can be set between 50% to 100% of its factory set full scale value. Make sure the negative pressure port marked “-” is open, then apply the designated end of pressure range to the positive pressure port marked “+”. To confirm, press the button under the cover for 5 to 10 seconds. The LED will flash to confirm the adjustment. The output signal (0-10 V or 4-20 mA) now corresponds to the new measuring range.
Zero Adjustment
The zero point can be adjusted by pressing the zero button for 0-5 seconds. If this is performed without an applied pressure, this compares to a zero pressure offset calibration. If performed with an applied pressure ”x”, the entire pressure range will be shifted by this pressure “x”. The LED will light up to confirm the adjustment. Offset calibration is recommended for initial start-up or change in position.
Factory Settings Reset
This feature provides the ability to reset the transmitter to the original factory settings and calibration. If the button under the cover is pressed for longer than 10 seconds, all settings (zero point and measuring range end) are reset on the device. The LED will go OFF to confirm the unit has been reset.
4-20 mA Output Wiring 2-WIRE

Voltage Output Wiring 3-WIRE

MAINTENANCE/REPAIR
Upon final installation of the Series 685, no routine maintenance is required. The Series 685 is not field serviceable and is not possible to repair the unit. Field repair should not be attempted and may void warranty.
WARRANTY/RETURN
Refer to “Terms and Conditions of Sale” in our catalog and on our website. Contact customer service to receive a Return Materials Authorization (RMA) number before shipping the product back for repair. Be sure to include a brief description of the problem plus any additional application notes.
©Copyright 2022 Dwyer Instruments, Inc.
Printed in U.S.A. 5/22 FR# 444682-00
DWYER INSTRUMENTS, INC
P.O. BOX 373 MICHIGAN CITY, INDIANA 46360, U.S.A.
Phone: 219-879-8000 Fax: 219-872-9057 dwyer-inst.com
e-mail: [email protected]




















