CAREL SPKD005N0 Pressure and Differential Pressure Transmitter

The calibratable compact pressure sensors SPKD00*5N0 are equipped with four switchable measuring ranges (8 devices in one). The pressure sensor is used for above-atmospheric, below-atmospheric, or differential pressure measurement in clean air with limit value switching. The piezo-resistive measuring element guarantees a high degree of reliability and accuracy. Applications of these pressure sensors are in a clean room, in medical and filter technology, in ventilation and air conditioning ducts, in spray booths, in large-scale catering facilities, for monitoring filters, for level measurement or for triggering frequency converters. Media measured with these pressure transducers are air (non-precipitating), or other gaseous non-aggressive, non-combustible media. The pressure sensor has a manual zero-point pushbutton and an offset potentiometer for final value and switch point correction. Fine adjustment by the user is possible at any time. A connection set ASD-06 (2 m connection hose, two pressure connection nipples, screws) is included in the scope of supply.
GENERAL FEATURES
| Power supply | 15 … 36 V DC |
| Power consumption | < 2 VA ⁄ 24 V DC, < 2.2 VA |
| Measuring ranges | multi-range switching with 8 switchable measuring ranges (see table) |
| Media temperature | 0 … + 50 °C |
| Pressure connection | 4 ⁄ 6 x 11 mm (hoses Ø = 4 ⁄ 6 mm), metal pressure connection nozzles |
| Type of pressure | differential pressure |
| Above-⁄below-atmosph. pressure | max. ± 100 hPa |
| Signal filtering | switchable 1 s ⁄ 10 s |
| Medium | clean air and other non-aggressive, non-combustible gases |
| Output signal | 4 … 20 mA |
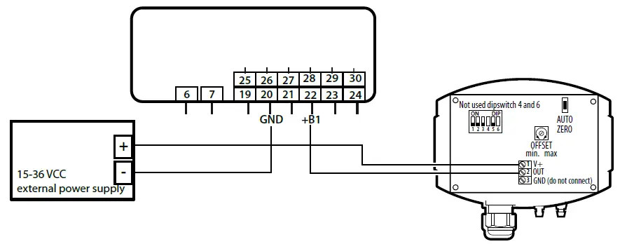
| Electrical connection | 2-connection |
| Accuracy | ±2Pa (SPKD00C5N0) ±25 Pa (SPKD00U5N0) |
| Sum of Linearity+hysteresis | < ± 2 % of final value |
| Temperature drift values | ± 0.3 % ⁄ °C |
| Zero point offset | < ± 1.5 % of final value |
| Enclosure | impact-resistant plastic, material polyamide, 30 % glass-globe-reinforced, with quick-locking screws, colour Traffic white (similar RAL 9016) |
| Dimensions | 126 x 90 x 50mm |
| Electrical connection | 0.14 – 1.5 mm², via removable plug-in screw terminals |
| Cable gland | M 16, including strain relief |
| Humidity | < 95 % r.H., non-precipitating air |
| Protection class | III (according to EN 60 730) |
| Protection type | IP 65 (according to EN 60 529) |
| Standards | CE conformity, according to EMC directive 2014/30/EU, EN61326-1, 61326-2-3 |
Manual offset adjustment (Fig. 3)
OFFSET ∆P can be aligned at the potentiometer. The range for adjustment is ca. ±10% of the pressure range. A different reference point other than the zero point can be used here.
General notes
- These instructions shall be read before installation and putting in operation and all directions contained herein shall be followed.
- These devices must only be connected to safety extra-low voltage and under dead-voltage condition. To avoid damages and errors at the device (e.g. by voltage induction), shielded cables shall be used, laying parallel with current-carrying lines is to be avoided, and the EMC directives must be adhered to.
- We do not assume any warranties or liabilities for faults or damages arising or resulting from improper use of this device.
- Consequential damages caused by a fault in this device are excluded from warranty or liability.
- These devices must be installed by authorized qualified personnel only.
- The technical data and connecting conditions shown in the mounting and operating instructions delivered together with the
device are exclusively valid. Deviations from the catalogue representation are not explicitly mentioned and are possible in terms of technical progress and continuous improvement of our products. - In case of any modifications made by the user, all warranty claims are forfeited.
- This device must not be installed close to heat sources (e.g. radiators) or be exposed to their heat flow. Direct sun irradiation or heat irradiation by similar sources (powerful lamps, halogen spotlights) must absolutely be avoided.
- Operating this device close to other devices that do not comply with EMC directives may influence functionality.
- This device must not be used for monitoring applications, which solely serve the purpose of protecting persons against hazards or injury, or as an EMERGENCY STOP switch for systems or machinery, or for any other similar safety-relevant purposes.
- Dimensions of enclosures or enclosure accessories may show slight tolerances on the specifications provided in these instructions. Modifications of these records are not permitted.
- In case of a complaint, only complete devices returned in original packing will be accepted.
This device can be mounted in any position. Pressure ranges are indicated on the device label. Applying measuring pressures beyond that range will cause mismeasurements and increased deviations or may destroy the device.
- Attention: When leading in cables, make sure, they do not go under the board. This might buckle or damage hose connections.
- Pressure inputs are “poled“ i.e. the above-atmospheric pressure line must be connected at input P+ and the below-atmospheric
pressure line must be connected at input P-. - At an adjusting element, the output signal can be offset by +/- 10% of the final value of the measuring range. In this way, possible
ageing or drift effects can be compensated. - Adjustment may only be made at the presence of differential pressure (ca. 90% of final value).
- If this device is operated beyond the specified range, all warranty claims are forfeited.
Disposal of the product: the appliance (or the product) must be disposed of separately in accordance with the local waste disposal legislation in force.
IMPORTANT WARNING
The CAREL product is a state-of-the-art product, whose operation is specified in the technical documentation supplied with the product or can be downloaded, even prior to purchase, from the website www.carel.com. The customer (manufacturer, developer or installer of the final equipment) accepts all liability and risk relating to the configuration of the product in order to reach the expected results in relation to the specific final installation and/or equipment. Failure to complete such operations, which are required/indicated in the user manual, may cause the final product to malfunction; CAREL accepts no liability in such cases. The customer must only use the product in the manner described in the documentation relating to the product. The liability of CAREL in relation to its products is specified in the CAREL general contract conditions, available on the website www.CAREL.com and/or by specific agreements with customers.
Dimensions
Assembly


Assembly examples:
- Negative pressure monitoring connected to the duct
- Filter monitoring connected after the filter
- Ventilation monitoring onnected after the ventilation system
Zero calibration
- For zero point setting, the device must be in operation for at least 60 minutes.
- Connect pressure inputs P (+) and P (–) with a hose. (Pressure difference between the inputs = 0 Pa).
- For zero point setting, press the pushbutton uninterrupted for 10 seconds.

DIP switches for pressure range setting, output attenuation and default position.
DIP3 = OFF
| SPKD00C5N0 | SPKD00U5N0 | DIP1 | DIP2 |
| 0…50Pa | 0…1000Pa | OFF | OFF |
| 0…100Pa | 0…2000Pa | ON | OFF |
| 0…3000Pa | OFF | ON | |
| 0…5000Pa | ON | ON |
Default
| SPKD00U5N0 | SPKD00C5N0 | |
| 1 | OFF | OFF |
| 2 | OFF | OFF |
| 3 | OFF | OFF |
| 4 | NOT USED | NOT USED |
| 5 | OFF | OFF |
| 6 | NOT USED | NOT USED |
DIP3 = ON
| SPKD00C5N0 | SPKD00U5N0 | DIP1 | DIP2 |
| -50…+50Pa | -1000…+1000Pa | OFF | OFF |
| -100…+100Pa | -2000…+2000Pa | ON | OFF |
| -3000…+3000Pa | OFF | ON | |
| -5000…+5000Pa | ON | ON |
Output attenuation
| magnitude respectively interval adjustable | DIP5 |
| Great (10 s) | OFF |
| Small (1 s) | O NC |
CAREL INDUSTRIES Hq
Via dell´Industria, 11 – 35020 Brugine – Padova (Italy)
Tel. (+39) 0499716611 – Fax (+39) 0499716600 – e.mail: [email protected] – www.carel.com
+050000651 – rel. 2.2 – 31.03.2021 · Art.-Nr. 6002-4200-2011-000C1 · kn 1010
























