POTTER ESZ Series Piezo Alert Fire Alarm Resources

Introduction
- Extremely quiet on standby
- Operates on 5V DC – 28V DC
- Rated at 20mA operating current at 24V DC
- Multi-functional mounting method
- Lead wire type or screw terminal type
Amseco’s Piezo-A-Lert Model ESZ-25 and ESZ-26 are specially designed as advanced electronic audible signaling devices that are extremely quiet on stand-by, emitting less extraneous noises because they have no oscillator coils in their electronic circuits. Both ESZ-25 and ESZ-26 produce an extremely loud sound output.
Most piezo type buzzers are energized piezo electric transducers operating at a resonance in a solid state oscillator, but ESZ-25 and ESZ-26 have a completely different design. Both units operate on as little as 5V DC to as much as 28V DC and are rated at 20mA operating current at 24V DC.
The ESZ-25 and ESZ-26 are quiet on standby and because of this they are highly recommended for use on microcomputer electronic equipment.
Since microelectronic computer equipment is very sensitive to extraneous noises, the ESZ Series Piezo Alarms are excellent choices for security alarm requirements.
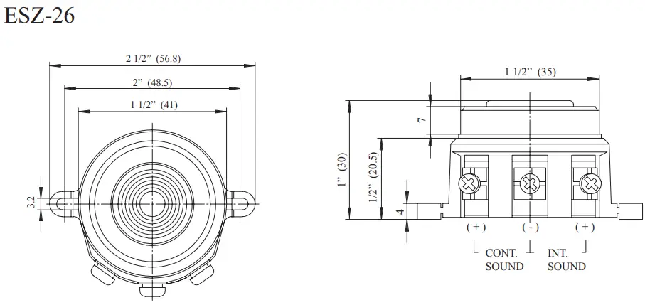
The ESZ-25 and ESZ-26 have a multi-functional mounting method. By simply unscrewing the face nut it can be inserted into any standard ¾” knockout hole. By screwing the nut back in place, there will be a solid mounting. On the base, located on either side, are two loops. Inserting screws in these loops will allow the device to be surface mounted. The two loops may be cut off if not required.
The Piezo-A-Lert signal operates in free air only. It is not compatible with under water applications. The recommended operating temperature range is -4°F to 140°F (-20°C to 60°C).
The ESZ-25S has a single continuous tone sound. The ESZ-25B and ESZ-26B have a dual-tone, continuous, or intermittent sound in one unit.
The dual-tone unit has an override protection. The continuous tone will override the intermittent tone if both tones are sounded at the same time.
Model ESZ-25 is the lead wire type and Model ESZ-26 is equipped with screw terminals.
Ordering Information
Model Number | Stock Number | Tones | Connection |
ESZ-25B | 4050003 | Continuous or intermittent | 3-wire |
ESZ-25S | 4050004 | Continuous single | 2-wire |
| ESZ-26B | 4050005 | Continuous or intermittent | Terminal |
Specifications
| Rated Voltage | 5 – 28V DC |
| Rated Current | 20mA max. at 24V DC |
| Starting Voltage | 2.4V DC max. |
| Lead Length | 160mm Model ESZ-25 |
| Sound Output at 3V | 82dB @ 1 ft. |
| 6V | 90dB @ 1 ft. |
| 12V | 98dB @ 1 ft. |
| 24V | 103dB @ 1 ft. |
| 28V | 104dB @ 1 ft. |
Dimensions: inches (mm)


Customer Support
Potter Electric Signal Co., LLC
St. Louis, MO
Cust Service: 866-240-1870
Tech Support: 866-956-1211
Canada 888-882-1833
www.pottersignal.com
firealarmresources.com




















