POTTER PAL-328 Electronic Piezo Alert Buzzer

Instructions
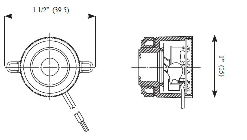
The Piezo Alert is an advanced electronic audible signal device that emits a compelling sound with minimum current draw. This solid state device operates from as little as 3VDC to as much as 28VDC and is rated at 20mA. Sound output is proportional to input voltages and ranges from a minimum of 68dB to over 100dB at 28VDC at 1 ft. The piezo electronic contact points give it high reliability and an exceptional long life. The piezo alert signal operates in free air only. It is not compatible with under water applications. The recommended operating range is from -13°F to 158°F (-25°C to 70°C). This UL recognized Piezo alert is available in two models: PAL-328N and PAL-328. Both models have a black finish. The PAL-328N has a multi-functional mounting method. By simply unscrewing the face nut it can be inserted into any standard ¾” or 1¼” knockout hole. Screwing it back into place will provide solid mounting. Located on either side of the base are two loops. Insert screws into the loops and the unit can be surface mounted. The PAL-328 Model can only be installed utilizing the two loops with screws. The PAL-328 series Piezo buzzers operate when an audible frequency is applied from a transistor to an oscillator plate containing a piezoelectric element and metallic vibrating plate. It is important when installing the PAL Series Buzzer within any enclosed area to remove any obstruction in front of the buzzer. Any object too close to the buzzer may minimize the sound output.
Specifications
| Rated Voltage | 3 – 28V DC |
| Rated Current | 20mA max. at 28V DC |
| Power Output | 93 dB at 1 meter |
| Operating Temperature | -13°F – 158°F (-25°C – 70°C) |
| Expected LIfe | 250 hours |
| Starting Voltage | 1.0 V Max. |
Dimensions: inches (mm)





















