Probing Solutions.
Made in Germany.
Precision Wide-Band AC Current Transformers
LILCO Series Precision Wide Band AC Current Transformers
LILCO® Series
Copyright © 2022 PMK – All rights reserved.
Manufacturer
PMK Mess- und Kommunikationstechnik GmbH
Koenigsteinerstrasse 98
65812 Bad Soden am Taunus, Germany
Phone: +49 (0) 6196 5927 – 930
Fax: +49 (0) 6196 5927 – 939
Phone: +49 (0) 6196 5927 – 930
Fax: +49 (0) 6196 5927 – 939
Warranty
PMK warrants this product for normal use and operation within specifications for a period of two years from date of shipment and will repair or replace any defective product which was not damaged by negligence, misuse, improper installation, accident or unauthorized repair or modification by the buyer. This warranty s applicable only to defects due to material or workmanship. PMK disclaim any other implied warranties of merchantability or fitness for a particular purpose. PMK will not be liable for any indirect, special, incidental, or consequential damages (including damages for loss of profits, loss of business, loss of use or data, interruption of business and the like), even if PMK has been advised of the possibility of such damages arising from any defect or error in this manual or product.
WEEE/ RoHS Directives
This electronic product is classified within the WEEE/ RoHS category list as monitoring and control equipment (category 9) and is compliant to the following EC Directives.
EC Directives:
WEEE Directive 2012/19/EU – Waste Electrical and Electronic Equipment
RoHS Directive 2011/65/EU
– Restriction of the use of certain Hazardous Substances in Electrical and Electronic Equipment
Your help and efforts are required to protect and keep clean our environment. Therefore return this electronic product at the end of its life either to our Service Department or take care of separate WEEE collection and professional WEEE treatment yourself. Do not dispose as unsorted municipal waste.
Safety Information
| Only use insulated cables to measure a current flow IPRI. | |
| Use only grounded instruments. | |
| Observe ratings of the current transformer and its accessories. | |
| Prevent personal injury, fire and product damage. To avoid personal injury and to prevent fire or damage to this product or products connected to it, review and comply with the following safety precautions. Be aware that if you use this probe assembly in a manner not specified the protection this product provides may be impaired. Only qualified personnel should use this probe assembly. | |
| Before first usage read the “Getting Started” Section. | |
| Keep away from hazardous live circuits. | |
| Do not operate with suspected failures. | |
| Indoor use only. | |
| Do not operate the product in an explosive atmosphere. |
LILCO® Series
About PMK LILCO® Series Current Transformers
With bandwidths ranging from mHz to >60 MHz and input currents ranging from mA up to 25 kA, the LILCO ® series of PMK’s current transformers enables precision high bandwidth AC current measurements, which are required for a broad range of measurement applications. The current transformers are capable of accurately measuring large pulse or continuous input currents while electrical shielding between the input and output reduces the influence of electromagnetic fields on the output.
The BNC output of the LILCO® series current transformers makes it easy to connect to a variety of measurement devices, such as, oscilloscopes, digitizers, network analyzers, spectrum analyzer, power analyzers, DMM etc. with just a standard 50Ω coaxial cable.
Improved low frequency performance and increased I·t capability, as well as an attenuated output signal can be realized by changing the input termination of the measuring instrument. The LILCO® series attenuator ATT10BNCS is used to improve these specifications even more while maintaining the high frequency performance of the current transformer.
Measurement Principle
The measurement principle is the same as of power transformers. The current transformer has a primary and a secondary winding, and an alternating current flowing in the primary winding, IPRI, induces an alternating current in the secondary winding, ISEC. The secondary winding current, ISEC, flows through the internal 50Ω impedance, RINTERNAL, generating an output voltage, VOUT, (Figure 1). This burden resistance, RINTERNAL, in parallel with the BNC Output Termination, sets the LSEC/ RBURDEN time constant along with the secondary winding‘s inductance, LSEC, to set the low frequency bandwidth cut-off point.
Galvanic isolation between input and output allows the LILCO® Series to be used in measurement setups with large potential differences or where unwanted currents between input and output appear like in ground loops.
Getting Started
1) First Installation
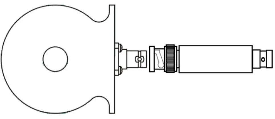
The current to be measured, the INPUT Monitor Current conductor, IPRI, is inserted through the inner hole of the current transformer for the measurement (Figure 2).
Tip! The INPUT conductor should be as short as possible to reduce the insertion impedance of adding this current loop to the circuit under test.
Figure 2 – Basic Connection to the Circuit Under Test
* See Output BNC Termination Selection Table
The PMK LILCO series current transformers have an output impedance of 50Ω and are typically connected to a measurement device via a 50Ω coaxial cable for the measurements.
The BNC output is connected to a measurement device with either high-impedance input, like the 1 MΩ input of an oscilloscope or to any 50Ω measurement instrument.
Tip! If the electrical length of the coaxial connecting cable is greater than about 1/10 of the wavelength for the fastest signal to be viewed, improvements in pulse-edge fidelity can be obtained by terminating the coaxial connecting cable at the measurement device
into a 50Ω termination.
The INPUT conductor must also be adequately insulated for the INPUT voltage levels.
2) Connection
The measurement device input termination not only affects the low frequency performance, but also the sensitivity and low frequency bandwidth (droop) performance of the current transformer. The sensitivity [V/A] is determined by the parallel combination of
the current transformers internal 50Ω, RINTERNAL, and the measurement device input termination. Switching the measurement device input termination from 1 MΩ to 50Ω will reduce the sensitivity [V/A] by a factor of two half the voltage at VOUT). At the same time the lower bandwidth (LF 3 dB BW) and droop will also decrease by a factor of two, improving the current transformers ability to capture lower frequency signals significantly.
Tip! Extend the electrical specification with changing the input termination of the measuring instrument only, see section “How to extend the LILCO ® Series Performance” in this manual.
The optional ATT10BNCS attenuator is used to extend the low frequency cut-off point, decrease the amount of droop error, increase I·t, and reduce the output sensitivity of the PMK LILCO ® Series current transformers. This allows more accurate measurements for lower frequency signals while maintaining the high frequency performance of the current transformer.
LILCO® Series
By connecting the ATT10BNCS to the output of a LILCO® current transformer, the output resistance, RBURDEN, is reduced by a factor of 10, resulting in:
- Decreasing the low frequency bandwidth (3 dB cut-off) by a factor of 10
- Reducing the amount of droop by a factor of 10
- Increasing the I·t capability of the transformer
- Attenuating the output sensitivity by a factor of 10
The measurement device input termination must be set to 1 MΩ (>50 kΩ), otherwise the output sensitivity will be reduced by a factor of 20 when using the ATT10BNCS.
The magnetic core can become saturated by the DC component of the input signal, IPRI, degrading the low-frequency performance of the current transformer.
The DC input current required to increase the low-frequency bandwidth (-3 dB) by a factor of 2 as well as the droop factor by ~2 is the DC saturation current, ISAT (See Definition of Specifications for more information).
PMK LILCO ® series current transformers can be installed temporarily or permanently into the measurement setup.
3) Definitions of Specifications
- Output Sensitivity [V/A] – The relationship between the input current, IPRI, and the resulting output voltage, VOUT, developed across the output termination resistance, RINTERNAL, in parallel with the BNC Output Termination (RBURDEN), of the current transformer. Lowering the output termination resistance, will reduce the output sensitivity. The tolerance of the termination resistance value and the transmission losses in the connecting cable have an influence on the output sensitivity accuracy. (See Figure 1 and Output BNC Termination Selection (Measurement Device Input Termination) Table for more information)
- Maximum Peak Current, IPEAK [A] – The maximum peak Input Current, IPRI, that is limited by the voltage breakdown limit of the secondary winding or output BNC of the transformer or by the induced secondary current, ISEC, that exceeds the output termination resistor’s, RINTERNAL, power rating in the transformer. When selecting the BNC Output Termination, make sure NOT to exceed the Mea- surement Device Input Termination Maximum Voltage or Power Levels (max. input voltage 100 V to attenuator input!)
- DC Saturation Current ISAT [A] – The magnetic core can become saturated by the DC component of the input signal, IPRI, resulting in a degrade of the low-frequency performance of the current transformer.
The DC Saturation Current is defined as the DC current level applied to the input signal to increase the LF Bandwidth (-3 dB) by a factor of 2, thus causing the droop factor to increase by 2 as well (See Droop below for more information). - Bandwidth / cutoff frequencies
- Bandwidth LF [-3 dB] – The lower -3 dB cutoff frequency of the current transformer is set by the time constant of the secondary inductance, LSEC, over the output termination resistance, RBURDEN, or LSEC/RBURDEN. As the output termination resistance is decreased the low frequency bandwidth will also decrease.
- Bandwidth HF [-3 dB] – The upper -3 dB cut-off frequency of the current transformer is limited by the leakage nductance and secondary winding capacitance of the current transformer. The effect of these parasitic components varies depending on the model.

- Droop [%] – Droop, also known as tilt, is proportional to the low frequency cut-off of the current transformer. The amount of droop will also increase when the input current has a DC component to it. The DC current required to increase the Droop factor by ~2 is the DC Saturation Current, ISAT.
The flattop response of any AC current transformer displays a certain amount of droop. This is caused by current transformer probe inductance loading the source impedance, causing an L/R exponential decay. For short pulse widths, the response looks nearly flat. The amount of droop can be calculated from the following relationship:
Droop [%] = 200π T fLF
where:
T=pulse duration [s] fLF=lower cut-off frequency [Hz] = Bandwidth LF (-3 dB) from specification table - Rise Time – The minimum response time for the current transformer output to rise from 10 percent to 90 percent of its steady value when a fast di/dt pulse is applied to the input. If the input current signal rise time is faster than the current transformers rise time specification, then overshoot and “ringing” of the measured signal may occur.
- Maximum I·t without DC Bias [As] – This is the standard specification without DC Bias applied to the current transformer. The product of the current multiplied by the pulse width must not exceed this maximum I·t without DC Bias limit or the current transformer’s core will saturate, causing a distorted output waveform. Also here, the current cannot exceed the Maximum Peak Current. As the core saturates, the low frequency characteristics are affected and the current transformer output waveform drops rapidly. If multiple turns are wrapped though the current transformer, then the maximum current times the number of wrapped turns must not exceed this value.

- Maximum I·t [As] with DC Bias
Tip! Applying a DC bias current (approximately equal to the DC saturation current, ISAT) with the opposite polarity of the pulse signal being measured will result in a improved, by a factor of ~2, the I·t product of the current transformer.
This can be achieved with a separate biasing conductor inserted into the current transformer hole. Multiple windings can be used in the primary to achieve the equivalent Amp·Turns needed. Once the DC bias signal is applied, the product of the current multiplied by the pulse width should not exceed this Maximum I·t with DC Bias limit or the current transformer’s core will saturate, causing a distorted output waveform. The current cannot exceed the Maximum Peak Current. As the core saturates, the low frequency characteristics are affected and the current transformer’s output waveform drops rapidly. If multiple turns are wrapped through the current transformer, then the maximum current times the number of wrapped turns must not exceed this value.
- Maximum RMS Current, IRMS [A] – The maximum RMS current, IRMS, that can be applied to the INPUT, IPRI, before the heating effects start to degrade the long-term stability of the current transformer. Exceeding this value for a short time may result in a temporary loss of measurement accuracy, but extreme or prolonged overloading may cause permanent damage to the current transformer.
- IPEAK/f [A/Hz] – IPEAK/f is the maximum ratio of sinusoidal current IPEAK to frequency, f, which can be processed without distortion of the measurement signal. It is the sinusoidal equivalent of I·t limiting for square wave signals and is limited by core saturation.
Model Nomenclature
The PMK LILCO® -Series current transformers contain the following information in their model types:

Specifications
Electrical Specifications for 1 MΩ Termination
Improved low frequency performance, increased I·t capability and reduced lower frequency limit can be achieved by changing the input termination of your measuring instrument, see section “How to extend the LILCO® series performance”.
![]()
| 13E1000 | 13 (0.512) | 1 | 500 | 22 | 880 | 7 | 4.5 | 2.5 | 7 | 1400 | 60 | 0.016 |
| 13G1000 | 13 (0.512) | 1 | 500 | 3 | 82 | 7 | 7 | 4 | 7 | 130 | 60 | 0.03 |
| 13W1000 | 13 (0.512) | 1 | 500 | 0.25 | 19 | 7 | 7 | 4 | 7 | 30 | 60 | 0.02 |
| 13E0500 | 13 (0.512) | 0.5 | 1000 | 22 | 225 | 10 | 18 | 10 | 14 | 360 | 40 | 0.062 |
| 13G0500 | 13 (0.512) | 0.5 | 1000 | 3 | 22 | 10 | 30 | 15 | 14 | 35 | 40 | 0.12 |
| 13W0500 | 13 (0.512) | 0.5 | 1000 | 0.25 | 3.15 | 10 | 13 | 7 | 14 | 5 | 40 | 0.04 |
| 13E0200 | 13 (0.512) | 0.2 | 2500 | 22 | 38 | 14 | 110 | 60 | 33 | 60 | 30 | 0.38 |
| 13G0200 | 13 (0.512) | 0.2 | 2500 | 3 | 6.3 | 14 | 200 | 100 | 33 | 10 | 30 | 0.7 |
| 13W0200 | 13 (0.512) | 0.2 | 2500 | 0.25 | 0.63 | 14 | 70 | 40 | 33 | 1 | 30 | 0.25 |
| 13E0100 | 13 (0.512) | 0.1 | 5000 | 22 | 10 | 16 | 400 | 220 | 60 | 16 | 25 | 1.4 |
| 13G0100 | 13 (0.512) | 0.1 | 5000 | 3 | 1 | 16 | 700 | 400 | 60 | 1.6 | 25 | 2.5 |
| 13W0100 | 13 (0.512) | 0.1 | 5000 | 0.25 | 0.19 | 16 | 540 | 300 | 60 | 0.3 | 25 | 2 |
| 13E0050 | 13 (0.512) | 0.05 | 10000 | 22 | 3.3 | 40 | 1200 | 660 | 100 | 5.3 | 10 | 4.1 |
| 13G0050 | 13 (0.512) | 0.05 | 10000 | 3 | 0.315 | 40 | 2200 | 1200 | 100 | 0.5 | 10 | 8 |
| 13W0050 | 13 (0.512) | 0.05 | 10000 | 0.25 | 0.063 | 40 | 2200 | 1200 | 100 | 0.1 | 10 | 3 |
| 58M1000 | 58 (2.291) | 1 | 500 | 2 | 25 | 14 | 18 | 10 | 12 | 40 | 30 | 0.06 |
| 58M0500 | 58 (2.291) | 0.5 | 1000 | 2 | 9.4 | 20 | 70 | 40 | 20 | 15 | 20 | 0.2 |
| 58E0200 | 58 (2.291) | 0.2 | 2500 | 55 | 25 | 20 | 360 | 200 | 50 | 40 | 20 | 1 |
| 58M0200 | 58 (2.291) | 0.2 | 2500 | 2 | 2.5 | 20 | 360 | 200 | 50 | 4 | 20 | 1 |
| 58E0100 | 58 (2.291) | 0.1 | 5000 | 55 | 6.3 | 40 | 1800 | 1000 | 100 | 10 | 10 | 6 |
| 58EH100 | 58 (2.291) | 0.1 | 2500 | 55 | 12.6 | 20 | 700 | 400 | 100 | 20 | 20 | 2 |
| 58M0100 | 58 (2.291) | 0.1 | 5000 | 2 | 0.315 | 40 | 1800 | 1000 | 100 | 0.5 | 10 | 6 |
| 58MH100 | 58 (2.291) | 0.1 | 2500 | 2 | 0.63 | 20 | 700 | 400 | 100 | 1 | 20 | 2 |
| 58E0050 | 58 (2.291) | 0.05 | 10000 | 55 | 1.57 | 80 | 6000 | 3400 | 200 | 2.5 | 5 | 20 |
| 58M0050 | 58 (2.291) | 0.05 | 10000 | 2 | 0.095 | 80 | 6000 | 3400 | 200 | 0.15 | 5 | 20 |
| 58E0020 | 58 (2.291) | 0.02 | 20000 | 55 | 0.5 | 200 | 20000 | 12000 | 500 | 0.8 | 2 | 70 |
| 58M0020 | 58 (2.291) | 0.02 | 20000 | 2 | 0.038 | 200 | 20000 | 12000 | 500 | 0.06 | 2 | 70 |
| 58EH010 | 58 (2.291) | 0.01 | 25000 | 55 | 0.315 | 80 | 24000 | 13000 | 400 | 0.5 | 5 | 85 |
| 58MH010 | 58 (2.291) | 0.01 | 25000 | 2 | 0.025 | 80 | 24000 | 13000 | 400 | 0.04 | 5 | 85 |
| 89M0100 | 89 (3.504) | 0.1 | 5000 | 5 | 0.315 | 40 | 2600 | 1400 | 100 | 0.5 | 10 | 9 |
This product comes with 2 years warranty. Specifications that are not marked as guaranteed are typical.
- BNC Output Terminated into >50 kΩ, see Change in Specifications table in this manual. Warranted ±2 %*
- The DC current level applied to the input signal when the transformer core starts to saturate and the LF 3 dB increases by a factor of two. (Droop factor has doubled)
*Over nominal climate conditions, for reduced bandwidth 10·LF-point to 1/10·HF.
Environmental Specifications
| Attenuation Ratio | 20 dB |
| Attenuation Tolerance | ± 0.25 dB |
| Frequency Range | DC – 50 MHz |
| Output Impedance | 50Ω ± 1 % |
| Maximum Input Power, RMS | 2.25 W |
| Maximum Rated Input Peak Voltage, No Measurement Category, not in CAT II, III, IV (¹) | |
| Pollution Degree | 2 |
| No Measurement Category | 100 VPEAK |
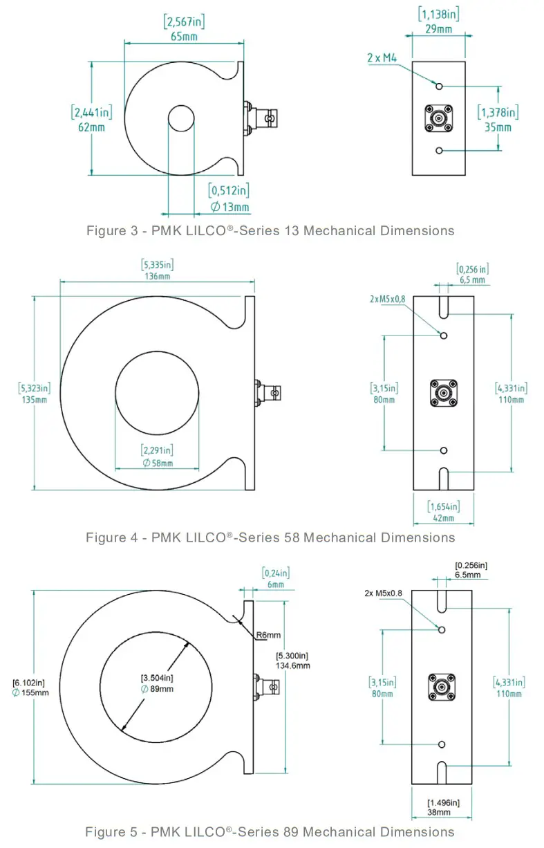
Mechanical Specifications
Scope of Delivery
| Item | Qty |
| LILCO® Current Transformer | 1 |
| Calibration Certificate | 1 |
| Instruction Manual | 1 |
How to extend the LILCO® Series Performance
To extend the specifications of output sensitivity, lower bandwidth (LF, 3 dB BW) and droop from the Specifications can be achieved by changing the BNC output termination.
Tip! Selecting the right termination provides the ability to optimize the performance to best adapt to a variety of applications.
The overall I·t capability of the transformer increases when using 50Ω, or the attenuator ATT10BNCS.
| LILCO® Output Connection | Change in Electrical Specification |
| 1 MΩ (> 50 kΩ) | • None to Electrical Specification Table |
| 50Ω | • Reduce LF bandwidth (3 dB cut-off) by factor 2 • Reduce droop by factor 2 • Reduce the output sensitivity by factor 2 |
| Attenuator ATT10BNCS | • Reduce LF bandwidth (3 dB cut-off) by factor 10 • Reduce droop by factor 10 • Reduce the output sensitivity by factor 10 |
Note, the attenuator ATT10BNCS requires a measuring instrument with 1 MΩ input termination.
The measurement device input termination is equal to the LILCO® output BNC termination.
Example: Model 13G1000 with 13 mm inner whole diameter
- 1 MΩ output termination (see Specification Table)
- Output Sensitivity: 1 V/A
- Droop: 880 %/ms (0.88 %/µs)
- Bandwidth LF: 1400 Hz
- 50Ω termination
Reduces the output sensitivity by a factor of 2 while improving the low frequency performance by a factor of 2.- Output Sensitivity: 0.5 V/A
- Droop: 440 %/ms (0.44 %/µs)
- Bandwidth LF: 700 Hz
- Attenuator ATT10BNCS and 1 MΩ input termination of the measuring instrument
Reduces the output sensitivity by a factor of 10 while improving the low frequency performance by a factor of 10.- Output Sensitivity: 0.1 V/A
- Droop: 88 %/ms (0.088 %/µs)
- Bandwidth LF: 140 Hz
Optional Accessory: Attenuator ATT10BNCS
Extend the LILCO ® current transformer performance with the optional attenuator ATT10BNCS.
Tip! The ATT10BNCS reduces the LF bandwidth (3 dB cut-off) by factor 10, droop by factor 10 and the output sensitivity by factor 10 while preserving the high-frequency characteristics.
Figure 6 – ATT10BNCS connection to a LILCO® current transformer
The measurement device input termination should be set to 1 MΩ (>50 kΩ), otherwise with a 50Ω termination, the output sensitivity will be reduced by a factor of 20.
Electrical Specifications for 1 MΩ Termination
| Attenuation Ratio | 2 0 d B |
| Attenuation Tolerance | ± 0 . 2 5 d B |
| Frequency Range | DC – 50 MHz |
| Output Impedance | 50Ω ± 1 % |
| Maximum Input Power, RMS | 2 . 2 5 W |
| Maximum Rated Input Peak Voltage, No Measurement Category, not in CAT II, III, IV (¹) | |
| Pollution Degree | 2 |
| No Measurement Category | 1 0 0 V PEAK |
Mechanical Specifications
| Dimensions (W x H x D) | approx. 97 mm x 35 mm x 29 mm |
| Weight | approx. 300 g |
Copyright © 2022 PMK – All rights reserved.
Information in this publication supersedes that in all previously published material.
Specifications are subject to change without notice.
M-SW-000
Revision 01.2023


















