HOBO RX3000 Series Magnelab AC Potential Transformer Instructions
Important Instructions
DANGER!—HIGH VOLTAGE HAZARD ![]()
Installing PTs in an energized electrical enclosure or on any energized conductor can result in severe injury or death.
These PTs are for installation by qualified personnel only. To avoid electrical shock, do not perform any installation or servicing of these PTs unless you are qualified to do so. Disconnect and lock-out all power sources during installation and servicing.
This document provides instructions on connecting the Magnelab PTs listed above to the FlexSmart™ TRMS Module used with HOBO H22, U30, or RX3000 series data loggers. It also lists configuration values used by HOBOware® software to configure the logger for each PT.
Required
- Selected Magnelab PT(s)
- HOBO H22, U30, or RX3000 series data logger
- FlexSmart TRMS Module(s), Onset Part No: S-FS-TRMSA (for H22 series only) or SFS-TRMSA-D (for H22 and U30 series)
- HOBOware software, version 2.2.1 or higher (2.4.0 or higher for U30 series)
- HOBOlink (for RX3000 series data loggers)
Applies to these Magnelab AC Potential Transformers:
| Onset Part No. | Max. Input Voltage | Output | Magnelab Part No. |
| T-MAG-SPT-150 | 150 Volts AC | 0-333mV AC representing 0 to 115 Volts AC | SPT-0375-150 |
| T-MAG-SPT-300 | 300 Volts AC | 0-333mV AC representing 0 to 230 Volts AC | SPT-0375-300 |
| T-MAG-SPT-600 | 600 Volts AC | 0-333mV AC representing 0 to 460 Volts AC | SPT-0375-600 |
Connecting the PT to the FlexSmart TRMS Module


Wiring Diagram for Single PT

Wiring Diagram for Two PTs
Typical Electrical Power Configurations
Single-Phase
Three-Phase Delta
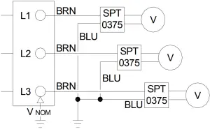
Three-Phase Wye
Configuring the Data Logger for the PT using HOBOware Software
Note: HOBOware software provides configuration files for the PTs. The table below lists the recommended configuration values for each PT that these files contain. For information on loading configuration files, refer to the software documentation.
| Onset Part No. | Channel Name | Raw Value 1 (mV) | Raw Value 2 (mV) | Scaled Value 1 | Scaled Value 2 | Scaled Units |
| T-MAG-SPT-150 | Voltage | 0 | 333 | 0 | 115 | VAC |
| T-MAG-SPT-300 | Voltage | 0 | 333 | 0 | 230 | VAC |
| T-MAG-SPT-600 | Voltage | 0 | 333 | 0 | 460 | VAC |
© 2005–2015 Onset Computer Corporation. All rights reserved. Onset, HOBO, HOBOware, and HOBOlink are registered trademarks and FlexSmart is a trademark of Onset Computer Corporation. Other products and brand names may be trademarks or registered trademarks of their respective owners.
10271-F MAN-MAGNELAB-PT
Test Equipment Depot – 800.517.8431
99 Washington Street Melrose, MA 02176
TestEquipmentDepot.com

















