Circutor WGC-25 Differential Transformer

This manual is a WGC installation guide. For further information, please download the full manual from the CIRCUTOR web site: www.circutor.com
IMPORTANT
- Before carrying out any type of installation, repair or tampering with any of the device’s connections, the voltage supplying the electrical panel where the device is to be installed must be disconnected. Contact the after-sales service if you suspect that there is an operational fault in the device.
- The manufacturer of the devcie is not responsible for any damage resulting from failure by the user or installer to heed the warnings and/or recommendations set out in this manual, nor for damage resulting from the use of non-original products or accessories or those made by other manufacturers.
DESCRIPTION
The WGC is an earth leakage current measurement transformer, IΔ, for earth leakage protection and monitoring. It is the earth leakage relay current sensor. It has been designed for low-voltage (0.72 kV) installations in neutral TT, TN-S and IT layouts. Different models are available depending on the internal diameters or windows, sized to route the active conductors that supply the load that is to be protected or controlled.
INSTALLATION
- The WGC must be installed inside an electrical panel or enclosure, with screw or support fixture, or on a DIN rail (with accessory).
- Up to the WGC-180 model, the installation is done using 4 brass fasteners with M5 mounting holes (Figure 1).

- The more advanced models of the device include a tray-type iron support with 4 M4 screws to fix it to the frame. (Figure 2).

- The PA-TC/WG accessory enables the device to be installed on a DIN rail (only available for the WGC-25, the WGC-35 and WGC-55 models). (Figure 3).

IMPORTANT
- If the transformer is fixed to a metal support, never use metal flanges that penetrate its inner opening, as they cause the device to malfunction.
CONDUCTOR ROUTING
- The device must be installed in such a way that all the active conductors leading to the electrical installation to be protected or powered are routed through its opening. (Figure 4).

- Active conductors are defined as phases (L1, L2 and L3) and neutral. Never the protection cable (PE or Earth).
IMPORTANT
- In the event of having to route a cable hose containing all the conductors, including the earth conductor (PE), the PE conductor must be routed in the opposite direction to counteract the effects of its original path. (Figure 5)

- Conductor routing must be neat, centred and separated from the transformer’s inner opening, Figure 6.

IMPORTANT
- Conductor layout according to Figure 7 causes the transformer to lose its earth leakage efficiency and protection. Unexpected disconnection may occur in the installation if the WGC is linked to an earth leakage relay which controls the circuit breaker.

- The elbows of the conductors passing through the WGC must be avoided, both at inlet (before feed-through) and outlet (after feed-through). Figure 8.

CONNECTION TO EARTH LEAKAGE PROTECTION OR MONITORING DEVICES
The WGC earth leakage transformer has S1 and S2 output terminals to transmit the measured earth leakage current to the protection or monitoring device.
Note: Output terminal connection is specified in the protection or monitoring device’s installation guide or Manual.
IMPORTANT
Take into account that when the device is connected, the terminals may be hazardous to the touch, and opening the covers or removing elements may provide access to parts that are dangerous to the touch. Do not use the device until it is fully installed. The S1 and S2 terminals must be under load (connected to a device) or short-circuited. Failure to connect them may damage the device and jeopardize electrical safety Maximum distance between the protection device and the WGC depends on the cross-section of connection cables and electromagnetic noise level where the devices are installed. Keep the device away from power supply and operation cabling. Under normal conditions (without noise) and with a cable cross-section of 0.75 mm2 to 1.5 mm2, distance between devices can range from 50 to 100 metres. In hostile environments with a large number of interferences, 1.5 mm2 shielded and braided cables are recommended, with a maximum distance of 10 meters.
IMPORTANT
Do not connect the operation or power supply cables to the transformer’s S1 and S2 terminals. It may cause faulty operation and endanger nearby personnel.

Tabla 1

Tabla 2

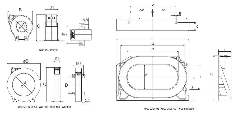
Dimensions

Table 3

Table 4


CIRCUTOR SAT: 902 449 459 (SPAIN) / (+34) 937 452 919 (out of Spain) Vial Sant Jordi, s/n 08232 – Viladecavalls (Barcelona) Tel: (+34) 937 452 900 – Fax: (+34) 937 452 914 e-mail : [email protected]




























