
POWER SOLUTIONS FOR PRECISION TECHNOLOGY SIGNAL CHAINS
PRECISION NARROW BANDWIDTH
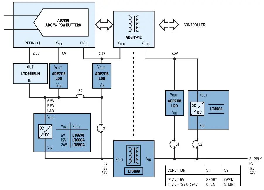
Fully Integrated Voltage and Current Measurement
Density and Latency Optimized Sensor Ready
Rev. 0 | Jan. 2022

This document is interactive. You can click on any underlined text to navigate through the document.
APPENDIX
For the resources:


For the individual pages:

Isolated Multichannel

| PART # | DESCRIPTION |
| LT8604 | High Efficiency 42V/120mA Synchronous Buck |
| LT8570 | Boost/SEPIC/Inverting DC/DC Converter with 65V Switch, Soft-Start, and Sync. |
| LT3999 | Low Noise, 1A, 1MHz Push-Pull DC/DC Driver with Duty Cycle Control |
| ADP7118 | 20V, 200mA, Low Noise, CMOS LDO Linear Regulator |
POWER REQUIREMENTS
| PARAMETER | ADC | Reference | Isolation | ||
| AD7190 | LTC6655LN | ADuM141E | |||
| 4V00 | DVDD | IN | V001 | V002 | |
| Supply Voltage | 5 | 3.3 | 5 | 3.3 | 3.3 |
| Supply Current | 7.4 | 1.5 | 1.8 | 14.9 | 12.8 |
| PSRR | 95(G=1 Vin=1V) | 40 (10k Hz) | – | ||
Note 1: The supply currents indicated are the maximum quiescent current of the supply rails. For overall full load or short circuit current specifications, refer to the datasheets of the signal chain components.
Note 2: The supply voltages indicated are the values for typical applications.
Note 3: Consult the corresponding datasheets for details on power dissipation if needed.
Note 4: The actual supply current requirement shall be multiplied depending on the number of channels on the signal chain.
©2022 Analog Devices, Inc. All rights reserved.
Trademarks and registered trademarks are the property of their respective owners.


















