ANALOG DEVICES Power Solutions for Precision Technology Signal Chains

PRECISION CURRENT SENSING
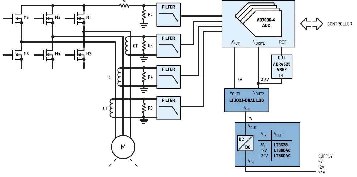
Current Measurement – Motor Control Inverter High Power Current Transformer Sensor
USER GUIDE
This document is interactive. You can click on any underlined text to navigate through the document.
For the resources:
For the individual pages

Current Measurement – Motor Control Inverter
High Power Current Transformer Sensor 
Precision Current Sensing
| PART # | DESCRIPTION |
| LT8604 | High Efficiency 42V/120mA Synchronous Buck |
| LT8338 | 40V, 1.2A Micropower Synchronous Boost Converter with Pass-Thru |
| LT3023 | Dual 100mA, Low Dropout, Low Noise, Micropower Regulator |
POWER REQUIREMENTS
| PARAMETER | STAGES | Filter | ADC | Reference | |
| Part # | – | AD7606-4 | ADR4525 | ||
| Pin | AVCC | VDRIVE | IN | ||
| Supply Voltage | V | – | 5 | 3.3 | 3.3 |
| Supply Current | mA | – | 21 | 0.95 | |
| PSRR | dB | – | 130 (900kHz) | 80 (1MHz) | |
- Note 1:
The supply currents indicated are the maximum quiescent current of the supply rails. For overall full load or short circuit current specifications, refer to the datasheets of the signal chain components. - Note 2:
The supply voltages indicated are the values for typical applications. - Note 3:
Consult the corresponding datasheets for details on: (1) power supply rejection ratio (PSRR) and (2) power dissipation. - Note 4:
The actual supply current requirement shall be multiplied depending on the number of channels on the signal chain.
References
Mixed-signal and digital signal processing ICs | Analog Devices
AD4000 Datasheet and Product Info | Analog Devices
AD4683 Datasheet and Product Info | Analog Devices
AD7172-4 Datasheet and Product Info | Analog Devices
AD7606-4 Datasheet and Product Info | Analog Devices
AD8418A Datasheet and Product Info | Analog Devices
AD8479 Datasheet and Product Info | Analog Devices
ADP150 Datasheet and Product Info | Analog Devices
ADP225 Datasheet and Product Info | Analog Devices
ADP7118 Datasheet and Product Info | Analog Devices
ADR4525 Datasheet and Product Info | Analog Devices
ADR4533 Datasheet and Product Info | Analog Devices
ADR4550 Datasheet and Product Info | Analog Devices
ADUM3471 Datasheet and Product Info | Analog Devices
ADuM6028 Datasheet and Product Info | Analog Devices
ADuM7703 Datasheet and Product Info | Analog Devices
LT3023 Datasheet and Product Info | Analog Devices
LT3032 Series Datasheet and Product Info | Analog Devices
LT3472 Datasheet and Product Info | Analog Devices
LT8338 Datasheet and Product Info | Analog Devices
LT8604/LT8604C Datasheet and Product Info | Analog Devices




















