ANALOG DEVICES LT3471 Precision Low Power Multichannel Voltage Current and Biosignal Measurement Noise Optimized

USER GUIDE

This document is interactive. You can click on any underlined text to navigate through the document.
For the resources

For the individual pages
\
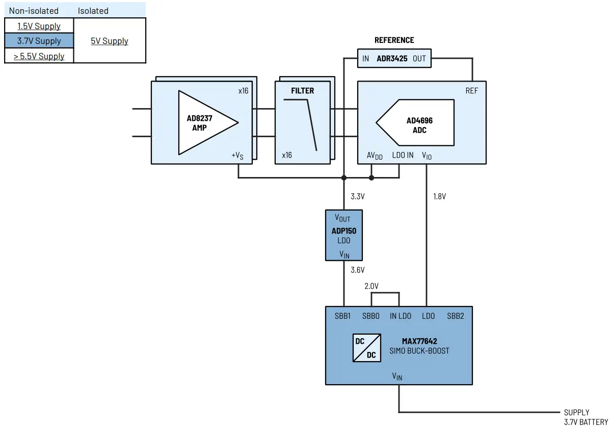
Power Requirements




PART # | DESCRIPTION |
| Ultra Configurable PMIC Featuring 93% Peak Efficiency Single-Inductor, 3-Output Buck-Boost, 1-LDO for Long Battery Life | |
| 400mV to 5.5V Input, nanoPower Synchronous Boost Converter with True Shutdown | |
| 4V to 42V, 25mA, Ultra-Small, High-Efficiency, Synchronous Step-Down DC-DC Converter with 22µA No-Load Supply Current | |
| Ultralow Noise, 150 mA CMOS Linear Regulator | |
| Low Emission Isolated DC to DC Converter |
POWER REQUIREMENTS
| PARAMETER | STAGES | Amplifier | ADC | Reference | Isolation | ||||
| Part # Pin | AD8237 | AD4696 | ADR3425 | ADuM1441 | |||||
| +VS | -VS | AVDD | LDO_IN | VIO | IN | VDD1 | VDD2 | ||
| Supply Voltage | V | 3.3 | – | 3.3 | 3.3 | 1.8 | 3.3 | 2.5 | 2.5 |
| Supply Current | mA | 0.15 | – | 0.052 | 6.6 | 0.36 | 0.1 | 0.9 | 0.9 |
| PSRR | dB | 73 (100Hz) | 79 (1MHz) | 95 (1MHz) | 100 (1MHz) | 54 (100kHz) | – | ||
Note 1: The supply currents indicated are the maximum quiescent current of the supply rails. For overall full load or short circuit current specifications, refer to the datasheets of the signal chain components.
Note 2: The supply voltages indicated are the values for typical applications.
Note 3: Consult the corresponding datasheets for details on power dissipation if needed.
Note 4: The actual supply current requirement shall be multiplied depending on the number of channels on the signal chain.
©2022 Analog Devices, Inc. All rights reserved.
Trademarks and registered trademarks are the property of their respective owners.

References
Mixed-signal and digital signal processing ICs | Analog Devices
AD4696 Datasheet and Product Info | Analog Devices
AD8237 Datasheet and Product Info | Analog Devices
ADP150 Datasheet and Product Info | Analog Devices
ADR3425 Datasheet and Product Info | Analog Devices
ADUM1441 Datasheet and Product Info | Analog Devices
ADuM5028 Datasheet and Product Info | Analog Devices
MAX77642 Ultra Configurable PMIC Featuring 93% Peak Efficiency Single-Inductor, 3-Output Buck-Boost, 1-LDO for Long Battery Life | Maxim Integrated
MAX17220 400mV to 5.5V Input, nanoPower Synchronous Boost Converter with True Shutdown | Maxim Integrated
MAX17530 42V, 25mA, Ultra-Small, High-Efficiency, Synchronous Step-Down DC-DC Converter with 22µA No-Load Supply Current | Maxim Integrated



















