
IMD 95Y, 135Y, 170Y, 210Y, 280Y (c/w EC motor)
Ducted Fan Coil Unit
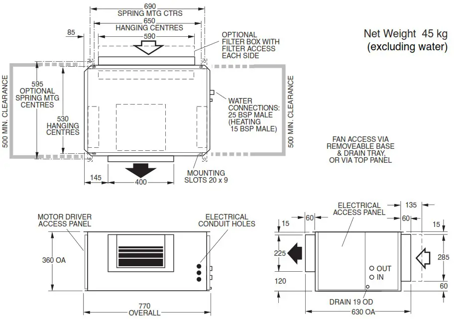
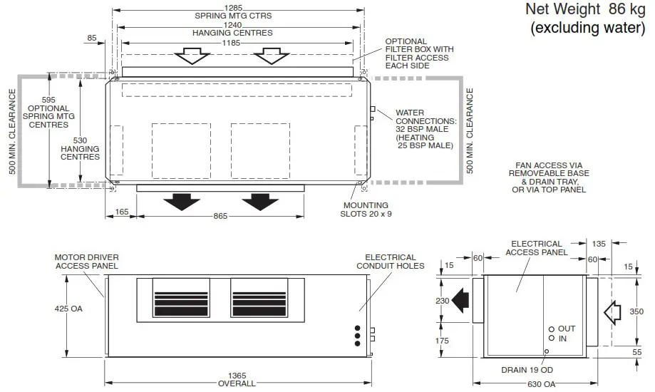
Dimensions (mm) Not to Scale

Fig. 1 IMD 95Y

Fig. 2 IMD 135Y, 170Y

GENERAL
The IMD ducted fan coil units must be installed in accordance with all national and local safety codes.
Options
- Filter Box
- Spring Mounting Kit
FILTER BOX (Option)
The Filter Box is installed by unscrewing the return air spigot and replacing it with the Filter Box’s filter-integrated spigot. The filter may be accessed from either side of this spigot. This new spigot has a depth of 135 mm, instead of 60 mm.
INSTALLATION
Positioning & Mounting
Provide 500 mm minimum clearance to both ends of the unit. If the filter box option is to be used, allow adequate clearance for the filter to be withdrawn to its full length. If low noise is a critical factor in the installation, refer to Figure 8 for noise isolation recommendations.
It is recommended that the unit be mounted using the spring mounting system, supplied as an optional extra (Fig.5). This system minimises transfer of vibration into the building structure.
If a more rigid installation can be tolerated, then suspend the unit from four threaded rods (not supplied) and use locknuts (not supplied), as shown in Figure 6.
The unit has a built-in sloping drain tray, therefore mount it level.
When finally positioned, tighten the lock nuts on the mounting rods from above and below the mounting flange to give a firm installation (see Fig. 6).
Condensate Drain
The condensate drain should be trapped outside the unit cabinet. The trap should have a vertical height of at least 50 mm. The drain should have a slope of at least 1 in 50 and must not be piped to a level above the unit drain tray. (Refer Fig.7).
For long condensate pipe runs, fit a vent pipe near the drain trap. The top of the vent pipe must be at least 100 mm above the IMD unit’s drain tray.
It is essential that the drainage system is checked by pouring water in the drain tray and seeing that it discharges at the end of the drain and does not overflow the drain tray.
Note: The built-in drain tray can be removed for cleaning (or fan access) by first removing the unit’s base.
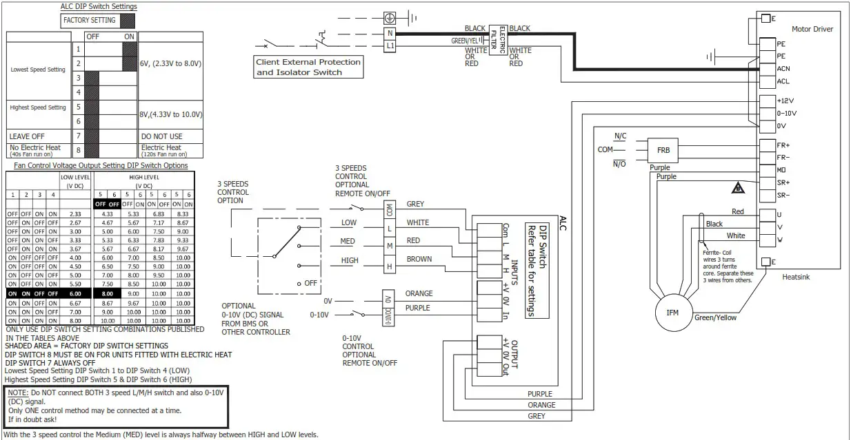
ELECTRICAL WIRING
The electrical supply required (including voltage fluctuation limits) is: 1 phase 200-252 V a.c. 50 Hz with neutral and earth. The supply to have an isolation switch adjacent to the unit but not attached to the unit. Recommended external circuit breaker size is 10 amp.
Electrical work must be carried out by a qualified electrician in accordance with local supply authority regulations and the wiring diagram.
FAN CONTROL
Overview
The fan can be controlled between selectable low and high levels using either:
- 0–10V DC control voltage (ie continuously variable), or
- (up to) 3 contact inputs (ie stepped).
Only one control method must be connected at any one time; not both.
Fan run on is provided with durations suiting water sourced and electric heating systems.
Control Levels (Output Voltages) DIP switches 1-4 of the Analog Level Controller (ALC on wiring schematic) select the low fan control voltage level. DIP switches 5 and 6 select the high fan control voltage level as a set amount above the low level. The medium level setting is half way between the low and high setting levels.
The control voltage settings apply to both 0-10V and contact input control levels.
Refer to the wiring schematic diagram for the default settings and the available level settings.
Contact Inputs
Voltage free contact inputs can be used to operate the fan at the selected control levels.
0-10V Input
A 0–10V DC signal can be used to control the fan. The fan is stopped for input signals below 1.6V. The fan operates at the selected low level when the input signal is between 1.6 and 2.0V. As the input signal increases above 2V the fan control signal increases linearly reaching the selected high level when the input signal is 10V.
Run-On
The run-on duration is selected with DIP switch 8 for either 40 seconds or 120 seconds for electric heating systems. If electric heating is fitted ensure DIP switch 8 is set on for 120 seconds run on.
The fan will run-on for the selected period when the 0-10V input falls below 1.6V and all the contact inputs are opened. If the 0-10V input signal remains below 1.6V and the contact inputs remain open the fan will stop at the end of the run-on period.
Note
Select fan control levels that avoid water carry-over problems.
COMMISSIONING
- Check that the thermostat is correctly wired and set at the desired temperature.
- Check that the air filter (if fitted) is clean.
- Check that the fan runs freely without vibration.
- Check condensate drain for free drainage.
Fig. 3 IMD 210Y

Fig. 4 IMD 280Y

Fig. 5 Spring Mounting & Fig. 6 Solid Mounting

Fig. 7 Condensate Drain

MAINTENANCE
Weekly For First Four Weeks
- Check air filter (if fitted); vacuum clean as necessary.
- Check condensate drain for free drainage.
Monthly
Check air filter (if fitted); vacuum clean as necessary.
Six Monthly
- Check condensate drain for free drainage.
- Check heat exchanger coil; vacuum or brush clean as necessary.
- Check the tightness of the fan.
- Check that fan motor is free running.
- Check tightness of electrical connections.
- Check air supply at diffuser outlets.
NOTE
The manufacturer reserves the right to change specifications at any time without notice or obligation. Certified dimensions available on request.
This pamphlet replaces the previous issue no. 3989 dated 06/19.
Clearances added to diagrams.
Fig. 8 Application Considerations
Recommendations for Noise Isolation particularly for high static installations:
- Avoid installing units, with non-ducted return air, directly above spaces where noise is critical.
- Use flexible connections between unit and rigid ducting.
- Use generously sized acoustically lined ducts.
- If generous duct size is not possible, use turning vanes on bends to reduce air turbulence (regenerated noise).
- Use 90° bends in ducting to significantly assist in noise reduction.


IMD 135Y


IMD 95/170/210/280 Y




















