temperzone IMDL 40 Ducted Fan Coil Units Instruction Manual

Fig. 1 Dimensions (mm)

Note:
- Allow adequate clearance for the filter (if fitted) to be removed.
- Left handed models have drain exit nearer supply air side.

NOTE
The manufacturer reserves the right to change specifications at any time without notice or obligation. Certified dimensions available on request.
Fig. 2 Optional Supply Air Spigots

GENERAL
The IMDL ducted fan coil units are available in Standard (-S), Medium (-M) or High (-H) capacity motors, e.g.
IMDL 90-S, standard cap. 6 pole motor
IMDL 90-M, medium cap. 4 pole motor
IMDL 90-H, high capacity 4 pole motor
The IMDL ducted fan coil units must be installed in accordance with all national and local safety codes.
Optional
- Supply air spigots adaptors,
- Flexible hoses (uninsulated):
– 13 BSP (1/2″) part no. 060-085-001
– 20 BSP (3/4″) part no. 060-085-002 - Electric heater elements (factory fitted).
INSTALLATION
Positioning & Mounting
IMDL units are designed to be used with simple, short duct layouts. Units should be located as close to the space to be air conditioned as acoustic criteria allows.
When determining the position of the fan coil unit, allow adequate space around the unit to facilitate water pipe/hose connections, future servicing and maintenance. Ensure there is enough working space in front of the electrical access panel. Allow adequate clearance for the filter to be withdrawn to its full length from either end of the unit. Alternatively the filter may be lifted out of its track. Provision should be made for access to remove the unit from the ceiling if the need arises.
Left handed models have drain exit on supply air side of the drain tray.
Install the unit suspended on threaded rods or bolts and locking nuts (not supplied). Alternatively mount each unit on vibration isolators on a suitable platform.
The unit must be installed level. Use the adjustable support bracket (see figure 3) to lower the drain pipe outlet and provide a slope in the drain tray.
WATER SUPPLY & RETURN
The IMDL unit’s IN and OUT water connections are male pipe threaded (refer Fig. 1). Warning: over-tightening of connections to the main water supply may damage the unit.
It is recommended you use two temperzone 600 mm flexible high pressure water hoses. These have female pipe threaded connections at each end. Maximum water pressure for each hose is 1720 kPa (250 psi). The IMDL unit alone, excluding hoses, will withstand 4480 kPa (650 psi).
Hoses may need to be insulated to meet local building regulations.
Poor quality water supply must be prefiltered and it is essential that adequate water treatment is maintained, particularly where open cooling towers are used.
Condensate Drain
The drain should have a slope of at least 1 in 50 and must not be piped to a level above the unit drain tray. Fit a vent pipe within 500 mm of the unit (see Fig.3). Check the drain by pouring water into the drain tray and ensuring that it clears.
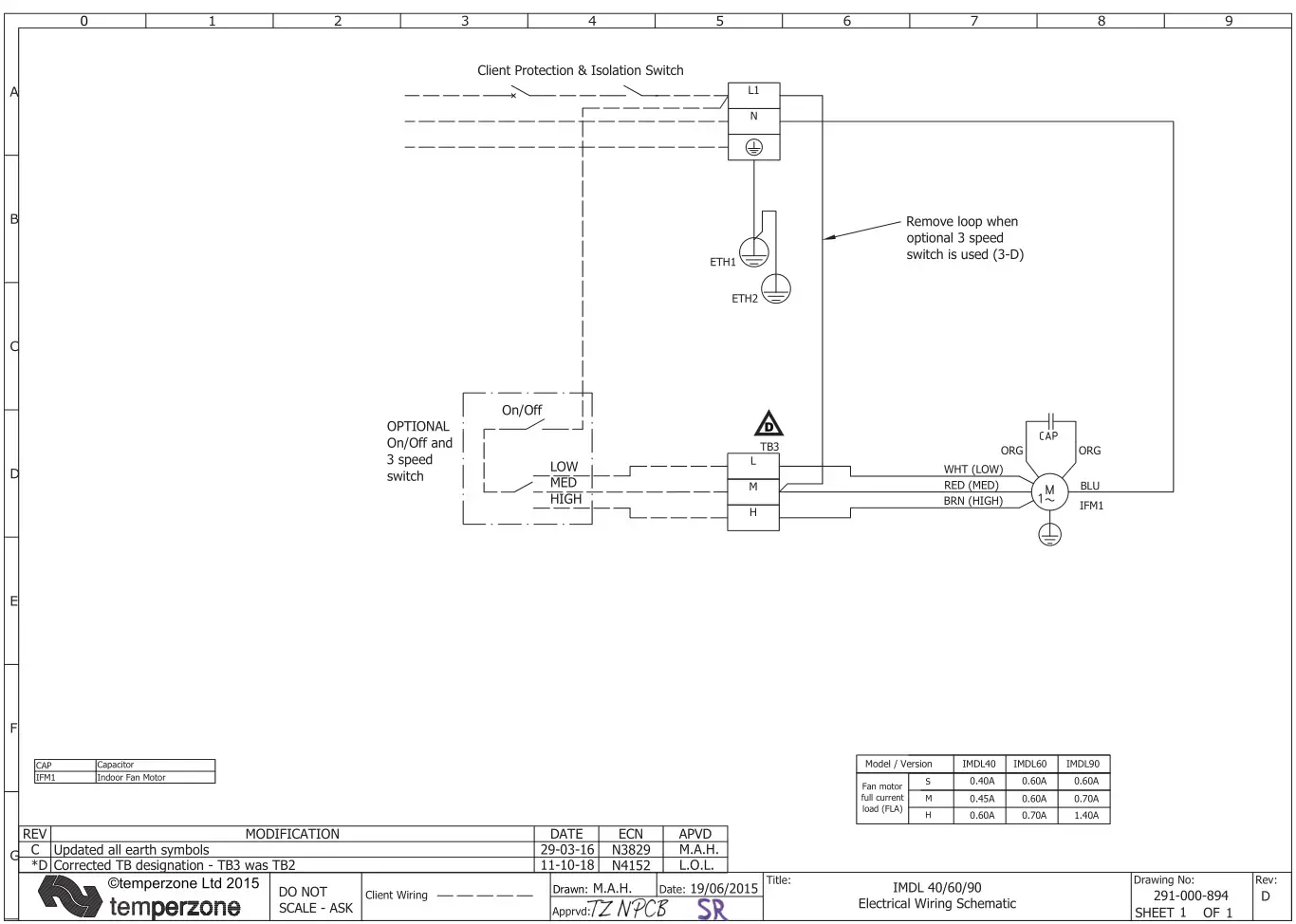
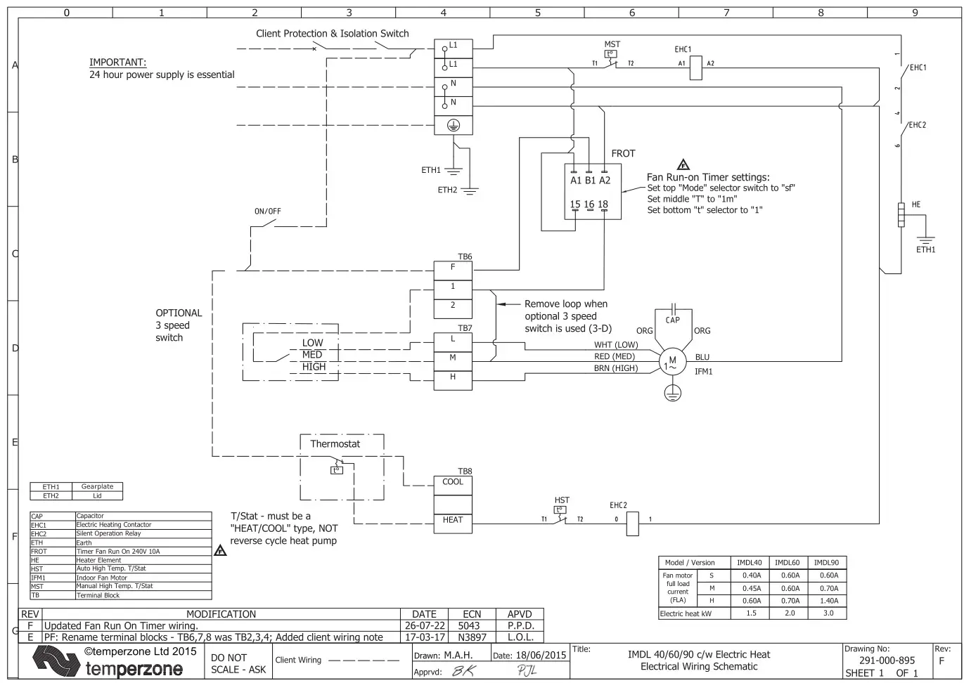
ELECTRICAL WIRING
The electrical supply required is: 1 phase 220-240 V a.c. 50 Hz with neutral and earth. The supply to have an isolation switch adjacent to the unit but not attached to the unit. Recommended external circuit breaker size is 5 amp.
Electrical work must be carried out by a qualified electrician in accordance with local supply authority regulations and the wiring diagram.
INDOOR FAN SPEED
The fan speed can be set to LOW, MED, or HIGH – whichever best suits the application.
ELECTRIC HEAT (Option)
Units installed with electric heat elements include both auto (90°C) and manual (120°C) high temp. safety thermostats. If the manual high temp. safety t/stat requires resetting and the auto high temp. safety t/stat does not reset, then the latter needs to be replaced.
COMMISSIONING
- Check that the thermostat is correctly wired and set at the desired temperature.
- Check that the air filter is clean.
- Check that the fan runs freely without vibration.
- Check condensate drain for free drainage.
MAINTENANCE
Weekly For First Four Weeks
- Check air filter; vacuum clean as necessary.
- Check condensate drain for free drainage.
Monthly
Check air filter; vacuum clean as necessary.
Six Monthly
- Check condensate drain for free drainage.
- Check heat exchanger coil; vacuum or brush clean as necessary.
- Check the tightness of the fan.
- Check that fan motor is free running.
- Check tightness of electrical connections.
- Check air supply at diffuser outlets.
NOTE
The manufacturer reserves the right to change specifications at any time without notice or obligation. Certified dimensions available on request.
Fig. 3 Condensate Drain

This pamphlet replaces the previous issue no. 3180 dated 02/22. Wiring rev. F for EH
Standard Unit

Standard Unit c/w Electric Heat

08/22 Pamphlet No. 3180
© temperzone limited 2022

















