MESTEK HWL2-1022 Low Temperature High Wall Heating Cooling Fan Coil Units
Product Information
The HWL2-1022 is a low temperature high wall heating/cooling fan coil unit with a capacity of up to 2 tons. It comes with a general description, technical data, service and installation instructions, control specifications, sensor resistance R-T conversion table, troubleshooting guide, and replacement parts. The product is manufactured to meet the stringent requirements of the internationally recognized ISO 9001 standard for quality assurance in design, development, and production. It also conforms to UL and CSA safety standards and the WEEE directive for environmental solutions. The product is designed and manufactured with the latest air-conditioning test rooms and manufacturing technology, producing over 50,000 fan coil units each year, all conforming to the highest international standards of quality and safety.
Product Usage Instructions
To use the HWL2-1022 low temperature high wall heating/cooling fan coil unit, follow the service and installation instructions provided in the manual. The unit comes with complete control PCB S type control and a remote control handset. Refer to the control specifications section for more information on how to use the controls. The sensor resistance R-T conversion table is also provided to help you understand the sensor resistance values. In case of any issues or problems with the unit, refer to the troubleshooting guide for assistance. Replacement parts are also available if needed. It is important to note that the product conforms to UL and CSA safety standards and the WEEE directive for environmental solutions, ensuring correct standards of environmental solutions.
MODEL HW-ECM INSTALLATION, OPERATION & MAINTENANCE MANUAL
Low Temperature
High Wall Heating/Cooling Fan Coil Units up to 2 Ton Capacity
INVESTING IN QUALITY, RELIABILITY & PERFORMANCE.
ISO 9001 QUALITY
Every product is manufactured to meet the stringent requirements of the internationally recognized ISO 9001 standard for quality assurance in design, development and production.
World Leading Design and Technology Equipped with the latest air-conditioning test rooms and manufacturing technology, we produce over 50,000 fan coil units each year, all conforming to the highest international standards of quality and safety.
ETL SAFETY STANDARDS
All products conform to UL standard for Safety for Heating and Cooling Equipment UL1995 4th Edition, October 14, 2011;
All products conform to CSA standard for Safety for Heating and Cooling Equipment CSA C22.2 No.236-11, 4th Edition, October 14 2011.
The Highest Standards of Manufacturing In order to guarantee the very highest standards and performance, we manage every stage in the manufacturing of our products. Throughout the production process we maintain strict control, starting with our extensive resources in research and development through to the design and manufacture of almost every individual component, from molded plastics to the assembly of units and controllers.
WEEE MARK
All products conform to the “WEEE” directive to guarantee correct standards of environmental solutions.
Quality Controlled from Start to Finish Our highly-trained staff and strict quality control methods enable us to produce products with an exceptional reputation for reliability and efficiency, maintained over many years. As well as full CE certification and ISO 9001, several products ranges have UL / ETL safety approval in the USA and Canada, Eurovent performance and sound certification as well as ROHS compliance for Europe, giving you the confidence of knowing our company is the right choice when selecting fan coil units.
ALWAYS MAKE SURE THIS MANUAL REMAINS WITH THE UNIT. READ THIS MANUAL BEFORE PERFORMING ANY OPERATION ON THE UNIT.
General Description
This HighWall Unit is designed to meet and exceed demanding requirements for efficiency, quiet operation and appearance. The sleek profile and elegantly styled cabinet complements any interior design theme, while the microprocessor assures accurate environmental control.
- Cabinet – the stylish cabinet is constructed of durable flame resistant acrylonitrile-butadiene-styrene (ABS) plastic. The silver white color and rounded corners provide its modern look.
- Water Coil – the water coil has a large heat transfer surface and utilizes the latest fin profile technology. It combines an advanced technology approach with the security of a traditional design regarding tube thickness. The water coil is also equipped with an air vent valve and a water purge valve.
- Integral Hoses – an integral hose is a synthetic elastomer tube, with stainless steel outer braiding and brass connectors, which enables quick, low cost connections with no brazing.
- Blower and Motor – the unit incorporates only specially designed and tested EC motors, allowing the blower wheel to provide optimum performance in airflow-efficiency and quiet operation.
- Filters – washable, easy-to-remove, fine mesh air filters are standard to all HighWall models. Tabs located on the front of the unit can be unsnapped, allowing the filter to be easily slid downward and removed. No tools are required, nor any dismantling of the equipment.
- Air Grille Distribution – all units are equipped with both deflector blades and independent directional vanes, enabling supply air to be automatically distributed, and air flow and direction to be customized.
Microprocessor controls (S3 type)
The PCB (printed circuit board) Modbus microprocessor controls functionality of the indoor-fan motor and water valves (ON/OFF or modulating) to maintain room conditions at a user-defined set point. Temperature settings, fan speeds and other control functions can be changed by either infrared handset or wired wall pad.
- High efficiency EC motor.
- Cool, Heat, Auto, Dehumidifier and Fan modes.
- Sleep, Auto-Fan, Daily Timer, Auto-Restart with memory functions.
- User friendly remote control.
- Heat and cool temperature protections and safety cut out.
- Manual control panel in cabinet.
- Auxiliary switch for cooling and heating signal.
Technical Data
General Specification – HW-ECM Series
Product range: HW-ECM Hydronic High Wall 2 Pipe with EC Motor
- Cooling:
Return air temperature: 80°F DB/67°F WB. Inlet/Outlet water temperature: 45°F/55°F - Heating
Return air temperature: 70°F Inlet water temperature: 140°F- Heating: water temperature difference is 20°F. Cooling: water temperature difference is 10°F.
Coil Data – 2-Pipe Systems
Sound Power Data
Dimensional Drawings – HW-06/15/18-ECM – (Inches)
Service and Installation
Operating Limits
Power Supplies![]()
Water Circuit
Installation of HighWall Unit
Selecting a Location
Select the location for the HighWall unit with the following considerations:
- The air inlet and outlet area should be clear without obstructions. The air should flow freely.
- The HighWall unit should be mounted on solid wall.
- The location should allow easy access to connect water pipes easily achieve drainage.
- Ensure the clearance around the fan coil unit conforms to the following drawing.
- The unit should be installed higher than eye level.
- Avoid installing the unit with direct sunlight.
Notes:
Required clearance for maintenance and servicing is as shown above. All dimensions shown in inches. - The signal receiver on the unit must be kept away from any high frequency emission source.
- Keep the unit away from fluorescent lamps, which may affect the control system.
- Avoid electromagnetic control system interference, ensure control wires are installed separately from 110 VAC power supply wires.
- Use shielded sensor cables where electromagnetic waves present.
- Install a noise filter if the power supply creates any disruptive noises.
Mounting Plate Dimensions
Installing the Mounting Plate
- Select the structural position (e.g. a pillar or lintel) on the wall.
- Then temporarily fasten the mounting plate on the wall with a steel nail.

- Mount the mounting plate horizontally as shown in the above figure or by means of gradiometer. Failure to follow this may cause water to drip indoors and create atypical noise.
- Fix the mounting plate by means of expansion screws or tapping screws.

Drilling the Condensate Drain Hole
- Ensure that the hole for condensate drain is correctly positioned. The height should be lower than the bottom edge of the indoor unit.
- Drill a 2.5″ diameter hole with a descending slope.
- Seal it off with putty after installation.

Installing the Hydronic Unit
- Pass the piping through the hole in the wall and hook the indoor unit on the mounting plate by the upper hooks.
- Move the body of the unit from side to side to verify if it is securely fixed.
- While pushing the unit toward the wall, lift it slightly from beneath to hook it up on the mounting plate by the lower hooks.
- Make sure the unit firmly rests on the hooks of the mounting plate.

Drain Piping Works
- Install the drain hose so that it slopes downward slightly for free drainage. Avoid installing it as shown in the below illustrations marked with an “X”.

- Put water in the drain pan and make sure that the water drains outdoors.
- If the flexible drain hose provided with the indoor unit is not long enough, please extend it by joining it to a field supplied extension. Be sure to insulate the connecting part of the extension with
- shield pipe as shown.

- shield pipe as shown.
- If the attached drain hose passes through an indoor area, insulate it with insulation material.
Unit Maintenance and Preparation
Opening and Closing Of Lift-Up Grille Cover
Open the grille cover by lifting from the bottom position indicated by the arrows.
Close the grille cover by pressing down at the positions indicated by the arrows.
Removing Front Cover Assembly
- Set the horizontal louver to the horizontal position.
- Remove the screw caps below the louver, and then remove the mounting screws.
- Open the lift-up grille cover by grasping the panel at both sides as shown above.
- Remove the remaining screws located in the center of the front cover.
- Grasp the lower part of the front cover and pull the entire assembly out and up towards you.

Air Purging
- After connecting the water inlet and outlet pipes to the main supply lines turn on the main breaker and operate the unit in COOLING mode.
- Open the water inlet valve and flood the coil.
- Check all connections for water leakage. If no leak is found, open the purging valve with an open end wrench while supporting the unit with your other hand. Then purge the air trapped inside the coil. When performing this activity, take care not to touch the electrical parts.
- Close the purging valve when no bubbles appear.
- Open the water outlet valve.
Wiring Connections
Unit components are wired to the terminal block of the indoor unit. Wiring can be accessed from the terminal block inside the control box.
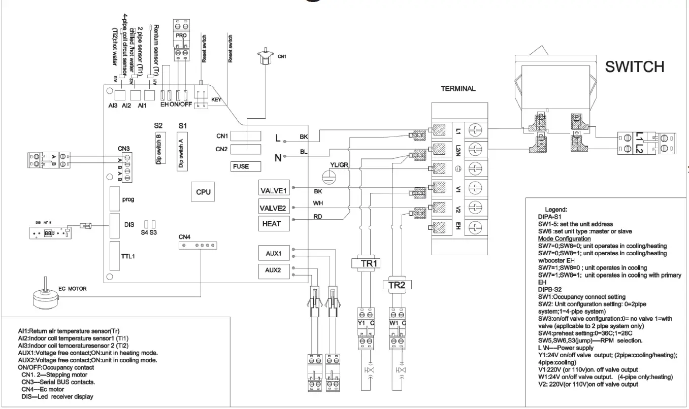
Control Specifications: Complete Control PCB – S Type Control
Abbreviations
- Ts = Setting temperature
- Tr = Room air temperature
- Ti1 = Chilled water coil temperature
- Ti2 = Hot water coil temperature
- AUX1 = Hot water free contact
- AUX2 = Chilled water free contact
- MTV1 = Chilled Motorized valve
- MTV2 = Hot Motorized valve
Definition of Input/Output
Wiring Schematic
Wiring Diagram Full Control PCB – S Control Type
Motorized Fan Speed Settings for Different Models on DIPB:
Mode configuration:
HighWall Unit ON/OFF
There are 3 ways to turn the system on or off:
- By the ON/OFF button on the handset.
- By the programmable timer on the handset.
- By the manual control button on the HighWall unit.
Power On Setting
There are 3 ways to turn the system on or off:
- Handset only user interface: When the power ON signal is received by the unit, the Mode, Fan Speed, Set temperature and Louver setting will be the same as the handset setting before the last power OFF.
- When the power ON signal is received by the HighWall unit, the Mode, Fan Speed, Set temperature, Louver setting and Timer ON/OFF weekly program will be the same as the handset setting before the last power OFF.
With Thermoelectric Valve Configuration
COOL MODE
- MTV2, AUX1 and heater are always off.
- If Tr ≥ Ts + 1.8ºF (or + 7.2ºF if economy contact is activated), then cool operation is activated and MTV1 and AUX2 are turned on. Indoor fan runs at set speed.
- If Tr < Ts, then cool operation is terminated and MTV1 and AUX2 are turned off. Indoor fan runs at set speed.
- The range of Ts is 60.8 – 86ºF
- Indoor fan speed can be adjusted to low, medium, high and auto.
- When turned on, MTV1 requires 30 seconds before it is fully open.
- When turned off, MTV1 requires 120 seconds before it is fully closed.
- When the unit is turned off, the indoor fan will shut down after 5 seconds.
LOW TEMPERATURE PROTECTION OF INDOOR COIL
- If Ti1 ≤ 35.6ºF for 2 minutes, then MTV1 and AUX2 are turned off. If indoor fan is set for low speed, it will run at medium speed. If it is set at medium or high speed, it will keep running at the same speed.
- If Ti1 ≥ 41ºF for 2 minutes, then MTV1 and AUX2 are turned on. Indoor fan runs at set speed.
FAN MODE
- Indoor fan runs at the set speed while heater, MTV1, MTV2, AUX1 and AUX2 are turned off.
- Indoor fan speed can be adjusted to low, medium and high.
PRE-HEAT
- If Ti1 < 96.8ºF (or 82.4ºF depending on DIP setting), then MTV1 and AUX1 are turned on, indoor fan runs at 200RPM.
- If Ti1 ≥ 100.4ºF (or 86ºF depending on DIP setting), then MTV1 and AUX1 are turned on, indoor fan runs at set speed.
- If the indoor coil temperature sensor is damaged, then the pre-heat time is set for 2 minutes. Indoor fan runs at set speed.
POST-HEAT
- If Ti1 ≥ 100.4ºF, then MTV1 and AUX1 are turned off. Indoor fan continues to run at set speed.
- If 96.8ºF ≤ Ti1 ≤ 100.4ºF, then MTV1 and AUX1 are turned off. Indoor fan maintains its original state.
- If Ti1 < 96.8ºF, then MTV1 and AUX1 are turned off. Indoor fan runs at 200RPM.
- If the indoor coil temperature coil is damaged, then the post-heat time is set for 3 minutes with the indoor fan running at set speed.
OVER-HEAT PROTECTION OF INDOOR COIL
- If Ti1 ≥ 167ºF, then MTV1 and AUX1 are turned off. Indoor fan remains on and runs at high speed.
- If Ti1 < 158ºF, then MTV1 and AUX1 are turned on. Indoor fan remains on and runs at set speed.
- If the indoor coil temperature sensor is damaged, then the protection mode will be overridden and the unit will work according to the pre-heat and post-heat program.
DEHUMIDIFICATION MODE
- MTV2, AUX1 and heater are always off.
- If Tr ≥ 77ºF, then MTV1 and AUX2 will be turned on for 3 minutes, and then off for 4 minutes.
- If 60.8ºF ≤ Tr < 77ºF, then MTV1 and AUX2 will be turned on for 3 minutes, and then off for 6 minutes.
- If Tr < 60.8ºF, MTV1 and AUX2 will be turned off for 4 minutes.
- At the end of the above dehumidification cycle, the system will decide the next dehumidification control option. Indoor fan will run at low speed throughout the dehumidification process.
AUTOMODE
- Every time the unit is turned on, MTV1 is on while AUX1, AUX2 and fan are off. MTV2 and the heater are always off. After 120 seconds, the subsequent operation mode is decided according to the following:
- If the coil temperature sensor (Ti1) ≥ 96.8°F, then MTV1, AUX1 and fan turn on or off according to HEAT mode.
- If Ti1 < 96.8°F, then MTV1, AUX2 and fan turn on or off according to COOL mode.
- Unit remains in AUTO COOL or AUTO HEAT mode throughout the operating cycle until the user changes the mode manually or restarts the unit.
- Should the Ti1 sensor fail or be damaged, auto mode will not function.
Note: AUTO COOL or AUTO HEAT operations are the same as COOL or HEAT mode respectively.
Sleep Mode
- The sleep mode can only be set when the unit is in cool mode or heat mode.
- If the sleep mode is activated when the unit is in cool mode, then the indoor fan will run at low speed and Ts will increase by 3.6ºF over 2 hours.
- If the sleep mode is activated when the unit is in heat mode, then the indoor fan will run at set speed and Ts will decrease by 3.6ºF over 2 hours.
- Changing the mode of operation will cancel the sleep mode.

Auto Fan Speed
In this mode, the fan speed is not changed until the fan has run for more than 30 seconds. After 30 seconds the fan speed is modulated according to the difference between the room temperature and the set temperature. The controller adjusts the motor signal input from 0 to 5VDC by PID calculation every 10 seconds. The air flow is adjusted from 15% to 100%.
LED Lights
LED Display and Error Description
Users Interface
Remote Control Handset
Attention
When unit with handset is the master unit, its settings are automatically sent to the slave units; Auto Cool -Heat operation will be applicable in 4-pipe system only.“Swing” function is not applicable . European version only uses degree C setting.
Sensor Resistance R-T Conversion Table
- Resistance : R (77°F) = 10KΩ ± 1%Beta
- Constant : B (25/85) = 3977 ± 1%

- Resistance : R (77°F) = 10KΩ ± 1% Beta
- Constant : B (25/85) = 3977 ± 1%

Troubleshooting Guide
Replacement Parts
IN UNITED STATES:
260 NORTH ELM ST.
WESTFIELD,
MA 01085 800-465-8558
FAX (413) 564-5815
IN CANADA:
7555 TRANMERE DRIVE,
MISSISSAUGA,
ONTARIO,
L5S 1L4 (905) 670-5888
FAX (905) 670-5782



Notes:






























