OLIMPIA SPLENDID B0855 Bi2 Ventil Radiators or Fan Coils Electronic Kit

GENERAL INFORMATION
GENERAL INFORMATION and WARNING
This manual is an integral part of the installation and use manual provided with OLIMPIA SPLENDID series Bi2 terminals. Both manuals must be stored carefully and ALWAYS stay with the appliance, even if it is sold to another owner or user, or moved to another system. If it is damaged or lost, request another from your local OLIMPIA SPLENDID Service Technician.
Kit B0855 must be used in conjunction with appliances with alternate current fan motor, while kit B0828 must be used solely on appliances with DC inverter fan motor.
For all other general information and warnings to be complied with during installation and use of kits B0855 and B0828, consult the instruction booklet provided with OLIMPIA SPLENDID series Bi2 terminals.
COMPLIANCE
OLIMPIA SPLENDID Bi2 ventil radiators/fan coils equipped with the B0828 – B0855 electronic kit comply with European Directives:
- Low Voltage Directive 2006/95/EC
- Electromagnetic Compatibility Directive 2004/108/EC.
- RoHS Directive 2011/65/EC
DISPOSAL
This symbol on the product or its packaging indicates that the appliance cannot be treated as normal domestic trash, but must be handed in at a collection point for recycling electric and electronic appliances. Your contribution to the correct disposal of this product protects the environment and the health of your fellow men. Health and the environment are endangered by incorrect disposal
Further information about the recycling of this product can be obtained from your local town hall, your refuse collection service, or in the store at which you bought the product.
This regulation is valid only in EU member states
ASSEMBLY INSTRUCTIONS
OPENING THE SIDES
- Dismount the upper grill (fig. 1 ref. A) by unscrewing the two fixing screws (fig. 1 ref. B).

- Open the side inspection flap (fig. 1 ref. C).
- On the left-hand side, unscrew the screw (fig. 1 ref. F) fastening the left panel (fig. 1 ref. G), then move it slightly to the left and lift it out.
- Unscrew the screw fastening the panel on the opposite side (fig. 1 ref. L).
- Move the side panel slightly to the right and lift it out (fig. 1 ref. P).
CONFIGURATION
The electronic board of kit B0828 – B0855 must be configured according to the model of Bi2 ventil radiator/fan coil on which it is installed and based on determined machine operating preferences. The three selectors J1, J2 and J3 indicated in fig. 6 must be set as follows:
- J1 = ON (for appliances with radiant plate, such as SLR or SLR+): in night-time mode and with ambient temperature close to that required, rooms are heated by radiation and natural convection, as with traditional radiators (in these conditions ventilation is inhibited for maximum acoustic comfort);
- J1 = OFF (for appliances without radiant plate, such as SL, SL+ or SLN): heating always takes place by forced convection, with ventilation active also in night-time mode (at reduced speed).
- J2 = ON: in cooling mode the fan remains powered even when the required ambient temperature is reached;
- J2 = OFF: in cooling mode the fan deactivates on reaching the set temperature.
- J3 = ON (appliances to be installed in 2-pipe systems): the board is set to manage a single water valve for summer (cooling) and winter (heating) mode. Use this setting also when using kit B0828 – B0855 on appliances with movable air suction panels (Full Flat models).
- J3 = OFF (appliances to be installed in 4-pipe systems): the board is set to manage 2 water valves, one for summer (cooling) and one for winter (heating) mode. The three selectors can be positioned in all possible combinations, as the respective functions are independent of one another.
INSTALLATION
To install the connection box:
- open the box (fig. 2 ref. B);

- insert the lower lug into the special slot (fig. 2 ref. C) on the side of the appliance;
- hook the upper part of the box to the side (fig. 2 ref. D);
- fix it with the two supplied screws (fig. 2 ref. E);
- fix the earth wire to the cooler-convector/cooler-radiator structure using the screws supplied (the minimum force of about 4N must be used when screwing-up);
- make the electrical connections, as described in par. 2.4.
- close the box and secure it with the 4 screws (fig. 2 ref. F);
- fit the control with the 2 screws provided as shown in fig. 3. If the control is to be installed on the left-hand side of the machine, proceed in the same way taking care to move the support as shown in fig. 3B.
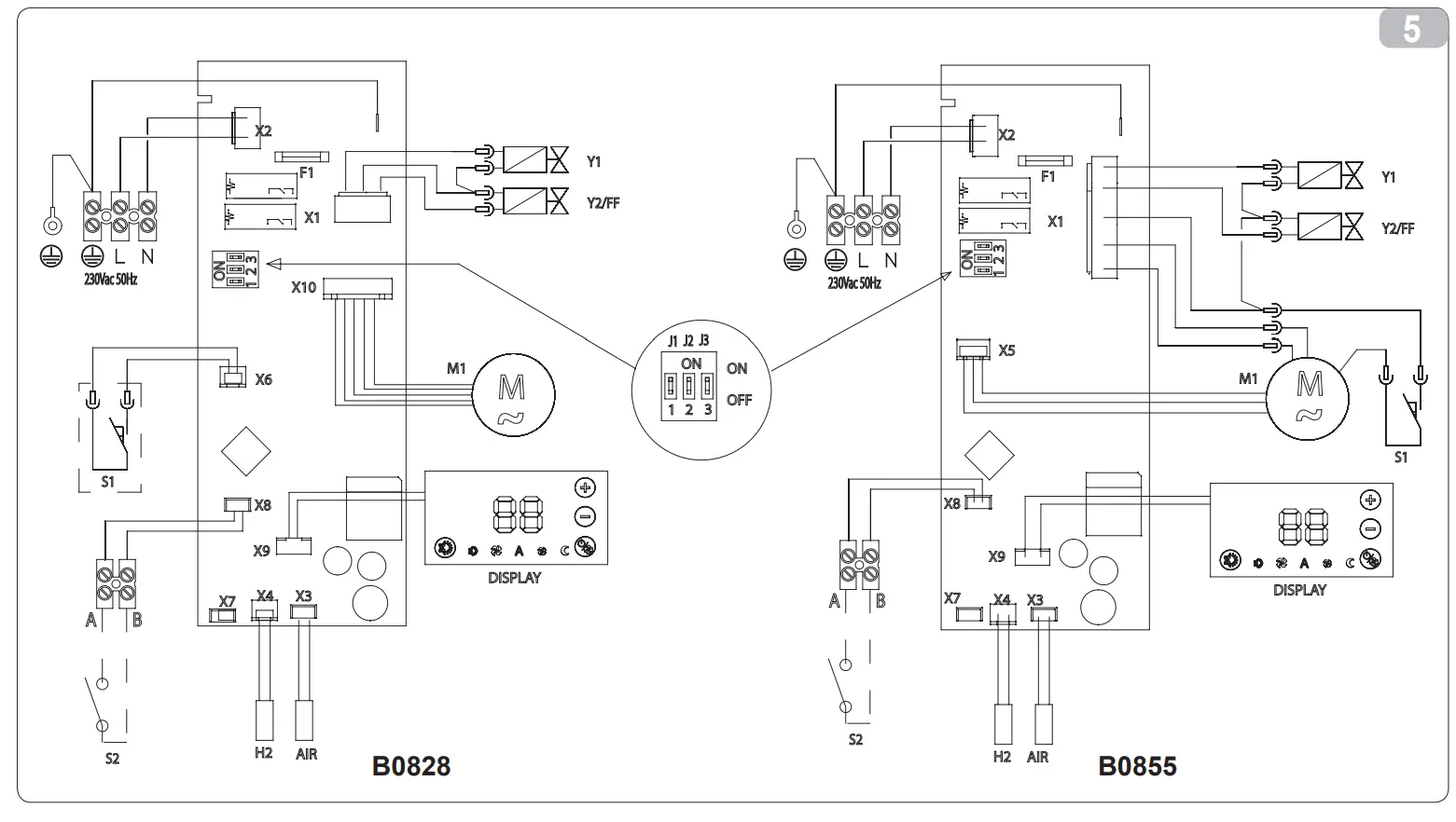
ELECTRICAL CONNECTIONS (Fig.5)
Before connecting the lentil radiator/fan coil to the mains, ensure that:
- The voltage and power frequency values match those specified on the appliance plate data) (230Vac +/-15%, 50Hz);
- The power line is equipped with an effective earth connection and is correctly sized for maximum power consumption of the appliance indicated on the plate data (minimum section of power cables equal to 1.5 mm2 ).
- An omni polar disconnect device and adequate protection against overloads and/or short-circuits must be added in compliance with national installation regulations.
It is essential to ensure that the appliance is NOT connected to the mains before making any electrical connections or carrying out maintenance.
- Fasten the earth cable to the appliance structure using the screw and washer supplied (the minimum screwing force that must be exerted is about 4N) (see fig.3 ref. A;

- For the B0855 kit, connect the motor connector to the 3 pole connector and to the X5 input on the electronic circuit board.
- For the B0828 kit, connect the motor connector to the X10 output on the electronic circuit board.
- Connect the water probe connector on the fan coil unit to input X4. Make sure the probe is correctly seated in its relative housing on the water battery.
- Connect the 2-pole connectors to the respective solenoid valve cables (if present). On appliances for 2-pipe systems, connect only the connector with red cable to the single water solenoid valve, while for appliances for 4-pipe systems, connect the connector with red cable to the hot water solenoid valve and the connector with green cable to the cold water solenoid valve.
- For kit B0828 and only on some models, connect the grill opening microswitch cable to inlet X6 on the electronic board (eliminating any jumper);
- connect the power cable to the terminal board and fasten it with the cable grip. Use cables with a minimum section of 1.5 mm2 .
- Connect the display board connector to input X9 on the electronic circuit board.
AIR TEMPERATURE PROBE INSTALLATION
To position the temperature probe (fig. 4 ref. A):
- pass the probe through the hole on the shoulder (fig. 4 ref. B)

- insert the probe in the lower hole (fig. 4 ref. C)
- fix the probe in the special hook (fig. 4 ref. D).
PRESENCE CONTACT INPUT
The free contact (not powered) of a presence sensor (not supplied) can be connected to terminals A and B (fig. 5), upon closure of which the selected ambient temperature is automatically increased (in cooling) or decreased (in heating) by 2.5°C. When set to 0°C, when the contact closes the appliance deactivates (stand-by). This value can be changed in the factory or by an authorised service centre at the request of the customer.
The input cannot be connected in parallel to one of another electronic board (use separate contacts).
To connect the presence sensor, use double insulated cable with minimum section of 2×0.5 mm2 and maximum length 20 m (keep this connection separate from the appliance’s main power line).
SPECIAL FUNCTIONS
- Air sampling: in heating or cooling mode and with ambient temperature above or below the required value respectively, the fan is powered for 1 minute at minimum speed and at intervals that can be set to between 1 and 60 minutes. In this way, the system is able to control the temperature of the surrounding environment and reactivate more quickly if necessary.
- Ambient temperature offset: in particular situations (e.g.: ceiling installed appliances) it may be necessary to offset the difference between the temperature acquired by the electronic board and the actual temperature of the room in which the appliance is installed (offset can be set between +5°C and -5°C). Both of the above functions can be activated at the factory or by an authorised service centre at prior customer request.
- Control blocking: to block the keys hold down the
keys together for 5 seconds. Repeat the operation to release. - Remote control via thermostat B0736 (optional kit): To enable communication with thermostat B0736, hold down keys
and
for 10 seconds. The thermostat must be connected as described in the appropriate section. If the function is active, each time a key is pressed, the letters “re” appear for a few seconds on the display. To select a function, the “remote control” must be disabled.
N.B.: - When the connection is active, the remote control is disabled.
- The flap cannot be controlled using the remote control.
CONNECTION WITH WIRED CONTROLLER B0736
- Move the connector on connection X8 to connector X7. the CP window contact will be controlled from the wall-mounted control B0736
- Connect the cables from connection AB of the B0736 controller to connector AB on the control (being careful to observe the polarity, see fig.5) ending the furthest unit with the 120 Ohm resistance.
- Enable the connection by pressing keys
and
for 10 seconds. To disable the connection press keys
and
for 10 seconds - The commands
in fig.6 will be disabled and the display will show the wording “rE” each time they are activated. - The indicators
will show the operating mode and the fan speed set. - For the functions and settings see the instructions for the B0736 controller. Once the connection and any configuration operations are complete, close the electrical panel again (fig.3) using the screws removed previously. Refit the front panel back making sure to connect the display connector. Secure the front panel with the 2 screws fig.1. The machine can now be powered up.
CLOSING THE APPLIANCE
- Mount the aesthetic side panel on the ventil radiator/fan coil;
- tighten the top screw fastening the side panel (fig. 1 ref. L or ref. F);
- refit the air outlet safety grill (fig. 1 ref. A).
- Position the screw cap provided in the housing on the control panel (fig. 1 ref. H).
WIRING DIAGRAM (fig. 6)

H2 water temperature probe
AIR air temperature probe
M1 fan motor
S1 suction grill safety microswitch (only on some models)
Y1 hot water solenoid valve (230V-50Hz, max 10W)
Y2 cold water solenoid valve (230V-50Hz, max 10W) (*).
FF movable suction panel servodrives (only on some models)
S2 presence sensor contact (not supplied)
(*) Only on appliances for 4-pipe systems.
SETTING AUTOMATIC COOLING/HEATING MODE
Setting this type of adjustment enables the control to automatically select cooling or heating mode, excluding normal manual selection. This adjustment is particularly suitable for 4-pipe appliances, and can be activated solely by a qualified and authorised installer. To activate this function, hold down the cooling/heating selection key (fig. 7 ref. B) for 10 seconds until the blue and red symbols light up simultaneously (fig. 7 ref. C and D). This setting is also maintained in the event of a power failure.
To deactivate the automatic cooling/heating function, press the cooling/heating selection key again for 10 seconds. Then check that each time the key is pressed it is possible to cycle through cooling only (blue indicator fig. 7 ref. C on), heating only (red indicator fig. 7 ref. D on) or ventilation mode (blue and red indicators both off).
USE
The command makes the temperature regulation completely autonomous through the AUTO, SILENT, NIGHT and MAX programmed, with a probe positioned in the lower part of the ventil radiator/fan coil, and guarantees anti-freeze security even when in stand-by.
Control panel description (fig. 6)
A Ambient temperature selector (15°C-30°C)
B Key for selecting cooling/heating mode ![]()
C Indicator light for cooling/heating mode ![]()
D Maximum speed operation indicator light ![]()
E Automatic operation indicator light ![]()
F Silent operation indicator light ![]()
G Night time operation indicator light ![]()
H ON/Stand-by and fan selector key ![]()
SWITCHING ON/OFF
If there is a master switch on the mains power supply then it must be switched on. To switch on the fan coil unit, press key
(fig. 6 ref. H) for 2 seconds. To switch off the appliance hold down key
(fig. 6 ref. H) for around 2 seconds. No light signal means the unit is in ‘stand-by’ mode (not running). When the control is in this operating mode, protection against freezing is guaranteed.
If the ambient temperature drops below 5°C the hot water solenoid is activated and the fan motor runs at minimum speed (AF).
MANUAL COOLING/HEATING SELECTION
Press key
((fig. 6 ref. B) for 2 seconds to select the cooling (blue LED), heating (red LED) or ventilation (red LED and blue LED off) modes in sequence. In ventilation mode both the hot water and the cold water solenoid valves remain disabled, while the fan activates at the set speed. Manual cooling/heating/ventilation mode selection is not available if the automatic cooling/heating mode has already been set by the installer. This function is signalled by the blue and red LEDs coming on alternately each time the key
is pressed (fig. 6 ref. B).
The capacity of the appliance to operate in cooling or heating mode is always subject to the temperature of the water circulating inside the circuit. If the water temperature does not reach a suitable value for the mode set (i.e. if the water is too hot in cooling mode or too cold in heating mode), the fan motor stays off and the current indicator light – blue for the cooling mode, or red for the heating mode (fig. 6 ref. C) – will blink.
SETTING THE TEMPERATURE
The ambient temperature required can be set using the relevant selector (fig. 6 ref. A). The minimum temperature that can be set is 15°C, while the maximum temperature that can be set is 30°C.
SETTING AUTOMATIC RUNNING MODE
To select this mode, press key
(fig. 6 ref. H) until the indicator light comes on (fig. 6 ref. E). In this mode the microprocessor system automatically adapts the operation of the unit to the changes in the room conditions. In particular, the fan speeds adjusts automatically between the minimum and maximum values, depending on the heating or cooling requirements of the room.
In appliances fitted with radiant plate and in heating mode, when the ambient temperature comes close to the required value, the fan deactivates and the system controls the ambient temperature using only the radiant effect and natural convection.
MAXIMUM SPEED MODE
To select this mode, press key
until the indicator light comes on
(fig. 6, rif. D). This mode immediately gives the maximum power available in both cooling and heating modes (the fan motor always runs at maximum power). Once the required ambient temperature has been reached, a different operating mode should be selected to obtain the optimum setting in terms of heat and noise.
SILENT-RUNNING FUNCTION
To select this mode, press key
) (fig. 6 ref. H) until the indicator light
comes on (fig. 6, ref. F). In this mode the fan speed is always set to the minimum value to provide the most silent running in any operating mode.
NIGHT-TIME FUNCTION
To select this mode, press key
(fig. 6 ref. H) until the indicator light
comes on (fig. 6, ref. G). In this mode the fan speed is kept at a low value, and the temperature is automatically set as follows:
- reduced by 1°C after one hour and by a further degree after 2 hours in heating mode;
- increased by 1°C after one hour and by a further degree after 2 hours in cooling mode.
On models equipped with radiant plate, the night-time function in heating mode is carried out with the fan deactivated to heat rooms using radiation and natural convection, as happens with traditional radiators.
LED INDICATORS
The red and blue LEDs (fig. 6 ref. C) indicate whether the unit is running in heating or cooling mode. When the LEDs are off, the appliance is set in ventilation mode (both hot and cold water valves are not activated). If either of the two LEDs flashes, this means that the water demand (hot or cold) is not satisfied and so the fan shuts down until the water temperature reaches a suitable value to satisfy the demand.
When the red and blue LEDs
(fig. 6 ref. C) come on alternately, this indicates that the automatic cooling/heating mode is on.
The 4 LED
(fig. 6) indicate the running mode set, and they are all off in Stand-by mode. Each of these LEDs start blinking (soft-blinking) if in heating or cooling modes (red or blue LEDs on) the temperature set is respectively lower or higher than the room temperature detected by the appliance.
The brightness of the LEDs on the electronic panel is reduced after 15 seconds of inactivity on the keys or temperature selector for increased comfort at night.
ERROR SIGNALS
FI: The fan coil unit requires maintenance, select the stand-by program, clean the air filter as described in the maintenance manual, and the next time the unit is switched on, hold down keys ![]()
(fig. 6 ref. B and H) for 5 seconds until normal operation is resumed.
E2: signals that the ambient temperature probe is faulty.
E3 is associated with the water probe fault.
E4 signals a fault with the motor or the speed sensor. In the second case the appliance runs normally but the fan speed modulation function is inhibited; pressing keys ![]()
(fig. 6 ref. B and H) for 10 seconds will cancel the alarm signal.
E6: Front grille either not properly connected or micro switch is faulty
SHUT-DOWN FOR LONG PERIODS
When switching off for long periods or holidays, proceed as follows:
- Deactivate the appliance
- Set the master switch to OFF
The anti-freeze function is not active.
CUSTOMER SUPPORT
OLIMPIA SPLENDID spa
via lndustriale 1 /3
25060 Cellatica (BS)
www.olimpiasplendid.it
[email protected]




















