Carrier 42CT Fan Coil Units Instruction Manual

42CT Fan Coil Units Installation Operation Maintenance Manual
1. GENERAL INFORMATION
The fan coil units covered in this manual are suitable for indoor installation and ductable for horizontal concealed ceiling application.
1.1. Casing
Along with the air plenum box with filter options. Rear return air plenum and bottom return air plenum options fabricated with a galvanised steel.
1.2. Coil
Blue hydrophilic aluminium fan coil, with copper tube and aluminium fan.
The coil shall have 3 rows/4 rows configurations for 2 pipe application and 3+1 row configuration for 4 pipe application.
1.3. Filters
Washable nylon mesh panel filter&aluminium frame provided as standard. Easily removable from bottom/rear and easily demounted.
1.4. Drain Pan
Fabricated with galvanized with powder coating or stainless steel, and flat design sloped. Drain pan shall be insulated with elastomeric rubber foam.
Stainless steel and extended lenght drain pans (200 mm longer than standart pans) are optional.
1.5. Fans
Fans are designed wide and large diameter impeller, low speed forward blade.
1.6. Motors
AC motor with permanent split capacitor with three phase.
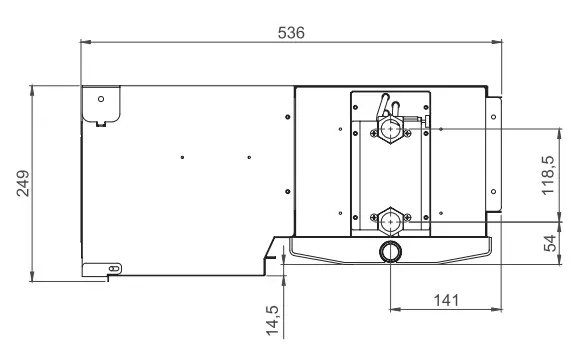
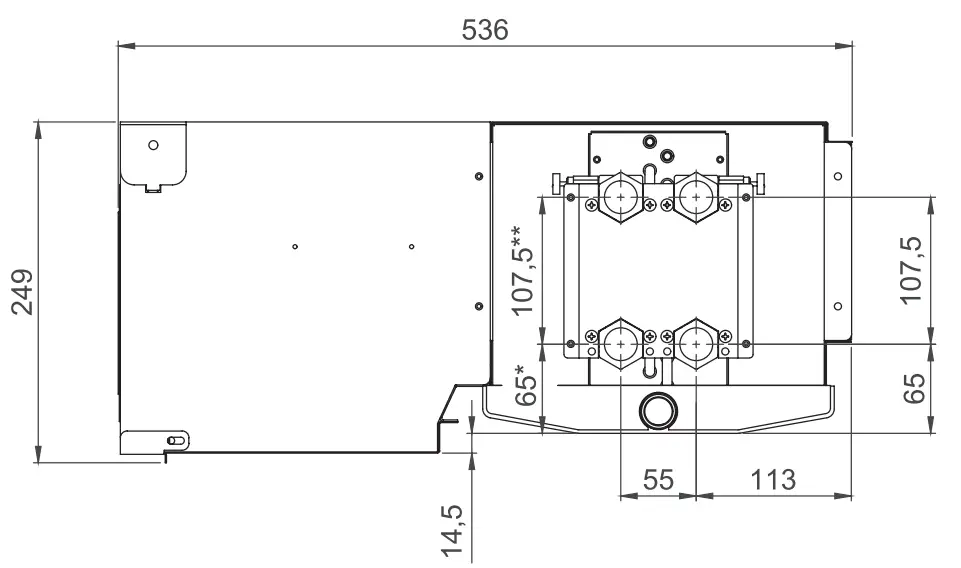
2. UNIT DIMENSIONS AND WATER COIL CONNECTIONS
Notes:
- The piping connections drain pan outlet and control box can be located on the right hand side or left hand side facing the airflow in the field when
- Unit should be installed for horizontal discharge
- All Dimensions are in
Standard 2 pipe unit with rear plenum
Standard 4 pipe unit with rear plenum
*
For the unit size 14, dimension is 54 mm** For the unit size 14, dimension is 118,5 mm
Standard 2 pipe unit with bottom plenum
Standard 4 pipe unit with bottom plenum
* For the unit size 14, dimension is 54 mm
** For the unit size 14, dimension is 118,5 mm
3.. INSTALLATION, COMMISSIONING, OPERATION, MAINTENANCE SAFETY CONSIDERATIONS
It is essential that installation, operation and maintenance must be carried out by a qualified, trained and experienced technicians. For safety reasons, technicians are required to read this manuel carefully.
The unit is not to be used by persons (including children) with reduced physical, sensory or mental capabilities, or lack of experience and knowledge, unless they have been given supervision or instruction
- This appliance can be used by children aged from 8 years and above and persons with reduced physical, sensory or mental capabilities or lack of experience and knowledge if they have been given supervision or instruction concerning use of the appliance in a safe way and understand the hazards involved,
- Children being supervised not to play with the appliance,
- Cleaning and user maintenance shall not be made by children without
Improper installation, adjustment, alteration, service, maintenance or use can cause explosion, fire, electrical shock or other conditions which may cause personal injury or property damage.
All power must be disconnected prior to installation and servicing this equipment. Insure that all power sources have been disconnected to avoid electrocution or shock injuries.
Check that voltage and frequency of the mains power supply are those required for the unit to be installed; the available power must be adequate to operate any other appliances connected to the same line.
Motor and fan must be disconnected to all power prior to opening access panels and servicing.
Ensure that national safety code requirements have been followed for the main supply circuit. Follow all current national safety code requirements. Ensure that a properly sized and connected ground wire is in place. Wear safety glasses and work gloves.
The manufacturer declines any liability for damage resulting from modifications or errors in the electrical or other connections. Failure to observe the installation instructions, or use of the unit under conditions other than those indicated in the unit installation manual, will immediately invalidate the unit warranty.In order to avoid electric shock, fire or injury, stop the unit and disconnect the safety switch in case of abnormal events (such as smell of burning) and call Alarko Carrier Service for further instructions. Do not place containers filled with liquids or other objects onto the unit.
Motor and fan must be disconnected to all power prior to opening access panels and servicing any maintenance operations or prior to handling any internal parts of the unit.
A routine maintenance should be carried out on the unit to check the correct operation of the electric connections and protection devices.
Do not attempt to repair, move, modify or re-install the unit on your own. To avoid electric shock or fire make sure these operations are carried out by qualified personnel only.
Contact the qualified service if one of the following events takes place:
- Hot or damaged power supply cable;
- Unusual noise during operation;
- Unusual smell (such as smell of burning).
3.1 Warranty
Warranty is based on the general terms and conditions of the manufacturer. Any modifications to the design and/or installation made without discussion with Alarko Carrier and without advance written agreement will result in the loss of the right to any warranty claims and any claim for injury to personnel as a result of these modifications.
4. OPERATING LIMITS
5. HANDLING & INSTALLATION & COMMISSIONING
- HANDLING & INSTALLATION & COMMISSIONING
- 42CT fan coil units are shipped individually packed in carton boxes. The units should never be stored and installed where they may be subjected to extreme conditions such as rain, snow, or extreme temperatures, direct sun, too close to heat sources , on humid positions with water hazard, e.g. laundry premises, full of dust, high frequency waves .The unit is for indoor The units should be installed an area free from obstructions which may cause irregular air distribution and/or return and where condensate can easily be piped to an appropriate drain.The ceiling structure should be strong enough to hook the unit and avoid deformation, rupture or vibration during operation.
- When receiving a shipment, check the condition of the units , report any damage in transit to the shipping file claim with transportation company and notify Alarko Carrier
- Do not unpack the units until just before they are due to be installed, and make sure they are as close as possible to the installation site when unpacking
5.1. Checklist before installation
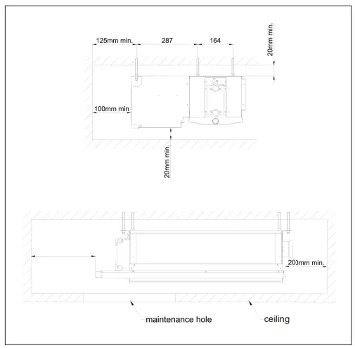
This unit should be installed on top the false ceiling. Following is a checklist before the installation is started;
Space requirement and clearance, Ceiling or mounting strength, Piping connections,
Condensate drain connection, Power supply and wiring,
Air duct connections,
Check all critical dimensions such as pipe, wire, and duct connection requirements. Refer to job drawings and product dimension drawings as required,
Be sure power requirements match available power source. Refer to unit wiring diagram see Fig,
Check all tags on unit to determine if shipping screws are to be removed. Remove screws as directed,
Rotate the fan wheel by hand to ensure that the fan is unrestricted and can rotate freely,
The piping connections, drain pan outlet and control box are located on the right side or left side of the unit facing the airflow direction.
1.2. Installation
Drill four holes for the screw anchors close to the four side hooks. Hook the unit on the screw anchors in the ceiling with 10 screw. Adjust the screws to make certain the fan coil is horizontally leveled.
Make certain there is enough space for maintenance and repair when installing the unit. (see below drawing) any rise in the condensate drain piping.
Avoid slack on electrical connections.
Avoid disconnecting water connections after installation. Avoid only partial insulation of the piping.
Avoid installation not correctly leveled which will cause condensate dripping. Avoid flattening or kinking pipes or condensate pipes.
Note: The air duct used in site should match with the normal ESP of unit.
5.3. Condensate drain
Coil surface condensation formed during the cooling cycle is collected in a pan purposely placed under the coil and then drained out through a drain pipe fitted on the coil connection side. A simple flexibil tube which fits 19 mm is recommended.
To facilitate correct condensate draining, make sure that the drain pipe is not bent or restricted and that it has the required slope (at least 2%) along its length.
5.4. Checking
Before unit operation verify that the water flows into the internal condensate drain pan by pouring some water into it.
If problems are detected, check the drain pipe slope and look for possible obstructions.
5.5. Water connections
In/Out connection is 3/4” FPT, drain connection is 3/4” MPT,
The water pipe connect with header should be flexible, and use PTFE TAPE to seal. The installation torque shouldn’t be larger than 60Nm, or may cause the header to be broken and leakage,
All the connection pipes must be insulated with a condensation-proof material such as polyurethane, propylene or neoprene of 5 mm to 10 mm thickness,
Before start-up, blow off all the air in coil through the air vent valve. The air in tube will result the reduction of the capacity and the abnormal noise in the coil.
5.6. Electrical connections
All field wiring and components must be installed by a licensed electrician and must comply with relevant local and national regulations.
Check that the power supply corresponds to the nominal power supply stated on the unit nameplate.
To avoid inter-disturbing within motors, do not connect two or more units into one control switch.
For the unit power supply, it is recommended to use cables with a minimum size of 1.5 mm .
Disconnect the power supply to all circuits prior to handling any electrical components.
In order to make the electrical connections you must remove the terminal box cover to access the terminal block.
Make earth connection prior to any other electrical connections.
The unit-wiring diagram shows all unit and field wiring. Before proceeding with the unit connection to the mains supply locate live L and neutral N, then make connections as shown in the wiring diagram.
Terminal box can be mounted on either sides.
Ensure that the mains supply connection is made through a switch that disconnects all poles, with contact gap of a least 3 mm and a suitable safety fuse (F).
All electrical connections should be checked for tightness before startup.
After making all electrical connections do not forget to close the terminal box cover
6. ELECTRICAL DATA
Fan operation 230V/1ph/50Hz and values are given for units with standard filter.
7. COMMISSIONING
The following procedures are designed as a guide to enable the units to be commissioned in accordance with the design requirements.
Ensure that the unit is installed correctly and undamaged.
Ensure that all unit sections are thoroughly clean and free from installation debris, that the filter is clean and free from dust.
Ensure that all access panels and blanking plates are in position and secure.
Ensure that all electrical wiring complies with unit wiring diagram and local by-laws and that all components, where applicable, are provided with all necessary safety, protection and isolating devices.
Check that the coil faces are free from any debris and check all coil connections for leaks.
Ensure that all air is vented from both coils and the system independently.
Check that the small gap between coil cheek plate and the drain pan has not been blocked by site debris.
Introduce water to the drain pan to verify free flow of water into drain. Start the fan the system thoroughly.
Check that the unit air volume and the external pressure are as design.
Check that the motor full load current is approximately equivalent to the unit nameplate value.
Check the on/off temperature across coils and adjust water flows accordingly.
After initial start-up and some continuous running of the unit, it is recommended that the following are checked; the motor full load current, the filter condition, the condensate and drains have free flow&no leaks, the valve connections have no leaks and that the controls operate correctly.
7.1. Service and Periodic Maintenance IMPORTANT:
Keep fan coil unit installation space clean to avoid dust entering unit, which may
lead to damage or comfort issue.
Disconnect the mains power supply prior to any maintenance operations or prior to handling any internal parts of the unit.
7.2. Condensate draining
During the summer season check that the condensate drain is free from dust and lint that could clog it, causing condensate water overflow.
The following procedures are designed as a guide to enable the units to be commissioned in accordance with the design requirements and should also be carried out with standard industry management.
7.3. Motor Fan Assembly
Disconnect the power supply to the unit before carrying out any work on the unit.
Remove the filter.
Remove the fan access panel.
Disconnect the fan assembly power supply cables (power and control wiring for variable-speed motor).
The fan assembly and its panel are held in place by four screws. Remove these screws and slide the assembly down.
Remove the fan motor assembly.
To re-install, follow the reverse procedure, ensuring that the electrical supply is isolated, making sure to reconnect all wiring harnesses. Dirt and dust should not be allowed to accumulate on the fan impeller or housing. This can result in an unbalanced fan impeller and damage the impeller or motor. The impellers can be cleaned periodically with a vacuum cleaner and brush.
7.4. Motor
The motor is permanently lubricated, therefore no periodical maintenance is required.
7.5. Heat exchanger coil
Isolate the electrical supply.
Isolate flow and return pipework to both heating and cooling connections. Drain down coils.
The coil should be inspected, at the same time as cleaning the filter, to ascertain if any solids or foreign matter has accumulated between the fins and that the coil connections are free from leaks. The coil should be cleaned by using a soft brush or vacuum cleaner and great care must be taken not to damage the fins, If fins become contaminated too frequently it is advisable to check the air filter to ensuring it is functioning correctly. Remove flow and return pipework to valves and condensate pipe.
Support weight of coil and remove the six M6 bolts holding the coil to the rear of the unit. Slide out the condensate tray and coil assembly from unit.
To reinstall, follow the reverse procedure, ensuring the electrical supply is isolated. The coil must be vented when refilling with water.
7.6. Drain Pan
Drain pan may be removed for cleaning independently of the coil and should be inspected annually. Lock open and tag unit electrical service switch. Check drain pan, drain line and trap at start of each cooling season. A standard type pipe cleaner for 3/4-in. ID pipe can be used to ensure that pipe is clear of obstruction so that condensate is carried away.
7.7. Air Filter
Take off the filter from the bottom or rear under the front panel or bottom.
Unit with rear plenum
Clean standart nylon filters with vacuum cleaner or water and soap solution. Rinse and allow them to dry before re-installation.
Optional filters can be vacuum cleaned. Replace it every 6 months, shorten the period if necessary.
Order No: X0001, 09.2021 – Supersedes order No.: New
The manufacturer reserves the right to make changes to the product specifications without notice.
































