Carrier PF4MNX Fan Coil Units

NOTE: Read the entire instruction manual before starting the installation.
Safety Considerations
Improper installation, adjustment, alteration, service, maintenance, or use can cause an explosion, fire, electrical shock, or other conditions which may cause death, personal injury or property damage. Consult a qualified installer, service agency, or your distributor or branch for information or assistance. The qualified installer or agency must use factory-authorized kits or accessories when modifying this product. Refer to the individual instructions packaged with kits or accessories when installing. Follow all safety codes. Wear safety glasses, protective clothing and work gloves. Have a fire extinguisher available. Read these instructions thoroughly and follow all warnings or cautions included in the literature and attached to the unit. Consult local building codes and the current editions of the National Electrical Code (NEC) NFPA 70. In Canada, refer to the current editions of the Canadian Electrical Code CSA C22.1. Recognize safety information. This is the safety alert symbol . When you see this symbol on the unit and in instruction manuals, be alert to the potential for personal injury. Understand the signal words DANGER, WARNING, and CAUTION. These words are used with the safety alert symbol. DANGER identifies the most serious hazards which will result in severe personal injury or death. WARNING signifies hazards that could result in personal injury or death. CAUTION is used to identify unsafe practices which may result in minor personal injury or product and property damage.
NOTE is used to highlight suggestions that will result in enhanced installation, reliability, or operation.
WARNING
PERSONAL INJURY / PROPERTY DAMAGE HAZARD
Failure to follow this warning could result in property damage, personal injury, or death. For continued performance, reliability, and safety, the only approved accessories and replacement parts are those specified by the equipment manufacturer. The use of non-manufacturer-approved parts and accessories could invalidate the equipment’s limited warranty and result in fire risk, equipment malfunction, and failure. Please review the manufacturer’s instructions and replacement part catalogs available from your equipment supplier.
WARNING
ELECTRICAL OPERATION HAZARD
Failure to maintain proper clearances could result in personal injury or death. Before installing or servicing unit, always turn off all power to unit. There may be more than 1 disconnect switch. Turn off accessory heater power if applicable.
CAUTION
CUT HAZARD
Failure to follow this caution may result in personal injury. Sheet metal parts may have sharp edges or burrs. Use care and wear appropriate protective clothing, safety glasses and gloves when handling parts.
CAUTION
HOT TUBE WARNING
Failure to follow this caution could result in personal injury and/or property damage. Refrigerant lines can reach or exceed 130 °F (54 °C). Avoid contact with the vapor header or vapor line, especially in Heating Mode. Do not service A2L refrigerant fan coils while these components are hot to avoid risk of ignition source.
introduction
These R-410A Fan Coils are designed for installation flexibility. The units leave the factory compliant with low leak requirements of less than 2% cabinet leakage rate at 0.5 inches W.C. and 1.4% cabinet leakage rate at 0.5 inches W.C. when tested in accordance with ASHRAE 193 standard. All these fan coils use a multi-tap ECM motor for efficiency. The units have be designed for upflow, downflow (kit required), and horizontal orientations, including manufactured and mobile home applications. These units require a field-supplied air filter, and are designed specifically for R-410A refrigerant air conditioners and heat pumps as shipped. These units are available for systems of 18,000 through 60,000 BTUh nominal cooling capacity. Factory-authorized, field – installed electric heater packages are available in sizes 5 through 30kW. See Product Data literature for all available accessory kits.
Heater Packages
NOTE: Some heater sizes may require the removal of two screws that connect the blower housing to the fan deck (removal will not impact performance). See (Care and Maintenance on p11) and Fig. 22. This unit may or may not be equipped with an electric heater package. For units not equipped with factory-installed heat, a factory-approved, field-installed, UL listed heater package is available from your equipment supplier. See unit rating plate for a list of factory-approved heaters. Heaters that are not factory-approved could cause damage which would not be covered under the equipment warranty. If fan coil contains a factory-installed heater package, minimum circuit ampacity (MCA) and maximum fuse/breaker may be different than units with a same size field-installed accessory heater. The differences is not an error and is due to calculation differences per UL guidelines.
Installation
Check Equipment
Unpack unit and move to final location. Remove carton taking care not to damage unit.
NOTE: Shipping block(s) that support the blower housing during transit will need to be removed (Fig. 1).
NOTE: If the door gasket is damaged or missing, the unit may not meet the ASHRAE 193 standard for cabinet air leakage. See the Product Data for this model or contact your supplier to order the gasket kit. Inspect equipment for damage prior to installation. File claim with shipping company if shipment is damaged or incomplete. Locate unit rating plate which contains proper installation information. Check rating plate to be sure unit matches job specifications.
NOTE:
Mount Unit
Unit can stand or lie on floor, or hang from ceiling or wall. Allow space for wiring, piping, and servicing unit.
IMPORTANT: When unit is installed over a finished ceiling and/or living area, building codes may require a field-supplied secondary condensate pan to be installed under the entire unit. Some localities may allow as an alternative, the running of a separate, secondary condensate line. Consult local codes for additional restrictions or precautions. Nuisance sweating may occur if the unit is installed in a high humidity environment with low airflow.
Upflow Installation
If return air is to be ducted through a floor, set unit on floor over opening and use 1/8″ to ¼” (3 to 6 mm) thick fireproof resilient gasket between duct, unit, and floor. Side return is a field option on slope coil models. Cut opening per dimensions (Fig. 2). A field-supplied bottom closure is required.
Downflow Installation
In this application, field conversion of the evaporator is required using accessory downflow kit along with an accessory base kit. Use fireproof resilient gasket, 1/8″ to ¼” (3 to 6 mm) thick, between duct, unit, and floor.
CAUTION
PRODUCT OR PROPERTY DAMAGE HAZARD
Failure to follow this warning caution may result in product or property damage. The conversion of the fan coil to downflow requires special procedures for the condensate drains on both A-coil and Slope-coil units. The vertical drains have an overflow hole between the primary and secondary drain holes. This hole is plugged for all applications except downflow, and must be used for downflow. During conversion process, remove plastic cap covering vertical drains only and discard. Remove plug from overflow hole and discard. At completion of downflow installation, caulk around vertical pan fitting to door joint to retain low air leak performance of the unit.
NOTE: To convert units for downflow applications, refer to Installation Instructions supplied with kit for proper installation. See the Product Data or contact your supplier for the kit number. Use fireproof resilient gasket, 1/8″ to ¼” (3 to 6 mm) thick, between duct, unit, and floor.
NOTE: A gasket kit is also required for all downflow applications to maintain low air leak/low sweat performance. See the Product Data or contact your supplier for the kit number.
Horizontal Installation

Units must not be installed with access panels facing up or down. All other units are factory built for horizontal left installation (Fig. 3 and Fig. 4). When suspending unit from the ceiling, dimples in casing indicate suitable location of screws for mounting metal support straps (Fig. 3). For horizontal applications having high return static and humid return air, the Water Management Kit may need to be used to assist in water management. See the Product Data or contact your supplier for the kit number.
NOTE: Modular units can be disassembled and components moved separately to installation area for reassembly. This process accommodates small scuttle holes and limiting entrances to installation sites (Fig. 7).
CAUTION
PROPERTY DAMAGE HAZARD
Failure to follow this caution may result in product or property damage. For optimum condensate drainage performance in horizontal installations, unit should be leveled along its length and width.
Horizontal Right Conversion of Units with Slope Coils
NOTE: A gasket kit is required for horizontal slope coil conversion to maintain low air leak/low sweat performance. See the Product Data or contact your supplier for the kit number.
- Remove blower and coil access panels and fitting panel (Fig. 6).

- Remove coil mounting screw securing coil assembly to right side casing flange.
- Remove coil assembly.
- Lay fan coil on its right side and reinstall coil assembly with condensate pan down (Fig. 5).

- Attach coil to casing flange using previously removed coil mounting screw.
- Make sure pan cap in fitting door is properly seated on fitting door to retain low air leak rating of the unit.
- Add gaskets from kit.
- Align holes with tubing connections and condensate pan connections. Reinstall access panels and fitting panel.
- Make sure liquid and suction tube grommets are in place to prevent air leaks and cabinet sweating. Install grommets after brazing.
Horizontal Right Conversion of Units with A-Coils
- Remove blower and coil access panels (Fig. 6).
- Remove metal clip securing fitting panel to condensate pan. Remove fitting panel.
- Remove 2 snap-in clips securing A-coil in unit.
- Slide coil and pan assembly out of unit.
- Remove horizontal drain pan support bracket from coil support rail on left side of unit and reinstall on coil support rail on right side of unit (Fig. 8).

- Convert air seal assembly for horizontal right.
- Remove air seal assembly from coil by removing 4 screws (Fig. 6).
- Remove air splitter (B) from coil seal assembly by removing 3 screws (Fig. 7 inset).
- Remove filler plate (A) and install air splitter (B) in place of filler plate.
- Install filler plate (A) as shown in horizontal right application.
- Remove condensate troughs (C) and install on opposite tube sheets.
- Install hose onto plastic spout.
- Install horizontal pan on right side of coil assembly.
- Slide coil assembly into casing. Be sure coil bracket on each corner of vertical pan engages coil support rails.
- Reinstall 2 snap-in clips to correctly position and secure coil assembly in unit. Be sure clip with large offsets is used on right side of unit to secure horizontal pan.
- Remove two oval fitting caps from left side of the coil, access panel, and fitting panel.
- Remove insulation knockouts on right side of coil access panel.
- Remove 2 oval coil access panel plugs and reinstall into holes on left side of coil access panel and fitting panel.
- Install condensate pan fitting caps (from Step 10) in right side of coil door making sure that cap snaps and seats cleanly on back side of the coil door. Make sure no insulation interferes with seating of cap.
- Reinstall access and fitting panels, aligning holes with tubing connections and condensate pan connections. Be sure to reinstall metal clip between fitting panel and vertical condensate pan.
- Make sure liquid and suction tube grommets are in place to prevent air leaks and cabinet sweating.
Manufactured and Mobile Home Housing Applications
- Secure the fan coil to the structure using field-supplied hardware.
- Allow a minimum of 24″ (610 mm) clearance from access panels.
- Recommended method of securing for typical applications:
- If fan coil is away from wall, attach pipe strap to top of fan coil using no. 10 self-tapping screws. Angle strap down and away from back of fan coil, remove all slack, and fasten to wall stud of structure using 5/16″ lag screws. Typical both sides of fan coil.
- If fan coil is against wall, secure fan coil to wall stud using 1/8″ (3 mm) thick right-angle brackets. Attach brackets to fan coil using no. 10 self-tapping screws and to wall stud using 5/16″ lag screws (Fig. 9).

Air Ducts
Connect supply-air duct over the outside of ¾” (19 mm) flanges provided on supply-air opening. Secure duct to flange, using proper fasteners for type of duct used, and seal duct-to-unit joint. If return-air flanges are required, install factory-authorized accessory kit. Use flexible connectors between ductwork and unit to prevent transmission of vibration. When electric heater is installed, use heat-resistant material for flexible connector between ductwork and unit at discharge connection. Ductwork passing through unconditioned space must be insulated and covered with vapor barrier. Units equipped with 20-30kW electric heaters require a 1″ (25 mm) clearance to combustible materials for the first 36″ (914 mm) of supply duct. All 18,000 BTU units equipped with 8 or 10 kW electric heaters require a 1″ (25.4 mm) clearance to combustible materials for the first 12″ of supply duct.
Ductwork Acoustical Treatment
Metal duct systems that do not have a 90 degree elbow and 10 feet of main duct before first branch takeoff may require internal acoustical insulation lining. As an alternative, fibrous ductwork may be used if constructed and installed in accordance with the latest edition of SMACNA construction standard on fibrous glass ducts. Both acoustical lining and fibrous ductwork shall comply with National Fire Protection Association as tested by UL Standard 181 for Class 1 air ducts.
Electrical Connections
Units from the factory protect the low voltage circuit with a 3A automotive type fuse in-line on the wire harness and Does Not contain a circuit board. Motor speeds and time delay function are built into the motor. See (Minimum CFM and Motor Speed Selection on p7) for clarification. When a factory-approved accessory control package has been installed, check all factory wiring per unit wiring diagram and inspect factory wiring connections to be sure none were loosened during transit or installation. If a different control package is required, see unit rating plate. Before proceeding with electrical connections, make certain that supply voltage, frequency, phase, and ampacity are as specified on the unit rating plate. See unit wiring label for proper field high- and low-voltage wiring. Make all electrical connections in accordance with the NEC and any local codes or ordinances that may apply. Use copper wire only. The unit must have a separate branch electric circuit with a field-supplied disconnect switch located within sight from, and readily accessible from, the unit. On units with a factory-installed disconnect with pull-out removed, service and maintenance can be safely performed on only the load side of the control package.
WARNING
PERSONAL OR EQUIPMENT DAMAGE HAZARD.
Failure to follow this warning could result in personal injury, death, and/or unit damage. Provide training to installation personnel to follow national and local electrical codes.
WARNING
ELECTRICAL SHOCK OR UNIT DAMAGE HAZARD
Failure to follow this warning could result in personal injury, death, and/or unit damage. If a disconnect switch is to be mounted on unit, select a location where drill and fasteners will not contact electrical or refrigeration components.
WARNING
ELECTRICAL SHOCK HAZARD
Failure to follow this warning could result in personal injury or death. Field wires on the line side of the disconnect found in the fan coil unit remain live, even when the pull-out is removed. Service and maintenance to incoming wiring cannot be performed until the main disconnect switch (remote to the unit) is turned off.
Line Voltage Connections
If unit contains an accessory electric heater, remove and discard power plug from fan coil and connect male plug from heater to female plug from unit wiring harness. (See Electric Heater Installation Instructions.) For units without electric heat:
- Connect 208/230V power leads from field disconnect to yellow and black stripped leads.
- Connect ground wire to unit ground lug.
NOTE: Units installed without electric heat should have a field-supplied sheet metal block-off plate covering the heater opening. This will reduce air leakage and formation of exterior condensation.
24V Control System
Connection To Unit



Wire low voltage in accordance with wiring label on the blower (Fig. 10 thru Fig. 13). Use #18 AWG color-coded, insulated (35° C minimum) wire to make the low-voltage connections between the thermostat, the unit, and the outdoor equipment. If the thermostat is located more than 100′ (30 m) from the unit (as measured along the low-voltage wire), use #16 AWG color-coded, insulated (35° C minimum) wire. All wiringmust be NEC Class 1 and must be separated from incoming power leads. Refer to outdoor unit wiring instructions for any additional wiring procedure recommendations.
Transformer Information
The transformer is factory wired for 230V operation. For 208V applications, disconnect the black wire from the 230V terminal on transformer and connect it to the 208V terminal (Fig. 14).
Heater Staging
If electric heat staging is required, a multi-stage heating room thermostat is required. Consult your equipment supplier for a suitable thermostat.
Manufactured Housing
In manufactured housing applications, the Code of Federal Regulations, Title 24, Chapter XX, Part 3280.714 requires that supplemental electric heat be locked out at outdoor temperatures above 40° F (4° C), except for a heat pump defrost cycle. See Fig. 13 for typical low voltage wiring with outdoor thermostat.
Ground Connections
NOTE: Use UL listed conduit and conduit connectors for connecting supply wire(s) to unit to obtain proper grounding. Grounding may also be accomplished by using grounding lugs provided in control box.
WARNING
ELECTRICAL SHOCK HAZARD
Failure to establish uninterrupted or unbroken ground could result in personal injury and/or death. According to NEC, NFPA 70, and local codes, the cabinet must have an uninterrupted or unbroken ground to minimize personal injury if an electrical fault should occur. The ground may consist of electrical wire or metal conduit when installed in accordance with existing electrical codes. If conduit connection uses reducing washers, a separate ground wire must be used.
Minimum CFM and Motor Speed Selection
The fan speed selection is done at the motor connector. Units with or without electric heaters require a minimum CFM. Refer to the unit wiring label to ensure that the fan speed selected is not lower than the minimum fan speed indicated.
- electric heat airflow is same CFM as Tap 3, except 0 sec off delay
- high static applications, see airflow tables for max airflow
To change motor speeds disconnect the BLUE fan lead from motor connector terminal #2 (factory default position) and move to desired speed-tap; 1, 2, 3, or 5. Speed-taps 1, 2, and 3 have a 90 second blower off time delay pre-programmed into the motor. Speed-tap 4 is used for electric heat only (with 0 second blower time delay) and the WHITE wire should remain on tap 4. Speed-tap 5 is used for high static applications, but has a 0 second blower time delay pre-programmed into the motor. See Airflow Performance tables for actual CFM. Se Fig. 15 for motor speed selection location.
| Tap 1 | Low | 90 sec off delay |
| Tap 2 | Medium | 90 sec off delay |
| Tap 3 | High | 90 sec off delay |
| Tap 4 | Electric heat † | 0 sec off delay |
| Tap 5 | Max ‡ | 0 sec off delay |
NOTE: In low static applications, lower motor speed tap should be used to reduce possibility of water being blown off coil.
Refrigerant Tubing Connection and Evacuation
Use accessory tubing package or field-supplied tubing of refrigerant grade. Suction tube must be insulated. Do not use damaged, dirty, or contaminated tubing because it may plug refrigerant flow-control device. ALWAYS evacuate the coil and field-supplied tubing to 500 microns before opening outdoor unit service valves.
CAUTION
PRODUCT DAMAGE HAZARD
Failure to follow this caution may result in product or property damage. A brazing shield MUST be used when tubing sets are being brazed to the unit connections to prevent damage to the unit surface and condensate pan fitting caps.
Units have sweat suction and liquid tube connections. Make suction tube connection first.
- Cut tubing to correct length.
- Insert tube into sweat connection on unit until it bottoms.
- Braze connection using silver bearing or non-silver bearing brazing materials. Do not use solder (materials which melt below 800° F / 427° C). Consult local code requirements.
- Evacuate coil and tubing system to 500 microns using a deep vacuum method.
CAUTION
PRODUCT DAMAGE HAZARD
Failure to follow this caution may result in product or property damage. Wrap a wet cloth around rear of fitting to prevent damage to TXV and factory-made joints.
Refrigerant Flow-Control Device
The 018-060 size units come equipped with a R-410A refrigerant mechanical TXV. When tightening nuts on a TXV, do not exceed 20 ft-lbs. Always use outdoor units designed to match indoor fan coil applications.
CAUTION
PRODUCT OPERATION HAZARD
Failure to follow this caution may result in improper product operation. If using a TXV in conjunction with a single-phase reciprocating compressor, a compressor start capacitor and relay are required. Consult outdoor unit pre-sale literature for start assist kit part number.
Disassembly
WARNING
PERSONAL INJURY HAZARD
Failure to follow this warning could result in personal injury. Remove refrigerant charge from system and ensure there is no pressure before servicing the TXV.
NOTE: For Item #1 (Fig. 16): Use an adjustable wrench with a backup adjustable wrench to loosen the brass nut (TXV outlet). Then use both wrenches to loosen Item # 2 (TXV inlet).
- Use an adjustable wrench with a backup adjustable wrench to loosen Item # 3 (TXV equalizer line).
- For Item #4 – Cut the wire tie and remove the black insulation. Remove the band from around the TXV bulb.
- Cut the wire tie that holds the TXV equalizer line and bulb from the aluminum vapor header tube.
- Remove 2 screws from the TXV bracket. Remove the TXV from the coil unit.
Assembly
- Mount the TXV bracket and TXV with the 2 screws removed during disassembly.
- Connect Items #1 and #2 (TXV outlet and inlet respectively) and use an adjustable wrench with a backup wrench to tighten each nut. Tighten to between 10 and 20 ft-lbs.
- Connect Item #3 and use an adjustable wrench with a backup adjustable wrench to tighten the flare nut. Tighten to approximately 12 ft-lbs.
- Item # 4 – Reconnect the TXV bulb with a clamp and reinstall insulation around the TXV bulb and vapor tube.
CAUTION
UNIT DAMAGE HAZARD
Failure to follow this Caution may result in unit damage. Failure to place insulation between copper tubes and aluminum parts will lead to galvanic corrosion, which will result in a refrigerant leak in the future. - Use a wire tie to mount the 1/8″ TXV equalizer and bulb tubes to the vapor header tube. Make sure that there is insulation between the aluminum vapor tube and copper tube.
- Leak test the TXV fittings, then evacuate and charge the system to the required subcooling per the outdoor unit rating plate.
Condensate Drains
To connect drains, the cap openings must be removed. Use a knife to start the opening near the tab and using pliers, pull the tab to remove the disk. Clean the edge of the opening if necessary and install the condensate line. Finally caulk around the lines where they exit the fitting to retain the low leak rating of the unit. Units are equipped with primary and secondary ¾” FPT drain connections. For proper condensate line installations see Fig. 2 thru Fig. 6. To prevent property damage and achieve optimum drainage performance, BOTH primary and secondary drain lines should be installed and include properly-sized condensate traps (Fig. 17 and Fig. 19).
Factory-approved condensate traps are available. It is recommended that PVC fittings be used on the plastic condensate pan. Finger-tighten plus 1-1/2 turns. Do not over-tighten. Use pipe dope.
NOTE: Do not use CPVC in field drain lines due to potential reaction with POE oil.
NOTE: When connecting condensate drain lines, avoid blocking filter access panel, thus preventing filter removal. After connection, prime both primary and secondary condensate traps.
CAUTION
PRODUCT DAMAGE HAZARD
Failure to follow this caution may result in product or property damage. Use only full size P-traps in the condensate line (Fig. 17). Shallow running traps are inadequate and DO NOT allow proper condensate drainage (Fig. 18).
CAUTION
UNIT OR PROPERTY DAMAGE HAZARD
Failure to follow this warning caution may result in product or property damage. The conversion of the fan coil to downflow requires special procedures for the condensate drains on both A-coil and Slope-coil units. The vertical drains have an overflow hole between the primary and secondary drain holes. This hole is plugged for all applications except downflow, and must be used for downflow. During conversion process, remove plastic cap covering vertical drains only and discard. Remove plug from overflow hole and discard. At completion of downflow installation, caulk around vertical pan fitting to door joint to retain low air leak performance of the unit.
NOTE: If unit is located in or above a living space where damage may result from condensate overflow, a field-supplied, external condensate pan should be installed underneath the entire unit, and a secondary condensate line (with appropriate trap) should be run from the unit into the pan. Any condensate in this external condensate pan should be drained to a noticeable place. As an alternative to using an external condensate pan, some localities may allow the use of a separate ¾” (19 mm) condensate line (with appropriate trap) to a place where the condensate will be noticeable. The owner of the structure must be informed that when condensate flows from the secondary drain or external condensate pan, the unit requires servicing or water damage will occur.
Install traps in the condensate lines as close to the coil as possible. (Fig. 19). Make sure that the outlet of each trap is below its connection to the condensate pan to prevent condensate from overflowing the drain pan. Prime all traps, test for leaks, and insulate traps if located above a living area. Condensate drain lines should be pitched downward at a minimum slope of 1″ (25 mm) for every 10′ (3 m) of length. Consult local codes for additional restrictions or precautions.
Accessories
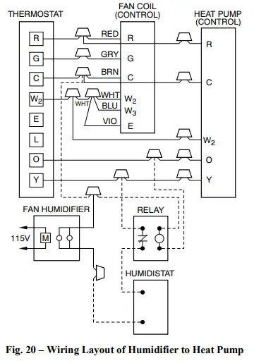
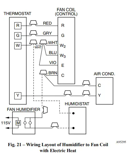
Humidifier

Connect the humidifier and humidistat to the fan coil unit as shown in Fig. 20 and Fig. 21. The cooling lockout relay is optional.
Sequence of Operation
Continuous Fan
The thermostat closes the R to G connection. G energizes the fan relay on the PCB which completes the circuit to the indoor blower motor. When G is de-energized, there is a 90-second delay before the relay opens.
Cooling Mode
Thermostat energizes R to G, R to Y, and R to O (heat pump only). G energizes the fan relay on the PCB which completes the circuit to the indoor blower motor. When G is de-energized, there is a 90-second delay before the fan relay opens.
Heat Pump Heating with Auxiliary Electric Heat
Thermostat energizes R to G, R to Y, and R to W connections. G energizes the fan relay on the PCB which completes the circuit to the indoor blower motor. W energizes the electric heat relay(s) which completes the circuit to the heater element(s). When W is de-energized, the electric heat relay(s) open, turning off the heater elements. When G is de-energized there is a 90-second delay before the fan relay opens.
Electric Heat or Emergency Heat Mode
The thermostat closes R to W connection. W energizes the electric heat relay(s) which completes the circuit to the heater element(s). Blower motor is energized through the normally-closed contacts on the fan relay. When W is de-energized, the electric heat relay(s) opens.
Start-up Procedures
Refer to outdoor unit Installation Instructions for system start-up instructions and refrigerant charging method details.
CAUTION
PRODUCT DAMAGE HAZARD
Failure to follow this caution may result in poor unit performance and/or product damage. Never operate unit without a filter. Factory-authorized filter kits may be used when locating the filter inside the unit. For those applications where access to an internal filter is impractical, a field-supplied filter must be installed in the return air duct system.
Care and Maintenance
To continue high performance and minimize possible equipment failure, it is essential that periodic maintenance be performed on this equipment. Consult your local dealer as to the proper frequency of maintenance contract. The ability to properly perform maintenance on this equipment requires certain mechanical skills and tools. If you do not possess these, contact your dealer for maintenance. The only consumer service recommended or required is filter replacement or cleaning on a monthly basis.
NOTE: Servicing the blower assembly requires the removal of two screws that attach the blower housing to the fan deck. It is not necessary to reinstall of these screws after service.
Table 2 – Electric Heater Static Pressure Drop (in. wc)
| Sizes 018 – 036 | Sizes 042 – 060 | ||||
| Heater Elements | kW | External Static Pressure Correction | Heater Elements | kW | External Static Pressure Correction |
| 0 | 0 | +.02 | 0 | 0 | +.04 |
| 1 | 3, 5 | +.01 | 1 | 3, 5 | +.03 |
| 2 | 8, 10 | 0 | 2 | 8, 10 | +.02 |
| 3 | 9, 15 | -.02 | 3 | 9, 15 | 0 |
| 4 | 20 | -.04 | 4 | 20 | -.02 |
| 6 | 18, 24, 30 | -.10 | |||
Table 3 – Airflow Performance (CFM) Wet
| Ton (Size) | Blower Speed | External Static (in. wc) | |||||||||
| 0.1 | 0.2 | 0.3 | 0.4 | 0.5 | 0.6 | 0.7 | 0.8 | 0.9 | 1.0 | ||
|
1-1/2 (018) | Tap 5 | 754 | 737 | 717 | 694 | 668 | 641 | 605 | 572 | 528 | 481 |
| Tap 4 | 695 | 678 | 655 | 628 | 600 | 573 | 551 | 520 | 479 | 421 | |
| Tap 3 | 695 | 678 | 655 | 628 | 600 | 573 | 551 | 520 | 479 | 421 | |
| Tap 2 | 643 | 620 | 591 | 557 | 534 | 506 | 477 | 439 | 408 | 378 | |
| Tap 1 | 487 | 448 | 428 | 394 | 358 | 325 | 281 | NA | NA | NA | |
|
2 (024) | Tap 5 | 1021 | 1003 | 964 | 925 | 876 | 838 | 797 | 761 | 726 | 689 |
| Tap 4 | 936 | 907 | 873 | 805 | 779 | 732 | 696 | 661 | 626 | 591 | |
| Tap 3 | 936 | 907 | 873 | 805 | 779 | 732 | 696 | 661 | 626 | 591 | |
| Tap 2 | 846 | 831 | 792 | 739 | 702 | 651 | 609 | 548 | 536 | 491 | |
| Tap 1 | 746 | 697 | 629 | 567 | 521 | 477 | 446 | 389 | 364 | 326 | |
|
2-1/2 (030) | Tap 5 | 1247 | 1215 | 1188 | 1154 | 1122 | 1083 | 1053 | 1017 | 971 | 915 |
| Tap 4 | 1133 | 1114 | 1082 | 1044 | 1009 | 968 | 924 | 873 | 835 | 785 | |
| Tap 3 | 1133 | 1114 | 1082 | 1044 | 1009 | 968 | 924 | 873 | 835 | 785 | |
| Tap 2 | 1040 | 997 | 961 | 929 | 883 | 828 | 782 | 725 | 708 | 667 | |
| Tap 1 | 896 | 862 | 805 | 740 | 689 | 648 | 597 | NA | NA | NA | |
|
3 (036) | Tap 5 | 1433 | 1404 | 1363 | 1328 | 1282 | 1251 | 1201 | 1145 | 1095 | 1021 |
| Tap 4 | 1304 | 1277 | 1256 | 1230 | 1207 | 1168 | 1122 | 1080 | 1073 | 983 | |
| Tap 3 | 1304 | 1277 | 1256 | 1230 | 1207 | 1168 | 1122 | 1080 | 1073 | 983 | |
| Tap 2 | 1183 | 1148 | 1124 | 1094 | 1051 | 1005 | 955 | 901 | 846 | 783 | |
| Tap 1 | 1020 | 995 | 958 | 921 | 881 | 840 | 791 | 735 | 693 | 649 | |
|
3-1/2 (042) | Tap 5 | 1571 | 1551 | 1508 | 1473 | 1439 | 1407 | 1372 | 1317 | 1253 | 1189 |
| Tap 4 | 1517 | 1493 | 1458 | 1425 | 1392 | 1358 | 1328 | 1295 | 1253 | 1193 | |
| Tap 3 | 1517 | 1493 | 1458 | 1425 | 1392 | 1358 | 1328 | 1295 | 1253 | 1193 | |
| Tap 2 | 1369 | 1339 | 1299 | 1263 | 1226 | 1188 | 1155 | 1112 | 1068 | 1012 | |
| Tap 1 | 1260 | 1231 | 1172 | 1143 | 1077 | 1041 | 995 | 949 | 896 | 867 | |
|
4 (048) | Tap 5 | 1896 | 1853 | 1821 | 1795 | 1760 | 1737 | 1702 | 1670 | 1665 | 1619 |
| Tap 4 | 1711 | 1673 | 1643 | 1607 | 1570 | 1549 | 1509 | 1490 | 1446 | 1411 | |
| Tap 3 | 1711 | 1673 | 1643 | 1607 | 1570 | 1549 | 1509 | 1490 | 1446 | 1411 | |
| Tap 2 | 1547 | 1504 | 1466 | 1416 | 1388 | 1369 | 1324 | 1290 | 1239 | 1200 | |
| Tap 1 | 1397 | 1347 | 1312 | 1269 | 1232 | 1172 | 1135 | 1086 | 1038 | 989 | |
|
5 (060) | Tap 5 | 2109 | 2067 | 2043 | 1996 | 1967 | 1928 | 1899 | 1848 | 1812 | 1766 |
| Tap 4 | 2109 | 2067 | 2043 | 1996 | 1967 | 1928 | 1899 | 1848 | 1812 | 1766 | |
| Tap 3 | 2109 | 2067 | 2043 | 1996 | 1967 | 1928 | 1899 | 1848 | 1812 | 1766 | |
| Tap 2 | 1901 | 1868 | 1825 | 1785 | 1737 | 1710 | 1662 | 1620 | 1584 | 1521 | |
| Tap 1 | 1583 | 1557 | 1499 | 1451 | 1392 | 1358 | 1313 | 1259 | 1194 | 1138 | |
NOTES:
- Airflow based upon dry coil at 230V with factory-approved filter and electric heater (2 element heater sizes 018 through 036, 3 element heater sizes 042 through 060).
- To avoid potential for condensate blowing out of drain pan prior to making drain trap:
Return static pressure must be less than 0.40 in. wc. Horizontal applications of 042 – 060 sizes must have supply static greater than 0.20 in. wc. Airflow above 400 cfm/ton on 048-060 size could result in condensate blowing off coil or splashing out of drain pan.
Table 4 – Airflow Performance (CFM) Dry
| Ton (Size) | Blower Speed | External Static (in. wc) | |||||||||
| 0.1 | 0.2 | 0.3 | 0.4 | 0.5 | 0.6 | 0.7 | 0.8 | 0.9 | 1.0 | ||
|
1-1/2 (018) | Tap 5 | 762 | 741 | 721 | 698 | 672 | 656 | 635 | 577 | 547 | 509 |
| Tap 4 | 695 | 679 | 655 | 628 | 600 | 580 | 559 | 534 | 505 | 452 | |
| Tap 3 | 695 | 679 | 655 | 628 | 600 | 580 | 559 | 534 | 505 | 452 | |
| Tap 2 | 634 | 615 | 585 | 547 | 522 | 506 | 475 | 444 | 407 | 371 | |
| Tap 1 | 498 | 470 | 434 | 390 | 356 | 300 | 272 | NA | NA | NA | |
|
2 (024) | Tap 5 | 1046 | 1013 | 978 | 958 | 925 | 877 | 830 | 752 | 722 | 687 |
| Tap 4 | 992 | 950 | 916 | 869 | 812 | 763 | 705 | 660 | 611 | 585 | |
| Tap 3 | 992 | 950 | 916 | 869 | 812 | 763 | 705 | 660 | 611 | 585 | |
| Tap 2 | 900 | 862 | 814 | 769 | 709 | 644 | 594 | 548 | 507 | 451 | |
| Tap 1 | 762 | 723 | 651 | 599 | 531 | 471 | 428 | 385 | 345 | 319 | |
|
2-1/2 (030) | Tap 5 | 1277 | 1244 | 1226 | 1193 | 1169 | 1122 | 1094 | 1058 | 1014 | 969 |
| Tap 4 | 1179 | 1142 | 1114 | 1070 | 1039 | 998 | 937 | 915 | 867 | 825 | |
| Tap 3 | 1179 | 1142 | 1114 | 1070 | 1039 | 998 | 937 | 915 | 867 | 825 | |
| Tap 2 | 1066 | 1030 | 997 | 960 | 916 | 863 | 795 | 746 | 703 | 674 | |
| Tap 1 | 923 | 878 | 832 | 784 | 723 | 658 | 616 | 563 | NA | NA | |
|
3 (036) | Tap 5 | 1489 | 1463 | 1428 | 1388 | 1345 | 1305 | 1262 | 1213 | 1160 | 1093 |
| Tap 4 | 1357 | 1337 | 1310 | 1283 | 1249 | 1212 | 1165 | 1114 | 1064 | 1014 | |
| Tap 3 | 1357 | 1337 | 1310 | 1283 | 1249 | 1212 | 1165 | 1114 | 1064 | 1014 | |
| Tap 2 | 1211 | 1190 | 1162 | 1132 | 1100 | 1066 | 1016 | 959 | 905 | 838 | |
| Tap 1 | 1059 | 1038 | 1004 | 967 | 925 | 887 | 843 | 791 | 747 | 681 | |
|
3-1/2 (042) | Tap 5 | 1647 | 1620 | 1583 | 1548 | 1505 | 1464 | 1424 | 1379 | 1319 | 1250 |
| Tap 4 | 1569 | 1539 | 1506 | 1476 | 1442 | 1404 | 1370 | 1336 | 1299 | 1219 | |
| Tap 3 | 1569 | 1539 | 1506 | 1476 | 1442 | 1404 | 1370 | 1336 | 1299 | 1219 | |
| Tap 2 | 1393 | 1355 | 1329 | 1288 | 1248 | 1223 | 1180 | 1138 | 1091 | 1037 | |
| Tap 1 | 1265 | 1234 | 1195 | 1154 | 1111 | 1062 | 1022 | 964 | 914 | 865 | |
|
4 (048) | Tap 5 | 1956 | 1917 | 1887 | 1855 | 1831 | 1798 | 1763 | 1743 | 1707 | 1683 |
| Tap 4 | 1773 | 1743 | 1704 | 1667 | 1634 | 1612 | 1571 | 1536 | 1500 | 1464 | |
| Tap 3 | 1773 | 1743 | 1704 | 1667 | 1634 | 1612 | 1571 | 1536 | 1500 | 1464 | |
| Tap 2 | 1566 | 1524 | 1483 | 1451 | 1414 | 1376 | 1340 | 1303 | 1266 | 1217 | |
| Tap 1 | 1413 | 1373 | 1328 | 1283 | 1246 | 1204 | 1168 | 1120 | 1075 | 1012 | |
|
5 (060) | Tap 5 | 2148 | 2123 | 2084 | 2048 | 2002 | 1974 | 1939 | 1891 | 1893 | 1812 |
| Tap 4 | 2148 | 2123 | 2084 | 2048 | 2002 | 1974 | 1939 | 1891 | 1893 | 1812 | |
| Tap 3 | 2148 | 2123 | 2084 | 2048 | 2002 | 1974 | 1939 | 1891 | 1893 | 1812 | |
| Tap 2 | 1955 | 1913 | 1868 | 1833 | 1796 | 1757 | 1711 | 1654 | 1632 | 1570 | |
| Tap 1 | 1646 | 1590 | 1527 | 1496 | 1442 | 1373 | 1315 | 1294 | 1221 | 1164 | |
NOTES:
- Airflow based upon dry coil at 230V with factory-approved filter and electric heater (2 element heater sizes 018 through 036, 3 element heater sizes 042 through 060).
- To avoid potential for condensate blowing out of drain pan prior to making drain trap:
Return static pressure must be less than 0.40 in. wc. Horizontal applications of 042 – 060 sizes must have supply static greater than 0.20 in. wc. Airflow above 400 cfm/ton on 048-060 size could result in condensate blowing off coil or splashing out of drain pan.
© 2022 Carrier. All rights reserved. Manufacturer reserves the right to change, at any time, specifications and designs without notice and without obligations.





















