
E32-400M30S
SX1278 433/470MHz SPI SMD Wireless Module

Chengdu Ebyte Electronic Technology Co.,Ltd.
Chengdu Ebyte Electronic Technology Co.,Ltd. E32-400M30S User Manual
Disclaimer
EBYTE reserves all rights to this document and the information contained herein. Products, names, logos and designs described herein may in whole or in part be subject to intellectual property rights. Reproduction, use, modification or disclosure to third parties of this document or any part thereof without the express permission of EBYTE is strictly prohibited.
The information contained herein is provided “as is” and EBYTE assumes no liability for the use of the information. No warranty, either express or implied, is given, including but not limited, with respect to the accuracy, correctness, reliability and fitness for a particular purpose of the information. This document may be revised by EBYTE at any time. For most recent documents, visit www.ebyte.com.
Features
- The measured communication distance can reach 10km;
- Maximum transmission power of 1W, software multi-level adjustable;
- Support 433/470 MHz band;
- Support data transmission rate between 0.018K and 37.5Kbps in LoRaTM mode;
- Support data transmission rate of up to 300kbps in FSK mode;
- Support for multiple modulation mock, LoRaTM/FSK/GFSK/MSK/GMSK/OOK;
- Large FIFO capacity, support 256Byte data cache;
- Support 3.3V~5.5V power supply, power supply over 5 V can guarantee the best performance;
- Industrial grade standard design, support -40 ~ 85 °C for working over a long time;
- IPEX and stamp hole optional, good for secondary development and integration.
1 Introduction
1.1 Brief Introduction

E32-400M30S is a self-developed, 433/470MHz LoRaTM SMD wireless module with the maximum transmission power of 1W which is based on the SX1278 produced by Semtech in the United States.
Due to adopt the original installation import SX1278 as the core module, on the basis of the original with built-in power amplifier (PA and low noise amplifier (LNA), for achieving maximum transmitted power of 1W at the some time receiving sensitivity for further ascension, also on the overall stability of communication is no power amplifier with low noise amplifier products significantly increase.
Due to its advanced LoRaTM modulation technology, its anti-interference performance and communication distance are far superior to the current FSK and GFSK modulation products. This module is mainly aimed at intelligent home, wireless meter reading, scientific research and medical treatment, and medium and long distance wireless communication equipment. As the RF performance and component selection are in accordance with industrial standards, and the product has obtained FCC, CE, none and other international authoritative certification reports.
Since this module is a pure RF transceiver module, it needs to be programmed by using MCU drive or special SPI debugging tools.
1.2 Application
- Home security alarm and remote keyless entry;
- Smart home and industrial sensors;
- Wireless alarm security system;
- Building automation solutions;
- Wireless industrial-grade remote control;
- Health care products;
- Advanced Meter Reading Architecture(AMI);
2 Specification and parameter
2.1 Limit parameter
| Main parameter | Performance | Remark | |
| Min | Max | ||
| Power supply (V) | 0 | 5.5 | Voltage over 5.5V will cause permanent damage to module |
| Blocking power (dBm) | – | 10 | Chances of burn is slim when modules are used in short distance |
| Operating temperature (°C) | -40 | 85 | Industrial grade |
2.2 Operating parameter
| Main parameter | Performance | Remark | |||
| Min | Type | Max | |||
| Operating voltage (V) | 3.3 | 5 | 5.5 | ≥5.5 V ensures output power | |
| Communication level (V) | – | 3.3 | – | – | |
| Operating temperature (°C) | -40 | – | 85 | Industrial grade | |
| Operating frequency (MHz) | 410 | – | 493 | – | |
| Power Consumption | TX current (mA) | – | 650 | – | – |
| RX current (mA) | – | 19 | – | – | |
| Sleep current (µA) | – | 2 | – | – | |
| Max TX power (dBm) | – | 30 | – | – | |
| Receiving sensitivity (dBm) | -123 | -124 | -125 | Air data rate is 1.2 kbps | |
| Main parameter | Description | Remark |
| Reference distance | 10km | Test condition: clear and open area, antenna gain: 5dBi, antenna height: 2.5m, air data rate: 250 kbps |
| FIFO | 256Byte | Maximum length of single send |
| Crystal Oscillator | 32MHz | Passive crystals |
| Protocol | LoRaTM (recommended) | FSK/GFSK/MSK/GMSK/OOK |
| Package | SMD | Spacing of 2.54 mm |
| Interface | 2.54mm | Sample hole |
| Communication interface | SPI | 0~10Mbps |
| Size | 24 * 38.5 mm | – |
| Antenna | Sample hole / IPEX | 50 ohm impedance |
3 Size and pin definition


Top pad:
Bottom pad: 
pad quantity: 28
Unit:mm
| Pin No. | Item | Direction | Description |
| 1 | GND | – | Ground |
| 2 | GND | – | Ground |
| 3 | GND | – | Ground |
| 4 | GND | – | Ground |
| 5 | GND | – | Ground |
| 6 | RXEN | Input | RF switch receiving control pin, connected to external MCU IO, high level effective |
| 7 | TXEN | Input | RF switch receiving control pin, connected to external MCU IO, high level effective |
| 8 | DIO2 | Input/Output | General IO port (see SX1278 manual for details) |
| 9 | VCC | – | Power supply, range 3.3 ~ 5.5V (external ceramic filter capacitor is recommended) |
| 10 | VCC | – | Power supply, range 3.3 ~ 5.5V (external ceramic filter capacitor is recommended) |
| 11 | GND | – | Ground |
| 12 | GND | – | Ground |
| 13 | NC | – | Suspend |
| 14 | DIO3 | Input/Output | General IO port (see SX1278 manual for details) |
| 15 | DIO4 | Input/Output | General IO port (see SX1278 manual for details) |
| 16 | DIO5 | Input/Output | General IO port (see SX1278 manual for details) |
| 17 | GND | – | Ground |
| 18 | GND | – | Ground |
| 19 | DIO1 | Input/Output | General IO port (see SX1278 manual for details) |
| 20 | DIO0 | Input/Output | General IO port (see SX1278 manual for details) |
| 21 | NRST | Input | Chip reset trigger input pin |
| 22 | MISO | Output | SPI data output pin |
| 23 | MOSI | Input | SPI data output pin |
| 24 | SCLK | Input | SPI data output pin |
| 25 | NSS | Input | the module chip selects the pin used to start an SPI communication |
| 26 | GND | – | Ground |
| 27 | ANT | – | Antenna interface, Sample hole (50Ω characteristic impedance) |
| 28 | GND | – | Ground |
4 Basic operation
4.1 Hardware design
- It is recommended to use a DC stabilized power supply. The power supply ripple factor is as small as possible and the module needs to be reliably grounded;
- Please pay attention to the coned connection of the positive and negative poles of the power supply, reverse connection may cause permanent damage to the module;
- Please check the power supply to ensure that between the recommended supply voltage, if exceeding the maximum, the module will be permanently damaged;
- Please check the stability of the power supply. Voltage can not fluctuate greatly and frequently;
- When designing the power supply circuit for the module, it is often recommended to reserve more than 30% of the margin, so the whole machine is beneficial for long-term stable operation;
- The module should be as far away as possible from the power supply, transformers, high-frequency wiring and other parts with large electromagnetic interference,
- Bottom Layer High-frequency digital routing, high-frequency analog routing, and power routing must be avoided under the module. If it is necessary to pass through the module, assume that the module is soldered to the Top Layer, and the copper is spread on the Top Layer of the module contact part(well grounded), it must be close to the digital part of the module and routed in the Bottom Layer;
- Assuming the module is soldered or placed over the Top Layer, it is wrong to randomly route over the Bottom Layer or other layers, which will affect the module’s spurs and receiving sensitivity to varying degrees;
- It is assumed that there are devices with large electromagnetic interference around the module that will greatly affect the performance. It is recommended to keep them away from the module according to the strength of the interference. If necessary, appropriate isolation and shielding can be done;
- Assume that there are traces with large electromagnetic interference (high-frequency digital, high-frequency analog, power traces) around the module that will greatly affect the performance of the module. It is recommended to stay away from the module according to the strength of the interference. If necessary, appropriate isolation and shielding can be done;
- Try to stay away from some physical layers such as TTL protocol at 2.4GHz, for example: USB3.0;
- The mounting structure of antenna has a great influence on the performance of the module. It is necessary to ensure the antenna is exposed, preferably vertically upward. When the module is mounted inside the case, me a good antenna extension cable to extend the antenna to the outside;
- The antenna must not be installed inside the metal case, which will cause the transmission distance to be greatly weakened.
4.2 Programming
- The core of this module is SX1278/SX1278+PA+LNA, its driving method is completely equivalent to SX1278/SX1276, the user can operate according to the SX1278/SX1276 chip manual
- DIO0, DIO1, DIO2, DIO3, DIO4 and DIO5 me general I/O ports, which can be configured into a variety of functions. See SX1278 manual for details. If not used can be suspended;
- NRST, TXEN and RXEN phis must be connected, wherein NRST controls the reset of the chip, TXEN and RXEN pins control the RF switch;
- Pay attention to good grounding, large area of ground, small ripple of power supply, filter capacitor should be added and close to module VCC and GND pins m far m possible;
- SPI communication rate should not be set the high, usually 1 Mbps is recommended;
- When transmitting, set DIO_7 pin to high level and DIO_13, DIO_14 pins to low level; When receiving, set DIO_7 pin to low level and DIO_13, DIO_14 pins to high level; Before turning off, set DIO_7, DIO_13, DIO_14 pins to low;
- The register configuration can be reinitialized when the chip is idle for greater stability.
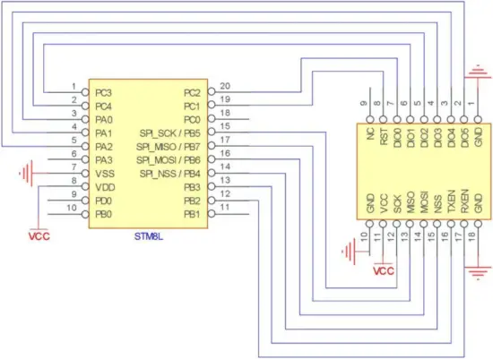
5 Basic application
5.1 Hardware design and circuit schematic diagram

6 FAQ
6.1 Communication range is too short
- The communication distance will be affected when obstacle exists;
- Data lose rate will be affected by temperature, humidity and co-channel interference;
- The ground will absorb and reflect wireless radio wave, so the performance will be poor when testing near ground;
- Sea water has great ability in absorbing wireless radio wave, so performance will be poor when testing near the sea;
- The signal will be affected when the antenna is near metal object or put in a metal case;
- Power register was set incorrectly, air data rate is set as no high (the higher the air data rate, the shorter the distance);
- The power supply low voltage under room temperature is lower than 2.5V, the lower the voltage, the lower the transmitting power;
- Due to antenna quality or poor matching between antenna and module.
6.2 Module is easy to damage
- Please check the power supply source, ensure it is 2.0V~3.6V, voltage higher than 3.6V will damage the module;
- Please check the stability of power source, the voltage cannot fluctuate too much;
- Please make sure antistatic measure are taken when installing and using, high frequency devices have electrostatic susceptibility;
- Please ensure the humidity is within limited range, some parts are sensitive to humidity;
- Please avoid using modules under no high or too low temperature.
6.3 BER (Bit Error Rate) is high
- There we co-channel signal interference nearby, please be away from interference sources or modify frequency and channel to avoid interference;
- SPI clock waveform is not standard, check whether them is interference on the SPI line, SPI bus wiring should not be too long;
- Poor power supply may cause messy code. Make sure that the power supply is reliable;
- The extension line and feeder quality are pour or too long, so the bit error rate is high.
7 Production guidance
7.1 Reflow soldering temperature
| Profile Feature | Sn-Pb Assembly | Pb-Free Assembly |
| Solder Paste | Sn63/Pb37 | Sn96.5/Ag3/Cu0.5 |
| Preheat Temperature min (Tsmin) | 100°C | 150°C |
| Preheat temperature max (Tsmax) | 150°C | 200°C |
| Preheat Time (Tsmin to Tsmax)(ts) | 60-120 sec | 60-120 sec |
| Average ramp-up rate(Tsmax to Tp) | 3°C/second max | 3°C/second max |
| Liquidous Temperature (TL) | 183°C | 217°C |
| Time (tL) Maintained Above (TL) | 60-90 sec | 30-90 sec |
| Peak temperature (Tp) | 220-235°C | 230-250°C |
| Avenge ramp-down rate (Tp to Tsmax) | 6°C/second max | 6°C/second max |
| Time 25°C to peak temperature | 6 minutes max | 8 minutes max |
7.2 Reflow soldering curve

8 E32 series
| Model No. | IC | Frequency | Tx power | Distance | Package | Antenna |
| Hz | dBm | km | ||||
| E32-400T20S | SX1278 | 433M | 20 | 3 | SMD | IPEX/Sample hole |
| E32-900T20D | SX1276 | 868/915M | 20 | 5.5 | DIP | SMA-K |
| E32-433T30D | SX1278 | 433M | 30 | 8 | DIP | SMA-K |
| E32-433T20DC | SX1278 | 433M | 20 | 3 | DIP | SMA-K |
9 Antenna recommendation
The antenna is an important role in the communication process. A good antenna can largely improve the communication system. Therefore, we recommend some antennas for wireless modules with excellent performance and reasonable price.
| Model No. | Type | Frequency | Gain | Hright | Cable | Interface | Function feature |
| Hz | dBi | mm | cm | ||||
| TX915-JZ-5 | Rubber antenna | 915M | 2.0 | 50 | – | SMA-J | Short straight & omnidirectional |
| TX915-JK-11 | Rubber antenna | 915M | 2.5 | 110 | – | SMA-J | Flexible & omnidirectional |
| TX915-JK-20 | Rubber antenna | 915M | 3.0 | 200 | – | SMA-J | Flexible & omnidirectional |
| TX915-XPL-100 | Sucker antenna | 915M | 3.5 | 290 | 100 | SMA-J | High gain |
Revision history
| Version | Date | Description | Issued by |
| 1.0 | 2021-5-07 | Initial version | Linson |
About us
Technical support: [email protected]
Documents and RF Setting download link: www.ebyte.com
Thank you for using Ebyte products! Please contact us with any questions or suggestions: [email protected]
Phone: +86 028-61399028
Web: www.ebyte.com
Address: B5 Mould Park, 199# Xiqu Ave, High-tech District, Sichuan, China
Chengdu Ebyte Electronic Technology Co.,Ltd.
Copyright ©2012-2021, Chengdu Ebyte Electronic Technology Co.,Ltd.



















