EBYTE E19-433M20S2 SX1278 433MHz 100mW SMD Wireless Module
Disclaimer
EBYTE reserves all rights to this document and the information contained herein. Products, names, logos and designs described herein may in whole or in part be subject to intellectual property rights. Reproduction, use, modification or disclosure to third parties of this document or any part thereof without the express permission of EBYTE is strictly prohibited.
The information contained herein is provided “as is” and EBYTE assumes no liability for the use of the information. No warranty, either express or implied, is given, including but not limited, with respect to the accuracy, correctness, reliability and fitness for a particular purpose of the information. This document may be revised by EBYTE at any time. For most recent documents, visit www.ebyte.com.
Overview
Brief introduction
E19-433M20S2 is a small-sized 433MHz LoRaTM SMD wireless module, based on the original imported RF chip SX1278 from SEMTECH.
Due to the use of the imported SX1278 as the core of the module, with its stable and reliable characteristics, it is favored by the majority of users. Compared with the FSK 、 GFSK products, it has made great progress in receiving current, receiving sensitivity, transmitting power, receiving rate range and anti-interference ability. The module is aimed at smart home, wireless meter reading, scientific research and medical, and medium and long distance wireless communication equipment. Since RF performance and component selection are in accordance with industrial standards, and the product has obtained FCC, CE, RoHS and other international authoritative certification reports, users do not need to worry about its performance. High precision 32MHz crystal is used. Since the module is a pure RF transceiver module, you need to use the MCU driver or a dedicated SPI debug tool.
Features
- Communication distance tested is up to 5km
- Maximum transmission power of 100mW, software multi-level adjustable;
- Support the global license-free ISM 833MH band;
- Support air date rate of 0.018kbps~37.5kbp in LoRaTM;
- The maximum data transmission rate 300kpbs in FSK mode;
- Support multiple modulation methods, LoRaTM/FSK/GFSK/MSK/GMSK/OOK;
- Large capacity FIFO, supports 256Byte data buffer;
- Support 2.5V~3.6V power supply, power supply over 3.3V can guarantee the best performance;
- Industrial grade standard design, support -40 ~ 85 °C for working over a long time;
- Stamp hole, good for secondary development and integration.
Application
- Home security alarm and remote keyless entry;
- Smart home and industrial sensors;
- Wireless alarm security system;
- Building automation solutions;
- Wireless industrial-grade remote control;
- Health care products;
- Advanced Meter Reading Architecture(AMI);
- Automotive industry applications.
Specification and parameter
Limit parameter
| Main parameter | Performance | Remark | |
| Min. | Max. | ||
| Power supply(V) | 0 | 3.6 | Voltage over 3.6V will cause permanent damage to module |
| Blocking power(dBm) | – | 10 | Chances of burn is slim when modules are used in short distance |
| Operating temperature(℃) | -40 | 85 | – |
Operating parameter
| Main parameter | Performance | Remark | ||||
| Min. | Typ. | Max. | ||||
| Operating voltage(V) | 2.3 | 3.3 | 3.6 | ≥3.3 V ensures output power | ||
| Communication level(V) | – | 3.3 | – | For 5V TTL, it may be at risk of burning down | ||
| Operating temperature(℃) | -40 | – | 85 | Industrial design | ||
| Operating frequency(MHz) | 410 | 433 | 525 | Support ISM band | ||
| Power consumpti on | TX current(mA) | – | 128 | – | Instant power consumption | |
| RX current(mA) | – | 14 | – | – | ||
| Sleep current (μA) | – | 2.0 | – | Software is shut down | ||
| Max Tx power(dBm) | 18 | 18.5 | 20 | – | ||
| Receiving sensitivity(dBm) | -145 | -147 | -148 | Sensitivity test conditions: air data rate: 0.3 kbps, Coding rate 4/5, Spread Spectrum Factor 12. | ||
| Air data rate(bps) | 1.2 | – | 300 | Kbps | FSK | |
| 0.018 | – | 37.5 | Kbps | LoraTM | ||
| Main parameter | Description | Remark |
| Distance for reference | 5000m | Test condition:clear and open area, antenna gain: 5dBi, antenna height: 2.5m,air data rate: 0.3kbps |
| FIFO | 256Byte | Max length transmitted each time |
| Crystal frequency | 32MHz | – |
| Modulation | LoRaTM (recommended) | FSK/GFSK/MSK/GMSK/OOK |
| Package | SMD | – |
| Connector | 1.27mm | – |
| Communication interface | SPI | 0-10Mbps |
| Size | 15*15 mm | – |
| Antenna | Stamp hole | 50 ohm impedance |
Size and pin definition
| 1、2、3、4、 11、12、19、 20、22 | GND | GND | Ground, connecting to power supply reference ground | |
| 5 | DIO0 | DIO0 | Input / Output | Configurable IO port(Please find more on SX1278 datasheet) |
| 6 | DIO1 | DIO1 | Input / Output | Configurable IO port(Please find more on SX1278 datasheet) |
| 7 | DIO2 | DIO2 | Input / Output | Configurable IO port(Please find more on SX1278 datasheet) |
| 8 | DIO3 | DIO3 | Input / Output | Configurable IO port(Please find more on SX1278 datasheet) |
| 9 | NC | DIO4 | – | Not connect |
| 10 | DIO5 | DIO5 | Input / Output | Configurable IO port(Please find more on SX1278 datasheet) |
| 13 | VCC | VBAT1, VBAT2,V BAT3 | – | Power supply: 1.8~3.6V (recommended 3.3V,Ceramic filter capacitor is advised to add) |
| 14 | SCK | SCK | Input | SPI clock input |
| 15 | MISO | MISO | Output | SPI data output |
| 16 | MOSI | MOSI | Input | SPI data output |
| 17 | NSS | NSS | Input | Chip select, start SPI communication, low level enable |
| 18 | RST | NRESET | Input | Reset, low level enable |
| 21 | ANT | – | – | Antenna |
Basic operation
Hardware design
- It is recommended to use a DC stabilized power supply. The power supply ripple factor is as small as possible, and the module needs to be reliably grounded.;
- Please pay attention to the correct connection of the positive and negative poles of the power supply. Reverse connection may cause permanent damage to the module;
- Please check the power supply to ensure it is within the recommended voltage otherwise when it exceeds the maximum value the module will be permanently damaged;
- Please check the stability of the power supply, the voltage can not be fluctuated frequently;
- When designing the power supply circuit for the module, it is often recommended to reserve more than 30% of the margin, so the whole machine is beneficial for long-term stable operation.;
- The module should be as far away as possible from the power supply, transformers, high-frequency wiring and other parts with large electromagnetic interference.;
- High-frequency digital routing, high-frequency analog routing, and power routing must be avoided under the module. If it is necessary to pass through the module, assume that the module is soldered to the Top Layer, and the copper is spread on the Top Layer of the module contact part(well grounded), it must be close to the digital part of the module and routed in the Bottom Layer;
- Assuming the module is soldered or placed over the Top Layer, it is wrong to randomly route over the Bottom Layer or other layers, which will affect the module’s spurs and receiving sensitivity to varying degrees;
- It is assumed that there are devices with large electromagnetic interference around the module that will greatly affect the performance. It is recommended to keep them away from the module according to the strength of the interference. If necessary, appropriate isolation and shielding can be done;
- Assume that there are traces with large electromagnetic interference (high-frequency digital, high-frequency analog, power traces) around the module that will greatly affect the performance of the module. It is recommended to stay away from the module according to the strength of the interference.If necessary, appropriate isolation and shielding can be done.
- If the communication line uses a 5V level, a 1k-5.1k resistor must be connected in series (not recommended, there is still a risk of damage);
- Try to stay away from some physical layers such as TTL protocol at 2.4GHz , for example: USB3.0;
- The mounting structure of antenna has a great influence on the performance of the module. It is necessary to ensure that the antenna is exposed, preferably vertically upward. When the module is mounted inside the case, use a good antenna extension cable to extend the antenna to the outside;
- The antenna must not be installed inside the metal case, which will cause the transmission distance to be greatly weakened.
Software editing
- SPI communication rate should not be set too high, usually around 1Mbps.
- When transmitting, the pin DIO4 of SX1278 is set to low level, and when receiving, the pin DIO4 of SX1278 is set to high level. Users need to program it to control.
- When transmitting, the internal intelligent control of the module is started and simultaneously DIO4 is set low; When receiving, the internal intelligent control of the module is started and simultaneously DIO4 is set high .
- Re-initialize register configuration when the chip is idle for higher stability.
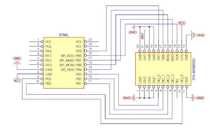
Basic application
Basic circuit diagram
FAQ
The communication range is too short
- The communication distance will be affected when obstacle exists.
- Data lose rate will be affected by temperature, humidity and co-channel interference.
- The ground will absorb and reflect wireless radio wave, so the performance will be poor when testing near ground.
- Sea water has great ability in absorbing wireless radio wave, so performance will be poor when testing near the sea.
- The signal will be affected when the antenna is near metal object or put in a metal case.
- Power register was set incorrectly, air data rate is set as too high (the higher the air data rate, the shorter the distance).
- The power supply low voltage under room temperature is lower than 2.5V, the lower the voltage, the lower the transmitting power.
- Due to antenna quality or poor matching between antenna and module.
Module is easy to damage
- Please check the power supply source, ensure it is 2.0V~3.6V, voltage higher than 3.6V will damage the module.
- Please check the stability of power source, the voltage cannot fluctuate too much.
- Please make sure antistatic measure are taken when installing and using, high frequency devices have electrostatic susceptibility.
- Please ensure the humidity is within limited range, some parts are sensitive to humidity.
- Please avoid using modules under too high or too low temperature.
BER(Bit Error Rate) is high
- There are co-channel signal interference nearby, please be away from interference sources or modify frequency and channel to avoid interference;
- Poor power supply may cause messy code. Make sure that the power supply is reliable.
- The extension line and feeder quality are poor or too long, so the bit error rate is high;.
Production guidance
Reflow soldering temperature
| Profile Feature | Curve characteristics | Sn-Pb Assembly | Pb-Free Assembly |
| Solder Paste | Solder paste | Sn63/Pb37 | Sn96.5/Ag3/Cu0.5 |
| Preheat Temperature min (Tsmin) | Min preheating temp. | 100℃ | 150℃ |
| Preheat temperature max (Tsmax) | Mx preheating temp. | 150℃ | 200℃ |
| Preheat Time (Tsmin to Tsmax)(ts) | Preheating time | 60-120 sec | 60-120 sec |
| Average ramp-up rate(Tsmax to Tp) | Average ramp-up rate | 3℃/second max | 3℃/second max |
| Liquidous Temperature (TL) | Liquid phase temp. | 183℃ | 217℃ |
| Time(tL)Maintained Above (TL) | Time below liquid phase line | 60-90 sec | 30-90 sec |
| Peak temperature(Tp) | Peak temp. | 220-235℃ | 230-250℃ |
| Aveage ramp-down rate(Tp to Tsmax) | Aveage ramp-down rate | 6℃/second max | 6℃/second max |
| Time 25℃ to peak temperature | Time to peak temperature for 25℃ | max 6 minutes | max 8 minutes |
Reflow soldering curve
E19 Series
| Model No. | IC | Frequency (Hz) | Tx power (dBm) | Test distance km | Package | Antenna | Model No. |
| E19-433M20S2 | SX1278 | 433M | 20 | 5 | SMD | 15 * 15 | Stamp hole |
| E19-915M30S | SX1276 | 915M | 30 | 10 | SMD | 25 * 40 | Stamp hole /IPEX |
| E19-868M30S | SX1276 | 868M | 30 | 10 | SMD | 25 * 40 | Stamp hole /IPEX |
| E19-868M20S | SX1276 | 868M | 20 | 5 | SMD | 17.6*25.2 | Stamp hole |
| E19-433M30S | SX1278 | 433M | 30 | 10 | SMD | 25*37 | Stamp hole |
| E19-915M20S | SX1276 | 915M | 20 | 5 | SMD | 17.6*25.2 | Stamp hole |
| E19-433M20SC | SX1278 | 433M | 20 | 5 | SMD | 17.6*25.2 | Stamp hole |
Antenna guidance
Antenna recommendation
The antenna is an important role in the communication process. A good antenna can largely improve the communication system. Therefore, we recommend some antennas for wireless modules with excellent performance and reasonable price.
| Model No. | Type | Frequency Hz | Interface | Gain dBi | Height | Cable | Function feature |
| TX433-NP-4310 | FPC antenna | 433M | SMA-J | 2 | 43.8*9.5mm | – | FPC soft antenna |
| Rubber | 433M | SMA-J | 2 | 50mm | – | Flexible &omnidirectional | |
| Rubber | 433M | SMA-J | 2.5 | 75mm | – | Flexible &omnidirectional | |
| Rubber | 433M | SMA-J | 3 | 210mm | – | Flexible &omnidirectional | |
| Rubber | 433M | SMA-J | 2.5 | 110mm | – | Flexible &omnidirectional | |
| Sucker | 433M | SMA-J | 4 | 19cm | 200cm | Sucker antenna, High gain | |
| Sucker | 433M | SMA-J | 3.5 | 18.5cm | 100cm | Sucker antenna, High gain | |
| Sucker | 433M | SMA-J | 6 | 96.5cm | 300cm | Sucker antenna, High gain | |
| Rubber | 433M | SMA-J | 2.5 | 52mm | – | Short straight &omnidirectional | |
| Rubber | 433M | SMA-J | 2 | 52mm | – | Short straight &omnidirectional |
Revision history
| Version | Date | Description | Issued by |
| 1.00 | 2017/10/16 | Initial version | huaa |
| 1.10 | 2018/5/23 | Content updated | huaa |
| 1.20 | 2018/9/21 | Model No. split | Huaa |
| 1.40 | 2020/01/04 | Ren | |
| 1.50 | 2021/2/22 | Format modification | Linson |
About us
Technical support: [email protected]
Documents and RF Setting download link: www.ebyte.com
Thank you for using Ebyte products! Please contact us with any questions or suggestions: [email protected]
Fax: 028-64146160 ext. 821
Web: www.ebyte.com
Address: Innovation Center B333- D347, 4# XI-XIN Road,Chengdu, Sichuan, China






















