E19-433M30S User Manual
SX1278 433MHz 1W SMD Wireless Module
Overview
Brief introduction
E19433M3OS is 1W SMD wireless module working at 433MHz, developed based on chip SX1278 from Semtech. Due to the use of the imported SX1278 as the core of the module, with PA and LNA, its sensitivity and stability are largely improved when tx power is 1W. Compared with the FSK GFSK products, it has made great progress in receiving current, receiving sensitivity. transmitting power, receiving rate range, and anti-interference ability. The module is aimed at smart home, wireless meter reading, scientific research, and medical, and medium and long-distance wireless communication equipment. Since RF performance and component selection are in accordance with industrial standards, and the product has obtained FCC, CE, RoHS, and other international authoritative certification reports, users do not need to worry about its performance. High precision 32MHz crystal is used. Since the module is a pure RF transceiver module, you need to use the MCU driver or a dedicated SPI debug tool.
Features
- The communication distance tested is up to 10km
- The maximum transmission power of 1W, software multi-level adjustable;
- Support the global license-free ISM 833MH band ;
- Support air date rate of 0.0181cbps-37.5kbps in LoRaTm;
- The maximum data transmission rate 300kpbs in FSK mode ;
- Support multiple modulation methods, LoRaTm/FSIUGFSIUMSK/GMSKJOOK ;
- Large capacity FIFO supports 256Byte data buffer ;
- Support 2.5V-5.5V power supply, power supply over 5.0V can guarantee the best performance;
- Industrial grade standard design, support 40 — 85 °C for working over a long time;
- Stamp hole, good for secondary development and integration.
Application
- Home security alarm and remote keyless entry;
- Smart home and industrial sensors ;
- Wireless alarm security system ;
- Building automation solutions ;
- Wireless industrial-grade remote control ;
- Health care products ;
- Advanced Meter Reading Architecture(AMI) ;
- Automotive industry applications.
Specification and parameter
Limit parameter
| Main parameter | Performance | Remark | |
| Min. | Max. | ||
| Power supply(V) | 0 | 5.0 | Voltage over 5.5V will cause permanent damage to the module |
| Blocking power(dBm) | – | 10 | Chances of burn is slim when modules are used in short distance |
| Operating temperature(℃) | -40 | 85 | – |
Operating parameter
| Main parameter | Performance | Remark | ||||
| Min. | Typ. | Max. | ||||
| Operating voltage(V) | 3.3 | 5.0 | 5.5 | ≥5.0 V ensures output power | ||
| Communication level(V) | – | 3.3 | – | For 5V TTL, it may be at risk of burning down | ||
| Operating temperature(℃) | -40 | – | 85 | Industrial design | ||
| Operating frequency(MHz) | 410 | 433 | 510 | Support ISM band | ||
| Power consumption on | TX current(mA) | – | 630 | – | Instant power consumption | |
| RX current(mA) | – | 20 | – | – | ||
| Sleep current (μA) | – | 3.0 | – | Software is shut down | ||
| Max Tx Power(dBm) | 28.5 | 29.5 | 30 | – | ||
| Receiving sensitivity(dBm) | -146 | -148 | -150 | Sensitivity test conditions: air data rate: 0.3 kbps, Coding rate 4/5, Spread Spectrum Factor 12. | ||
| Air data rate(bps) | 1.2 | – | 300 | Kbps | FSK | |
| 0.018 | – | 37.5 | Kbps | LoraTM | ||
| Main parameter | Description | Remark |
| Distance for reference | 10000m | Test condition: clear and open area, antenna gain: 5dBi antenna height: 2.5m,air data rate: 0.3kbps |
| FIFO | 256Byte | Max length transmitted each time |
| Crystal frequency | 32MHz | – |
| Modulation | LoRaTM (recommended) | FSK/GFSK/MSK/GMSK/OOK |
| Package | SMD | – |
| Connector | 2.54mm | – |
| Communication interface | SPI | 0-10Mbps |
| Size | 25.0*37.0 mm | – |
| Antenna | Stamp hole | 50-ohm impedance |
Size and pin definition
| Pin No | Pin item | Pin direction | Pin application |
| 1 | GND | – | Ground electrode, connected to the power reference ground |
| 2 | DIO5 | Input/Output | Configurable IO port(Please find more on SX1278 datasheet) |
| 3 | DIO4 | Input/Output | Configurable IO port(Please find more on SX1278 datasheet) |
| 4 | DIO3 | Input/Output | Configurable IO port(Please find more on SX1278 datasheet) |
| 5 | DIO2 | Input/Output | Configurable IO port(Please find more on SX1278 datasheet) |
| 6 | DIO1 | Input/Output | Configurable IO port(Please find more on SX1278 datasheet) |
| 7 | DIO0 | Input/Output | Configurable IO port(Please find more on SX1278 datasheet) |
| 8 | RST | Input | Reset |
| 9 | GND | – | Ground electrode, connected to the power reference ground. |
| 10 | GND | – | Ground electrode, connected to the power reference ground. |
| 11 | VCC | – | Power supply: 4.75~5.5V (Ceramic filter capacitors advised to add) |
| 12 | SCK | Input | SPI clock |
| 13 | MISO | Output | SPI clock |
| 14 | MOSI | Input | SPI clock |
| 15 | NSS | Input | Chip select |
| 16 | TXEN | Input | Radiofrequency switch control, make sure the TXEN pinis in high level, RXEN pin is at a low level when transmitting. |
| 17 | RXEN | Input | Radiofrequency switch control, make sure the TXEN pin is in a high level, RXEN pin is in a low level when transmitting |
| 18 | GND | – | Ground electrode, connected to the power reference ground |
| 19 | ANT | – | Antenna |
| 20 | GND | – | Ground electrode, connected to the power reference ground |
| 21 | GND | – | Ground electrode, connected to the power reference ground |
| 22 | GND | – | Ground electrode, connected to the power reference ground |
Basic operation
Hardware design
- It is recommended to use a DC stabilized power supply. The power supply ripple factor is as small as possible, and the module needs to be reliably grounded. ;
- Please pay attention to the correct connection of the positive and negative poles of the power supply. The reverse connection may cause permanent damage to the module ;
- Please check the power supply to ensure it is within the recommended voltage otherwise when it exceeds the maximum value the module will be permanently damaged ;
- Please check the stability of the power supply, the voltage can not fluctuate frequently;
- When designing the power supply circuit for the module, it is often recommended to reserve more than 30% of the margin, so the whole machine is beneficial for long-term stable operation. ;
- The module should be as far away as possible from the power supply, transformers, high-frequency wiring, and other parts with large electromagnetic interference. ;
- High-frequency digital routing, high-frequency analog routing, and power routing must be avoided under the module. If it is necessary to pass through the module, assume that the module is soldered to the Top Layer, and the copper is spread on the Top Layer of the module contact part(well-grounded), it must be close to the digital part of the module and routed in the Bottom Layer ;
- Assuming the module is soldered or placed over the Top Layer, it is wrong to randomly route over the Bottom Layer or other layers, which will affect the module’s spurs and receiving sensitivity to varying degrees;
- It is assumed that there are devices with large electromagnetic interference around the module that will greatly affect the performance. It is recommended to keep them away from the module according to the strength of the interference. If necessary, appropriate isolation and shielding can be done ;
- Assume that there are traces with large electromagnetic interference (high-frequency digital, high-frequency analog, power traces) around the module that will greatly affect the performance of the module. It is recommended to stay away from the module according to the strength of the interference necessary, appropriate isolation and shielding can be done.
- If the communication line uses a 5V level, an lk-5.1k resistor must be connected in series (not recommended, there is still a risk of damage) ;
- Try to stay away from some physical layers such as TTL protocol at 2.4GHz, for example USB3.0 ;
- The mounting structure of the antenna has a great influence on the performance of the module. It is necessary to ensure that the antenna is exposed, preferably vertically upward. When the module is mounted inside the case, use a good antenna extension cable to extend the antenna to the outside ;
- The antenna must not be installed inside the metal case, which will cause the transmission distance to be greatly weakened.
Software editing
- SX1278/SX1276+PA+LNA, same driveway as SX1278/SX1276, user can refer to SX1278aX1276 datasheet.
- DIOR. D101, D102. D103, D104, D105 are configurable I/O ports for various applications, see more in SXI278 datasheet. It can be floated when not used.
- RST, TXEN, RXEN must be connected, among which RST control chip reset, TXEN, RXEN are for controlling RF switch.
- Make it ground well with large space for grounding and small power ripple. A filter capacitor is necessary and makes sure it is close to pinning VCC and GND.
- SPI communication rate should not be set too high, usually around I Mbps.
- In transmitting, set TXEN as high communication level, RXEN pin is low level; In receiving, set RXEN as high communication level, TXEN is low level; Before powering off, set TXEN. RXEN as low level.
- Re-initialize register configuration when the chip is idle for higher stability.
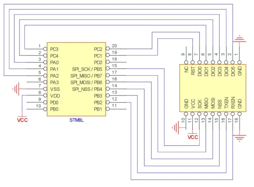
Basic application
Basic circuit diagram 
FAQ
The communication range is too short
- The communication distance will be affected when an obstacle exists.
- Data loss rate will be affected by temperature, humidity, and co-channel interference.
- The ground will absorb and reflect wireless radio waves, so the performance will be poor when testing near the ground.
- Seawater has a great ability in absorbing wireless radio waves, so performance will be poor when testing near the sea.
- The signal will be affected when the antenna is near a metal object or put in a metal case.
- The power register was set incorrectly, the air data rate is set as too high (the higher the air data rate, the shorter the distance).
- The power supply low voltage under room temperature is lower than 2.5V, the lower the voltage, the lower the transmitting power.
- Due to antenna quality or poor matching between antenna and module.
The module is easy to damage
- Please check the power supply source, ensure it is 2.0V-3.6V, voltage higher than 3.6V will damage the module.
- Please check the stability of the power source, the voltage cannot fluctuate too much.
- Please make sure antistatic measures are taken when installing and using, high-frequency devices that have electrostatic susceptibility.
- Please ensure the humidity is within a limited range, some parts are sensitive to humidity.
- Please avoid using modules under too high or too low temperatures. 6.3 BER(Bit Error Rate) is high
- There are co-channel signal interference nearby, please be away from interference sources or modify frequency and channel to avoid interference;
- The poor power supply may cause messy code. Make sure that the power supply is reliable.
- The extension line and feeder quality are poor or too long, so the bit error rate is high;
Production guidance
Reflow soldering temperature
| Profile Feature | Curve characteristics | Sn-Pb Assembly | Pb-Free Assembly |
| Solder Paste | Solder paste | Sn63/Pb37 | Sn96.5/Ag3/Cu0.5 |
| Preheat Temperature min (Tsmin) | Min preheating temp. | 100℃ | 150℃ |
| Preheat temperature max (Tmax) | Mx preheating temp. | 150℃ | 200℃ |
| Preheat Time (Tsmin to Tsmax)(ts) | Preheating time | 60-120 sec | 60-120 sec |
| Average ramp-up rate(Tmax to Tp) | Average ramp-up rate | 3℃/second max | 3℃/second max |
| Liquidous Temperature (TL) | Liquid phase temp. | 183℃ | 217℃ |
| Time(to)Maintained Above(TL) | Time below liquid phase line | 60-90 sec | 30-90 sec |
| Peak temperature(Tp) | Peak temp. | 220-235℃ | 230-250℃ |
| Aveage ramp-down rate(Tp to Tsmax) | Aveage ramp-down rate | 6℃/second max | 6℃/second max |
| Time 25℃ to peak temperature | Time to peak temperature for 25℃ | max 6 minutes | max 8 minutes |
Reflow soldering curve

E19 Series
| Model No. | IC | Frequency (Hz) | Tx power (dBm) | Test distance km | Package | Antenna | Model No. |
| E19-433M20S2 | SX1278 | 433M | 20 | 5 | SMD | 15 * 15 | Stamp hole |
| E19-915M30S | SX1276 | 915M | 30 | 10 | SMD | 25 * 40 | Stamp hole /IPEX |
| E19-868M30S | SX1276 | 868M | 30 | 10 | SMD | 25 * 40 | Stamp hole /IPEX |
| E19-868M20S | SX1276 | 868M | 20 | 5 | SMD | 17.6*25.2 | Stamp hole |
| E19-433M30S | SX1278 | 433M | 30 | 10 | SMD | 25*37 | Stamp hole |
| E19-915M20S | SX1276 | 915M | 20 | 5 | SMD | 17.6*25.2 | Stamp hole |
| E19-433M20SC | SX1278 | 433M | 20 | 5 | SMD | 17.6*25.2 | Stamp hole |
Antenna guidance
Antenna recommendation
The antenna is an important role in the communication process. A good antenna can largely improve the communication system. Therefore, we recommend some antennas for wireless modules with excellent performance and reasonable price.
| Model No. | Type | Frequency Hz | Interface | Gain dBi | Height | Cable | Function feature |
| TX433-NP-4310 | FPC Antenna | 433M | SMA-J | 2 | 43.8*9.5mm | – | FPC soft antenna |
| TX433-JW-5 | Rubber | 433M | SMA-J | 2 | 50mm | – | Flexible &omnidirectional |
| TX433-JWG-7 | Rubber | 433M | SMA-J | 2.5 | 75mm | – | Flexible &omnidirectional |
| TX433-JK-20 | Rubber | 433M | SMA-J | 3 | 210mm | – | Flexible &omnidirectional |
| TX433-JK-11 | Rubber | 433M | SMA-J | 2.5 | 110mm | – | Flexible &omnidirectional |
| TX433-XP-200 | Sucker | 433M | SMA-J | 4 | 19cm | 200cm | Sucker antenna, High gain |
| TX433-XP-100 | Sucker | 433M | SMA-J | 3.5 | 18.5cm | 100cm | Sucker antenna, High gain |
| TX433-XPH-300 | Sucker | 433M | SMA-J | 6 | 96.5cm | 300cm | Sucker antenna, High gain |
| TX433-JZG-6 | Rubber | 433M | SMA-J | 2.5 | 52mm | – | Short straight &omnidirectional |
| TX433-JZ-5 | Rubber | 433M | SMA-J | 2 | 52mm | – | Short straight &omnidirectional |
Package for batch order
Revision history
| Version | Date | Description | Issued by |
| 1.00 | 2017/10/16 | Initial version | huaa |
| 1.10 | 2018/5/23 | Content updated | huaa |
| 1.20 | 2018/9/21 | Model No. split | Huaa |
| 1.30 | 2020-04-07 | Ren |
About us
Technical support: [email protected]
Documents and RE Setting download link: www.ebyte.com
Thank you for using Ebyte products! Please contact us with any questions or suggestions: info(Wedebyte.com
Fax: 028-64146160 ext. 821
Web: www.ebyte.com
Address: Innovation Center B333- D347, 4# XI-XIN Road, Chengdu, Sichuan, China
® EBYTE Chengdu Ebyte Electronic Technology Co.,Ltd.
Copyright 02012-2018, Chengdu Ebyte Electronic Technology Co., Ltd.























