EBYTE E07-900M10S CC1101 855-925MHz 10dBm SPI Wireless Module

OVERVIEW
Brief Introduction
E07-900M10S is an independently developed 410-450MHz SMD wireless module based on the CC1101 chip produced by Texas Instruments (TI), using industrial-grade high-precision 26MHz crystal oscillator. Due to the adoption of the already mature CC1101 chip as the core of the module, its stability has won unanimous praise from users, and there is no need to worry about compatibility. This module is mainly aimed at smart home, industry, scientific research and medical, and short-distance wireless communication equipment. It can provide extensive hardware support for data packet processing, data buffering, burst transmission, received signal strength indicator (RSSI), clear channel assessment (CCA), link quality indicator, and wireless wake-up (WOR). Since the module is a pure RF transceiver module, you need to use the MCU driver or a dedicated SPI debugging
Features
- The measured communication distance can reach 1500m;
- Maximum transmission power of 10mW, software multi-level adjustable;
- Support the license-free ISM 868MHz/915MHz band;
- Support air date rate of 0.6k~500kbps;
- Support multiple modulation modes (OOK、ASK、GFSK、2-FSK、4-FSK and MSK)
- Independent 64-byte RX FIFO and TX FIFO;
- Support 2.5~3.6V power supply, power supply over 3.3 V can guarantee the best performance;
- Industrial grade standard design, support -40 ~ 85 °C for working over a long time;
- IPEX interface, which can be easily connected to external antenna;
- Support RSSI (received signal strength indicator) and LQI (link quality indicator)
- It is connected to the MCU through a 4-wire SPI interface and provides 2 general-purpose digital output pins with programmable functions.
Application
- Smart home and industrial sensors, etc.;
- Wireless alarm security system;
- Home security alarm and remote keyless entry;
- Wireless industrial-grade remote control;
- Health care products;
- Advanced Meter Reading Architecture(AMI);
- Automotive industry applications.
Specification and Parameter
Limit Parameter
| Main parameter | Performance | Remark | |
| Min | Max | ||
| Power supply(V) | 0 | 3.6 | Voltage over 3.6V will cause permanent damage to module |
| Blocking power(dBm) | – | 10 | Chances of burn is slim when modules are used in short distance |
| Operating temperature(℃) | -40 | +85 | Industrial grade |
Operating Parameter
| Main parameter | Performance | Remark | |||
| Min | Typical | Max | |||
| Operating voltage(V) | 1.8 | 3.3 | 3.6 | 3.3 V ensures output power | |
| Communication level(V) | – | 3.3 | – | For 5V TTL, it may be at risk of burning down | |
| Operating temperature(℃) | -40 | – | +85 | Industrial grade | |
| Operating frequency(MHz) | 855 | 868 | 925 | Support ISM band | |
| Power Consump- tion | TX current(mA) | – | 36 | – | Instant power consumption |
| RX current(mA) | – | 18 | – | – | |
| Sleep current (μA) | – | 0.6 | – | Shut down by software | |
| Max TX power(dBm) | 9.5 | 10 | 11 | – | |
| Receiving sensitivity(dBm) | -105 | -107 | -108 | Air data rate is 1.2kbps | |
| Air data rate(bps) | 0.6k | – | 500k | Controlled via user’s programming | |
| Main parameter | Description | Remark |
| Reference distance | 1.5km | Test condition:clear and open area, antenna gain: 5dBi, antenna height: 2.5m,air data rate: 1.2kbps |
| FIFO | 64Byte | Maximum length of a single transmission |
| Crystal Oscillator | 26MHz | 10ppm |
| Modulation | GFSK(recommended) | Support OOK、ASK、GFSK、2-FSK、4-FSK and MSK |
Chengdu Ebyte Electronic Technology Co.,Ltd
| Package | SMD | – |
| Interface method | 1.27mm | Half hole |
| Communication Interface | SPI | 0~10Mbps |
| Size | 14*20mm | – |
| Antenna | IPEX/STAMP | 50 ohm impedance |
| Net Weight | 1.2g | – |
Size and Pin definition

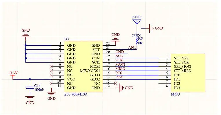
| Pin No. | Item | Direction | Description |
| 1 | GND | Ground wire, connected to the power reference ground | |
| 2 | GND | Ground wire, connected to the power reference ground | |
| 3 | GND | Ground wire, connected to the power reference ground | |
| 4 | GND | Ground wire, connected to the power reference ground | |
| 5 | GND | Ground wire, connected to the power reference ground | |
| 6 | NC | No need to connect | |
| 7 | NC | No need to connect | |
| 8 | NC | No need to connect | |
| 9 | VCC | Power supply, 3.0~3.6V (It is also recommended to add external ceramic filter capacitor) |
| 10 | NC | No need to connect | |
| 11 | GND | Ground wire, connected to the power reference ground | |
| 12 | GND | Ground wire, connected to the power reference ground | |
| 13 | NC | No need to connect | |
| 14 | GD02 | CC1101 chip pins (see CC1101 official user manual for details) | |
| 15 | GD00 | CC1101 chip pins (see CC1101 official user manual for details) | |
| 16 | MISO/GD01 | Output | SPI master output slave input |
| 17 | MOSI | Input | SPI master input slave output |
| 18 | SCK | Input | Serial Clock Input |
| 19 | CSN | Input | SPI Chip select for starting SPI communication |
| 20 | GND | Ground wire, connected to the power reference ground | |
| 21 | ANT | Input/Output | Antenna, stamp hole(50 ohm impedance) |
| 22 | GND | Ground wire, connected to the power reference ground |
Basic operation
Hardware design
- It is recommended to use a DC stabilized power supply. The power supply ripple factor is as small as possible and the module needs to be reliably grounded;
- Please pay attention to the correct connection of the positive and negative poles of the power supply,
reverse connection may cause permanent damage to the module; - Please check the power supply to ensure that between the recommended supply voltage, if exceeding the maximum, the module will be permanently damaged;
- Please check the stability of the power supply. Voltage can not fluctuate greatly and frequently;
- When designing the power supply circuit for the module, it is often recommended to reserve more than 30% of the margin, so the whole machine is beneficial for long-term stable operation;
- The module should be as far away as possible from the power supply, transformers, high-frequency wiring and other parts with large electromagnetic interference;
- Bottom Layer High-frequency digital routing, high-frequency analog routing, and power routing must be avoided under the module. If it is necessary to pass through the module, assume that the module is soldered to the Top Layer, and the copper is spread on the Top Layer of the module contact part(well grounded), it must be close to the digital part of the module and routed in the Bottom Layer;
- Assuming the module is soldered or placed over the Top Layer, it is wrong to randomly route over the Bottom Layer or other layers, which will affect the module’s spurs and receiving sensitivity to varying degrees;
- It is assumed that there are devices with large electromagnetic interference around the module that will greatly affect the performance. It is recommended to keep them away from the module according to the strength of the interference. If necessary, appropriate isolation and shielding can be done;
- Assume that there are traces with large electromagnetic interference (high-frequency digital, high-frequency analog, power traces) around the module that will greatly affect the performance of the module. It is recommended to stay away from the module according to the strength of the interference.If necessary, appropriate isolation and shielding can be done;
- If the communication line uses a 5V level, a 1k-5.1k resistor must be connected in series (not recommended, there is still a risk of damage);
- The mounting structure of antenna has a great influence on the performance of the module. It is necessary to ensure that the antenna is exposed, preferably vertically upward. When the module is mounted inside the case, use a good antenna extension cable to extend the antenna to the outside;
- The antenna must not be installed inside the metal case, which will cause the transmission distance to be greatly weakened.
Programming
- It can complete the wireless data transceiving by operating its control register and transceiving buffer. Please refer to the latest CC1101 data sheet for the timing operation of module register.
- GDO0 is a general-purpose I/O port,see CC1101 user manual;
- GDO2 is generally configured as an IRQ-like function, or not connected. SPI query mode can be used to obtain the interrupt status, but it is still recommended to use external interrupt by connecting to a MCU;
- After CC1101 restores IDLE mode or configured as sleep mode, it is recommended to reinitialize the power configuration table.
Recommended circuit diagram

FAQ
The communication range is too short
- The communication distance will be affected when an obstacle exists;
- Data loss rate will be affected by temperature, humidity, and co-channel interference;
- The ground will absorb and reflect wireless radio waves, so the performance will be poor when testing near the ground;
- Seawater has a great ability in absorbing wireless radio waves, so performance will be poor when testing near the sea;
- The signal will be seriously affected when the antenna is near a metal object or put in a metal case;
- Power register was set incorrectly or air data rate is set as too high (the higher the air data rate, the shorter the distance);
- The power supply low voltage under room temperature is lower than our recommendation, the lower the voltage, the lower the transmitting power;
- Due to antenna quality or poor matching between antenna and module.
Module is easy to damage
- Please check the power supply source, ensure it is 1.8V~3.6V, a voltage higher than 3.6V will damage the module;
- Please check the stability of the power source, the voltage cannot fluctuate too much;
- Please make sure anti-static operation when installing and using, high-frequency devices have electrostatic susceptibility;
- Please ensure the humidity is within a limited range, some parts are sensitive to humidity;
- Please avoid using modules under too high or too low temperatures.
BER(Bit Error Rate) is high
- There are co-channel signal interference nearby, please be away from interference sources or modify frequency and channel to avoid interference;
- The clock waveform on SPI is not standard, check whether there is interference on the SPI line, and the SPI bus line should not be too long;
- The poor power supply may cause messy code. Make sure that the power supply is reliable;
- The extension line and feeder quality are poor or too long, so the bit error rate is high.
Production guidance
This product is an SMD module. When soldering the module, the soldering personnel must work in accordance with the anti-static operation specification; This product is an electrostatic-sensitive product. If the module is not welded according to the specification, the module may be permanently damaged.
E07 series
| Model No. | IC | Frequency | Tx power | Distance | Package | Antenna |
| Hz | dBm | m | ||||
| E07-900M10S | CC1101 | 868M/915M | 10 | 1500 | SMD | STAMP |
| E07-400M10S | CC1101 | 433M | 10 | 1500 | SMD | STAMP |
| All modules in the E07 series can communicate with each other | ||||||
Antenna Guide
Antenna recommendation
The antenna is an important role in the communication process. A good antenna can largely improve the communication system. Therefore, we recommend some antennas for wireless modules with excellent performance and reasonable prices.
| Model No. | Type | Frequency Hz | Interface | Gain dBi | Length mm | Feeder | Features |
| Sucker antenna | 868M | SMA-J | 3.5 | 290 | 100cm | Sucker antenna, high gain | |
| Rubber antenna | 868M | SMA-J | 3 | 200 | – | Fixed bending, omnidirectional antenna | |
| Rubber antenna | 868M | SMA-J | 2 | 50 | – | Ultra-short and straight, omnidirectional antenna | |
| Sucker antenna | 915M | SMA-J | 3.5 | 250 | 100cm | Sucker antenna, high gai | |
| Rubber antenna | 915M | SMA-J | 3 | 210 | – | Fixed bending, omnidirectional antenna | |
| Rubber antenna | 915M | SMA-J | 2.5 | 110 | – | Fixed bending, omnidirectional antenna | |
| Rubber antenna | 915M | SMA-J | 2 | 50 | – | Ultra-short and straight, omnidirectional antenna |
Revision history
| Version | Date | Description | Issued by |
| 1.0 | 2021-06-18 | Initial version | Linson |
About us

Sales hotline:0086-4000-330-990 Tel:0086-28-61399028
Technical support:[email protected] Website:www.ebyte.com/en
Address: Building B5, Mould Industrial Park, 199# Xi-Qu Ave, West High-tech Zone, Chengdu, 611731, Sichuan, China





















