
Introduction
FS-R4A3-BS based on 2A-BS protocol is a three-in-one receiver with ESC and LED light group control board. It has an external single antenna, can output PWM signal and light control signal, can implement two-way transmission, adopts automatic binding, and has a compact design, which can be adapted to various model cars.
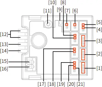
Overview

[1] CH1
[2] CH3
[3] CH4
[4] Headlight interface
[5] Right turn signal light interface
[6] Fog light interface
[7] Fog light interface
[8] Left turn signal light interface
[9] LED
[10] Headlight interface
[11] Antenna
[12] Power switch
[13] Battery line anode
[14] Battery line cathode
[15] Motor interface “M+”
[16] Motor interface “M-”
[17] Left turn signal light interface
[18] Right turn signal light interface
[19] Tail light interface
[20] Stop light interface
[21] Backup light interface
[22] Channel signal end
[23] Power anode
[24] Power cathode
Specifications
- Product Name: FS-R4A3-BS
- Adaptive transmitter: FS-MG41-BS
- Model Type: Cars
- Number of Channels: 4
- Number of Lights: 7
- RF: 2.4GHz ISM
- 2.4G Protocol: 2A-BS
- Antenna: Single antenna
- Input Power: NiMH (5~7Cell)
- Continuous/Peak Current: 10A/50A
- Data Output: PWM
- Temperature Range: -10°C ~ +60°C
- Humidity Limit: 20%~95%
- WaterProof: PPX4
- Online Update: NO
- Dimensions: 33mm*30mm*12mm (Excluding capacitor)
- Weight: About 11g
- Certification: CE, FCC ID: N4ZR4A31
Binding
The receiver automatically enters the binding state once it is powered on.
Press the BIND Key to turn on the transmitter and allow it to enter its binding state. Here, G.LED flashes quickly, and operator releases the BIND Key.
1. When the receiver is powered on and waits for 1 second, it will automatically enter the binding state if it is not connected;
2. After the binding is successful, the LED indicator of the receiver is always on.
Notes: (1) Set the transmitter to its binding state first, and then set the receiver to its binding state. If the binding is not completed within 10s, the indicator light of the receiver will enter its slow flashing state.
(2) If re-binding is successful, all the settings of the car lights will be restored to their default values.
ESC protection
This receiver has multiple prompt functions such as power-on self-check display, overheating alarm prompt, and low/high voltage alarm prompt.
- Self-check display: all car lights will be on for 1S when the receiver is powered on;
- Overheating alarm: When the internal temperature of the ESC is detected to exceed 110°C, motor has no output, all car lights flash promptly, and the normal output will be restored when the temperature is lower than 70°C;
- Low/high voltage alarm: When the receiver enters the low voltage protection, motor has no output, and all the lights flash slowly; when the receiver enters the high voltage protection, all channels have no output. All car lights flash promptly.
Car light control
The car light control is mainly to implement the changeover of lighting states and lighting modes by the setting of the transmitter.
This receiver is preset with five modes for controlling model car lights. In each mode, the on/off states of backup lights are consistent; in other words, the backup light is in a high-light state when the model car backs up; otherwise, it is in off state. The turn signal light, headlight, stop light, tail light and fog light have different on/off states as follows:
- Default mode: In this mode, the turn signal light is in off state regardless of whether the model car makes a turn or not; When braking, the stop light is in a high-light state, and otherwise, it is in off state; The headlight, tail light and fog light are in off state.
- Mode A: In this mode, the turn signal light is in a slow flashing state when the model car makes a turn; When braking, the stop light is in a high-light state, and when not braking, it is in a low-light state; The headlight is in a low-light state; The tail light and fog light are in off state.
- Mode B: In this mode, the turn signal light is in a slow flashing state when the model car makes a turn; When braking, the stop light is in a high-light state, and when not braking, it is in a low-light state; The headlight is in a high-light state; The tail light and fog light are in off state.
- Mode C: In this mode, the turn signal light is in a continuously slow flashing state regardless of whether the model car makes a turn or not; When braking, the stop light is in a high-light state, and when not braking, it is in a low-light state; The headlight is in a high-light state; The tail light and fog light are in on state.
- Mode D: In this mode, the turn signal light is in a slow flashing state when the model car makes a turn; When braking, the stop light is in a high-light state, and when not braking, it is in off state; The headlight is in off state; The tail light and fog light are in on state.
Notes:
(1) Press the CH4 button on the transmitter to switch the working mode, one mode per press (Default Mode, Mode A, Mode B, Mode C and Mode D are switched in turn);
(2) Every time the receiver is turned on, the car light control mode is in Default Mode;
(3) Mode C is an emergency light working state. In this mode, the left and right turn signal lights flash synchronously and slowly as emergency lights.
ESC function instructions
1. Connect related equipment:
• Make sure the ESC is off before connection. Connect the motor with M+ and M- of ESC. Connect the steering servo to the 3Pin interface marked with “ST” of ESC (- + S connected correspondingly). Connect the battery with the positive and negative poles of ESC correspondingly.

- Battery
- LED
- Servo
- ESC&RX
- Motor
2. Normal boot, identification throttle midpoint:
• After connecting related equipment as step 1, turn on the radio first, move the throttle trigger to the neutral position. Turn on the switch of ESC at last. The receiver will automatically recognize the battery type when it is powered on again. Then it can run it.
Notes:
a. The ESC can be run after completing self-inspection (about 3 seconds) if power on, otherwise it cannot be operated normally.
b. If there is no power output and the red light of ESC flashes quickly after power on, please check whether the throttle trim of the transmitter is set to the “0” position, the receiver will automatically recognize the midpoint of the trim throttle after restarting;
c. If the rotation direction is not correct during running, exchange the two wires connecting motor and ESC.
d. To make sure everything is ok, please turn on the transmitter first and finally turn on the ESC, turn off the ESC first and finally turn off the transmitter.
Note: Please refer to the relevant sections for details about the battery type, drag brake force and running mode of the ESC.
Failsafe
This function is used to protect the safety of the model and the operator when the receiver cannot normally receive the signal from the transmitter and is out of control. The receiver defaults that the throttle channel is fixed to be out of control and enters the brake state. The receiver will maintain the output of the last signal when the signal is lost. If you set it on the transmitter, it will output according to the set value.
Attention:
- Make sure the product is installed and calibrated correctly, failure to do so may result in serious injury.
- Please carefully check each power device and car frame instructions to ensure the power matching is reasonable before use. Avoid damaging power system due to incorrect matching.
- Do not let the external temperature of the system exceed 90°C/194°F, because high temperature will damage the power system.
- Make sure the receiver’s battery is disconnected before turning off the transmitter, failure to do so can result out of control. Unreasonable setting of the Failsafe may cause accidents.
- After use, remember to disconnect the battery and the ESC. If the battery isn’t disconnected, the ESC will consume electric energy all the time even if it is off. It will discharge completely if connect the battery for a long time, thus resulting in the failure of the battery or the ESC. We are not responsible for any damage caused by this!
- Make sure the receiver is mounted away from motors or any device that emits excessive electrical noise.
- Keep the antenna of the receiver at least 1cm away from conductive materials such as carbon or metal.
- Do not power on the receiver during the setup process to prevent loss of control.
Certification
FCC Compliance Statement
This device complies with Part 15 of the FCC Rules. Operation is subject to the following two conditions: (1) this device may not cause harmful interference, and (2) this device must accept any interference received, including interference that may cause undesired operation.
Warning: changes or modifications not expressly approved by the party responsible for compliance could void the user’s authority to operate the equipment.
This equipment has been tested and found to comply with the limits for a Class B digital device, pursuant to Part 15 of the FCC Rules. These limits are designed to provide reasonable protection against harmful interference in a residential installation. This equipment generates, uses and can radiate radio frequency energy and, if not installed and used in accordance with the instructions, may cause harmful interference to radio communications. However, there is no guarantee that interference will not occur in a particular installation.
If this equipment does cause harmful interference to radio or television reception, which can be determined by turning the equipment off and on, the user is encouraged to try to correct the interference by one or more of the following measures:
Reorient or relocate the receiving antenna.
Increase the separation between the equipment and receiver.
Connect the equipment into an outlet on a circuit different from that to which the receiver is connected.
Consult the dealer or an experienced radio/TV technician for help.
EU DoC Declaration
Hereby, [Flysky Technology co., ltd] declares that the Radio Equipment [FS-R4A3-BS] is in compliance with RED 2014/53/EU.
The full text of the EU DoC is available at the following internet address: www.flysky-cn.com.
RF Exposure Compliance
This equipment complies with FCC radiation exposure limits set forth for an uncontrolled environment. This equipment should be installed and operated with minimum distance 20cm between the radiator and your body. This transmitter must not be co-located or operating in conjunction with any other antenna or transmitter.
Environmentally friendly disposal
Old electrical appliances must not be disposed of together with the residual waste, but have to be disposed of separately. The disposal at the communal collecting point via private persons is for free. The owner of old appliances is responsible to bring the appliances to these collecting points or to similar collection points. With this little personal effort, you contribute to recycle valuable raw materials and the treatment of toxic substances.
IC STATEMENT
This device contains licence-exempt transmitter(s)/receiver(s) that comply with Innovation, Science and Economic Development Canada’s licence-exempt RSS (s).
Operation is subject to the following two conditions:
(1) This device may not cause interference.
(2) This device must accept any interference, including interference that may cause undesired operation of the device.

FCC ID: N4ZR4A31
IC: 25584-R4A31
Manufacturer: FLYSKY Technology Co., Ltd
Address: 16F, Huafeng Building, 6006 Shennan Road, Futian District, Shenzhen
Figures and illustrations in this manual are provided for reference only and may differ from actual product appearance. Product design and specifications may be changed without notice.

http://www.flysky-cn.com
Copyright ©2021 Flysky Technology co., ltd
















