ArcPixel Power -US
USER MANUAL
CAUTION!
Unplug mains lead before opening the housing!
FOR YOUR OWN SAFETY, PLEASE READ THIS USER MANUAL CAREFULLY BEFORE YOU INITIAL START – UP!
Important safety instructions
Every person involved with installation and maintenance of this product has to:
– be qualilfied
– follow the instructions and heed all warnings in this manual
CAUTION!
Be careful with your operations. With a high voltage you can suffer a dangerous electric shock when touching the wires inside the unit!
This product has left our premises in absolutely perfect condition. In order to maintain this condition and to ensure a safe operation, it is absolutely necessary for the user to follow the safety instructions and warning notes written in this manual.
WARNING
To prevent injury, this apparatus must be securely installed in accordance with the installation instructions.”
Do not block any ventilation openings. Install in accordance with the manufacturer’s instructions.
Do not install near any heat sources such as radiators, heat registers, stoves, or other apparatus (including amplifiers) that produce heat.
Do not use this apparatus near water. Clean only with dry cloth.
Only use attachments/accessories specified by the manufacturer.
Protect the power cord from being walked on or pinched particularly at plugs, convenience receptacles, and the point where they exit from the apparatus.
Refer all servicing to qualified service personnel. Servicing is required when the apparatus has been damaged in any way, such as power-supply cord or plug is damaged, liquid has been spilled or objects have fallen into the apparatus, the apparatus has been exposed to rain or moisture, does not operate normally, or has been dropped.
Use a source of AC power that complies with local building and electrical rules. AC power has to have both overload and short circuit protection.
This device falls under protection class I.Therefore the ArcPixel Power-US has to be connected to a mains socket outlet with a protective earthing connection!
This device is for professional use only. It is not for household use.
Warning: Operation of this equipment in a residential environment could cause radio interference.
Resistance of the equipment is designed for electromagnetic environments E1, E2, E3 according to the standard EN55103-2 ed.2 Electromagnetic
compatibility. Product family standard for audio, video, audiovisual and entertainment lighting control apparatus for professional use. Part 2: Immunity. The installation company should measure levels of possible interferences above the tested levels E1,E2,E3 given by this standard (e.g. transmitters in surrounding area) before installing the equipment.
Emission of the equipment complies with the standard EN55032 Electromagnetic compatibility of multimedia equipment – Emission Requirements according to class A.
Operating determinations
This product was designed for indoor use only.
If the unit has been exposed to drastic temperature fluctuation (e.g. after transportation), do not switch it on immediately. The arising condensation water might damage your unit. Leave the unit switched off until it has reached room temperature.
Avoid brute force when installing or operating the unit.
When choosing the installation spot, please make sure that the unit is not exposed to extreme heat, moisture or dust.
Only operate the unit after having checked that the housing is firmly closed and all screws are tightly fastened.
The maximum ambient temperature 40° C must never be exceeded.
Operate the unit only after having familiarized with its functions. Do not permit operation by persons not qualified for operating the unit. Most damages are the result of unprofessional operation!
Please use the original packaging if the product is to be transported.
Please consider that unauthorized modifications on the unit are forbidden due to safety reasons!
Description of the ArcPixel Power-US
![]()
| 1 – Control board 2 – Power socket 3 – Ethernet 4 – DMX Output 5 – DMX Input 6 – ArcPix output 4 7 – ArcPix output 3 | 8 – ArcPix output 2 9 – ArcPix output 1 10 – ArcDot output 4 11 – ArcDot output 3 12 – ArcDot output 2 13 – ArcDot output 1 |
Installation
CAUTION!
These servicing instructions are for use by qualified service personnel only. To reduce the risk of electric shock do not perform any servicing other than that contained in the operating instructions unless you are qualified to do so.
4.1. Connection to the mains:
The ArcPixel Power-US is equipped with auto-switching power supply that automatically adjusts to any 50-60Hz AC power source from 100-240 Volts. The fixture must be grounded. Connect the fixture to the mains with enclosed power cord.
This device falls under protection class I. Therefore the ArcPixel Power-US has to be connected to a mains socket outlet with a protective earthing connection.
4.2. Mounting the ArcPixel Power-US
The ArcPixel Power-US should be be placed on a non-flammable flat surface in any orientation and fixed by the four screws.There are four mounting holes of a dimension of 5×7 mm in housing of the driver. Ensure that installation place is enough ventilated.
- Screws
- flat surface
- mounting holes
![]()
4.3. Connecting ArcPixes-US
![]()
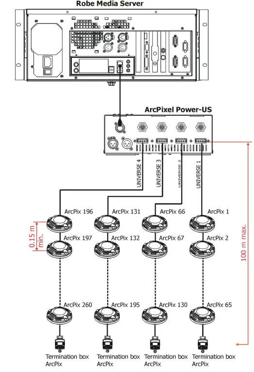
Connect ArcPixes to the LED outputs of the ArcPixel Power-US (max. 65 ArcPixes per output). The first ArcPix in the ArcPix chain can be connected to the screw terminal board on the ArcPixel Power-US either via connection box or via customized cable length (has to be specified at order). Maximum length between the ArcPixel Power-US and the last ArcPix must not exceed 100 metres. Max. number of LED modules connected to one ArcPixel Power-US output is 65. For larger installation, the ArcPixel Power-US should be connected to the Robe Media Server which allows automatic pixel mapping and full control of the ArcPixes modules.
To connect ArcPixes-US
- Disconnect ArcPixel Power-US from mains.
- Connect ArcPixes to the ArcPixel Power-US. Connect the termination box ArcPix to each ArcPix line.
If you use Artnet for control of the ArcPixel Power-US, you can connect ArcPixes to all LED outputs 1-4.
For larger installation we recommend to set different universes for each ArcPix output. The first ArcPix has to have the bottom universe and the last ArcPix the top universe (requirement of the Robe Media Server). - Connect ArcPixel Power-US to mains
- Run procedures ” Search Dots” and ” Sort Dots” from the menu “Dots”
- Save adjusted values with the option “Store Config”.
- Connect the ArcPixel Power-US to the Robe Media Server.

Every ArcPix line has to be terminated with the termination box ArcPix!
Note: Never connect/disconnect LED modules when the ArcPixelPower-US is under voltage!
If the line between ArcPixes is disconected, the ArcPixes behind point of interrupt will not work. Before restoring connection between ArcPixes, switch off the ArcPixel Power-US.
In case that some ArcPix has been changed, the same address as had original ArcPix is assigned to the new ArcPix by the ArcPixel Power-US. It is very important to save Dots configuration at every change of ArcPixes.(Menu “Dots” -> “Store Config”),
Max. cable length between the ArcPixel Power-US and the last connected ArcPix module should not exceed 100m
Note: If DMX is used for control of the ArcPixel Power-CE, the LED outputs 1-3 may be used only. (In this case, one UART from four available UARTs is used for DMX input and remaining three UARTs can be used for LED outputs only. LED output load is the same as in a case of the control by Artnet – max 65 LED modules per LED output, but max. 195 modules per fixture).
![]()
Every ArcPix line has to be terminated with the termination box ArcPix
The Robe Media Server allows to choose two modes of ArcPixes connection: Fixed-wiring mode and Picture mode. For detailed description see the user manual of the Robin Media Server.
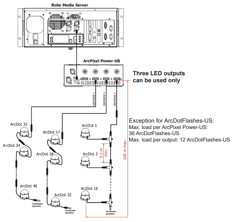
4.4. Connecting ArcDots-US / ArcSource Out 4MC Pixel -US/ArcDotFlash-US
Connect ArcDots to the LED output of the ArcPixel Power-US ( max. 16 ArcDots per output). Max. number of all LED modules connected to the ArcPixel Power-US is 64 (but 48 ArcDotFlash-US only!). The ArcDots can be interconnected directly or by using T- connectors – see the picture below. If you use Artnet for control of the ArcPixel Power-US, you can connect ArcDots to all LED outputs 1-4. For larger installation (more than 25 ArcDots), the ArcPixel Power-US should be connected to the Robe Media
Server which allows automatic pixel mapping and full control of the ArcDots modules. Without Robe Media Server, you have to perform pixel mapping manually using the menu “Dots”.
To connect ArcDots
- Disconnect ArcPixel Power-US from mains.
- Connect ArcDots to the ArcPixel Power-US. Connect active terminators to each ArcDots line.
- Connect the ArcPixel Power-US to mains
- Run procedures “Search Dots” and “Sort Dots” from the menu “Dots”
- Save adjusted values with the option “Store Config”
- Disconnect the ArcPixel Power-US from mains and replace active terminators by passive terminators*.
- Connect the ArcPixel Power-US to mains and to the Robe Media Server.
* Active terminators can remain permanent connected if there is place for them (they are bigger than passive ones).
![]()
Note: Never connect/disconnect LED modules when the ArcPixelPower-US is under voltage!
If the line between ArcDots is disconected, the ArcDots behind point of interrupt will not work. Before restoring connection between ArcDots, switch off the ArcPixel Power-US. In case that some ArcDot has been changed, the same address as had original ArcDot is assigned to it by the ArcPixel Power-US. It is very important to save ArcDots configuration at every change of an ArcDot. (Menu “Dots” -> “Store Config”), Max. cable length between ArcPixel Power-US and the last connected ArcDot module should not be exceeded: 100m @ 16 ArcDots per LED output . Only one ArcDot can be connected to the T-connector.
Note: If DMX is used for control of the ArcPixel Power-US, the LED outputs 1-3 may be used only. (In this case, one UART from four available UARTs is used for DMX input and remaining three UARTs can be used for LED outputs only. LED output load is the same as in a case of the control by Artnet – max 16 LED modules per LED output, but max. 48 modules per ArcPixel Power-US. For ArcDotFlashes-US is number reduced to max 12 LED modules per LED output, but max. 36 modules per ArcPixel Power-US.)
![]()
Every ArcDot line has to be terminated with the passive terminator!
Note: the same rules as for the ArcDots-US go for the ArcSource Out 4MC Pixels-US and ArcDotFlashes-US with the following exception for the ArcDotFlashes-US: If no
DMX signal is present at ArcPixel Power-US, the ArcDotFlash modules flash randomly (22-28 flashes per minute).
The Robe Media Server allows to choose two modes of ArcDots connection: Fixed-wiring mode and Picture mode. For detailed description see the user manual of the Robin Media Server.
ArcPixel Power-US – DMX protocol
ArcDot-US/ ArcSource Outdoor 4MC Pixel -US
version 1.1
| RGBW mode=Off (Channel) | RGBW* mode=On (Channel) | Value | Function | Type of control |
| ArcDot 1/ ArcSource Outdoor 4MC Pixel 1 | ||||
| 1 | 1 | 0-255 | Red Red LED saturation control (0-100%) | proportional |
| 2 | 2 | 0-255 | Green Green LED saturation control (0-100%) | proportional |
| 3 | 3 | 0-255 | Blue Blue LED saturation control (0-100%) | proportional |
| – | 4 | 0-255 | White White LED saturation control (0-100%) | proportional |
| ArcDot 2/ ArcSource Outdoor 4MC Pixel 2 | ||||
| 4 | 5 | 0-255 | Red Red LED saturation control (0-100%) | proportional |
| 5 | 6 | 0-255 | Green Green LED saturation control (0-100%) | proportional |
| 6 | 7 | 0-255 | Blue Blue LED saturation control (0-100%) | proportional |
| – | 8 | 0-255 | White White LED saturation control (0-100%) | proportional |
| ArcDot 3/ ArcSource Outdoor 4MC Pixel 3 | ||||
| 7 | 9 | 0-255 | Red Red LED saturation control (0-100%) | proportional |
| 8 | 10 | 0-255 | Green Green LED saturation control (0-100%) | proportional |
| 9 | 11 | 0-255 | Blue Blue LED saturation control (0-100%) | proportional |
| – | 12 | 0-255 | White White LED saturation control (0-100%) | proportional |
| : ArcDot 100/ ArcSource Outdoor 4MC Pixel 100 | ||||
| 298 | 397 | 0-255 | Red Red LED saturation control (0-100%) | proportional |
| 299 | 398 | 0-255 | Green Green LED saturation control (0-100%) | proportional |
| 300 | 399 | 0-255 | Blue Blue LED saturation control (0-100%) | proportional |
| – | 400 | 0-255 | White White LED saturation control (0-100%) | proportional |
* RGBW modules only
ArcPix-US
version 1.0
| Channel | Value | Function | Type of control |
| ArcPix 1 | |||
| 1 | 0-255 | Red Red LED saturation control (0-100%) | proportional |
| 2 | 0-255 | Green Green LED saturation control (0-100%) | proportional |
| 3 | 0-255 | Blue Blue LED saturation control (0-100%) | proportional |
| ArcPix 2 | |||
| 4 | 0-255 | Red Red LED saturation control (0-100%) | proportional |
| 5 | 0-255 | Green Green LED saturation control (0-100%) | proportional |
| 6 | 0-255 | Blue Blue LED saturation control (0-100%) | proportional |
| ArcPix 3 | |||
| 7 | 0-255 | Red Red LED saturation control (0-100%) | proportional |
| 8 | 0-255 | Green Green LED saturation control (0-100%) | proportional |
| 9 | 0-255 | Blue Blue LED saturation control (0-100%) | proportional |
| : ArcPix 100 | |||
| 298 | 0-255 | Red Red LED saturation control (0-100%) | proportional |
| 299 | 0-255 | Green Green LED saturation control (0-100%) | proportional |
| 300 | 0-255 | Blue Blue LED saturation control (0-100%) | proportional |
ArcPix 170
| 508 | 0-255 | Red Red LED saturation control (0-100%) | proportional |
| 509 | 0-255 | Green Green LED saturation control (0-100%) | proportional |
| 510 | 0-255 | Blue Blue LED saturation control (0-100%) | proportional |
ArcDotFlash-US
version 1.1
| Channel | Value | Function | Type of control |
| ArcDotFlash 1 | |||
| 1 | 0-127 128 129-255 | Strobe Synchronous flashing from slow to fast (0.02Hz-20Hz) Permanent lit Random flashing from slow to fast (2.2 flashes/minute-28 flashes/minute) | proportional step proportional |
| 2 | 0-255 | Dimmer Light intensity from 0% to 100% | proportional |
| ArcDotFlash 2 | |||
| 3 | 0-127 128 129-255 | Strobe Synchronous flashing from slow to fast (0.02Hz-20Hz) Permanent lit Random flashing from slow to fast (2.2 flashes/minute-28 flashes/minute) | proportional step proportional |
| 4 | 0-255 | Dimmer Light intensity from 0% to 100% | proportional |
| : | |||
| ArcDotFlash 48 | |||
| 95 | 0-127 128 129-255 | Strobe Synchronous flashing from slow to fast (0.02Hz-20Hz) Permanent lit Random flashing from slow to fast (2.2 flashes/minute-28 flashes/minute) | proportional step proportional |
| 96 | 0-255 | Dimmer Light intensity from 0% to 100% | proportional |
Default settings=Bold print
| Level 1 | Level 2 | Level 3 | Level 4 | Level 5 | Level 6 | Level 7 |
| DMX Addr | Set DMX Address | 0001-0512 | ||||
| IP Address | Default Address | Set Address | ||||
| Custom Address | IP Adr 1 | 0-255 | ||||
| IP Adr 2 | 0-255 | |||||
| IP Adr 3 | 0-255 | |||||
| IP Adr 4 | 0-255 | |||||
| Set Address | ||||||
| Network mask | Net M. 1 | |||||
| Net M. 2 | ||||||
| Net M. 3 | ||||||
| Net M. 4 | ||||||
| Set Net M. | ||||||
| Info | Software Version | |||||
| IP Addr. | ||||||
| MAC Adr. | ||||||
| Dots | New Dots | |||||
| Unknown Dots | ||||||
| Dots | Search Dots | |||||
| Sort Dots | Auto Sort | |||||
| Manual Sort | ||||||
| Restore Last | ||||||
| Fade Time | Off | |||||
| 0.1s-25.5s | ||||||
| Dots Curve | D. Curve | 0-255 | ||||
| RGBW 4ch Mode | On, Off | |||||
| Order Mode | Order Compact | |||||
| Order Universe | ||||||
| Store Config | ||||||
| Test Dots | ||||||
| Update Dots | No | |||||
| Yes | ||||||
| Personality | ArtNet Universe | Uni. 1 | 0-255 | |||
| Uni. 2 | 0-255 | |||||
| Uni. 3 | 0-255 | |||||
| Uni. 4 | 0-255 | |||||
| DMX Input | Ethernet | |||||
| Wired DMX | ||||||
| Display Settings | Disp Off Timer | Off, On | ||||
| Display Lightnes | 0-100% | |||||
| Display Contrast | 0-100% | |||||
| Skip Cfg Mismatch | Yes, No | |||||
| Default Settings | Set Defaults | |||||
| Test | Single Dots | |||||
| All Dots | ||||||
| Full Power | ||||||
| Stand Alone | Play On Start | Off | ||||
| Single | ||||||
| All | ||||||
| Full PWR | ||||||
| User P1 | ||||||
| Level 1 | Level 2 | Level 3 | Level 4 | Level 5 | Level 6 | Level 7 |
| User P2 | ||||||
| User P3 | ||||||
| Program Play | User 1 | |||||
| User 2 | ||||||
| User 3 | ||||||
| Program Edit | User 1 | |||||
| User 2 | ||||||
| User 3 | S.Count | 1-35 | ||||
| Step 1 | Red Z1 | 0-255 | ||||
| : | Green Z1 | 0-255 | ||||
| Step 35 | Blue Z1 | 0-255 | ||||
| White Z1 | 0-255 | |||||
| : | ||||||
| Red Z4 | 0-255 | |||||
| Green Z4 | 0-255 | |||||
| Blue Z4 | 0-255 | |||||
| White Z4 | 0-255 | |||||
| Step Tim. | 0-25.5sec | |||||
| Copy To Next | ||||||
| Special Settings | Software Update | No, Yes | ||||
| Reset Password |
The control panel situated on the top cover of the ArcPixel Power-US allows fixture addressing and set the driver´s behaviour.
![]()
Control elements:
[ENTER] button- enters menu,confirms adjusted values and leaves menu.
, [UP] button and[DOWN] button- moves between menu items on the the same level, sets values.
[ESCAPE] button- leaves the menu without saving value.
7.1 DMX Addr (Fixture addressing)
Set DMX Address – use this menu item to set the DMX start address of the fixture, which is defined as the first channel from which the ArcPixel Power-US will respond to the DMX controller.
IP address – select this menu item to set desired IP address. IP address is the Internet protocol address.The IP uniquely identifies any node (fixture) on a network. There cannot be 2 fixtures with the same IP address on the network! Default Address. This address is derived from fixture´s MAC address and cannot be changed. Confirm the item “Set Address” to select this address. Custom Address. IP address consists of four decimal numbers, each ranging from 0 to 255, separated by dots, e.g., 172.16.254.1. Each part represents a group of 8 bits (octet) of the address.
The following items “IP Adr 1″, ” IP Adr 2″, ” IP Adr 3″, ” IP Adr 4″ allow to set each part (number) of the address. After setting desired IP address, confirm the item “Set Address” to save this address.
Network mask – select this menu item to set desired network mask. A network mask is a 32-bit mask used to divide an IP address into subnets and specify the networks available hosts. The following items “Net M.1”, “Net.M.2″, ” Net.M.3″, ” Net.M.4″ serve for seting of each part (number) of the net mask. After setting desired network mask, confirm the item “Set Net M.” to save adjusted values.
7.2 Info (Fixture information)
Use this menu to read useful information about the fixture. Software version – select this menu item to read software versions. Dot 10.0/20 – Dot version. The items show software version of each LED module. MA. In – Driver version. The item shows software version of the ArcPixel Pover-US. IP Addr – this menu item shows the current IP address. MAC Addr – select this menu item to read the MAC address (the MAC address “runs” on display). Dots – select this menu item to read information about connected LED modules (ArcDot, ArcPix) New Dots – the item shows the number of recently connected LED modules. Unknown Dots – the item shows the number of LED modules which were not detected by the dot checking procedure (“Search Dots”) .
7.3 Dots (ArcDot/ArcPix settings)
Use this menu to prepare LED module for operation in desired matrix. Search Dots – this function checks all LED modules connected to the fixture and the message “Done” with the number of found LED modules is displayed after finishing the procedure. Example: Dots: 25 Search/Done The ArcPixes, ArcDots are sorted according to their RDM UID in colour range RGB,RGB……RGB.
Sort Dots – this menu allows you to choose automatic or manual sorting of connected LED modules. Auto Sort – Conected LED modules are sorted automatically by the following rule: ArcPix modules are sorted according to their IDs. ArcDot modules are sorted according to their distances from the ArcPixel Power-US (the active terminator for the ArcDot has to be connected to the last ArcDot at each LED output of the ArcPixel Power-US). Manual Sort – after choosing this option, the following screen will be displayed: Example: D001 St1 (D001..LEDE module No.1, St1… LED output 1 of the ArcPixel Power-US ) U1 A001 (U1……..universe, A001…….DMX address) You can go throw connected dots pressing the [UP] and [DOWN] buttons, current displayed LED module starts blinking a white colour. Press the [ENTER], item U1 starts to blink slowly. Now by means of the [UP] and [DOWN] buttons you can move between the item A001 and U1. To edit celected item, press the [ENTER] again, selected item will start to blink fast and you can set desired values using the UP] and [DOWN] button. After automatic or manual sorting, do not forget to save changes by means of the menu item „Store Config“. Restore Last – recalls last saved dots configuration.
Fade Time – select this menu item to set a desired max. fade time (0-25.5 sec.). This adjusted fade time influences fade of RGB and dimmer during DMX operation: If time between two receiving DMX values is > than fade time set in the item “Fade Time”, the entire adjusted fade time will be used. If time between two receiving DMX values is < than fade time set in the item “Fade Time”, the adjusted fade time will be reduced to fill entire time between the two receiving DMX values. e.g. “Fade Time”.=2sec. and fixture has received Red=0 DMX, after 5 seconds will receive Red=255 DMX. It means, that red will go to full intensity during 2 seconds. “Fade Time”=8 sec. and fixture has received Red=0 DMX, after 5 seconds will receive Red=255 DMX. It means, that red will go to full intensity during 5 seconds. (Max, fade time is reduced from 8 sec. to 5 sec.).
Dots Curve – this menu item allows you to select desired running of colour saturation. You can select 255 colour saturation runnings in all. The value 0 corresponds linear curve, the value 128 corresponds exponential curve with index 1.9 and last value 255 corresponds exponential curve with index 2.6.
![]()
RGBW 4ch Mode – This function activates four channels RGBW mode (see DMX protocol) – for RGBW modules only.
Order Mode – the menu allows to select a method how LED modules will be assigned to the Artnet Universe.
Order Compact – All LED modules will be assigned to the Universe at the first LED output. After filling this Universe, the rest of LED modules will be assigned to the Universe at the LED output 2.
Order Universe – LED modules output will be assigned to different Universes. LED modules on the first LED output to the Universe set at this LED output. LED modules on the second LED output to the Universe set at the second LED output etc.
Store Config – select this function to save all changes that have been done in the menu “Dots” .
Test Dots – use this menu item to browse throw the list of sorted LED modules.The ID of corresponding dot is shown under the dot number. Displayed LED module blinks in white. Update Dots – allows update of the connected LED modules after standard software updating of the ArcPixel Power-US (item “Software Update” in the menu “Special Setting”). Note: The update via the menu “Software Update” has to be realized before running the “Update Dots” procedure
7.4 Personality
Use this menu to modify the ArcPixel Power-US operating behavior.
ArtNet Universe – use the menu item to assign ArtNet universe to desired LED output.
Uni.1-ArtNet universe for LED output 1
Uni.4-ArtNet universe for LED output 4
Art-Net is a proprietary protocol for transmitting DMX512 (with RDM) over UDP/IP. Up to sixteen DMX512 universes can be accessed through one IP subnet. The Universe is a single DMX 512 frame of 512 channels. DMX Input – this menu allows you to choose desired DMX data input: Artnet – if this input is selected (RJ45), all LED outputs (1-4) are active. Wired DMX – if this input is selected (3-pin XLR), only LED outputs 1-3 are active. Display Settings – this menu allows you to change the display settings. Display Off Timer – if this item is on the display will be swiched off 2 minutes after last pressing any button on the control panel. Display Lightness – select this menu item to adjust the display intensity (0-100%). Display Contrast- select this menu item to adjust contrast of the display (0-100%). Default setting – select this option to set fixture personalities to the default (factory) values.
7.5 Test
Single Dots – the LED modules blink one by one starting from DMX address 1 (universe 1) in the colour order red, green, blue and white.
All Dots – all connected LED modules blink together in the colour order red, green, blue and white.. Before both test sequences, the “Search Dots” and “Sort Dots” procedures from the menu “Dots” have tu be made. Full Power – all connected LED modules light at max light output (R+G+B+W=full). 7.6 Stand-alone The ArcPixel Power is not connected to the Robe Media Server but can execute pre-set programs (sequences). Play On Start – This function allows you to select a program which will be played after switching the fixture on. Selected program will be played continuously in a loop. Off – function is disabled. Single – LED modules blink one by one in the olour order red, green, blue and white. All – all connected LED modules blink together in the colour order red, green, blue and white. Full PWR – all connected LED modules light at max light output (R+G+B+W=full).
User P1 – the ArcPixel Power plays user program 1.
User P2 – the ArcPixel Power plays user program 2.
User P3 – the ArcPixel Power plays user program 3.
Program Play – entering this menu provides a complete overview of all programs offered, from which the selected program can run continuously in a loop .
User 1 – the ArcPixel Power plays user program 1.
User 2 – the ArcPixel Power plays user program 2.
User 3 – the ArcPixel Power plays user program 3.
Program Edit – the ArcPixel Power offers three freely editable programs each up 35 steps. Every program step includes a step time-the total time occupied by the step in the program.
To edit a program
- Use the [UP] and [DOWN] buttons to select desired program (User 1-User 3) and press the [ENTER] button.
- Enter the item S. Count and by means of the [UP] and [DOWN] buttons set desired number of program steps. This value should be set before starting of programming (e.g. if you want to create a program with 10 steps, set S. Count=10).
- Press the [ENTER] button.
- Select Step 1 and press the [ENTER] button. List of editable items will appear:
Red Z1 – a red LEDs on LED output 1
Green Z1 – a green LEDs on LED output 1
Blue Z1 – a blue LEDs on LED output 1
White Z1 – a white LEDs on LED output 1
Red Z4 – a red LEDs on LED output 4
Green Z4 – a green LEDs on LED output 4
Blue Z4 – a blue LEDs on LED output 4
White Z4 – a white LEDs on LED output 4
Step Tim. – a step time (0-25.5 sec)
Copy To Next – this item duplicates the current prog. step to the next prog. step. - After editing the items, select next prog. step and edit its items again. Repeat this action for all program steps.
7.7 Special settings
Reset Password – using this function you can reset current password into default password: admin.
Software update
The Ethernet input (RJ45) also serves for software update of the fixture by means of the ROBE RDM Uploader software.
For more details about the ROBE RDM Uploader, please visit https://www.robe.cz/robe-uploader/.
Incorporation of new dots (after replacing faulty dots)
In case that some faulty dots have been replaced with the new dots, the following error message will appear after switching the fixture on:
“Ch. 1 Cfg Mismatch” – it means new dots at LED output 1
“Ch. 2 Cfg Mismatch” – it means new dots at LED output 2
“Ch. 3 Cfg Mismatch” – it means new dots at LED output 3
“Ch. 4 Cfg Mismatch” -it means new dots at LED output 4
You have to use the special procedure to incorporate new dots into existing dot lines.
There is an example of this procedure for the following dots connection:
The dots are connected to the ArcPixel Power and the 5 dots have been replaced (dot 1,2, at output 1 and dot 1,2,3 at output 2).
![]()
After switching the ArcPixelPower on,the following message will appear “Ch. 1 Cfg Mismatch”.
1.Press the [ENTER] to enter menu “New Dot” and use the [UP] and [DOWN ] to browse items Sel 1, Sel 2 (appropriate dot lights in green) – pictures (1),(2).
2. Select the dot 2 and press the [ENTER] to enter menu “Miss Dot”.The Dot 2 starts flashing in green and by means of items Sel 1, Sel 2 select the following colour combination of dots when the blue dot will be after the dot 2-picture (3). The situation on picture 4 is not correct, the blue dot is not closely to green dot.
Note: The replaced dot flashes in green and the dot before this dot (near to the ArcPixelPower) has to be inred and the dot after the flashing dot has to be in blue. The red and blue dots have to be closely to the green dot (not second or the third.dot). At least one position of colour dot (red or blue) has to be always kept. In case of dot 2 on picture (3) you can select only variant with the blue dot after the green dot becase the dot 1 has not been incorporated to the dot line yet and cannot shine in red colour.
3. Press the [ENTER] to go back to the menu “New Dot” and select dot 1 and press the [ENTER] to enter the menu “Miss Dot”. The Dot 1 starts flashing in green and by means of items Sel 1, Sel 2 select the following colour combination of dots when the blue dot will be after dot 1-picture (5).
4. Press the [ENTER] to go back to the menu “New Dot and using items Sel 1, Sel 2 you can see incorporated dots -picture (6), (7).
5. Select the item “Check channel” , press the [ENTER] and after dot checking procedure the message “Ch. 2 Cfg Mismatch” will appear. Press the [ENTER] to enter menu “New Dot” and use the [UP] and [DOWN ] to browse items Sel 1, Sel 2 Sel
3 (appropriate dot lights in green) – pictures (8),(9), (10).
![]()
6. Select the dot 10 and press the [ENTER] to enter menu “Miss Dot”.The Dot 10 starts flashing in green (picture (11) and by means of items Sel 1, Sel 2, Sel 3 select the following colour combination of dots when the blue dot will be after dot 10-picture (12). The blue dot 11 lights at LED output 3 because in this situation dots behave like one dot chain (from dot 16 to dot 1).
7. Press the [ENTER] to go back to the menu “New Dot” and select dot 9 (picture 13) and press the [ENTER] to enter the menu “Miss Dot”. The Dot 9 starts flashing in green.
![]()
8. By means of items Sel 1, Sel 2, Sel 3 select the following colour combination of dots when the blue dot will be after dot 9-picture (14).
9. Press the [ENTER] to go back to the menu “New Dot” and select dot 8 (picture 15) and press the [ENTER] to enter the menu “Miss Dot”. The Dot 8 starts flashing in green and by means of items Sel 1, Sel 2, Sel 3 select the following colour combination of dots when the blue dot will be after the dot 8 and the red dot before the dot 8-picture (16).
![]()
10. Press the [ENTER] to go back to the menu “New Dot and using items Sel 1, Sel 2, Sel 3 you can see incorporated dots -picture (17), (18), (19). you can see correct combination of pixels red, green, blue.
![]()
10. Select the item “Check channel” , press the [ENTER] and after dot checking procedure the message “Store?” will appear. Select option “Yes” if you wish to save the dot changes.
ArcPixel Power Web manager
The ArcPixel Power-US includes built-in web interface allowing quick overview of its settings and connected dots and also their setting.
To enter The ArcPixel Power-US Web manager, type the IP address of the ArcPixel Power-US (e.g. 2.67.2.0) into your web browser. PC or notebook with internet browser has to be connected to the same ethernet network as the ArcPixel Pover-US. Tab MAIN
![]()
Tab DOTS
![]()
Tab SETTINGS
![]()
Tab TOOLS
![]()
Technical Specifications
Power supply
Input voltage: 100-240 V AC, 50-60 Hz
Fuse: T 8A H 250V~
Max. pover consumption:420W (power factor=0.97)
Control and programming
Protocols: USITT DMX-512, Artnet
2 row LED display
4 control buttons
3 free editable programs, up to 35 steps each
Output
Max.Output Voltage:49.5V DC
ArcPix output: 4 x Sauro CGF 050M5, (panel terminal board, female) & 4 x Sauro CGM 050 M5 (male) ArcDot output: 4 x Chogori CGRBB-03RFFS-SC8001(female)
Max.load per output: 65 x ArcPix-US or 16 x ArcDot-US/ ArcSource Out 4MC Pixel -US or 12xArcDotFlash-US Total max.load of ArcPixel Power-US: 260 x ArcPix-US or 64 x ArcDot-US/ ArcSource Out 4MC Pixel -US/ or 48xArcDotFlash-US
Maximum cable length between output of the ArcPixel Power-US and the last connected LED module
ArcPix-US: 100 m @ 65 ArcPixes per output;
ArcDot-US/ ArcSource Out 4MC Pixel -US/ArcDotFlash-US: 100 m @ 16 LED modules per output (12 LED modules per ouput for ArcDotFlash-US).
Total heat dissipation
max. 2200 BTU/hr (calculated)
Connection
![]()
ArcDot/ArcDotFlash/ ArcSource Out 4MC Pixel: Chogori CGRBB-03RFFS-SC8001 (female)
![]()
Power: Panel connector IEC C14 (socket)
Power cord IEC C13 included
Operating ambient temperature
-10°C/+40°C (+14°F/104°F)
Dimensions(mm)
![]()
Weight
3.4 kg
Accessories
1 x Power cord IEC C13
4 x Screw terminál board Sauro CGM 050 M5
Items needed for installation (quantity depends on size and type of installation)
(P/N 1305 2023) Connection cable, 2m
(P/N 1305 2024) Connection cable, 4m
(P/N 1006 2330) Active Terminator for ArcDot
(P/N 1006 2331) Passive Terminator for ArcDot
(P/N 10062551) Termination Box ArcPix
(P/N 10062550) Connection Box ArcPix (for changing faulty ArcPix)
Specifications are subject to change without notice.
May 24, 2022
Copyright © 2017-2022 Robe Lighting – All rights reserved
Made in CZECH REPUBLIC by ROBE LIGHTING s.r.o. Palackeho 416/20 CZ 75701 Valasske Mezirici
https://www.anolislighting.com/resource/arcpixeltm-power-user-manual-us-
Version 2.1


















