Eminere Remote LED Lighting
User Manua
Eminere Remote LED Lighting
Eminere Remote 1
Eminere Remote 2
Eminere Remote 3
Eminere Remote 4
https://www.anolislighting.com/resource/eminere-remote-user-manual
FOR YOUR OWN SAFETY, PLEASE READ THIS USER MANUAL CAREFULLY
BEFORE POWERING OR INSTALLING YOUR Eminere Remote !
Save it for future reference.
This device has left our premises in absolutely perfect condition. In order to maintain this condition and to ensure safe operation, it is absolutely necessary for the user to follow the safety instructions and warnings written in this manual.
The manufacturer will not accept liability for any resulting damages caused by the non-observance of this manual or any unauthorized modification to the device.
Unauthorized modification will void warranty.
Safety instructions
DANGEROUS VOLTAGE CONSTITUTING A RISK OF ELECTRIC SHOCK IS PRESENT WITHIN THIS UNIT!
Always disconnect the fixture from power before cleaning, servicing or installing.
LED light emission. Risk of eye injury. Do not look into the beam from a short distance without suitable protective eyewear. Do not look at LEDs with magnifiers or similar optical instruments that may concentrate the light output.
The fixture was designed for outdoor use. This fixture must not be used for underwater installation.
When choosing the installation spot, please make sure that the fixture is not exposed to extreme heat or dust. Do not install the unit near an open flame.
Avoid using the unit in locations subject to possible impacts.
The fixture body never must be covered with cloth or other materials when the fixture is under operation.
Only operate the fixture after having checked that the housing is firmly closed and all screws are tightly fastened.
The fixture becomes hot during operation. Allow the fixture to cool approximately 30 minutes prior to servicing or maintenance.
Operate the fixture only after having familiarized yourself with its functions. Do not permit operation by persons not qualified to operate the fixture.
Immunity of the equipment is designed for electromagnetic environments E1, E2, E3 according to the standard EN55103-2 ed.2 Electromagnetic compatibility. Product family standard for audio, video, audiovisual and entertainment lighting control apparatus for professional use. Part 2: Immunity.
The product (covers and cables) must not be exposed to a high frequency electromagnetic field higher than 3V/m.
The installation company should check levels of possible interferences above the tested levels E1,E2,E3 given by this standard (e.g. transmitters in surrounding area) before installing the equipment.
Emission of the equipment complies with the standard EN55032 Electromagnetic compatibility of multimedia equipment – Emission Requirements according to class B.
Please consider that unauthorized modifications on the fixture are forbidden due to safety reasons!
Please use the original packaging if the fixture is to be transported.
If this device will be operated in any way different to the one described in this manual, the product may suffer damages and the warranty becomes void. Furthermore, any other operation may lead to dangers like short-circuit, burns, electric shock etc.
Refer servicing to qualified service personnel.
Fixture exterior view

- Transparent glass cover
- Gore tex valve
- Cable gland M20 (IN)
- Housing
- Mounting brackets
- Cable gland M20 (OUT)
- Junction box
Installation
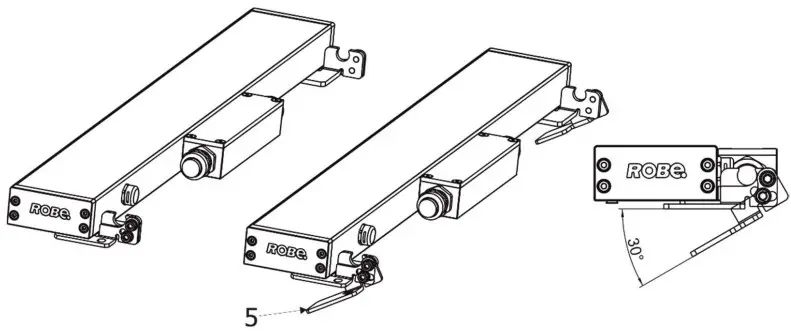
3.1 Mounting the fixture
The Eminere Remote can be arranged in any orientation on a flat, non-flammable surface by means of two mounting brackets (5) which can be tilted by 30°.
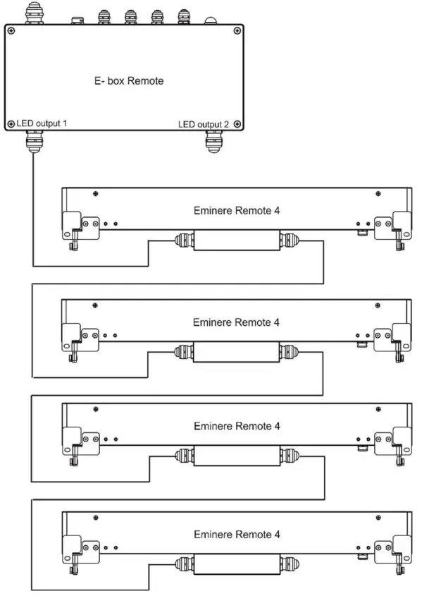
3.2 Connection to driver
The unit must be installed by a qualified electrician in accordance with all national and local electrical and construction codes and regulations.
The Eminere Remote modules should be connected to the E-Box Remote or E-Box Remote basic as stated in the chapter “Technical specifications“.
Example of connection
The table below states max. number of Eminere Remote modules connected to the E-box Remote/E-box Remote Basic.
| Max. number of Emineres Remote connected to the E-box Remote/E-box Remote Basic | ||||
| Cable length * | Eminere Remote 1 | Eminere Remote 2 | Eminere Remote 3 | Eminere Remote 4 |
| 25 m | 20 | 10 | 6 | 5 |
| 50m | 16 | 8 | 5 | 4 |
| 75 m | 13 | 6 | 4 | 3 |
| 100 m | 10 | 5 | 3 | 2 |
* Cable length is a total cable length between E-box Remote (E-box Remote Basic) and last connected Eminere Remote.
Example: Total cable length=L1+L2+L3+L4
Max. number of Eminere Remote modules connected to the one output of the E-box Remote/E-box Remote Basic is stated in the following table.
| Max. number of Emineres Remote connected to the one output of the E-box Remote/E-box Remote Basic | |||
| Eminere Remote 1 | Eminere Remote 2 | Eminere Remote 3 | Eminere Remote 4 |
| 16 | 8 | 5 | 4 |
Example: if you want to connect 20 Emineres Remote 1 to the E-box Remote, you may connect 16 Emineres Remote 1 to output 1 and 4 Emineres Remote 1 to output 2 (at total cable length of 25 m).
3.3 Wiring of the junction box
- Unscrew the four screws (9) on the cover (8) of the junction box (7), remove the cover (8) and the gasket (10).
- Remove the end cap (11) from cable glands before passing cables throw cable glands M20 (3,6).
The cable glands M20x1.5 can be used for cables of a diameter of 7-13mm. - Pass the power/data cables through the cable glands (3,6) and connect them to the connection blocks (12, 13).
- After checking all connections, fill the junction box with synthetic resin. Make sure that the End cap is inserted in unused cable gland before filling it.
At filling of the junction box proceed according instructions stated on the bag of the resin.
The connection blocks have to be fully poured in the resin. - Place the gasket (10) on the junction box (7) and screw the cover (8) to the junction box (7).
Check that all cable glands (and blind flange) and screws are firmly tightened.
Wiring of connection blocks (12,13) in the junction box.
CE version
| Connector | Vcc | D+ | D- | 0V | |
| Function | LEDs + | Data + | Data – | LEDs – | Ground |
| Colour of wire | Red | Orange | White | Black | Not connected |
US version
| Connector | Vcc | D+ | D- | 0V | |
| Function | LEDs + | Data + | Data – | LEDs – | Ground |
| Colour of wire | Red | Orange | White | Black | Green |
NOTE: Each line of Emineres Remote connected to the LED output of the E-box Remote/E-box Remote Basic has to be terminated at the last fixture.
EITHER connect a 120 Ohm resistor between terminals D+ and D- in the last fixture, OR terminate via RDM as described in the user manual for the E-box Remote.
Ensure ONLY the last fixture in the line is terminated using ONE of the above methods!
To keep declared IP rating of the fixture, every cable gland has to be covered with the end cap (11) if the cable gland is not used for cable passing.
We recommend to apply an adequate layer of the paste LOCTITE 5331 on the plastic holder of the cable gland before inserting it into the body of the gland and an adequate layer of the paste LOCTITE 577 on the thread of the body of gland (if the cable gland was screwed out).
Technical specifications
Power supply
- Input voltage: 48 V
- Power consumption:
Eminere Remote 1: 20W
Eminere Remote 2: 40W
Eminere Remote 3: 60W
Eminere Remote 4: 80W
Optic
- Light source:
Eminere Remote 1: 12 x high power LEDs
Eminere Remote 2: 24 x high power LEDs
Eminere Remote 3: 36 x high power LEDs
Eminere Remote 4: 48 x high power LEDs - Colour variants: RGBW (W – 6500 K), RGBA, PW (W – 3000 K)
- Beam angles: Symetrical: 9°, 15°, 30°, 50°, 65°, 100°
Bi-symetrical: 10° x 30°, 30° x 10°, 10° x 60°, 60° x 10°, 35° x 70°, 70° x 35°, 15° x 90°, 90° x 15°
Asymetrical: Wallwasher, Wide Wallwasher - Projected Lumen Maintenance: L90B10 >90.000 hrs, Ta = 25°C / 77°F
Compatible drivers
• E-box Remote, E-box Remote Basic
Mounting method
• Via two L-shape brackets with adjustment range 30°
Housing
- Aluminium extruded body
- Tempered glass
Cooling system
• Convection
Total heat dissipation
- Eminere Remote 1: 51 BTU/h (calculated)
- Eminere Remote 2: 102 BTU/h (calculated)
- Eminere Remote 3: 154 BTU/h (calculated)
- Eminere Remote 4: 205 BTU/h (calculated)
Weight
- Eminere Remote 1: 2.0 kg (4.41 lbs)
- Eminere Remote 2: 3.1 kg (6.83 lbs)
- Eminere Remote 3: 4.1 kg (9.04 lbs)
- Eminere Remote 4: 5.1 kg (11.24 lbs)
Dimensions (All dimensions in mm [inch])
Eminere Remote 1
Eminere Remote 2/3/4
Protection factor
- CE: IP 67
- US: Suitable for wet location
Impact rating
• CE: IK06
Operating ambient temperature range
• -20°C /+40°C (-4°F /+104°F)
Operating temperature
• +67°C @ Ambient +40°C (+153°F @ Ambient +104°F)
Connection
•5-cored cable
Included items
- 1 x Eminere Remote
- 1 x User manual
Optional accessories
- Mounting Bracket 50 RAL 9011 (P/N 10980521)
- Mounting Bracket 100 RAL 9011 (P/N 10980522)
- Mounting Bracket 200 RAL 9011 (P/N 10980523)
- Mounting Bracket 200 RAL 9006 (P/N 10980663)
- Mounting Bracket 300 RAL 9011 (P/N 10980524)
- Mounting Bracket- Custom length
- Shield For Eminere Remote 1 RAL 9011 (P/N 10980518)
- Shield For Eminere Remote 2 RAL 9011 (P/N 10980519)
- Shield For Eminere Remote 4 RAL 9011 (P/N 10980520)
- Cable for Eminere Remote (P/N 13053336)
Cleaning and maintenance
DANGER!
Disconnect from the mains before starting any maintenance or cleaning work Rinse off loose dirt with low pressure water spray. Wash the housing with a soft brush or sponge and a mild, nonabrasive washing detergent. Rinse it.
Maintenance and service operations are only to be carried out by a qualified person.
Should you need any spare parts, please use ROBE OEM parts.
5.1 Disposing of the product
To preserve the environment please dispose or recycle this product at the end of its life according to the local regulations and codes.
ChangeLog
This section summarizes changes in the user manual.
| Version of the manual | Date of issue | Description of changes |
| 1.1 | 8/10/2021 | Technical specification changed |
| 1.2 | 26/11/2021 | Optional accessories changed |
| 1.3 | 1/12/2021 | Information about 120 Ohm terminator added |
| 1.4 | 12/1/2021 | Procedure Wiring junction box changed |
| 1.5 | 26/01/2022 | Marking of conection blocks in junction box changed |
| 1.6 | 7/4/2022 | Eminere Remote connection changed |
| 1.7 | 28/04/2022 | Eminere Remote connection changed |
| 1.8 | 19/05/2022 | QR code added |
| 1.9 | 17/08/2022 | Description of installation changed |
Specifications are subject to change without notice.
August 17, 2022
Copyright © 2020-2022 Robe Lighting – All rights reserved
Made in CZECH REPUBLIC by ROBE LIGHTING s.r.o. Palackeho 416/20 CZ 75701 Valasske Mezirici



















