amber connect C210 Wireless GPS Tracker
![]()
Start Guide Packaging
- GPS tracker
- Power cable
- Audio cable
- SOS cable
- MIC
- Relay
- User manual
Main Functions
- Real-time GPS+AGPS tracking
- Track by time interval or distance
- Remotely fuel/power cut-off
- Listen-in
- TTL
- Instant alerts for vibration, over speed, etc.
- External power supply cut-off alarm
- Two-way talk
- Door status detection
- Multiple analog & digital I/Os
- Battery charging protection
Specifications
| Frequency | GSM 850/900/1800/1900MHz |
| GPRS | Class 12. TCP/IP |
| Operating Voltage | 9-36VDC / <300mA |
| Location Time | Cold Start: <35s |
| Hot Start: <2s | |
| Storage | 32Mb+32Mb |
| Battery | 450mAh |
| Location Accuracy | <10 meters |
| Dimension | 80.9 ( L) ><55.8 ( W) ><23.4 ( H) mm |
| Weight | 95g |
My Device
Appearance
![]()
LED indicators
![]()
![]()
Wire Connection
Wire Definition
![]()
![]()
![]()
| Line | Color | Description | Definition |
| 1 | MIC + SPK | 3.5 mm | |
| 2 | GND | Ground | |
| 3 | SVDC OUT | Controllable | |
| 4 | TX | Transmit data | |
| 5 | RX | Receive data | |
| 6 | Green | IN1 | Configurable positive input/negative input |
| 7 | White & Yellow | OUT 1- | Negative output |
| 8 | White & Red | OUT2+ | Controllable positive output (power voltage), ≥ 500mA current |
| 9 | Yellow | Relay | Fuel/Power cutoff |
| 10 | Black | SOS- | SOS (Negative) |
| 11 | White | SOS+ | SOS(Positive) |
| 12 | Purple | ADC | Detect 0.3-30V voltage |
| 13 | Orange | ACC | ACC |
| 14 | Black | GND | Ground |
| 15 | Red | PW• | Power: 9-36V |
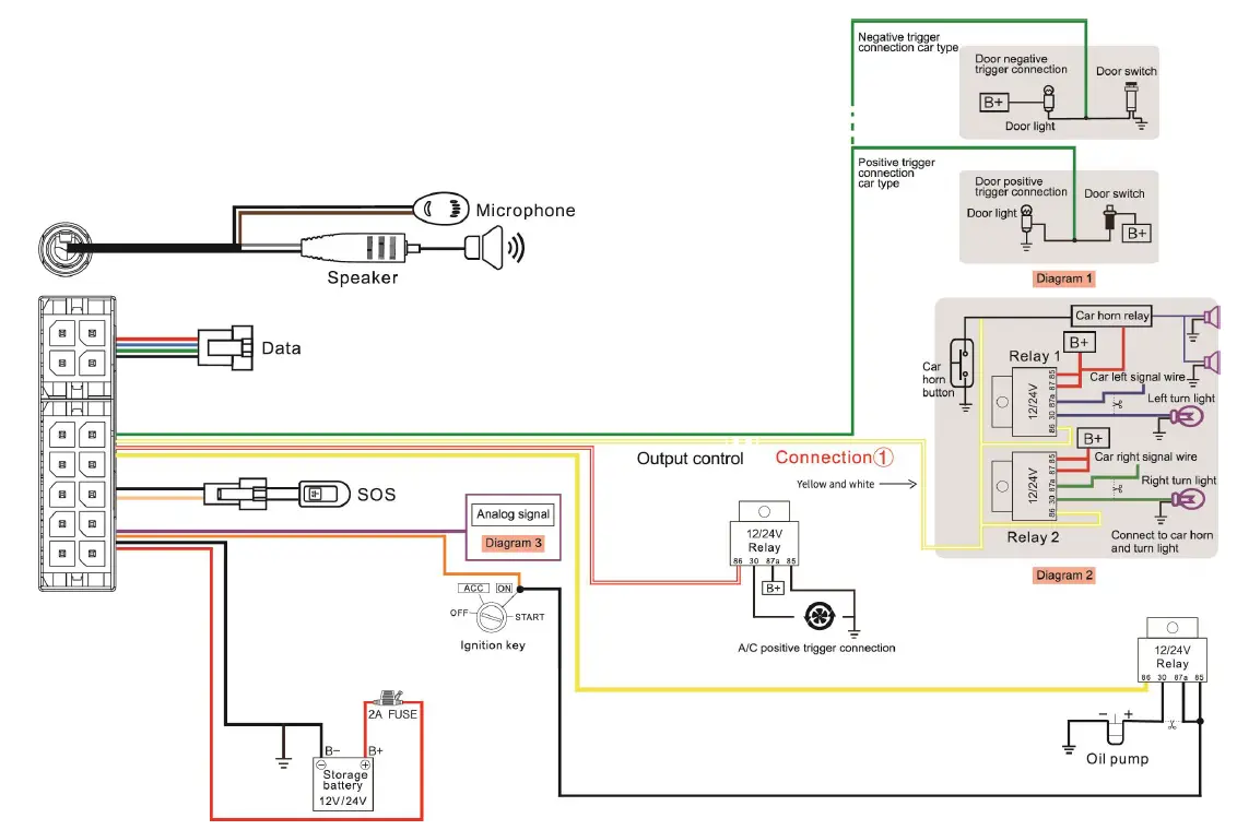
Wiring Diagram
![]()
Notice: Purple line (ADC) of terminal connects to analog signals line, like voltage of external device, analog temperature sensor, fuel sensor. Voltage detected by analog signal ranges from 0-30Vdc.
Wiring Instruction
- The standard power supply ranges from 9V to 36VDC Please use the power cord manufactured by the original factory. Red line means positive side while the black line means the negative side. During installation, the negative side should connect to the ground, do not connect with other ground wires at the same time.
- ACC line (orange) connects to the vehicle’s ACC switch, detecting ignition on and off.
- Device’s oil and electricity control line (yellow) connects to relay’s 86. (thin yellow line of relay socket)
Relay wiring instruction
Relay wiring way of oil pump open circuit: On each end of the wire is thin white line (85) and thin yellow line (86). Thin white line (85) connects to the positive side of the battery (12V) while thin yellow line (86) connects to the device relay control. There is an oil pump in the vehicle. Cut off the positive line. The positive side of oil pump connects to the dose-end of relay.(Thick green line 87a), and the other side connects to relay’s common(green thick 30).
Notice 12V relay is standard. The device is suitable for vehicles with 12V battery. If the vehicle has 24V battery, then 24V relay is needed. - To monitor analog signals, the purple line (ADC) of extended port
- To check status of car door, orange line (IN 1) should be connected to where between the door light and door switch (See the diagram).
- To find car remotely, please connect the yellow line (OUT1) of extended port to external relay.
Device Installation
![]()
Note: The device should face up to the sky. Metal thermal barrier or heating layer of the windshield affects the signal. Please change installation places to receive better signal.
Operation of device
Power on/ Power off
Power on: once you insert a valid SIM card and connect all the wires, turn on the device. Power LED will flash first. During signal searching process, GSM LED and GPS(blue) LED will flash. Once Blue GPS LED keeps steadily ON, it means the device has been located and it starts to work.
Power off: Just toggle off the power switch.
Notice: When device is connected with external power, please turn on the battery switch. The battery will then connect with the device circuits and its built-in battery will be charged. If battery is OFF, battery can’t be charged. The device will be power off if no external power supply.
Main Functions
- SOS
In emergent case, press SOS for 3 seconds to activate SOS alarm. Then the device will send SOSSMS to preset SOS numbers and then dial the numbers in a loop for 3 times until the call is picked up. Alarm message will also send to platform. (See command list 7-9) - Power cut-off Alarm
When the electricity supply of device is cut off, it will activate cut-off alarm. - Low Battery Alarm
When battery is low, the device will activate low battery alarm. Device will send alert through SMS and to the platform. - Vibration Alarm (Default OFF)
When vehicle vibrates for several times, the vibration alarm will be triggered. If ignition keeps OFF for 3 minutes (ACC OFF), the device will send a vibration alarm message immediately.{See command list 7-‘3) - Voice Monitoring
When MIC is connected while speaker is not, use pre-set SOS number to dial the device, after 10 seconds, device enters into monitoring mode automatically. The caller can hear the voice inside the vehicle.
Notice:- Pre-set SOS number is necessary. Non-SOS number cannot activate this function.
- SIM card of device must have caller ID service.
- Two-way Communications
To activate this function, ensure that both MIC and speaker are connected well.
Use pre-set SOS number to dial the device, after 10 seconds, device enters into two-way talk mode. - Displacement Alarm(default OFF)
Device will send movement alarm when vehicle moves out the preset distance (when ACC is off and GPS is fixed}. - Oil / Electricity cut-off
When vehicle is stolen, oil/electricity cut-off command can be sent by platform, APP or SMS.
Notice:- Make sure ACC is correctly connected.
- When ACC is OFF, command will be executed immediately.
- When ACC is ON, but GPS is not fixed, command will be postponed.
- When ACC is ON, GPS is fixed, command will be executed when vehicle speed is less than 20km/h.
- Restore Oil / Electricity
When alarm Is all-clear, you can send restore oil/electricity command by platform, APP or SMS and restore vehicle power. (See command list 7-16) - Restart Device
If GPRS is abnormal (device is offline), user can send SMS command RESET# to restart the device. Device will reboot after 20 seconds after receiving the command.(See command list 7-17) - Door Detection
The device is able to detect door status. It uploads car status to platform and APP timely. Negative triggering is default. When car door’s status is negative triggering, there is no need to set. Instead, if car door status is positive triggering, the triggering way has to be modified. (Command:DOOR, 1#). See 3.2 diagram-1 for wiring way. (See command list 7-18)
Notice Negative triggering (default): when door Is open, signal level of door is OV; when door is closed, signal level of door is power voltage. Positive triggering: when door is open, signal level of door is power voltage; when door is closed, signal level of door is OV. - Analog Signal
The device can measure car battery’s voltage and upload It to platform/APP in fixed time based on your needs. Purple line (ADC) of device extended port can receive analog signal, like voltage of external device, analog temperature sensor and fuel sensor. Voltage range of analog input is 0-30Vdc. See 3.2 diagram for wiring way. (See command 11st 7-19) - Lithium battery charging protection
Built-In battery won’t be charged when the temperature Is over 50″C or less than -20°.
As soon as the temperature is lower than 46″C or above -18°, battery charging will be restored. - Controllable Output
The device supports high/low level output, which could be configured by commands based on needs.
Platform Operation
Get registered on the designated service platform by an authorized dealer, then you can start the tracking service and settings.
- APN & Server setting
To ensure normal network operation, please confirm your APN and server setting before login.
In most countries, APN could be automatically adapted to local mobile operators. If not, please send SMS to set the APN.
If username and password is required for APN, please add it into the command.
(See command list 7-7)
Confirm the server address and setting with distributors. If server is incorrect, please send SMS to change.(See command list 7-8) - Login service platform
Please login the designated service platform to set and operate the device. - Download APP
Please download and install the APP in designated website, APP store or Google Play store.
Common Command-List
Edit SMS command in the right column to the device SIM number to achieve respective function as below:
| 1 | Device status | STATUS# |
| 2 | Device coordinate | WHERE# |
| 3 | Location URL | URL# |
| 4 | Check version | VERSION# |
| 5 | Network setting | GPRSSET# |
| 6 | Check parameter | PARAM# |
| 7 | APN setting | APN,apnname# E,g: APN,internet# APN ,apn name,user,pwd# E.g: APN,internet,CLIENTE,AMENA# |
|
8 |
Server setting | SERVER,mode,domain/lP,port,O# E.g. SERVER, 1,www.ydpat.com,8011,0# ERVER,0,211.154.135.113,8011,0# mode1 means set with domain name mode 0 means set with IP address |
|
9 |
SOS setting | 1. Add SOS number: SOS, A, number 1, number 2,number3# 2. Delete subjected sequence of SOS number: SOS,D,number sequence 1, number sequence 2, number sequence 3 E.g. SOS,D,1,2,3# 3. Delete the SOS number: SOS.D.phone number# 4. Query SOS number: SOS# |
|
10 | GPS data upload time interval | TIMER,T1 ,T2# T1 =5~18000 seconds : ACC ON upload interval; default value: 1D T2=5~16000 seconds ; ACC OFF upload interval ; default value : 1 O(when GPS is not sleep) |
| 11 | GPS data upload distance interval | DISTANCE,D# D=O, 50~10000 meter; Distance interval ; default value: 300, unit : meter; |
| 12 | Delayed defense setting | DEFENSE,A# A:1 ~60 minutes, set delayed defense, default value: 10 minutes |
| 13 | Vibration alarm (default OFF) | 1. SENALM,ON# 2. SENALM,OFF# |
|
14 |
Displacement alarm setting (default OFF) | 1. MOVING,ON,R,M# R=100~1000; Displacement radius, unit: meter M=0-2; Alert way O:GPRS, 1:SMS+GPRS; 2: GPRS+SMS+CALL E.g. MOVING,ON,200,2# 2. MOVING,OFF# |
| 15 | Set center number | Set center number : CENTER,A,mobile number# Delete center number: CENTER,D# |
|
16 |
Power/oil control | RELAY.A# A=0/1 O= restore petrol; 1 =cut off petrol Default value:0 E.g. RELAY,1# |
| 17 | Restart | RESET# Device restart 20 seconds after receiving this command |
| 18 | Car door negative / positive triggering setting | DOOR,A# A=0/1; 0 negative triggering, 1 positive triggering ; default: 0 |
| 19 | Analog upload setting | Upload analog data:ADT,ON,T# T: upload interval; scope: 5~3800(second) Turn off analog upload: ADT,OFF# ; default: OFF |
| 20 | Find car by triggering light and buzzer | FIND# |
Troubleshooting
If you are having trouble with your device, try these troubleshooting procedures before contacting a service professional.
| Problems | Causes | Solutions |
|
Poor signal | The signal waves unable to transmit when use the GPS tracker in the places that have poor signal reception, such as: tall building around or basement. | Using the GPS tracker in the places that have good signal condition. |
| Unable to boot | Low battery | Charge the device battery |
| Unable to connect the network | Poor signal | Using the GPS tracker in the places that have good signal condition. |
| Unable to locate | Signal shielded or poor signal | Change the installation place |
| No power off alarm | Built-In battery Is off | Turn it on |
| Fail to start the car | Power cutoff / ACC abnormal | Restore power/Check ACC |
| Car stops driving | Abnormal power supply | Connect the device negative electrode to constant power |
| Offline/ indicators off | Abnormal power supply/Indicators sleep | Check power supply/Press side key to activate indicators |
| No update of vehicle’s location | No GPS positioning | Test the device again/ Change installation place |
Warranty instructions and service
- The warranty is valid only when the warranty card is properly completed, and upon presentation of the proof of purchase consisting of original invoice indicating the date of purchase, model and serial No.of the product. We reserve the right to refuse warranty if this information has been removed or changed after the original purchase of the product from the dealer.
- Our obligations are limited to repair of the defect or replacement the defective part or at Its discretion replacement of the product itself.
- Warranty repairs must be carried out by our Authorized Service Centre. Warranty cover will be void, even if a repair has been attempted by any unauthorized service centre.
- Repair or replacement under the terms of this warranty does not provide right to extension or renewal of the warranty period.
- The warranty is not applicable to cases other than defects In material, design and workmanship.
MAINTENANCE RECORD
| Date | Serviced by | ||
| Product Model | |||
| IMEI Number | |||
| Fault Descriptions | |||
| Comments | |||
FCC Radiation Exposure Statement
The transmitter must not be collocated or operated in conjunction with any other antenna or transmitter. This equipment complies with the FCC RF radiation exposure limits set forth for an uncontrolled environment. This equipment should be installed and operated with a minimum distance of 20 cm between the radiator.
Information to Users
According to the FCCP art 15.19, 15. 21 and 15. 105rules, for this EUT, the instructions or operation manual furnished the users hall include the following or similar statement, placed in a prominent location in the text of the manual:
FCC Warning
This device complies with Part 15 of the FCC Rules. Operation is subject to the following two conditions:
- This device may not cause harmful interference, and
- this device must accept
Any interference received, including interference that may cause undesired operation.
NOTE1:
This equipment has been tested and found to comply with the limits for a Class B
Digital device, pursuant to part15 of the FCC Rules. These limits are designed to provide reasonable protection against harmful interference in a residential installation. This equipment generates, uses and can radiate radio frequency energy and, if not installed and used in accordance with the instructions, may cause harmful interference to radio communications. However, there is no guarantee that interference will not occur in a particular installation. If this equipment does cause harmful interference to radio or television reception, which can be determined by
- Reorient or relocate the receiving antenna.
- lncrease the separation between the equipment and receiver.
- Connect the equipment into an outlet on a circuit different from that to which the receiver is connected.
- Consult the dealer or an experienced radio/TV technician for help.
NOTE2: Any changes or modifications to this unit not expressly approved by the party responsible for compliance could void the user’s authority to operate the equipment.

















