HYTRONIK HC419S Control HF Motion Sensor

On/Off Control HF Sensor
Applications
Occupancy detector with on/off control suitable for indoor use.
Suitable for building into the Fxture:
- Offce / Commercial Lighting
- Meeting rooms
- Classroom
Use for new luminaire designs and installations
Features
Zero crossing detection circuit reduces in-rush current and prolongs relay life
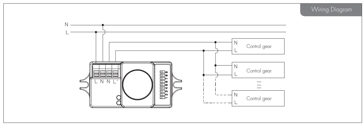
Loop-in and loop-out terminal for efcient installation
5-year warranty
Technical Data
Input Characteristics
| Model No. | HC419S/UV |
| Mains voltage | 120~277VAC 50/60Hz |
| Stand-by power | <0.5W |
| Load ratings: | |
| Capacitive | 400VA |
| Resistive | 800W |
| Warming-up | 20s |
Enviroment
| Operation temperature | Ta: -35OC ~ +70OC |
| Case temperature (Max.) | Tc: +80OC |
| IP rating | IP20 |
Sensor Data
| Model No. | HC419S/UV |
| Sensor principle | High Frequency (microwave) |
| Operation frequency | 5.8GHz +/- 75MHz |
| Transmission power | <0.2mW |
| Max installation height | 6m |
| Max detection range | 12m (diameter) |
| Detection angle | 30O ~ 150O |
| Setting adjustments: | |
| Sensitivity | 10% / 30% / 50% / 75%/ 100% |
| Hold-time | 5s ~ 30min (selectable) |
| Daylight threshold | 2 ~ 50 lux, disabled |


Note:We recommend the mounting distance between sensor to sensor should be more than 2m to prevent sensors from false-triggering.
Functions and Features
On/off Control
This sensor is a motion switch, which turns off the light upon detection of motion, and turns on after a pre-selected hold time when there is no movement.
The light does not switch on when presence is detected.
The sensor switches on the light automatically after the hold-time when there is no motion detected.
Wiring Diagram

Zero-cross Relay Operation

Designed in the software, sensor switches on/off the load right at the zero-cross point, to ensure that the in-rush current is minimised, enabling the maximum lifetime of the relay
Loop-in and Loop-out Terminal
Double L N terminal makes it easy for wire loop-in and loop-out, and saves the cost of terminal block and assembly time.
Precautions and usages
I. This sensor has 20s warming-up period when powered on. During the 20s warming-up period the light will stay OFF for safety concerns.
II. In case of power cut or power failure, the status after re-powered on will be “OFF” for safety concerns.
III. Usage: For maximum UV-light life-span consideration, we recommend to manually switch OFF the UV lights when sterilization is not needed.
We recommend customers to select suitable time to carry out sterilization. During the sterilization period, our sensors ensures human safety and switches OFF the UV lights when occupancy detected.
Detection Pattern
- Ceiling mounted detection pattern (m)

- Wall mounted detection pattern (m)

DIP Switch Settings
Detection Range
Sensor sensitivity can be adjusted by selecting the combination on the DIP switches to t precisely for each specic application
| 1 | 2 | 3 | ||
| I | 100% | |||
| II | 75% | |||
| III | 50% | |||
| IV | 30% | |||
| V | 10% |
I – 100%
II – 75%
III – 50%
IV – 30%
V – 10%
Hold Time
Select the DIP switch conguration for the light off-time after presence detection.
| 4 | 5 | 6 | ||
| I | 5s | |||
| II | 30s | |||
| III | 1min | |||
| IV | 5min | |||
| V | 10min | |||
| VI | 20min | |||
| VII | 30min |
I – 5s
II – 30s
III – 1min
IV – 5min
V – 10min
VI – 20min
VII – 30min
Daylight Threshold
The sensor will not be triggered if ambient lux level exceeds the daylight threshold preset. For this product, we have set all the threshold setting to “Disable” for better use with UV light where photocell function is not needed
| 7 | 8 | 9 | ||
| I | Disable | |||
| II | Disable | |||
| III | Disable | |||
| IV | Disable | |||
| V | Disable |
I-Disable
II-Disable
III-Disable
IV-Disable
V-Disable
Additional Information / Documents
- Regarding precautions for microwave sensor installation and operation, please kindly refer to www.hytronik.com/download->knowledge->MicrowaveSensors-Precautions for Product Installation and Operation
- Data sheet is subject to change without notice. Please always refer to the most recent release on www.hytronik.com/products/MotionSensors->Built-in HF Sensor
- Regarding Hytronik standard guarantee policy, please refer to
www.hytronik.com/download->knowledge->Hytronik Standard Guarantee Policy
Subject to change without notice.
Edition: 26 Feb. 2020 Ver. A0 Page 4/4



















