KX4 4 Inch Advanced In-Wall Controller

Product Information: KX4 4 Advanced In-Wall Controller
The KX4 is an advanced in-wall controller designed to provide control and automation for various electronic devices. It features a touchscreen display, programmable hard buttons, and multi-purpose I/O ports. The controller can be mounted on a wall and powered by an external power supply or through a control port.
The technologically advanced design of the KX4 delivers an enhanced automation experience, delighting the user with control simplicity, while offering tremendous power behind the scenes. Ensuring that anyone can effortlessly engage with their surroundings the KX4 offers a completely customizable 4-inch color LCD and five hard buttons. However, the KX4 is not just a pretty interface, it is a unique hybrid device that combines the capabilities of both a touchscreen controller and an advanced control processor in one cost-effective unit.
Featuring:
- May be utilized as an all-in-one, standalone automation solution for control over electronic systems or integrated as an in-wall touch-panel in a larger RTI control system using optional processors and modules.
- Vivid 4” WVGA (480×800) color LCD with 16.7M colors, five hard buttons and room status LED’s are completely customizable for the ultimate in simple, intuitive control.
- Built-in control processor provides advanced capabilities including direct control of devices via IR, IP and RS-232, six sense ports, four relays and an astronomical clock for time-based events.
- Proximity sensor wakes up the unit as a user approaches, and an ambient light sensor adjusts the backlighting.
- Integrated 10/100 Base-T Ethernet (with PoE) for viewing video from network security cameras, enhanced two-way feedback and remote programming updates.
- Built-in 2.4 GHz ZigBee® antenna offers connectivity with RTI wireless remotes.
- Powered using power supply, CB8 connecting block or PoE (Power over Ethernet).
- Stylish low-profile faceplate available in white or black (ships with white).
Product Contents
- One (1) KX4 In-Wall Touchpanel Keypad
- One (1) Bezel (White)
- Four (4) Mounting Wings (two preinstalled)
- Two (2) RJ45 to DB9 Serial Adapters
- One (1) MAC Address Card
- One (1) Drywall Cutout Template
- One (1) Reference Guide
Safety Suggestions
The following safety suggestions should be observed while using the KX4:
- Do not use the KX4 if the power supply cord or plug is damaged.
- Avoid spilling liquid or exposing the unit to rain.
- Do not operate the unit if it exhibits a marked change in performance or if it has been dropped or damaged.
- Use a lint-free cloth dampened with plain water or mild detergent to clean the touchscreen, keypad, and outer surfaces. Do not use harsh chemicals as they may damage the unit.
- Read and Follow Instructions. Read all safety and operating instructions before operating the unit.
- Retain Instructions. Keep the safety and operating instructions for future reference.
- Heed Warnings. Adhere to all warnings on the unit and in the operating instructions.
- Heat. Keep the unit away from heat sources such as radiators, heat registers, stoves, etc., including amplifiers that produce heat.
- Power Sources. Connect the unit only to a power supply of the type described in the operating instructions, or as marked on the unit.
- Power Cord Protection. Route power supply cords so that they are not likely to be walked on or pinched by items placed on or against them, paying particular attention to the cord plugs at power receptacles and at the point at which they exit from the unit.
- Water and Moisture. Do not use the unit near water—for example, near a sink, in a wet basement, near a swimming pool, near an open window, etc.
- Object and Liquid Entry. Do not allow objects to fall or liquids to be spilled into the enclosure through openings.
- Servicing. Do not attempt any service beyond that described in the operating instructions. Refer all other service needs to qualified service personnel.
- Damage Requiring Service. The unit should be serviced by qualified service personnel when:
- The power supply cord or the plug has been damaged.
- Objects have fallen or liquid has been spilled into the unit.
- The unit has been exposed to rain.
- The unit does not appear to operate normally or exhibits a marked change in performance.
- The unit has been dropped or the enclosure has been damaged.
Contacting RTI
For news, general information, or technical support, you can contact RTI at: www.rticontrol.com
- Remote Technologies Incorporated
- 5775 12th Ave. E Suite 180 Shakopee, MN 55379
- Tel. (952) 253-3100
- Email: [email protected]
Service & Support
If you encounter any problems or have a question about your KX4, please contact RTI Technical Support for assistance. For the highest quality service, please have the following information ready:
- Your Name
- Company Name
- Telephone Number
- E-mail Address
- Product model and serial number (if applicable)
If you are having a problem with hardware, please note the equipment in your system, a description of the problem, and any troubleshooting you have already tried.
*Please do not return products to RTI without return authorization.*
Mounting
The KX4 can be mounted on a wall using the mounting wings and screws provided. The mounting holes are located at the back of the unit.
The KX4 is designed for flush-mount installations in walls or cabinets.
Mounting Depth: 1.1in (27.94mm), with mounting wings 1.619in(41.12mm) – plus cabling.
Mounting Height: The recommended mounting height for the KX4 is between 54 inches (1.37m) and 60 inches (1.52m) from the bottom of the faceplate.
Mounting Wings: Two mounting wings which can be used to secure the KX4 to drywall in retrofit installations. Use the included “Drywall Cutout Template” to mark the Place KX4 in the wall opening and tighten the mounting wing screws located on the front of the unit (bezel removed).
Conduit Box: For new construction a conduit box may be purchased separately from an RTI distributor. Refer to the conduit box installation guide for mounting instructions.
Power Options
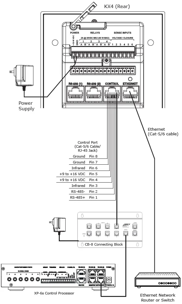
The KX4 can be powered by an external power supply or through a control port. The power supply should provide +12-16 VDC and a ground connection.
- CB-8 Connecting Block: Wire a Cat-5/6 cable from the KX4 Control Port to the CB-8 Connecting Block (see diagram).
- Ethernet Port (Power over Ethernet): Wire a Cat-5/6 cable from the KX4 Ethernet Port to an 802.3af compliant Power-over-Ethernet switch (Class #3). NOTE: Using a non-compliant PoE device may damage the KX4.
- Power Supply: Connect a power supply (+12VDC to +16VDC, .5A ) to the “+12-16VDC” and “Ground” terminals of the phoenix connector (see diagram).
IMPORTANT NOTES:
- The KX4 should NOT be powered directly from an RTI control processor.
- Read the Power/Relay/Sense Connection section (right) for wiring information.

Multi-Purpose I/O Ports
The multi-purpose I/O ports on the KX4 can be used for sense triggers, relays, power, IR, and serial connections. The ports include RS-232 (1), RS-232 (2), RS-232 (3), and Ethernet (Cat-5/6 cable). The KX4 also features a CB-8 connecting block and an XP-6s control processor for expansion and networking.
Control Panel
The KX4 control panel features a touchscreen display and programmable hard buttons. The hard button keycaps can be replaced with custom designs using the RTI Laser Shark service.
The KX4 has settings that can be adjusted directly through the control panel. Please note that changes made directly in the KX4 control panel will be overwritten by changes made in Integration Designer.
ACCESSING THE CONTROL PANEL
The Control Panel page can be displayed by pressing and holding down the button located in the lower left corner of the KX4, while applying power or resetting the KX4. You can also assign a “Control Panel” page link to a button in the Integration Designer programming.
ADJUSTABLE SETTINGS
- Backlight Level
- Time Out
- Sound
- Proximity Sensor
- Network Information
Cleaning
To clean the KX4, use a lint-free cloth lightly dampened with plain water or mild detergent. Do not use harsh chemicals as they may damage the unit.
DIMENSIONS

KX4 REFERENCE

The KX4 hard button keycaps are compatible with the RTI Laser Shark custom button etching service. Find details regarding Laser Shark in the Dealer section of the RTI website (www.rticontrol.com)

REMOVING KEYCAPS
- Remove the KX4 bezel.
- Using a fingernail or small
INSTALLING KEYCAPS
- Align the keycap directly over the button location.
- Gently press straight down on the keycap until it is seated flush with the display.
WIRING POWER/RELAY/SENSE INPUT CONNECTIONS
IMPORTANT NOTE: While making these connections, the phoenix connector must be unplugged in order to reach the screws that are used to secure the wiring in the terminal. During the wiring process, place the phoenix connector into the “Wire Staging” location (see Step 1).

After all of the wiring is connected, finish installing the phoenix connector by aligning it with the Power/Sense/Relay port and pushing it into place (see Step 2).

SENSE INPUTS
These inputs are capable of sensing contact closure or a voltage trigger (2-24VDC). The sense input mode can be configured within Integration Designer®. Upon sensing contact closure or a voltage trigger, events such as IR commands, macros, relay closure, can be executed automatically.

- Wiring for contact closure sense: Connect one of the wires from the device to one of the sense inputs (labeled 1-6) and the other wire to the KX4 ground input.
- Wiring for voltage trigger sense: Connect the positive (+) wire from voltage source to one of the sense inputs (labeled 1-6) and the negative (-) wire to the KX4 ground input.
RELAYS
Contact Closure Control
The KX4 relays provide contact closure or switching control for loads up to 2A/30VDC (60W max) each. Relays are “Normally Open” when not energized, but they can be programmed to behave “Normally Closed” as long as power is applied to the KX4.

- Wiring For Contact Closure Control:
- Connect one of the equipment leads to Contact A of a KX4 relay (labeled 1-4)
- Connect the remaining equipment lead to Contact B of the same relay.
Voltage Trigger Control
The KX4 relays can also be used as a voltage trigger which requires additional wiring (see diagram).
IMPORTANT NOTE: When using a relay as a voltage trigger, the KX4 MUST be powered via a CB8 connecting block or a power supply. The voltage trigger will not work when PoE is used.

- Wiring For Voltage Trigger Control:
- Connect the ground terminal (GND) of the KX4 to the ground connection on the equipment to be triggered.
- Install a jumper wire (#22 AWG) between the KX4 +12-16VDC terminal and the Contact A terminal of the relay that is being used to send the voltage trigger.
- Connect the Contact B terminal of the relay to the +12VDC input on the equipment being triggered.
RS-232
The KX4 is capable of two-way RS-232 communication with supported electronics via standard Cat-5/6 cable with RJ-45 termination (568B). Two RJ-45 to DB-9 adapters are included.
NOTE: RS-232 communication cabling should be limited to 50 feet (16m). The actual distance varies depending on baud rate.


CONTROL PORT
The Control Port on the KX4 uses a Cat-5/6 cable with RJ-45 termination. When used in conjunction with an RTI control processor (e.g. RTI XP-6s) and an RTI connecting block (e.g. RTI CB-8), this port serves as the power source for the KX4 in addition to infrared and RS-485 communication. See “Power Options” diagram at left for pinout.
NOTE: FERRITE RING INSTALLATION
In order to comply with regulatory agency standards for EMI emissions, the KX4 includes two (2) ferrite rings which must be installed on the Control Port and/or Ethernet Port.
- To open the ferrite ring enclosure pry open the plastic latch.
- Insert cable into the ferrite ring(s) as close to the KX4 enclosure as possible.
- Close ferrite ring enclosure until the latch snaps in place.

ETHERNET PORT
This RJ-45 port allows connection to a 10/100 Base-T Ethernet network (LAN). Network settings such as the IP address are configurable within Integration Designer.
The Ethernet (LAN) connection enables communication with an RTI control system, direct control of devices via IP, MJPEG video, RTiPanel support and power-over-Ethernet (PoE). When powering the KX4 using PoE, a 802.3af Compliant class 3 PoE switch must be used.
NET LINK LED: The Net Link LED located above the Ethernet port will illuminate if the KX4 is connected to an Ethernet network. The LED will flash intermittently dependent upon traffic.
PROGRAMMING
THE TOUCHSCREEN DISPLAY
The KX4 touchscreen display is programmed using the RTI Integration Designer Programming Software (available to authorized RTI dealers only – rticontrol.com).
UPDATING FIRMWARE
It is highly recommended that this and all RTI products have the latest firmware installed. The firmware can be found in the Dealer section of the RTI website (www.rticontrol.com). Install the firmware using a USB cable (USB A to Mini B) via the USB port located on the front of the KX4 (bezel removed).
UPDATING SOFTWARE
Integration Designer data files can be downloaded to the KX4 using a USB cable (USB A to Mini B) or via Ethernet (hard-wired).
ZIGBEE WIRELESS SETUP
The KX4 has an integrated Zigbee® transceiver module. The connection supports full duplex two-way communication for use with compatible RTI handheld controllers. Refer to the Zigbee installation guide on the RTI dealer website for installation instructions and best practices.
Limited Warranty
RTI warrants its products for a period of three (3) years (one year for included battery packs); or for a period of time compliant with local laws when applicable from the date of purchase from RTI or an authorized RTI distributor.
This warranty may be enforced by the original purchaser and subsequent owners during the warranty period, so long as the original dated sales receipt or other proof of warranty coverage is presented when warranty service is required.
Except as specified below, this warranty covers all defects in material and workmanship in this product. The following are not covered by the warranty.
Damage resulting from:
- Accident, misuse, abuse, or neglect.
- Failure to follow instructions contained in this Guide.
- Repair or attempted repair by anyone other than Remote Technologies Incorporated.
- Failure to perform recommended periodic maintenance.
- Causes other than product defects, including lack of skill, competence or experience of user.
- Shipment of this product (claims must be made to the carrier).
- Being altered or which the serial number has been defaced, modified or removed.
Federal Communications Commission Notice
This equipment has been tested and found to comply with the limits for a Class B digital device, pursuant to Part 15 of the FCC Rules. These limits are designed to provide reasonable protection against harmful interference in a residential installation. Any changes or modifications not expressly approved by the party responsible for compliance could void the user’s authority to operate the device.
This equipment generates, uses, and can radiate radio frequency energy and, if not installed and used in accordance with the instructions, may cause harmful interference to radio communications. However, there is no guarantee that interference will not occur in a particular installation.
If this equipment does cause harmful interference to radio or television reception, which can be determined by turning the equipment off and on, the user is encouraged to try to correct the interference by one or more of the following measures:
- Reorient or relocate the receiving antenna.
- Increase the separation between the equipment and the receiver.
- Connect the equipment into an outlet on a circuit different from that to which the receiver is connected.
- Consult the dealer or an experienced radio/TV technician for help.
This device complies with Part 15 of the FCC Rules. Operation is subject to the following two conditions:
- This device may not cause harmful interference.
- This device must accept any interference received including interference that may cause undesired operation.
Industry Canada Compliance Statement
This device complies with Industry Canada license-exempt RSS standard(s). Operation is subject to the following two conditions:
- This device may not cause harmful interference.
- This device must accept any interference received including interference that may cause undesired operation.

DECLARATION OF CONFORMITY (DOC)
The Declaration of Conformity for this product can be found on the RTI website at: www.rticontrol.com/declaration-of-conformity
Copyright © 2022 • Remote Technologies Incorporated • All rights reserved.















