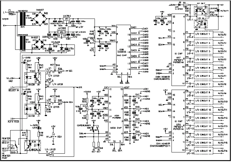
velleman K8000 Computer Interface Board

COMPUTER INTERFACE BOARD
- SIXTEEN INPUT / OUTPUTS WITH OPTO COUPLER
- EIGHT – 6bit (64 steps) ANALOG OUTPUTS
- ONE – 8bit (256 steps) ANALOG OUTPUT
- FOUR – 8bit (256 steps) ANALOG INPUTS
- SIMPLE CONNECTION WITH PRINTER PORT
- PRINTER BY-PASS CONNECTOR ON BOARD
- FULL OPTO-ISOLATION WITH COMPUTER
modifications reserved


CONSTRUCTION
Mount the components in the order indicated in the separate part list. The parts marked with (!) require special attention in the assembly instructions.
IMPORTANT : Read the disk file READ.ME before commencing assembly. This file will report any updated changes.
ATTENTION :If the card is to built as an expansion card (Slave) to one already connected tot the computer (Master), the components marked with S should not be mounted.



Information
If desired, a voltage divider or filter can be fitted tn each analogue input. The voltage divider can be useful if a higher input voltage than normal is to be monitored. Normally only a maximum of 5V can be accepted by the input. The filter can be useful for eliminating (mains) hum from the signal for example. Points A to D give examples.
- No attenuation and no filtering (input impedance= 100K). In place of RA a jump wire needs to be fitted. RA is a resistor. Nothing should be fitted in place of CA.

- 50Hz mains filter (low-pass filter). By use of the formula, different values for RA and CA can be calculated as a function of the desired frequency. If a high value for CA is arrived at, then an electrolytic capacitor can be used, but check the polarity.

- An input attenuator of 10. This means that up to 50V may be connected to the input, which is then reduced by a factor of 10. With the first values the input impedance is 20kÙ. With the values in brackets the input impedance is 200kÙ. With higher input voltages it is advisable to choose high values for the resis-tors, otherwise resistors of a high power rating must be used for RA.

- Conversion of current to voltage. In order to avoid interruptions, it is possible for a variable current to be measured as the reference input value which is used for current to voltage conversion. Here a variable current from 4 to 20 mA is converted to a voltage of 0.8 to 4V.

Connection numbering
Output numbering is important, especially if a number of cards are to be used to-gether as these numbers will be used by the control programmes. Cut out the desired numbers from the sticky labels provided.
Input/Outputs (I/O):
- I/O1 to I/O16, or if used as slave
- I/O17 to I/O32
- I/O33 to I/O48 or I/O49 to I/O64.
Analogue outputs (DAC):
- DAC1 to DAC8, or if used as slave
- DAC9 to DAC16
- DAC17 to DAC24 or DAC25 to DAC32.
Precision analogue output (DA):
- DA1, or if used as slave
- DA2, DA3 or DA4.
Analogue inputs (AD):
- AD1 to AD4, or if used as slave
- AD5 to AD8; AD9 to AD12 or AD13 to AD16.
Test and Connection
TEST
Prior to testing the card by computer a number of “passive” tests can be done.
Connect the connectors, MAINS N and L to the supply voltage.
Normally no LEDs should light up.
Measure the voltage on testing +5V to see if the 5V supply voltage is present.
Connect the test points 1 to 16, one by one, with the earth (GND) testpin.
Normally the LED from the respective channel should light up.
CONNECTION
The computer can be connected to the card via a standard cable.
If no printer is to be connected in, a cable can be made up, such as shown in figure 1.0 (the length of the cable has been tested to 10m).
NB: if the printer feed through connector is used and problems subsequently occur with printing, then shorter cables must be used.
If the card has been built as a slave unit, then it must be connected via the three pole connector J31 and through to the GNR, SCL and SDA connections.
See the users manual for further connection configurations and tests.
Diagram

PCB Layout


VELLEMAN COMPONENTS NV
Legen Heirweg 33
9890 Gavere
Belgium Europe
Info ?: http://www.velleman.be
Modifications and typographical errors reserved © Velleman Components
H8000IP – 2001 – ED2




















