277V PEK
Setup Guide
This guide describes one way to connect the components of the 277V PEK. The parts in this kit can be used in many different ways to meet the requirements of an installation.
We recommend drilling holes for conduits, wires, and other external pieces prior to installing components within the enclosure.
For an example line diagram, see the last page.
- Check that you have received all of the correct parts:

1x Integra Enclosure 2x DIN Rails (pre-attached) 1x 120V DIN Rail Receptacle 5x Terminal Blocks 1x Cover Plate 2x Terminal End Stop 1x eGauge Mounting Kit (steel) 1x 15’ Yellow, Orange, White, Brown Wire 4x DIN Rail Mounting Screws and Washers 1x Potential Transformer with DIN rail mounting clip and Mounting plate for transformer - The two 13” pieces of DIN rail should already be mounted in the enclosure. With a Phillips head screwdriver, check to make sure they are tightly screwed in place.

- Take the 5 gray terminal block pieces and connect them to the DIN rail. Use the gray endplate to cover the exposed end. Connect a terminal end stopper to each side of the terminal block. Wait to use the screws to secure the block as you may need to adjust it later.

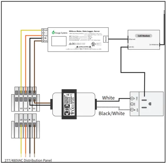
- Connect the 50VA Potential Transformer to the same DIN rail as the terminal block. Orient the primary side (colored wires) toward the terminal block. The black wire on the primary side of the transformer is the neutral line.
Important: Ensure that the neutral line of the transformer connects to the same block as the neutral line of the incoming distribution panel!
- Insert the black and brown wires on the primary side of the transformer into the terminal block as shown in the photo. Use wire nuts or electrical tape to cover all exposed
ends of the unused wire on the primary side of the transformer.
- Connect the 120VAC receptacle to the opposing DIN Rail
- Insert the white and white/black wires from the secondary side of the potential transformer into the 120VAC receptacle. The black and white stripe connects to the “+” or “HOT” position and the plain white connects to the “-” or “NEU” (neutral) position.

- Attach the cell router or other accessory. Cell modems use a DIN clip to attach to the rail.

- Attach the gauge using the included DIN mounting kit. The mounting kit can be used to orient the eGauge in many ways. The image to the left shows a “flat” mount.

- Connect the power adapter for the cell router or other accessory to the 120VAC receptacle and the Ethernet cable to the eGauge

- Cut lengths (about 7” long) from each of the 15’ colored cables, strip about 1/4” from each end, and use each to connect the eGauge voltage block to the power distribution block.
Important: Ensure that the neutral line of the eGauge connects to the same block as the neutral line of the incoming distribution panel!
- Wire the power distribution block to a breaker or fuse block of the distribution panel being measured.






























