BTRM Power Enclosure
Installation Guide
BTRM Power Enclosure
HOW TO INSTALL THE BTRM
Into a Power Enclosure
Part Number: BTRM-300 and BTRM-400
Product Release Date: June 24, 2021
Software Version: BTRM400v4619-202106-23
The Ventev Battery Test Remote Monitoring (BTRM) system is designed to transparently evaluate battery capacity to system operation and provide network-based notifications should the test show a battery could fail in the future, or its capacity drops below a specified level. This allows batteries that exceed their nominal lifetime to remain in service, provided they meet capacity requirements, and to ensure system operation occurs when primary power fails. The BTRM can be integrated into existing UPS and solar enclosure systems. There are three types of power systems the BTRM can be used in:
- A system with an independent power supply and battery charger
- A system with a combined power supply and battery charger
- A solar enclosure system
Independent Power Supply and Battery Charger
In systems of these types, the battery charger handles the battery management for the system while the power supply manages the load during AC operation. When AC is removed from the enclosure system, the battery powers the load. The BTRM now controls the load management of your system.
The electronics in the BTRM operate from the power provided by the battery bank. Using an automatic bypass relay (ABR), the BTRM switches the load between the power supply and battery bank without affecting the load operation.
The BTRM is wired directly to the power components in the UPS system as shown in Figure 1. The BTRM is in series between the power supply and load and the battery charger and battery bank. As a result, the operational load current of your system can’t exceed 10 Amps. If the battery charger has a low voltage disconnect (LVD), it is recommended that the LVD in the BTRM is not activated. The negative contacts of the BTRM are common to one another since they are tied together internally.
Figure 1: Independent Power Supply and Battery Charger Enclosure System with BTRM
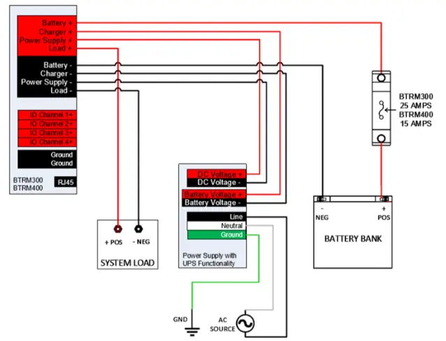
Figure 2: Combined Power Supply with UPS Functionality Enclosure System with BTRM
Combined Power Supply with UPS
The BTRM is wired directly to the power supply with UPS functionality as shown in Figure 2. In systems of these types, one component manages the power supply and battery bank during all modes of operation. The BTRM can still be used in these systems (refer to Figure 2 of BTRM labels). The battery terminals of the UPS are connected to the battery charger positive terminal (Charger +) and battery charger negative terminal (Charger –) of the BTRM. If a power supply with UPS functionality has an LVD, it is recommended that the LVD in the BTRM is not activated.
A Solar Enclosure System
The BTRM is wired directly to the solar controller as shown in Figure 3. In systems of these types, the solar controller manages the energy harvested from the solar panels and battery bank during all modes of operation. The BTRM can still be used in these systems (refer to Figure 3 of BTRM labels).
The battery terminals of the solar controller are connected to the battery charger positive terminal (Charger +) and battery charger negative terminal (Charger –) of the BTRM. The load terminals of the solar controller are connected to the power supply positive terminal (Power Supply +) and the power supply negative terminal (Power Supply –) of the BTRM. If the solar controller has an LVD, it is recommended that the LVD in the BTRM is not activated.
Figure 3: Solar Enclosure System with BTRM
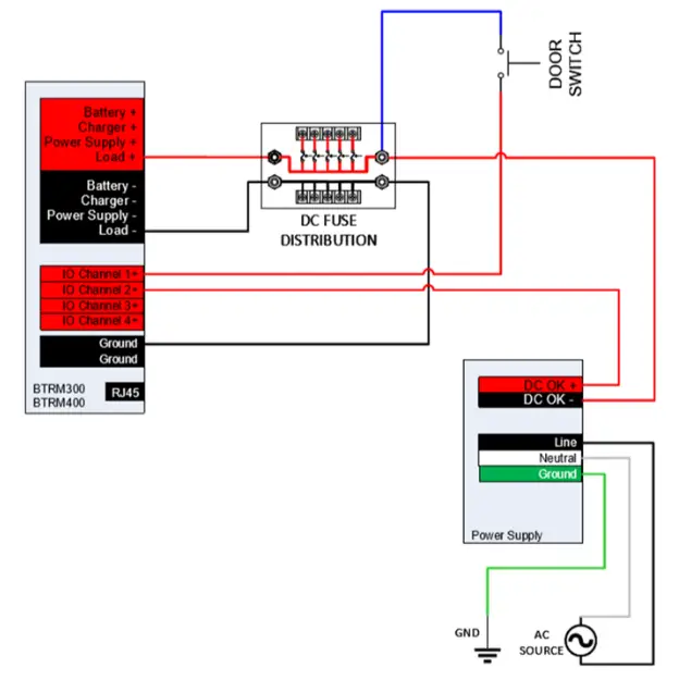
Figure 4: Alarming and I/O of an enclosure system with BTRM

Alarming and I/O of an Enclosure System
Figure 4 also shows potential alarming and I/O inputs that can be used in the system. If you have existing I/O inputs (i.e., door alarm), please refer to the manual for guidance for electrical connections and BTRM firmware setup.
How to install the BTRM into a Power Enclosure
©2021 Ventev
Ventev.com



















