4kWh Power Kits
User Guide
4kWh Power Kits
For details,please scan the QR code or visit https://www.ecoflow.com/support/download/power-kits
Recreational Vehicle (RV)
Off Grid Builds/ Home Backup
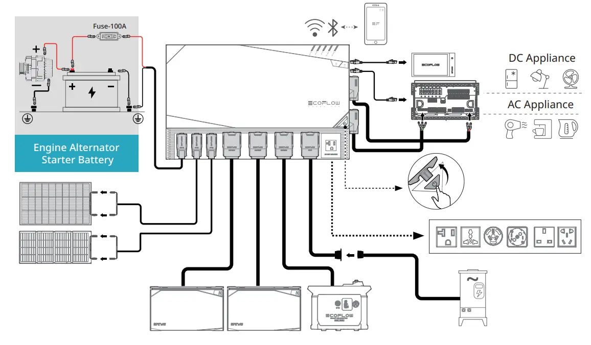
Power Hub
Ventilation is a MUST to prevent the Power Hub from overheating.

Wall Mounting

Surface Mounting

AC/DC Smart Distribution Panel

2KWh / 5KWh LFP Battery

Power Kit Console

Connecting Components

EcoFlow App



















