Contents hide
ECOFLOW 1772152143 Power Hub

Recreational Vehicle (RV)

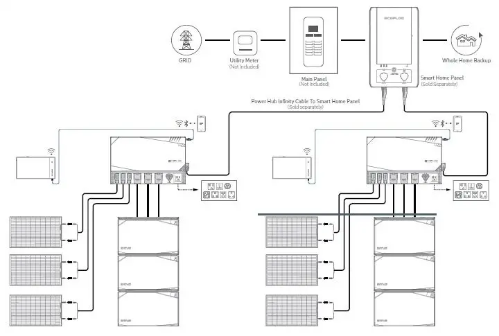
Whole Home Backup

Off Grid Builds Self Consumption

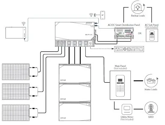
Partial Home Backup

Power Hub

Wall Mounting 
Surface Mounting
CAUTION
AC/DC Smart Distribution Panel

Installing into a recess


/ 2KWh / 5KWh LFP Battery

Stacking Installation
Surface Mounting
Power Kit Console

Connecting Components


EcoFlow App



Surface Mounting

















