Vetus P6 Switch Panel User

Product Information
The Vetus Switch Panel P6/P12 is a switch panel with automatic fuses or glass fuses. Each separate group on the switch panel is protected by a fuse and rated for a maximum of 10A. LED lamps indicate which circuit is energized. The on-board voltage must match the voltage stated on the switch panel (12 or 24 Volts).
Overload Protection:
In case of an overload condition, the consumers of that circuit will be switched off and the LED will go out. The group concerned can be switched on again by following the below steps:
- Switch Panel with automatic fuses:
- Turn the switch to the OFF position
- Resolve the overload problem
- Depress the protruding thermal protection button
- Switch back to the ON position
- Switch Panel with glass fuses:
- Turn the switch to the OFF position
- Resolve the overload problem
- Replace the blown glass fuse (10 Amp)
- Switch back to the ON position
Installation:
The switch panel should be mounted in a position that allows easy access to the switches and a good view of the LEDs. The depth behind the fascia should be 50mm. The splash-proof panel is intended for indoor use only.
Instructions:
- Use the provided template to create a hole in the instrument panel or bulkhead (See Drawing 1)


- Mount the switch panel using the 4 provided screws
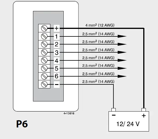
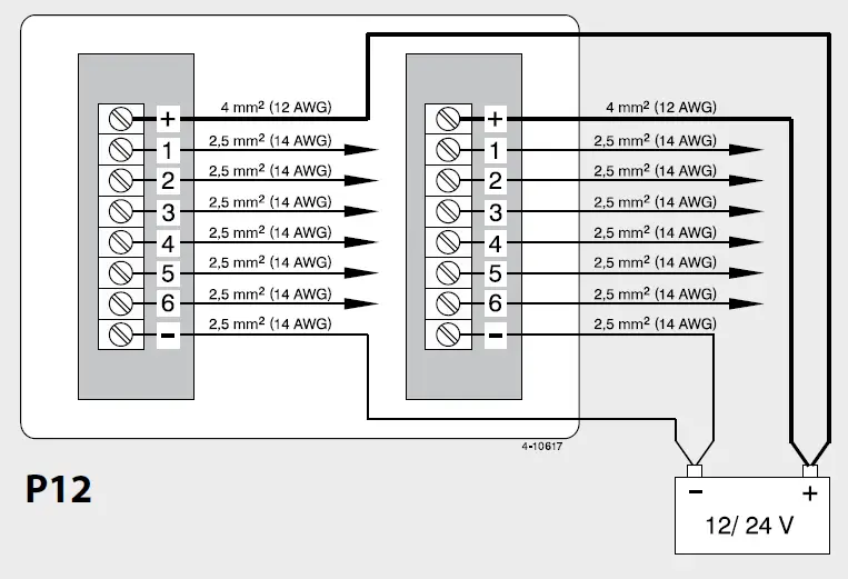
- Connect the plus (+) and minus (-) wires to the appropriate terminals using wires with a sufficient cross-sectional area (See Drawing 2):


- The plus (+) wire should be at least 4mm2
- The minus (-) wire should be 2.5mm2
- Connect the equipment to be switched (consumers such as lighting, pumps, etc.) using wires with a sufficient cross-sectional area of at least 2.5mm2
- Apply the provided text stickers to the switch panel
Warning:
Large currents through thin wires or transitional resistances caused by poor connections can cause wires or connections to become very hot and cause fires. Ensure that wires are of sufficient cross-sectional area and connections are secure.
Introduction
- Each separate group on the Vetus Switch Panel P6/P12 is protected by an automatic fuse (P..CB..) or a glass fuse (P..F..).
- The circuits are rated for a maximum of 10‑A.
- LED lamps (light-emitting diodes) indicate which circuit is energized.
- Take care that the onboard voltage is the same as that stated on the switch panel (12 or 24 Volts).
Overload
In case of an overload condition the consumers of that circuit will be switched off and the LED will go out.
The group concerned can be switched on again as follows:
Switch Panel with automatic fuses:
- Turn the switch to the OFF position,
- Resolve the overload problem,
- Depress the protruding thermal protection button,
- Switch back to the ON position.
Switch Panel with glass fuses:
- Turn the switch to the OFF position,
- Resolve the overload problem,
- Replace the blown glass fuse (10 Amp),
- Switch back to the ON position.
Installation
- Mount the panel into a position that allows the user easy acces to the switches and a good view at the LEDs.
- Depth behind fascia: 50 mm.
- The splash-proof panel is intended for indoor use only.
- Using the template provided, cut out an opening in the instrument panel of the bulkhead, see drawing 1.
- Fit the switch panel with the 4 screws provided
WARNING
High currents through wiring that is too thin, or resistance caused by poor connections, can generate heat and could cause a fire.
Connect the plug connector (+) and the minus connector (-) using wires with a suitable cross-section (see drawing 2):
- The plus (+) wire should be at least 4 mm2.
- The minus (-) wire should be at least 2.5 mm2.
Connect the various equipment to be operated (consumers such as lighting, pumps, etc.) with wires with a sufficient cross-section; minimum 2.5 mm2 (14 AWG).
Detach the required nameplates from the sheet and attach them to the switch panel.
Switch panel dimension
Copyright © 2016 VETUS Schiedam Holland
Fokkerstraat 571 – 3125 BD Schiedam – Holland
Tel.: +31 (0)88 4884700 – [email protected]
www.vetus.com
Printed in the Netherlands
090503.03 2016-10























