VENTUS VETUSBP3008 Series Parallel Switch

Product Information
The Series-Parallel Switch BP3008 is designed to connect 2 sets of 24 Volt, 2 x 12 Volt batteries in series during operation toobtain the required 48 Volt for the bow thruster. During charging, the 2 sets of batteries are connected in parallel and linked to the 24 Volt charging system. The switch is prepared for easy connection to the VETUS 48 V bow thruster. It comes with a provision for including a separation switch (#15) in the charging current cable to separate the battery sets if not charged for an extended period to prevent excessive discharge.
Specifications
- Product Name: Series-Parallel Switch BP3008
- Input Voltage: 24 V, 48 V
- Model Number: 020565.01
- Maximum Continuous Current: 100 A
Product Usage Instructions
- Use main power cables with sufficient cross-sectional area. Include a main switch and a fuse in the + cable to the bow thruster. Connect the main power cables and make sure the main switch is in the “OFF” position.
- Use charging current cables with sufficient cross-sectional area.
- Do not use these batteries as starting batteries, and never connect an anchor winch to these batteries!
- Connect only the control cable to the panel. Do not connect the control cable to the bow thruster yet.
- Disconnect all battery cables if an existing installation is expanded with the series-parallel switch and 2 extra batteries. Then install the switch, batteries, and cables as described in the manual.
- Follow the wiring diagrams provided in the manual.
- Check with a voltmeter to ensure that there is voltage between the plus (+) of battery set 1 and the minus (-) of battery set 2.
- Connect the charging current cable from the alternator to 51(+ALT) on the series-parallel switch, turn on the main switch of the bow thruster, and check if the bow thruster functions properly.
- The series-parallel switch automatically switches on immediately when the bow thruster is operated and switches off with a delay.
Introduction
- By installing the series-parallel switch:
- the 2 battery sets (24 Volt, 2 x 12 Volt) are connected in series to supply the required 48 Volts for the bow propeller while it is operating
- the 2 battery sets (24 Volt, 2 x 12 Volt) are connected in parallel to the 24 Volt charging system while charging.
- The series-parallel switch is designed to allow a simple connection to the VETUS 48 V bow propeller.
If an isolating switch (# 15) is fitted in the charging wire the battery sets can be separated if charging is not carried out for a long time in order to prevent excessive discharging. - If the batteries (24 Volt) that have been installed for the bow propeller are also used for other loads the following must be taken into
account: both sets of batteries will supply current to 24 Volt loads via the charging wires and the charge current contacts of the series-parallel switch.
Warning!
The maximum continuous current through the charge current contacts of the series-parallel switch may not be more than 100 A. Therefore, never use these batteries as starter batteries and never connect an anchor winch to these batteries!
Operating
The bow propeller can be operated as described in the ‘User Instructions’ in Chapter ‘Use’ after installing the series-parallel switch. The series-parallel switch operates automatically as soon as the bow propeller is operated and then switches off with a delay afterwards.
Installation
Warning!
- Disconnect all battery wires if an existing installation is to be extended with the series-parallel switch and 2 extra batteries.
- Then install the series-parallel and the batteries and wires as described in these instructions.
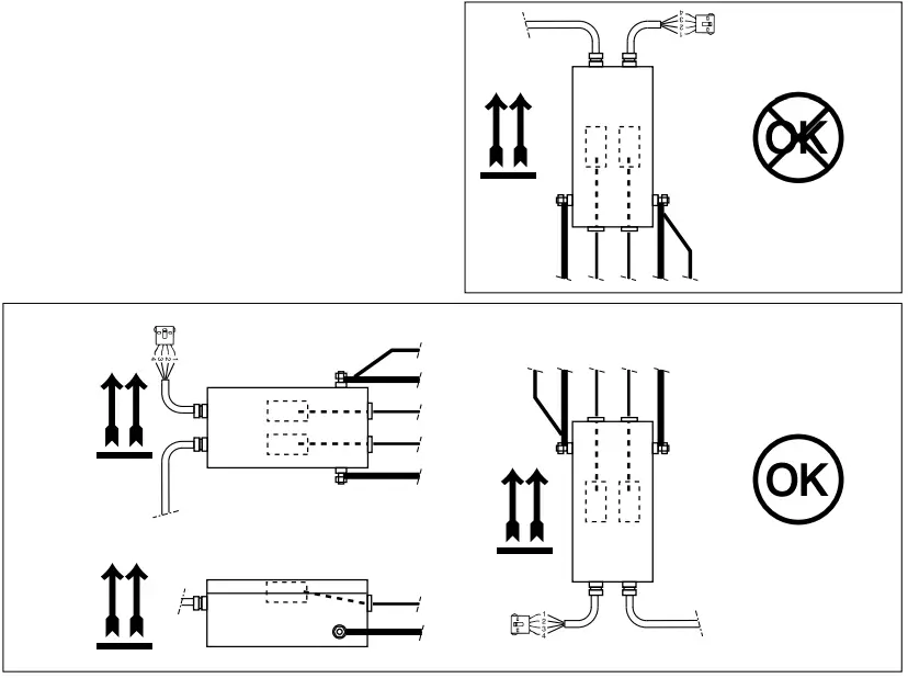
Fit the series-parallel switch as close as possible to the batteries and the bow propeller in one of the illustrated positions in order to keep the main circuit wires as short as possible. See the wiring diagrams for how to connect the circuit.
Batteries
- Total battery capacity about 200 Ah – 48 Volt.
- (E.g. 4 starter batteries each 200 Ah – 12 Volt).
- Use batteries of the same type, capacity and length of service.
- Position the batteries as close as possible to the bow propeller; this allows the main circuit wires to be kept short so that there will be
little voltage loss.
Main circuit wires
- Use main circuit wires of sufficient cross-section.
- A main switch and a fuse must be fitted in the + wire to the bow propeller.
- Connect the main circuit wires and make sure that the main switch is set to ‘OFF’.
Charging wires
- Use charging wires of sufficient cross-section.
- Connect the charging wires.
- Do not connect the alternator wire to terminal 51 on the series-parallel switch yet.
- If the same alternator is also to be used for a battery set that is not connected through the series-parallel switch the charging circuits must be separated by a battery isolator.
Control wires
- Only connect the control wire to the panel.
- Do not connect the control wire to the bow propeller yet.
Check
- After installing carry out the following checks:
- Check once more that all wires have been installed as shown in the diagram!
- Use a voltmeter to check that there is a voltage of 24 Volt between the plus (+) of battery set 1 and the minus (-) of battery set 2.
- Repeat this measurement between the plus (+) of battery set 2 and the minus (-) of battery set 1.
- Switch on the control panel and operate the direction switch; the series-parallel switch will be switched on.
- Use a voltmeter to check that there is a voltage of 48 Volt between the plus (+) of battery set 2 and the minus (-) of battery set 1.
- Connect the control wire to the bow propeller and operate the direction switch. The relay on the bow propeller must now be operated.
- Now connect the charging wire from the alternator to terminal 51(+ALT) on the series-parallel switch, switch on the main switch of the bow propeller and check that the bow propeller operates properly.
Technical data
- Contacts :
- 1 x Normally open,
- Max. current, continuous, not switching : 400 A
- Max. current during 60 sec. : 1000 A
- 2 x Normally closed,
- Max. charging current, continuous : 100 A
- Max. charging current, intermittent at 20% duty
- cycle : 150 A
- Coil data :
- Voltage : 24 V DC
- Current : 1.2 A
Principal dimensions

Positioning



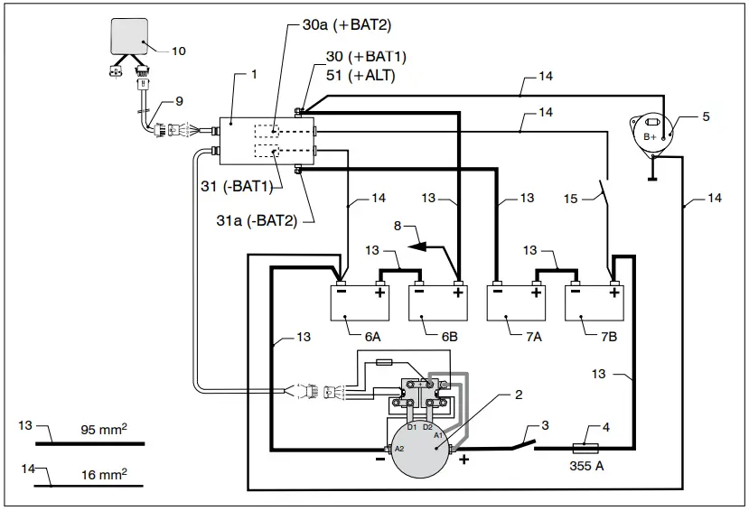
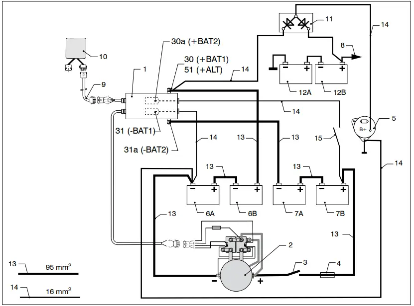
Wiring diagrams
- Series-parallel switch
- Bow propeller 16 kW 48 Volt
- Main switch bow thruster
- Main fuse
- Alternator
- Battery bank 1
- Battery bank 2
- To 24 Volt load
- Extension cable
- Control panel
- Battery isolator
- Battery for 24 Volt load only
- Main circuit wires
- Charging wires
- Isolating switch
ABOUT COMPANY
- FOKKERSTRAAT 571
- 3125 BD SCHIEDAM
- HOLLAND
- TEL.: +31 0(0)88 4884700
- [email protected]
- www.vetus.com

















